Fórum témák
» Több friss téma |
Fórum » Subwoofer szűrő
Szia!
Most jutottam el oda, hogy kész a panel. DE! Sikerült az egyik tl 072 őt rosszul berakni. Konkrétan a felsőt, úgy, hogy az 1 es lába a 8 as felé van. Mondhatom szépen füstöl. Ezt megelőzően nem ment, és nem tudtam, hogy miért. De rájöttem, a dióda volt a hibás. Amint kicseréltem el is kezdett füstölni az ic. Ez okozhat e valami káros mellékhatást a többire nézve? Ha csak kicserélem, akkor rendbejöhet? És még egy kérdésem lenne, hogy az a jumper es cucc, az lenne a fázisfordító, ugye? Elvileg mindegy, hogy hová rakom a jumpert a teszteléskor, ugye? minden féle képp szólni fog? jumper nélkül meg süket lesz? Köszi szépen minden választ!! lewi
Böngésztem még tegnap este az adatlapokon, és azok alapján arra jutottam, hogyaz NE5532 re kicserélhetem, ígyhát ki is cseréltem, és kipróbáltam, de sajnos még így sem szól.
![]() Esetleg tudnál segíteni a hibakeresésben? ui: Próbálgattam egy fülessel, hogy mi merre hány óra, és elmondom mire jutottam. hátha segít. A füles negatív felét a negatvba bekötöttem fix re, és elkezdtem a pozitív felével végigmenni a panelon. Először a bemenethez raktam a kondik elé. itt elég erőteljesen szólt. Majd a kondik után már halkult, és a leg halkabban az 50K os potinál hallottam még. itt beállítottam a potit max hangerőre, de a kimeneten nem hallottam semmit. Megépítettem a kiegészítő részét is ennek a sub szűrűnek, és azzal együtt üzemeltetem. Esetleg tudnál segíteni? Szerk: Ja és már néztem, az ic k kapnak tápot. Köszi: lewi
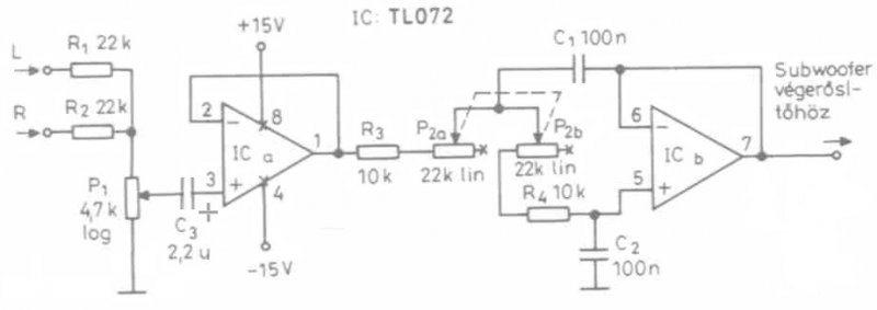
Üdv, kapcsolási rajz nincs meg?
Szerk.: A potit úgy tudod kiiktatni, hogy beállítod, ahova szeretnéd, kiforrasztod, megméred, hogyan oszlanak meg rajta az ellenállási értékek, majd behelyettesíted fix ellenállásokkal.
Hali! Az ellenállásértékeket kell változtatnod. De előtte rakd össze ahogy kell, és ha tényleg nem szól eléggé, csak akkor változtasd a vágási frekit. Bár szerintem nem lesz rá szükség. Nekem is kb ekkor,a nálam idősebb teslát hajt az erőlködö és így is kb fél állásba van a poti...
Rendben van, úgy csinálom ahogy mondtátok.
Köszönöm szépen a segítséget! Üdv.:Gergő
Lenne egy egyszerű kérdésem amire nem találtam választ. Miért van az hogy ezen a rajzon bemenetnek van egy jobb és egy bal. de kimenetnek meg csak egy van. Ezt nem értem.Én egy három csatornás erősítő egyik csatornájából szeretnék subot csinálni, így nem értem hogy kerül oda a jobb és bal. Valaki magyarázza el nekem ezt légyszi
Persze, hogy el!
3 csatornára kódolt hangkép nincs. Még mindig a stereo a leg elterjedtebb. És ha subot akarsz csinálni, akkor valamelyik csatorna jelét kell kierősítened , de csak a mély hangokat (amit a kérdéses kapcsolás el is végez). És mivel stereo rendszerhez van ez bigyó tervezve -mert ugye még mindig az a leg elterjedtebb-, így előfordulhat, hogy a mély hang sem egyforma a két csatornában. (Én még nem hallottam olyant, hogy a két csatorna a mély tartományban eltérjen, de ez elméletileg lehetséges, és -ha a rögzítendő anyag úgy kívánja, akkor- megkívánt dolog) Szóval a kapcsolás a két csatorna mély hangjait összegzi. Azért van csak 1 db kimenet, mert álltalában csak 1db mélynyomóval szokás kiegészíteni egy stereo rendszert. (Hiszen a szakirodalom szerint 80-100 Hz frekvenciájú hangnál már úgy sem halljuk, hogy honnan jön)
Sziasztok!
Adott ez a kapcsolásom, ami tulajdonképpen csak meg van duplázva a sztereo miatt. (Kérésre lett a két csatorna, nem belekötni. )A gondom a kimenő jel erősségével van. Kicsit gyengécske, nem túlságosan, de az átlagos vonalszinttől hallhatóan lejjebb van. Kezdő vagyok a téren, így kérnék egy kis segítséget, hogy mely alkatrészek változtatásával érhetnék el nagyobb erősítést. +/-12V-ot kap 15 helyett, de sajna a táp nem cserélhető, úgyhogy a feszültség emelése nem megoldható. Gondolom egyszerűen 1-2 ellenállást kell kisebbre venni, de nem tudom melyeket és mennyire. Előre is köszi a segítséget!
Ebből sajnos még mindig nem értem, hogy miért van az hogy kettő megy be és egy jön ki. Ha sztereó rendszerben bekötöm mind a két bemenetet, eddig értem, de miért van az hogy csak egy kimenetem lesz, ezzel a szűrővel a sztereót monóvá alakítja? Vagy mi lesz a másik hangszóróval azt hove kell kötni?
Hangszórót sehova.
A kimenetet erősítőre kell kötni. Természetesen a "kimenetet" az erősítő bemenet melegpontjára, és a két földet is össze kell kötni.
Ahogy szucsip is leirta, a jobb es bal csatorna jeleit összegzi, megszűri azt, hogy csak a mély tartomány jelei jöhessenek ki kimenetén. Igy mindkét csatorna mély hangjait hallod a subwooferből. Fölösleges lenne külön jobb és bal csatorna a mélynek, mert abban a tartományban úgy sem tudod behatárolni, merről jön a hang. Ha nem ez volt a kérdés, akkor bocsesz!
A kérdés már nem érdekes. Megoldottam.
Hali !
Mi volt a megoldás?
Szia!
A TL072-es IC-ben két műveleti erősítő található, ebben a kapcsolásban a második erősíti a már vágott mélyhangokat. Az első viszont az első hozzászólásomban mellékelt kapcsolásban is látható, hogy csak feszültség-őrző módban van. Egy kis átalakítással mostmár igazi műveleti erősítőként működik és szabályozható is lett, mekkorát erősítsen a bemenő jelen. A mellékelt kapcsolási rajzot már én csináltam felhasználva több ilyenfajta filtert a magam ízlésére formálva és gyönyörűen muzsikál ismerősöm subwoofereivel. A bemenő 22k-s ellenállás változtatásával lehet illeszteni különböző jelszintű forrásokhoz. Természetesen egy halkabb mp3-lejátszónál kisebb, asztali CD-olvasó magasabb jelszintjénél nagyobb ellenállás szükséges. Nekem a 22k-s értékűvel vált teljes mértékben kivezérelhetővé torzítás nélkül egy keverőpult társaságában.
Hali!
Köszi a gyors választ ,így már én is megpróbálkozom vele.Pontosabban ezzel a módosítással,ha már ez a tuti!
Sziasztok!
Megszeretném építeni ezt a szűrőt és találtam is hozzá megfelelő nyákrajzot meg mindent ami kell! Összegyűjtöttem az alkatrészeket hozzá valaki leellenőrizné hogy jók-e? 39k 2db 4.7k 2db 1.5k 1db 10r 2db 100r 1db 100nF 7db 220nF 1db 39pF 1db 4,7uF 2db TL072CN 1db mono poti 1db Sztereó poti 1db led 1db Lehet hogy fóliakondi helyett kerámiát kellett volna választanom? Előre is köszönöm a választ! További szép napot! Lacko12
Ha megnézed a linkelt cikket ott is vegyesen fólia meg kerámia kondit használt a szerző... Nemtudom viszont hogy a 0,4W-os ellenállás jó-e ide mert kb ugyanannyiba kerülnek ált a 0,6W-osak és a képen a cikkben is olyasmik vannak ezek kicsit nagyobbak, mint a miket te választottál, egyébként én nem építettem meg ezt az áramkört meg csak a képére néztem rá, nemtudom, hogy milyen kell bele de ha nagyobb az nem baj... de hogy kell is e bele azt nem tudom...
Ahham köszi igazad van a kicsi ellenállásokkal kapcsolatban akkor kicserélem azokat nagyobbra a kondik meg maradnak azok amiket kinéztem!
Köszi a választ!
A 0,25 W-os ellenallasok jok ide ,nincs nagy aram sehol a kapcsolasban.
Üdv!
Pénzügyi probléma: ezen kapcsolásban szereplő sztereó potit nem lehetne felváltani trimerekkel? Nincs "kedvem" 450 forintot kiadni, ha nem muszáj. Egyébként se szeretném út közben a vágási frekit állítgatni, belövöm és marad úgy, ugyanis kocsiba készül a dolog. Szóval?
De ki lehet váltani. Csak akkor pontosan egyformára kell állítani őket. Egyébként fix ellenállás is megfelel oda.
Ez eddig nekem is világos, csak ugye be kell majd lőni, hogy hol vágjon. Pontosan egyformára úgy se siekrül beállítani. Szóval ha kis eltérés van, akkor az mit okoz?
Szerintem kis eltérés bele fér.
Okés, szerintem majd helitrimmereket kap.
Köszi mindent!
Sziasztok!
Segítséget szeretnék kérni. ![]() Megépítettem pedro sub szűrőjét, de sajnos nem akaródzik működni. ![]() Hiába adok neki tápot (11,8V), nem akaródzik működni. Megcsináltam hozzá a kiegészítő rését is, amit már csatlakoztattam. Annyiban térek el az eredeti leírástól, hogy a bemeneti kondenzátoroknál (a hang bemeneténél) csak az egyiket raktam még be, mert csak egy volt a 330n ós kondiból. A kiegészítőrésznél meg nem 6 kábellel kötöttem össze, hanem csak 4 gyel, mivel ami az eredeti panelon össze vannak kötve, azokat összekötöttem a kiegészítő részénél is. így 2 szer 2 kábellel kevesebb kellett. A bemenetnél most, a próba ideje alatt csak az egyikre kötöttem hangforrást, így elvileg nem zavaró, ha hiányzik a másik kondi Ha áramot adok neki (nyákcsatin mérve a szűrővel együtt 11,85V) sajnos nem csinál semmit. Már megnéztem az IC k nél megvan a feszültség, de nem tudom hol lehet a hiba. Tudnátok a hibakeresésben segíteni? mit, és hol mérjek? köszi szépen előre is!
Sziasztok!
Azt szeretném megkérdezni, hogy az első oldalon található (Keserűcukor rajza) beültetési rajzon a 39pF helyett sajna csak 33pF, 47pF van melyiket kéne használnom, vagy mindenképp szerezzek be egy 39pF-os kondit? Üdv.: bedy
Addig amig nem szerzel 3Ft-ért majd egy bele valót nagyon mindegy, szerintem nem befolyásolja nagyon.
|
Bejelentkezés
Hirdetés |














