Fórum témák
» Több friss téma |
Fórum » Subwoofer szűrő
Szerintem maradj a tl-nél! Ami még annál is jobb hangminőséget ad az a ne5532. Feszültségosztással megoldható a problémád is. Két 1%-os tűrésű ellenálással féltápra helyezed a feszültséget az ic-nek például ahogy itt csináljákBővebben: Link
Szia!
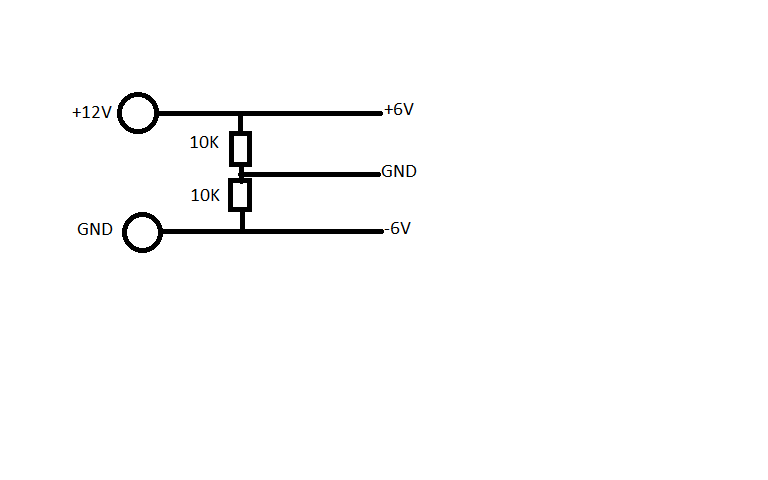
Köszi a választ! Pontosan nem tudtam kivenni a bekötést, de amit látok, hogy a +12V és a GND közé rakom egymással sorbakötve a két ellenállást, és a kettő közül húzom ki a GND-t az addigi GND meg a -, a +12 volt meg a + lesz, és gondolom +-6 voltot kapok.
Igen, de csak nagyon kis mértékű terhelésig (1mA-es nagyságrendben). Utána esni fog a feszültség.
És ha nagyobb teljesítményű ellenállást rakok be?
Direkt azért küldtem azt a linket ,hogy lásd ,hogy úgy működni bir a tl. Ha nagyobb teljesítményű ellenálást használsz akkor sem tud több áram folyni mint ami az ellenálás értékéből következi. Ha kissebb értékű de nagyobb teljesítményű ellenálást használsz azzal pedig az áramkör nyugalmi áramfelvételét fogod növelni. 10k-100k közötti (1%-os tűrésű) ellenálással viszont nyugodtan elmennek a hagyományos OPA-k. Én is építettem ezzel az eljárással és kitünően végezte a dolgát. Ha viszont nagyobb teljesítményű (pl: végfok) áramkörnek akarsz kettőstápot sima tápból akkor más eljáráshoz kell folyamodnod.
Értem, és bocs hogy nem láttam a lényeget, de nem vagyok nagyon jó elektronikában. Nem is akarom nagy teljesítményre használni a tápot, csak 2-3 TL ellátására. Egyébként egy ilyen ME, pl a TL072 mennyi áramot vezs fel? Vagy az feszfüggő? Egyébként azért is jó lenne ilyen megoldással, mert így adott esetben autóban is használható gondolom, ami nem hátrány. Köszönöm a válaszokat!
Általában virtuális földet készítenek a két 10k-s ellenállással, amin minimális áram folyik (adatlapban megtalálható), teáht jó lesz TL072-höz, vagy hasonlóhoz. Ha szórakozik, mert pl. többet raksz rá, akkor csökkentsd felére az ellenállásokat, ekkora ohm törvényéből kiszámolva duplázódik az átfolyó áram. Nyugodtan lemehetsz 2x1k-ig (ekkor már ne 0.5w-osat használj), nem fogja "leégetni" a trafód!
Köszönöm a segítségedet! Még azt szeretném megkérdezni, hogy az itt látható szűrőben a Me + és - táplábánál van egy kis kapcsolás két darab 100 nanos kondival és egy 10 ohmos ellenállással. Ebben a kapcsolásban +-12 V-ot kap a Me, nekem +-6-ot, akkor más értékű ellenállás kell, vagy az csak valami szűrést végez, és nem függ a fesztől?
Köszönöm előre is!
Ha átrajzolod azt a részt, láthatod, hogy az első 100nF szűri a tápot, utána van egy áramkorlátozó ellenállás, ha netán valami zárlat lenne, akkor legyen valami védelem, vagyis korlátozza a műv. erősítőnek jutó áramot, majd ez után is van egy kis pufferelés/szűrés. Kisebb feszültségnél is jók ezek az értékek!
Köszönöm a segítségeteket! Szerintem megpróbálkozok egyelőre azzal a sub szűrővel ami itt található a kapcsolások közt. Viszont lenne egy kérdésem hozzá: a kapcsolási rajz említ 200 nanos kondit, amit gondolom a két darab 100 nanos ad ki, viszont a 400 nanos kondi helyén egy 220-as és egy 100-as van. Az nem hibás, vagy én nem értek valamit jól?
Előre is köszi!
Sziasztok!
Nagyon kezdő vagyok és szeretnék építeni egy szűrőt ami 200hz fölött vág! A lehető legegyszerűbbet szeretném megépíteni! Tudtok nekem kapcsolási rajzot adni ill nyák tervet? És mivel tudásom egyenlő a 0-val azt is meg tudjátok mondani majd hogy mit kössek elé és mögé és mit hova, mire kössek? Ha tudtok ajánlani egy ingyenes nyáktervező progit pc re azt nagyon megköszönném! Előre is köszönök nagyon szépen mindent!
Miért kell neked ilyen "magasan" vágni, hiszen ez már nem a szub tartomány?
De itt egy leírás ami beállítható 150Hz-ig.
Köszönöm a választ!
Ehhez nem kell "végfok" vagy ilyesmi? Ebben benne van minden? És hol tudok szerezni kettős tápot? Üdv: L.G.
Hali...
A legelső hozzászólásban közölt szűrővel kapcsolatban mi határozza meg azt hogy milyen tranzisztor kerül bele azon kívül hogy npn vagy pnp ?
Sziasztok!
Megépítettem a subhoz való aluláteresztő szűrőt kiegészítve fázistolás szabályzóval, és tökéletesen működik. Kis részben a magam terve, az itt és máshol található váltókból ollóztam össze a nekem megfelelőt. Nagyon köszönöm a segítségeteket. Annyi bajom van csak vele, hogy bekapcsoláskor pukkanik egyet a hangszóró, kikapcsoláskor meg sercenik. Ezellen mit lehetne tenni? Esetleg valami kondi a kapcsolóra, vagy valami pufferelés hogy lágyan vegye fel a feszt, nem tudom. Nem a kapcsoló hibája, csak villásdugós vezetéket ráforrasztva a konnektorba dugáskor is csinálja. Előre is köszi!
Üdv! Ha a brd és sch fájlokat átkonvertálnád jpeg-be vagy png-be , akkor sokat segítenél magadon, mert többen meg tudnánk nézni!
Egyébként mi a véleményed magáról az aluláteresztő szűrőről? SIkerült már kipróbálni?
Sziasztok!
Megépítettem ezt, de nem tudom mit csináljak a Jumper_1 -el és hogy mit jelent a Alt. 100KA. Segítsetek mert ki szeretném próbálni ![]()
Kozben sikerult életre keltenem, de még mindig nem tudom hogy mire jó az Alt. 100KA.
Van még 2 poti is egy 50 és egy 100K-s. Ezekkel mit állítok? Mekkorára állítsam? Most perpill kozépállásba vannak, szépen szól...
Szia !
A jumper_1 a kapcsolás fázisfordítója, szubszűrő esetén általában szükséges. Használata : A hangfalat a végleges helyére kell tenni, aztán hallgatás közben ide-oda kell kapcsolni (zárni / nyitani a jumpert). Akkor van jó beállítva, amikor több a mély. Az 50K-s trimmer a bemeneti színt állítására szolgál, a 100K-sal pedig a kimeneti színt állítható. Ezek azért vannak ott, mert előre nem volt tudható, hogy Te (vagy bárki más) épp mihez akarod kapcsolni a szűrőt, így van lehetőség ezt is, azt is a szükséges mértékben utánállítani. Az "alt.100KA" = alternatív 100K lineáris poti. Azért "alternatív", mert vagy a trimmert teszed be, vagy pedig helyette egy potit (és akkor tudod a kimeneti jelszintet "kivülről", a potival szabályozni. Ha maradt még kérdésed, írj íde : mikroshop [kukac] pedroboltja [pont] hu Pedro (boltos & a kapcsolás tervezője)
Köszönöm szépen, ezt szerettem volna tudni
sziasztok én is TL062esel épitetem meg és nekem szól és nagyon méjre vág az igaz de halk is egy kicsit azt hogy tudom meg oldani ?
Igy néz ki
Sziasztok!
Mostanság építek egy sub ot. Ehhez építek szűrőt, valamit egy szintemelőt. Nekem a kiválasztott, és már majdnem teljesen megépített elektronikával lenne kérdésem. Ezt szemeltem ki magamnak de két kérdésem lenne vele kapcsolatban. Az első, hogy van a nyákrajzoon a TL071 es ic mellett kény tüskének, vagy minek való hely, ás az van odaírva, hogy "Alt.100KA" Ez mit takar? Csak mert ahogy a kapcsolási rajzot néztem, nem láttam benne ezt az alkatrészt, ha ez alkatrész. szóval az első kérdésemezzel lenne kapcsolatos. A második, hogy én ezt kicsit trajzoltam, mert nekm egy kisebb darab nyákom volt, és volt sok SMD alkatrészem, de viszont 50K s poti az nem. Ennek a helyére egy 100K osat tettem be, ez megfelel e? És még egy bónusz kérdés, hogy a potikkal mit lehet állítani? Csatolom a saját nyáktervem. előre is köszi minden segítséget!
Üdv!
A nyákrajzot nem tudom megnyitni, mert alap Linuxom van, és most rest vagyok emulátorozni. De az 50k potenciométer helyére jó a 100k, csak azt majd óvatosan tekergesd, mert hamarabb túlvezérelheted az előfokod előfokját. (Ugye érted? Szóval az azt állítja, hogy az első műveleti erősítő mekkorát erősítsen)A második -eredeileg is 100kOhm- potenciométer pedig az utolsó műveleti erősítő visszacsatolását állítja, és végeredményben az is az erősítést állítja. Hogy minek van két potenciométer,azt nem tudom, de ha muszály lenne, tudnék találgatni. Az első poti helyére akár egy 33k ellenállást is tehetsz.
Csatolom a nyákrajzot JPG ben.
Azt honnan tudom, hogy mikor kerül túlvezérlés közelbe az erősítő? Ennek valami káros mellékhatása is van, vagy másegyéb? Az első poti helyén az 50K os at érted? És aza bizonyos rész, amit bekarikáztam a csatolt file on, azzal mitcsináljak? vegyem figyelembe? Köszi: lewi
Honnan tudod...? Hát onnan, hogy kinégyszögesedik a jel a kimeneten. Káros mellékhatás: gusztustalanul szarul fog torzítani.
Azt a bizonyos részt, amit bekarikáztál, na oda a két tüskére lehet rákötni a 100k potencio métert. Egyébként ha oda teszel 100k-t (tehát rendes 1 pályás potit, és nem trimmert) , akkor ki tudod vezetn, és tudod tekergetni ízlés szerint. Jah mégvalami: ha kivezeted, akokr szedd ki belőle a trimmer. VAGY egyik, VAGY másik.
Szia !
Alt.100KA= alternatív 100KA (tehát vagy poti, vagy trimmer). Bónusz kérdés : Az egyik (50K) trimmerrel a bemeneti, a másikkal (100K) a kimeneti szint állítható. Azért terveztem így, mert az eredeti kapcsolással (valaha a hazai Elektor közölte, 2 x táppal) komoly illeszetési gondjaim voltak - úgy az előtte lévő (jelforrás), mint az utána lévő fokozatnál (végfok). Ha maradt kérdés, akkor mikroshop[kukac]pedroboltja[pont]hu Pedro
nagyon szépen köszönöm a válaszokat! Neked, meg a közzétett nyákot!
Ha megpróbálom bekapcsolni, és nem megy, akkor minden féle képpen írok, ha meg meg, akkor is jelzést küldök róla ! Köszönök mindent!lewi
Sziasztok!
Azzal a kérdéssel fordulok hozzátok, hogy egyszer már éni is megépítettem ezt a subfiltert, és nagyon bevált. Viszont most szükségem lenne vele kapcsolatban pár átalakításra. Ez esetben egy bolti szobai házimozi mélynyomója lesz újra felhasználva. Ez egy 30Wattos 16centis hangszoró. A kérdésem az hogy minek és hogyan kéne megváltoztatni az értékét hogy olyan 200-250Hz-nél vágjon? Mert szerintem arra a dobozra érdemes ráengedni ennyit, pláne, hogy bandpass. Másrészről, magát a frekvenciát nem állna szándékomba állítgatni. Azt a potmétert milyen módon tudom kiiktatni? Üdv.:Gergő |
Bejelentkezés
Hirdetés |







Szóval az azt állítja, hogy az első műveleti erősítő mekkorát erősítsen)




