Fórum témák
» Több friss téma |
Szerintem a halozati kapcsolo elhagyasa tobbek kozott egyszeru sporolas .
Milyen "nullatmeneti bekapcsplas" az mikor dugdosom a kabelt a konnektorba ami csak ugy szikrazik ahelyett hogy egy gyors jo kapvcsolo tenne?. Ha ezeket a konnektor ki be huzogatast kibirja egy kapcsolo az mar szuper dolog .PC-imen van halozati kapcsolo .Minden komoly tapegysegen kell hogy legyen. A legszimplabb aramhatarolas amit lattam kapcsolouzemu kisebb tapegysegben egy ellenallas ami bekapcsolaskor hatarolja a kondenzator toltoaramat hogy kibirjak a diodak az inditast.Mar masodik PC-mbe a kondenzatorok mennek tonkre . Meg ha szaradnanak csak de olyat is kiszedtem ami 100-150mA -t " fogyasztott " . Kondenzatorok aluhazan fent bizonyos vonalak szerint be van "nyomva " levekonyitva a lemezt . Gondolom ez azert van hogy itt szejjelrepedjen(?) vagy hogy utannaengedjen a lemez gazok fejlodesekor(?). Mindenesetre ha "felfujodik" a kondenzator akkor megtorik a felulet altal visszavert feny .Igy konnyen latszik hogy baj van (?). Na most.Van negybe osztott ,van haromba osztott, van "K" betuszeruen valamint szembe ket "felkor" mintaju is. Ez valami "kod" is ? Mind kismeretu relativ nagykapacitasu es nagy feszultsegu kondenzator.
Igen, ott reped (venting a neve). Az alakja kb. gyártónként eltér, mindenki esküszik/védjegyévé tette a sajátját, legtöbb kondi gyártója beazonosítható róla. A "K" ebben a formájában a Rubycon-é, nagyobb K-köldökkel meg a Sanyo-é.
Értem én, hogy nem, okoz gondot, egy be-kapcsolás. De ha belegondolok, van olyan. h napi 2-3 alkalommal (vagy még többször ) kellene kapcsolgatni.Szerintem ez azért már nem egy üzemszerű felhasználási mód, és az ebből eredő gondokat szeretném megelőzni.
Olyan dolog ez, hogy amíg nem volt készenlét és minden készüléknél totál természetes dolog volt a leválasztott kikapcsolás, a kutyát nem érdekelte, hogy napi hányszor van bekapcsolva egy készülék. De mondok mást: Az állandó hálózati üzem legalább annyi buktatóval jár, mint a sok ki-bekapcsolás, hiszen a nap 24 órájában mindenféle tranzienst, tüskét, lókolbászt megkap a készülék. Ezekhez képest egy tartós szünet+bekapcsolás nem hiszem, hogy olyan égető dolog lenne. A puffer+diódák kapnak ilyenkor, a kapcsolóeszközök már lágyan indulnak, tehát annyira nem életveszélyes a dolog, olyan alkatrészeket érint, melyek olcsók, egyszerűségük miatt kevés probléma forrását jelentik. A gyorsan öregedő kondikat, egyéb dolgokat saját meglátásom szerint nem ilyen megoldással kell megkerülni, hanem gari lejárta után azonnal minőségire cserélni. Az ilyen egyszerűbb TMK nekem határozottan biztosabb megoldás, mint a tipikus gyenge pontok meghagyása.
Természetesem. De az adatlapban azért nézd meg az SSR paramétereit.
Sziasztok!
Kérdésem lenne. Van 12 V DC-m(20mA). Másodpercenként kb. 30-40 szer pulzál. Szeretnék vele egy 1,5V(10mA) -os áramkört zárni. Vagyis másodpercenként kb. 30-40szer zárja a kis áramköröm. Elújságoltam ezt a kis ötletem az üzletben, és csak hümmögött az eladó. A szilárd test relét ajánlotta, és azt mondta kb. 6000-7000 forint egy ilyen relé amire szükségem van. Felakadt a szemem és üres kosárral jöttem ki a boltból. Érdekelne hogy van-e más megoldás? Ez tényleg ennyibe fog nekem kerülni? A mechanikus relék gondolom kilőve, a reed relé se biztos hogy szereti a 30Hz-et. Valaki tud adni valami ötletet? Esetleg kapcsolás? Üdvözlet!
Egy optocsatoló FET kimenettel alkalmas a feladatra. A kérdés, hogy ezt a "pulzálást" a másik (1,5V-os) oldalon is szeretnéd-e? Ha nem, akkor a LED oldalon (az optó bemenetén) ki kell simítani (szűrni) egy elkóval. Egy ilyen optó kb 100Ft, az elkó, ellenállás - ami még szükséges - összesen nem több 40-nél...
Szia!
Köszönöm a válaszod! Nem kertelek, elmondom miről van szó konkrétan. A traktoromra (MTZ-80) veszek egy átfolyásmérőt. Az átfolyásmérő 10000 impulzust ad le 1 liter diesel átfolyása alatt. Szeretnék a fülkébe rakni egy kerékpár computer-t. Azt pedig tudjuk hogy ezek a kerékpár órák záró impulzussal dolgoznak (amit a küllőn levő mágnes szolgáltat). Na már most, én azt az egész mágneses valamit levágnám a drót végéről, és a relé kimenetére raknám. (ezért is kell konkrétan a záró relé) A kérdésedre a válasz: Igen, a zárás is pulzáljon. (Ugye, mintha a kerék forogna a biciklin) A kerékpár computernél már csak be kell állítsam a kerék kerületét 10 cm-re (ami gyanús hogy lehetséges), ha véletlen nem így van beállítom 100cm-re, és dobok elé 2 darab 4017-es frekiosztót. De ez már nem ide tartozik. A lényeg hogy érdekelne ez az optocsatolós dolog amit irtál, és ha nem lenne nagy teher, megteszed a kedvemért hogy lerajzolod akár kézzel? üdv.
Ide szinte bármilyen optocsatoló jó, akár bipoláris, akár fet-es a kimenete. CNY17-3, 4N35,..... több száz megfelelő van.
(Vanak darlingtonos, tirisztoros, triakos, ic-s kimenetűek, azok nem jók, vagy fölöslegesek.) A bemeneti diódával sorosan kell egy ellenállás, az átfolyásmérőből érkező jelre kötve, 15mA áramerősség beállítására. A kimeneti tranzisztor (NPN) kollektora a kerékpáróra +, az emittere a negatív felére közvetlenül köthető. A boltos mehet a vicces történetek közé.
Szia!
Köszönöm a válaszod, akkor ez így megoldódik. (mégis csak megúsztam a drága relét ) Úgy látom kb. 60 Hz-ig bírják ezek az optocsatolók. Jó lesz! Majd beszámolok ha kész van. Egyébként itt vannak a cuccok amiket felfogok használni (már ha érdekel valakit): http://www.fotexnet.hu/conrad_s171/page/item/298414/atfolyasmero_fl...pom_lc http://ebike.hu/termekek/kiegeszitok/computer/vezetekes/12527+ciclo...cm+21/
A sima optók is tudnak több kHz ismétlődéssel dolgozni... A FET kimenetet én az alacsony (1,5V) kimeneti oldali tápfesz miatt preferálnám, mivel a sima tranyón a maradékfesz nagyobb. De valószínűleg azzal is elmegy, ha "csak" 0,2... 0,3V-ra húzzuk le a bemenetet.
Megjegyzem: ezek a flowmeterek open kollektor kimenetűek, tehát közvetlenül is rákötheted a bemenetre. (attól függetlenül, hogy 12V kell a hall-elemnek, ami benne dolgozik. Persze a GND-knek közösnek kell lenniük ebben az esetben.)
Sziasztok!
Olyan kérdésem lenne, hogy ezzel a tipusú: S201S05V SSR-el csak AC-t tudok kapcsolni, vagy esetleg DC-t is valamilyen módon? Köszönöm.
Szia!
Csak váltóról működik, mert a triakot nincs ami lekapcsolja egyenáram esetén. Váltóáramnál minden nullátmenetnél kikapcsol (magától) a triak és a tirisztor is.
Köszönöm a választ.
Még akkor az nem tiszta nekem, hogy ezt az SSR-t használva, direktben pic-ről lehet-e kapcsolni, vagy kellene még hozzá valami más is? Próbáltam, de nem nagyon kapcsolt.
Szia
Lehet pic-ről közvetlen kapcsolni, mivel ez teljes leválasztást biztosít a kapcsolt áramkörrel, amiket én láttam ott 1 LED-el volt sorbakötve a bemenet.
Sziasztok!
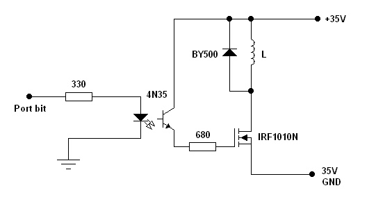
Segítséget szeretnék kérni! Egy meglévő CNC gépemhez tervezek egy kiegészítést, amolyan pontozásos elven működő gravírozó fejet. A mechanika adott, a PC felőli vezérlés is, nekem a kettő közötti köztes elektronika a kérdéses. A mechanika szíve egy elektromágnes, ennek tekercs ellenállása 0.9Ohm 0,8-as huzalból van tekerve, a menetszámot már simán elfelejtettem. Ennél többet nem tudok róla elmondani. 35V-on, 5A árammal lenne meghúzva, de csak a másodperc tized részére, tehát nem folyamatos áram, így elbírja. LPT porton történik a vezérlés. Kérdésem, milyen opto csatoló, aztán utána milyen kapcsoló elektronika, illetve ezt, hogyan illesszem az opto csatolóhoz. A sima reléhez képest nagy frekvencia intervallum és áram miatt (10-40Hz) én ilyen SSR relére gondoltam, de bármi egyéb egyszerű megoldás is érdekel, ami szempont: legalább 2x túlméretezéssel és megbízható legyen! (Az SSR ára engem is elborzaszt...)
Szia!
Ha a 35V egyenáram, akkor normál optocsatoló plusz megfelelő teljesítményű FET, ha a 35V váltóáram, akkor optotriak plusz egy triak lehet a megoldás.
Keresgéltem a neten és én is az első lehetőségre jutottam. (Egyenirányítás után egy 10000µF kondi fog kisülni)
Rajzoltam egy kapcsolást paintben... más kapcsolásokból összegyúrva. Mennyire lenne ez így jó?
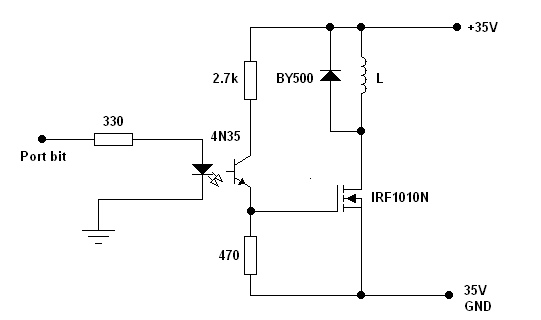
A FET gate-source közé köss be egy pár kiloohmos ellenállást. Tranzisztorral egyszerűbben megoldható a kapcsoltatás: Bővebben: Link
Igen, kell a gate source közé egy ellenállás, egyébként szerintem jó a kapcsolás.
Köszi az eddigi válaszokat!
Ez az ellenállás a "Vgs" beállításához kell? Azért kérdezem mert alig értek hozzá, és így nehéz kikövetkeztetnem az ellenállás értékét.
Ha ragaszkodsz a FET-hez.... Nos, mivel a MOSFET gate-je szigetet, ezért nem fog áramkör kialakulni az optocsatoló tranzisztorkörében. Ezért is kell oda egy ellenállás. Meg azért is, hogy a gate-kapacitás ki tudjon sülni vezéreletlen állapotban, és így ki tudjon kapcsolni a FET.
Tranzisztornál nincsenek ilyen követelmények.
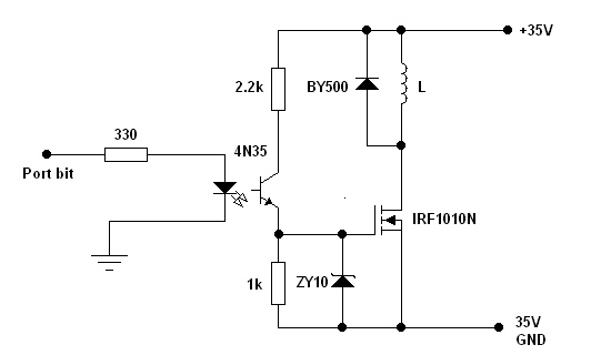
A gate source közé tett ellenállás a gate kapacitás kisütéséhez kell. Érdemes vele párhuzamosan kötni egy 12-15V-os zener diódát, hogy az UGS nehogy átlépje a maximális értéket.
Igen ragaszkodok, a nagy áram, és túlméretezés miatt.
Eképpen módosítottam: :miaz:
Néztem az adat lapján ott +-20V ez az ami bántotta a szemem, megfogadom belerakok egy zenner diódát is! Köszi!
A 2.7Kohm-os ellenállásod túl nagy. Ilyen osztással csak kb. 5V lesz az UGS feszültség, ami kevés a FET teljes kinyitásához. Csökkentsd le 1-1.2Kohm-ra az értékét.
Így elvileg 10V-ra emeltem!
Üdv!
Egy relét kellene kiváltani, aminek az érintkezőjén mindkét irányba mehet az áram. Így a sima fetes/tranyós kapcsolás kilőve. Triakra gondoltam legelőször, de az nem jó, mert nem lehet lekapcsolni egyenáram esetében. Valakinek valami ötlet? |
Bejelentkezés
Hirdetés |




) Úgy látom kb. 60 Hz-ig bírják ezek az optocsatolók. Jó lesz! Majd beszámolok ha kész van. 







