Fórum témák
» Több friss téma |
Sziasztok!
Nem tudnátok egy olyan kapcsolást,vagy áramköri elemet mondani nekem,amivel egy tárgynak a színét tudnám beazonosítani?
hy
vakok és gyengénlátók részére kitaláltak a kínaiak egy ketyerét ami megmondja hogy milyen színű és árnyalatú. de foggalmam sincs hogy működik. talán egy ccd kamerachippel.
Kétféle megoldást használnak mostanában elterjedten: Az egyik megoldás fotodióda+RGB színszűrő alkalmazása. A másik megoldás CCD szenzor és RGB színszűrő.
Néhány link: http://www.taosinc.com http://www.mazet.de/produkte/jencolour/sensor-ic/folder_view
Hali
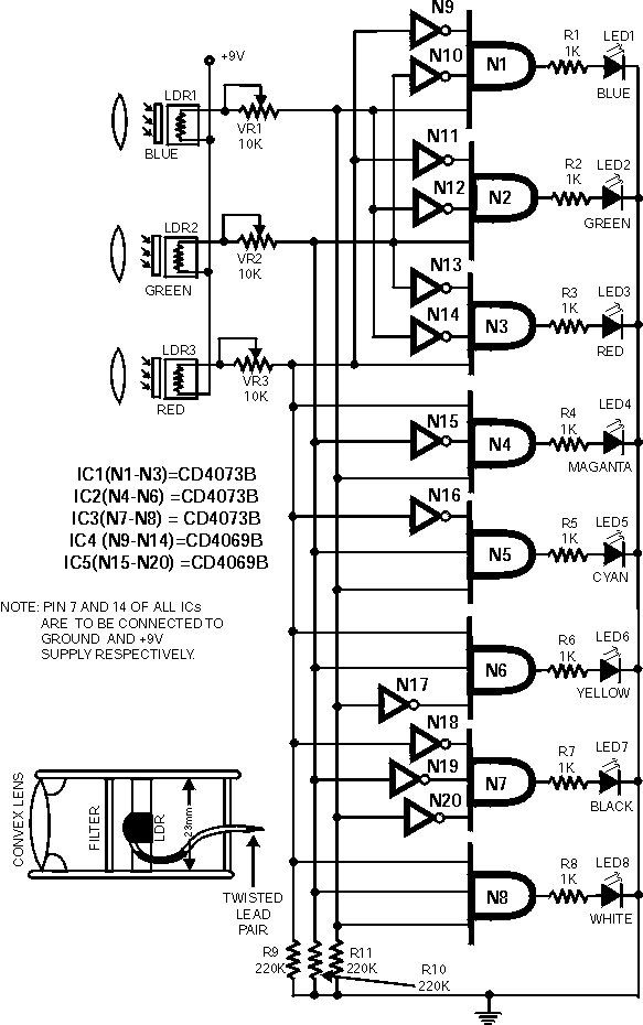
valaki megépítette ezt a kapcsolást?..mi az a filter az LDR előtt?..8gondolom vmi fényszűrős akármi..) és hol lehet beszerezni?
Jó napot, Sziasztok!
Olyasmi áramkört szeretnék, ami fotoszenzort, fotodiódát fogad és a fényerősség függényében a kimenetén feszültségnagyságot változtat, viszont mindezt viszonylag nagy érzékenységgel teszi. Sőt nem szimpla hanem RGB fototranzisztort fogadhatna. Az RGB fototranzisztort már me is szereztem. 2 fajtát is egyik SMD 4 lábű tok, egy közös, illetve 1+1+1 lábak a szinek szerinti anódnak ( katódnak) A másik MD tok 6 pólusú, nyilván ez a hérom alapszínt külön póluspárral szerepelteti. A 4 lábú tokot tudom is működtetni, sorba kötök vele 500 kohm ellenállást és ráakasztom12 V DC-re. Szépen funkcionálgat, a néhány miliVolt és a sok száz miliVolt között. Mindez digitális multiméterrel mérhető. Viszont ha műveleti erősítő bemenetét réillesztem ( TL 074, 084 ) nagyságrendekkel megugrik az alapfeszültség is és elég érzéketlenné válik az egész. Tehát vagy egy brutálisan nagy bemeneti elllenállású, mégis egyszerűáramkörre lenne szükségem, vagy egy teljesen más megoldásra, ami ezt a feladatot ellátná. Önöknek, Nektek ez gyerekjáték lesz, erre megoldást válaszolni, rajzolni.. üdv, Németh-Kassa Gábor |
Bejelentkezés
Hirdetés |





