Fórum témák
» Több friss téma |
Csatlakozom az előttem szólóhoz, minden elismerésem Pici! Olvasom a témát rendszeresen, de hát az a videó... Elismerésre méltó!
A billentyűzettel való kommunikációról személy szerint nekem szükségem lenne némi információra, ha akár csak ezt a részletét az egész kapcsolásnak közzé tennéd egy cikk formájában, biztos nagyon sokan örülnének neki. De ha nem akarsz írogatni, akkor csak egy kapcsolási rajzot tegyél fel, hogy milyen szintillesztést használtál, vagy egyáltalán hogyan van bekötve, illetve a programrészletnek a billentyűkódok beolvasásához, akár ha csak verbálisan leírva is nagyon örülnénk! Még egyszer, garatulálok! deguss
No comment.... Üdv! Nem jutok szóhoz! Gratula, ez nem semmi!!! (Bár csak én tartanék ilyen szinten, csak a programozás része hiányzik nállam)
hmmm
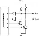
Jóféle lett Épp most arra gondoltam,hogy szerződést kötsz a nokiával,hogy gyárts neki ilyen cuccokat ![]() de utána rájöttem Sziasztok! Köszönöm a sok pozitív visszajelzést. Ha nem sértek meg senkit, akkor egybe válaszolok minden kérdésre Sergei Neked is lesz nemsokára ![]() Wik Accelerometert ezt a fajtát én sem találtam itthon, de van egy haverom akinél landolt pár ezer darab bontásra ítélt (elektronikai hulladék) autós EPS. Ezekből lehet kiszedni. Van SDA1020 és SDA610 és találtam már microGyrot (nagy kép) is, de még nem piszkáltam mert nincs adatom hozzá. A osszcilloszkópod nem ócska ha már mér, akkor ügyessen leprogramoztad. Az ilyen FF kijelzővel 7x gyorsabb mintavételezést lehet elérni mint szinessel.Kobold Köszi, én is néztem pár művedet és okosodom belőle ![]() Deguss Billentyűzet. El kell áruljam, hogy az analóg elektrónikából nem állok túl jól. Programozásból "profi" vagyok, ezért megy a digitális elektró, de minden más területen csak tapogatózok ![]() Na szóval nincs kapcsolási rajz pont ezért, mert egyszerűen rádugtam a kütyüre a billentyűzet data és clock lábát (ezek közvetlenül mennek két portlábra) + táp, és a három led szépen felvillant a billentyűzeten. (csatoltam egy illesztési lehetőséget a kétirányú kapcsolatra felhúzó ellenállásokkal - de a picnek kétirányú a portjai vannak, nem kell 4 port, a billenytűzet meg felhúzza folyamatossan, csak ha adatot küld, akkor változik) A kütyübe programozott oszcilloszkópommal (ezér van vizsgáltam és nem jöt jel ha nem piszkáltam, majd nyomogattam a billentyűket és jött a jel. Ez elég volt ahhoz, hogy tudjam, hogy elég a 3,7V táp és minden inicializálás nélkül is feláll a billentyűzet és küldi a jeleket.A neten találtam PS2 kommunikációt, amiben a szokásos startbit,8databit,parity,stopbit formátum volt. Figyeltettem a clock portot és minden órajelnél vettem a databitet és szépen eltoltam, hogy a 8 bit legyen a billentyüzetkódom. Az adat nem volt konzekvens, azaz se a billentyű helye sem az ASCII kód nem feküdt rá és emlékeztem, hogy összevissza van kiosztva. De kellett egy táblázat. Neten volt többfajta, azzal nem egyezett... ezért kicsit még piszkáltam ... egyedi kódok jöttek, ha nincs egyezés a netes adatokkal, akkor se gond, ha minden kód egyedi, végül rátaláltam a rendes kiosztásra. Teljessen más mint a neten fentlévő 90%-a (csatoltam). Csináltam egy scancode-character átalakító táblázatot és kiraktam a képernyőre a karaktert. Pár funckió billentyűt leprogramoztam (pl enter, capslock, del...) A billentyűzetre nem küldök még adatokat, nem szükséges, de a ledeket, ismétlést ezzel lehet álllítani. Ampervadász A programozás megtanulható. Egyszer csinálsz egy ilyen kütyüt és szétprogramozhatod magad, sok szép dolgot lehet vele kitalálni. Pulyka nemhiszem, hogy a Nokia rámszorulna, Jó mérnökök vannak ott. Mire jöttél rá?
Googa is kíváncsi a videóra, tessék visszatenni!
Közben látom, hogy megelőztél...már nézem is, és ez nagyon jó! Gratulátum!!! Én is szeretnék ilyet előbb-utóbb. Majd kérdezek a mestertől!
Üdv. Én is ezt szeretném tenni de sajnos olyan oldalt, vagy helyet nem találtam ahol ezt megtudnám tanulni. Még csak olyat találtam amigy egy szerű 16F84essel foglalkozik, ledek kigyujtása stb.
Hát ez nagyon jó! Nem semmi amit összehoztál.
Gratula...
Nagyszerű munka!
Én is, mint már többen, cikk írásra biztatlak!
Nagyon szépen köszönöm a leírást a billentyűzetről, kielégítetted tudás-szomjamat. Egyébként azért kérdeztem, mert egy épülő projektemhez (uC vezérelt 3 tengelyes maró, gravírozó és nyákfúrógép (CNC)) is csatolnék billentyűzetet, és jól jöhet. Köszi!
A "félkész" 'projectről' egy demo videó, ha kész lesz majd írok cikket.
pici csatlakozva az előttem szólókhoz, nem semmi amit összehoztál. Ma volt állásbörze a suliba, aztán nagy meglepetésre pont egy sda1020-al szerelt panel volt kitéve az egyik standon, fékrendszerekkkel foglakozott a cég (ABS).
Látom megtetszett a projectem
![]() A nehezén már túl vagy, szépen haladsz. A videón sajnos nem látszik a "szerkezet" (csak az LCD egy része), van róla képed? SDA1020 nehezen beszerezhető, de ha akarsz vele játszani szólj.
Üdv Mindenkinek!
Én is csatlakozom a színes LCD-sek táborához. A héten nekem is kész lesz a HW és akkor tudok mutatni én is valamit. Addig itt van az LCD és az SD kártya HWről képek.
Wellcome Peppe!
![]() Mire kötöd majd? Próbapanel vagy LPT? Közben én megbírkoztam egy nagyobb Nokia kijelzővel. A 6070-es adatai: 160x130 cSTN kijelző. Van egy 6101-es is ami tök ugyan az (csati / protokoll) csak a 6101 az már TFT-s. Annak kicsit több volt kell a háttérvilágításnak. Felraktam egy összehasinlító képet a régi 6100/2600 LCD-vel. A 6070-es képe sokkal tisztább és élénkebb. A színfelbontása is szebb. A protokoll változott, a neten semmi infó nincs róla Ez már nem megy 8 bites üzemmódban. 12 / 16 és a 24 bites üzemmódot kezeli. Külön színkód táblát kellett hozzá gyártani. 24 bites üzemmód egyben lassabb is de szebb
Próbapanelrafogom kötni.
Ma rakok fel képeket ha kész leszek a vassal.
Kész a remek mű!!!
Már a programozásnál tartok! ![]() Péntek magasságában lesz valami jele a működésre ![]()
Szia Peppe
Irogattam válaszokat neked (pü) de mintha semmi nem történne. Megtelt fiókod? Na a lényeg, hogy olyan kijelzőből amit multkor adtam, abból már csak 1 van, a többi ugyan ilyen paraméterű, de nem ugyan ahhoz a típushoz való. Hány kellene? Gondolom SonyEricsson és Motorola kijelzők nem érdekelnek. Ma szereztem még pár nagyágyút N7500, N6670 és a N5300 mindegyik már 240x320-as TFT. Csak a csatlakozújuk nem egyforma... holnap szerzek azt is.
Szia!
Nem tudom mivan a postafiókommal(de kitöröltem mindent).Hátha helyre áll. A többit telefonon megdumcsizzuk ![]() Mostanában nem volt túl sok szabadidőm. De ma egy kicsit "játszottam" Rákötöttem a kütyümre (lett neve is PicLCDModul) egy TSOP17XX-es infra vevőt.Előkerestem alaplaphoz kapott távírányítóm. A modul digitális analizátorán bejövő jelet figyelgettem, majd dekodoltam. Erről van egy kép lent. Majd a jelekből lett egy 8 bites szám, minden távirányító gombhoz egyedi. Csináltam egy keymap-et és hozzá egy értelmezési táblát, amit kiír a program. YouTube-ra felraktam egy kis szösszenetet
Jók ezek a cuccok...
Hol lehet 6100 LCD-hez csatlakozót szerezni?
Gyro mikor lesz porondon?
Kiváncsi lennék rá.
Pbalazs
Lehet neten rendelni, amit én is találtam az 1,95$ Esetleg próbáld meg telefonszervizeseknél. Esetleg ha jársz Pesten szólj ... Peppe Még sok érdekes project van amig oda eljutok ![]() Watt Szándékozom közzétenni az infókat, csak én még új vagyok itt és nem tom hogy megy ez a cikk írás. Meg gondolom valakinek engedélyeznie kellene...
A Tartalom Szerkesztése ikonra kattintasz, és a többi egyértelmű! Ha kész a cikk, akkor elküldöd engedélyezésre, és ha ok, akkor megjelenik. Az nem számít, hogy új vagy, itt az számít, amit adni tudsz, ami jelen esetben nem érdektelen!
Azt én is megtaláltam a neten, csak valószínűleg a szállítási díj jóval több lenne. A telefonszervizesek, hát, nem nagyon hiszek benne.
Minden nap járok Pesten. Miért is jó ez?
Szia
Gondolom pesten ismered a "nyugati aluljárót" természetes a nyugati pályaudvaron! oda lemész,van vagy 3 telefonbiznisszel foglalkozó ürge valamelyiket tuti! rátudod beszélni,hogy adjon el neked panelt! és ott a csatlakozó! én nokia 5200-hoz vettem kijelzőt,mert betört,és meglepő modon mit csinált? Egy másik nokia 5200-ból szedte ki a szemem elött! lehet,hogy a félrerakott készülék,csak alkatrésznek rakta félre... |
Bejelentkezés
Hirdetés |









Ez már nem megy 8 bites üzemmódban. 12 / 16 és a 24 bites üzemmódot kezeli. Külön színkód táblát kellett hozzá gyártani. 24 bites üzemmód egyben lassabb is 



