Fórum témák
» Több friss téma |
Megjött a másik panel is,összeraktam,hiba nélkül indult.A dologhoz hozzátartozik hogy már az első körben is voltak fura dolgok,például nem megfelelő értékű vagy polaritású kondik... Ezeket orvosoltam és az új lapot is már így vártam. Made in China.. A gerjedésük valóban igen fokozott,kell majd egy jól árnyékolt doboz. Lenne viszont ismét egy kérdésem. Van már hangfalvédő modulom is,jelenleg csak az egyik panel van rákötve. A bemeneteik és a kimeneteik között közösítve van a két csatorna groundja. Ugye nem tévedek hogy a hidalás miatt a közös tápról hajtott modulok negatív kimeneti pontja nem találkozhat? Viszont ha így van akkor mit kellene a helyükre kötni,esetleg a közös táp gnd-ot? Az egyenfeszültség figyeléséhez gondolom mindenképp szükség van valamilyen testpontra.
A híd negatívnak jelzett kimeneti ágát szakítsd meg a DC védelemmel! A TDA7294 témában még sok ehhez hasonló információt találsz a két IC hasonlósága miatt.
Ezt nem egészen értem. Bele kell kötni a kimenet negatív és pozitív ágait is,hisz nyilván így tudja figyelni a dc jelenlétét,de ez nem probléma. A gond ott kezdődik,hogy mivel a táp gnd-ja közös a két modulnál,a hidalásból adódóan azonban a kimeneti negatív pontok nem azonos potenciálon vannak,mivel nem egy a bemeneti jel sem. Ezért gondolom hogy a két összekötött negatív is egymásra fog dolgozni. Igazam van?
A pozitív ág megszakítás nélkül megy a hangszóróra, ha az adatlapi kapcsolás szerinti a híd, akkor szükségtelen figyelni.
A két híd egyik ágát sem kötjük össze egymással!
Itt látod szerintem mire gondol Reloop.
Ez a hídmegoldás és az ő táplálási módja nálam nagyon jól bevált, mai napig működik.
Ez igen! Ez egy érdekes megoldás,gondolom hídnál a táp testén nincs is túl nagy hangsúly,hiszen a kimenetek a plusz-mínusz ágakat terhelik. Nagyon jó a védelmek elgondolása is,de nyák-gyártásra sajna nem vagyok berendezkedve,ezért szerintem az lesz hogy a két erősítőpanel külön kap egy-egy védelmi modult.
A lényeg, hogy a DC figyelés nem +OUT és a -OUT között lesz, mint általános esetben, hanem testhez képest. Úgy látom a KIT-ed fázisfordítót használ, erre utal a műveleti erősítő, ezért érdemes mindkét kimeneti ágat figyelned. A kétcsatornás védelmi áramkörből egy darab is elegendő, ha az adott csatorna ellenfázisú kimenetéről is bekötsz egy ugyan olyan értékű ellenállást, mint amivel a védelmi áramkör bemenete indul.
Ezen a rajzon láthatod hogyan csatlakozik a SUB csatorna a kékeszöld háttérszínnel jelzett védelemhez. Mint előbb írtam, elegendő a híd egyik ágát megszakítani a hangszóró leválasztásához. A hozzászólás módosítva: Aug 30, 2017
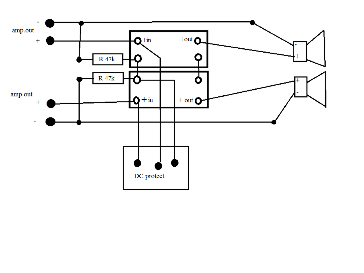
Nos! Az persze természetes hogy elég az egyik ágat megszakítani,skicceltem egy kapcsolást hogy én hogyan képzelem el azt amit mondtatok. Kicsit gyenge a rajz,de légyszíves jelezzétek már hogy nagyjából jó úton haladok-e!
Linkeld be a meglévő/tervezett védelmi áramkört! Berajzolnám a valós képbe az elgondolásomat.
Én inkább így képzelem el.
Ezt értem,de esetemben így néz ki a védelmi áramkör. Külön tápellátása van AC-ról a koppanásgátló miatt és nincs közös testen a panelekkel. Ilyen esetben akkor hogy kellene bekötnöm? Tényleg nem jó az amit először rajzoltam?
A hozzászólás módosítva: Aug 30, 2017
Nem tudom a rajzaidat értelmezni- ez lehet az én hibám is-, ezért rajzoltam le a saját gondolatomat.
Az mindegy, hogy külön AC táplálja-e a védelmet, vagy sem, mert ettől a védelemnek is van egy viszonyítási pontja, amit pl. hívhatunk GND-nek. Ezt hozzá kell kötni a végfok viszonyítási pontjához, mert ehhez képest jelenik meg a kimeneti egyenfeszültség meghibásodás esetén, amit a védelem érzékelni akar (ez lehet akár pozitív, akár negatív irányú). Aztán ha érzékeli, akkor leválasztja a hangszórót, hogy az ne károsodjon.
Elnézést a minőségért. Itt az oldal is ahonnan rendeltem,itt van még pár fotó még összeszerelés előtt: Bővebben: Link
A hozzászólás módosítva: Aug 30, 2017
Rajtad a sor, próbáld meg értelmezni a képet!
Kérdezz nyugodtan, ha a működés nem világos, vagy esetleg elrajzoltam valamit.
Köszönöm! Ez a rajz teljesen érthető számomra!Lényegében az volt a kérdés hogy a két negatív kimenet hogyan legyen elválasztva és ezt itt meg is válaszoltad.
A NYÁK-ot visszafejtve úgy látom, csatornánként külön DC érzékelő van, ezért futnak be eltérő helyre a 15 k ellenállások. Az oldalhelyességre ügyelj majd bekötéskor!
Persze! Szerintem ki is dobom majd a csavaros csatlakozásokat onnan,úgy is csak dísznek vannak és úgy már látni fogom hogy melyik ellenállás hová tartozik.
Már alakulnak a dolgok,most azonban felmerült bennem még egy kérdés. A híd jel-földje érintkezhet közvetlenül a táp földjével? Ugyanis lesz a dobozban két híd panel,illetve két mono egy IC-s is. Na most a szimpla moduloknál a két földpont közös,viszont a hidaknál az előerősítő miatt ugye le van választva. Ez azt jelenti hogy ha a két szimpla panel test pontját összekötöm a hidak test pontjával akkor legkésőbb a hangkártyánál találkozni fog a hidak jel-földje a táp földjével. Vagy,mivel külön tápról mennek a modulok,esetleg a két kicsit nem feltétlenül kell közös testre tennem a nagyokkal, viszont így meg lehet némi plusz zavar a rendszerben ha nem tévedek. Remélem nagyjából lehet érteni a problémát.
Hány független tápod van a négy csatorna számára?
A hídnak nem kell teljesítményföld, így amiatt nem kell aggódnod. Ha van képed a táp(ok) kinézetéről, megtámogatnálak egy huzalozási ábrával, mert szabatosan leírni nem is olyan egyszerű.
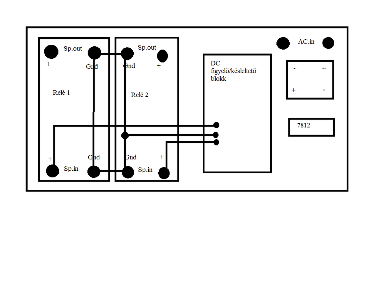
Ismét mellékelek egy rajzot,nagyjából így néz ki a helyzet. Két toroid látja el az egészet,és ez így is marad ha meglesz a nagy akkor is. Én jelenleg a házat,hűtőbordákat és a védelmi áramkört is a hidak táp-testpontjához kötöttem.
A hozzászólás módosítva: Aug 31, 2017
A két szimpla panel tápföldje és a négy panel jelföldje össze van kötve. Ezt kellene rákötnöm a házra és a bordákra is? Kössem le a hidak tápföldjét a házról és hagyjam ki őket az egész testhálózatból?
Az egyenirányítókat és a pufferkondikat magad építed ki, vagy azt is KIT-ben vásárolod?
A pufferektől kiindulva építhető fel a rendszer huzalozása.
A tápot magamnak szoktam készíteni,nyák nélkül.Lehet hogy nem a legjobb megoldás,de a kondik összefogatásával és ennek a blokknak a lerögzítésével nem szokott gond lenni. A hidalt paneloknak bizony van alapzajuk,nem is olyan kicsi,de ezt már csak azért sem magamnak tudom be mert a kisebbek csendben vannak a kezdetek óta. A szimpla panelek egyébként a D-audio-tól vannak,azok viszonylag egyszerű lapok és szerintem elég normálisan megvannak tervezve. Sajnos azt nem látom át hogy miként kell optimálisan kiépíteni a test-hálózatot,illetve azt sem hogy konkrétan milyen megoldásokkal lehet eltüntetni a zúgást a rendszerből. Próbálom minél jobban árnyékolni a szerkezetet,és próbálok minél kevesebb hurkot képezni a huzalozással.
A D-audio csomagban benne van a rajz, hogyan kell a bementet kezelni közös tápos, kétcsatornás kiépítésnél, azt követve biztos nem lesz földhurkod.
A hidalt panelen a táp bekötési pont és a helyi tápszűrő kondik elhelyezkedése már sugallja, hogy nem volt semmi törekvés a zajmentes működésre. Abban reménykedhetsz, ha a tápról a testet nem közvetlenül, hanem egy 10-22 Ω értékű ellenálláson keresztül kötöd be, akkor csillapodni fog az alapbúgás. Az ellenállás ugyan nem visz át hangszóró áramot, de érdemes 2-5 W-os terhelhetőségűt használnod. Nézd meg, hogy a sorkapocs +VCC és -VCC csatlakozói közvetlen kapcsolatban állnak-e a bemenet két oldalán lévő testesebb kondikkal! Ha igen, akkor ezen kondik lábánál vidd be a tápot, ügyelve a polaritás helyességére. Az ellenálláson keresztül jövő táptestet a két kondi között, akár jel GND-nél vinném be. Mivel itt az elkötés a panel megsemmisülével is járhat, csak akkor vágj bele a kísérletbe, ha átlátod és biztonsággal tudod kezelni a feladatot. A táp pufferek huzalozási szabályát ismered? A vázlatod nem megnyugtató ebből a szempontból.
Én nem búgásnak mondanám,leginkább olyan mint mikor megfogod egy erősítő szabadon lévő jelbemenet pozitív ágát.
Az bemenetnél lévő kondik az előerősítő tápellátásában játszanak szerepet,nincsenek közvetlen kapcsolatban a főtáppal. Azt hogy a táptestet miért lenne jó a jel GND-on keresztül bevinni,azt nem nagyon értem. A panel beültetési oldala nagyrészt le van fedve táptesttel,azt hogy hogy vigyem be ellenállásokon keresztül az tiszta sor.A táp pufferek huzalozási szabálya alatt nem tudom mit értesz.
A hozzászólás módosítva: Szept 1, 2017
Most már látom, hogy a tápszűrő elkók az IC-k közé vannak telepítve és nem a panel bemenet felőli szélére, így a tápbekötés módosítása tárgytalan.
A telefóliás test, mivel annak sem végtelenül kicsi az ellenállása, csak akkor megfelelő, ha a testvezetés csillagpontos kialakítását azért megtartja. A hidalt panel akkor is zajos, ha egy rövidke vezetékkel összezárod az IN és a mellette lévő GND pontokat? A puffer kialakítás szabálya, hogy az egyenirányító felől érkező áramnak ne legyen kerülőútja a pufferkondi lába mellett. A HE-n felbukkanó táp-elképzelések többsége, nem tartom túlzásnak az arányt 90%-ra becsülni, hibás ebből a szempontból.
Volt egy 24 Ohm/10 Wattos ellenállásom,ezt raktam be a test ágba,tényleg segített,üres bemenettel csak egy alig hallható zaj maradt meg. ha össze van kötve a géppel azért még fellép egy kicsit erősebb zúgás,ez viszont már nem az erősítő hibája gondolom.
A jelenlegi feszültség mellett (24V AC) 8 Ohmal terhelve a melegedés nem jelentős,pedig egy viszonylag kicsi bordán foglal helyet a 2 panel egy 12 centis ventivel támogatva ami 5 Voltra van kötve. Erősen gondolkodom hát a 26 Voltos toroidon,gondolom olyan 5 Voltot esni fog a feszültség mindenképp teljes kivezérlés mellett. A pufferkondik lába melletti kerülőutat hogy érted? Túl széles vezetősáv,vagy valami helytelen átkötés? |
Bejelentkezés
Hirdetés |




















