Fórum témák
» Több friss téma |
Ebben nem látok tragikus IC hibát.
A pozitív és negatív táp egyforma? Arra gyanakszom, hogy a zárlaton átesett kondenzátoron kisebb lesz a feszültség, a kondenzátort AC módban mérve itt nagyobb jel lesz mérhető.
Sziasztok!
Most fogok nemsokára belekezdeni egy 2x100W-os (TDA 7294) erősítőbe és azt szeretném megtudni, hogy egy 190x50x80mm (h.m.sz) hűtőborda és egy dupla ventilátor (2x 60*60) fejenként 3000 fordulat elég e lenne rá hűtésnek ha 2 drb 4 ohmos 100 W hangszóró lenne rákötve??? Előre köszönöm a válaszokat.
Igen. Még izzó nélkül mértem a tápot 36,5V mind a kettő. a kondi után AC (izzóval) 200 milivolt méréshatárba lemegy 0,4re mV.
Ezt a mérést kéne megismételni a bekötött végfokkal. (izzóval, hangszóró nélkül)
A +/-16V már elégséges a stabil működéshez, nézd meg, hogy van-e melegedés.
Így izzóval nem melegszik. Izzóval próbáljam hangszóróval indítani?
A feszültséget kéne mérni, hogy van-e kondi hibára utaló jel.
Oké rákötök egy kis 5W-os hangszórót az izzót bennhagyom és mérem a feszültségeket. 5 perc.
Nos. Izzóval 5W-os hangszóróval csak recseg a zene ütemére. A feszültség mindkét ágban visszaesik 7V-ra és váltózik a zene üteme miatt. A korábban említett egyik IC érezhetően melegebb mint a másik. A feszültség szerintem megmarad szimmetrikus.
A kimeneten max 0,7V Dc van testhez képest de ez teljes kivezérlés. A - ágben(rövidrezárt) A AC 0,25V ig megy fel a + ágban 0,15ig. Ez jelet valamit vagy csak minimális különbség. Csak az IC melegedése ami zavar. Amikor izzó nélkül volt pár pillanat alatt felforrt a másik meg épphogy langyos volt.
Hangszóró nélkül melegszik az IC?
Hangszóróval jel nélkül melegszik-e?
Hangszóró nélkül jellel:nem olyan meleg mint hangszóróval de melegebb mint a másik
Hangszóróval jel nélkül:melegszik
Ha csak hangszóróval melegedne, akkor jobban megállna a gerjedés elmélet. A kondenzátor a zárlat hatására veszíthetett a kapacitásából, nőhetett a belső ellenállása. Ettől lehetne gerjedés.
Sajnos nem látom át annyira az IC belső felépítését, hogy indokot találjak a fél táp pillanatnyi lecsökkenése miatti tönkremenetelre. Az, hogy előtét izzón keresztül +/- 16V-ig felmegy a táp, és a kimeneten nincs hibafeszültség normál működésre enged következtetni. A melegedős IC megfelelően csatlakozik a hűtőbordához? Ami szokatlan: élesztéshez ugyan 60W izzót használok, de csak 5-10%-ot szokott esni a terheletlen táp feszültsége. Nálad a 36,5V -> 22V feltűnően sok. Az erősítőd nyugalmi árama ezt mindössze 6V-tal csökkenti, ez viszont teljesen normális érték. Az eddigieket összegezve: a fenti rossz hőkontaktus magyarázna meg minden problémát.
Eddig használva volt itthon többször is elég szépen hajtva semmit nem melegedett. E most kezdett el ilyen drasztikusan melegedni. A két IC egy 10*30*150es aura van rászerelve és ez a bordára amit venti hűt. Sose volt kézmelegnél melegebb a borda. Az IC után csillám van pasztával és a két alu között is paszta.
ÖÖ eléggé túl van gerjesztve a trafó vas 1, valahány nem egész 2 menet/V. Ez közrejátszhat a csökkenéshez az izzóval. 300-350W-os trafó. Viszont eddig semmi gerjedése nem volt.
Nem te lennél az első akinek fél táp hiányában tönkremegy a TDA7294-ese. Más is beszámolt már ilyenről. Sajnos nem találok rá magyarázatot. Volt már nálam is, hogy elmaradt az egyik táp, de nem okozott gondot. Esetleg másnak eszébe jut még valami.
Hát én az erősen melegedő IC miatt annak a halálára tippelek.Persze ez csak az én meglátásom. A kondik jók. A 2 db 10000µF-es órán át tartja a 21V-ot. A 2200µF a panelon kiforrasztottam feltöltöttem a tápról a +os egy kicsit elereszti a töltést de nem drasztikusan. 2-3 mp alatt egy tizedet csökken. A - os taratja állandóba. Holnap megpróbálok szerezni egy Ic t és meglátjuk. remélem jó lesz. nagyon klafa kis cucc
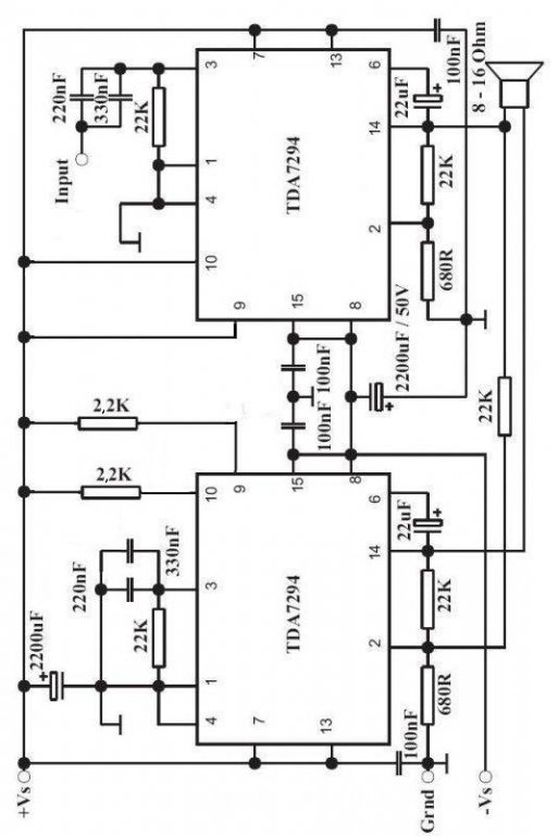
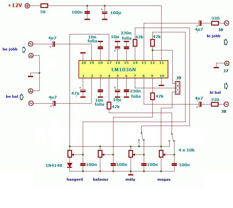
Hello! A következő a helyzet: elvileg kész vagyok a nyáktervvel. 2 híd lesz, külön trafóról, plusz egy 12V-os kapcsolótáp, a szintemelőnek és az előerősítőnek. Így az össze föld össze van kötve, ebből lehet gond? A másik, hogy nem tervezek készíteni hozzá koppanásgátlót, hanem a mute és stnd by láb elé 1-1 ellenállást teszek. Mellékelem a nyák tervet, ha bármi hibát lát rajt valaki, szóljon. Köszönöm! És még annyi, hogy LM1036-os előfok lesz benne, és azt szeretném elérni, hogy egy-egy kétállású kapcsolóval a mély és magas potmétereket kiváltsam, és így egyből a maxon legyenek, ez ahogy rajzoltam úgy jó? Kösz minden segítséget. A nyák kialakítása azért ilyen, mert egy már kész erősítőbe lesz beépítve, így a potik helye fix.
Kíváncsian várom mire jutsz vele. Tanulságos lenne arra nézve, hogy érdemes-e az egyenáramú tápágba biztosítékot rakni.
háát igen. Ha jó lesz tuti rakok be... remélem jó lesz. márcsak azon félek hogy nehogy elcsesszem a fóliacsíkokat kiszedéskor. Az lesz hogy az Ic lábait elvágom és egyenként szedem ki a darabokat így nem nyúzom fel a sávokat.
Keress vissza: Alkotó készített egy remek IC kiszedőt.
Helló! A lay alapján nagyon nehéz egy ekkora kapcsolást áttekinteni. Rajz, vagy elvi vázlat segítene.
Az ellenállások önmagukban nem oldják meg a koppanásgátlást. Az adatlapi rajzon láthatod, hogy kondenzátor feltöltési idejéből jön össze a késleltetés. Az előfok miatt ráadásul elég hosszú idejű be-, és rövid kikapcsolási idővel kell számolnod.
Láttam anno de pillanat forrasztóm van. De megoldottam. Van egy likvidált körömcsipeszem azzal átvágtam a lábakat és csipesszel egynként kivettem ami bennmaradt. remélem holnap kapok IC-t
addig is köszi a segítséget.
Előfoknak minek külön kapcsolótáp?
Egyszerűbb zénerrel levenni a végfok tápjáról, továbbá jól tennéd ha terveznél hozzá relés DC védelmet és biztiket a végfok tápágaiba.
Hello! Biztosíték nyilván van benne, a táp már kész van, azok teljesen külön panelon vannak. A külön táp az előfoknak meg azért van, mert így volt egyszerűbb, az van, így annak nyákot nem kell csinálnom. Koppanásgátlónak már elkészítettem ami az oldalon van, de azon csak kattog a relé, ha más erősítővel próbálom, akkor működik rendesen, ezen kívül a késleltetése nekem elég kevés. Ha van valami ötlet, hogy milyet tegyek bele szívesen fogadom, mert szeretnék bele. Köszönöm!
Hello! Na a következőképpen állok. Felteszek pár képet, hogy érthető legyen, amit mondani akarok. Mint mondtam, egy kibelezett erősítőbe lesz beépítve, ezért került bele az Lm1036-hoz 2 kapcsoló, amikkel azt akarom elérni, hogy a mély és magas potikat kiváltsam, szóval mintha maxra tekerném a potit. Ezzel kapcsolatban van egy kérdésem, hogy a rajz alapján ez működik, vagy a poti értékének megfelelően még egy ellenállást kell e betennem a földre? Aztán mivel volt valamiféle bemenetválasztó a készülékben, ezt úgy oldanám meg, hogy a szintemelő erősítését állítanám.
Köszi.
Minimum Order Quantity: 200 Piece/Pieces
Ezt keresed? Bővebben: Link
Na vettem új Ic-t befiorraszutottam. Ráadom a feszt így 8V-ra esik az izzó miatt a tápfesz. Mind a két ic kezd langyosodni. De nem csinál semmit. Mintha nem lenne bemenet. Mi lehet? Próbáljam kivenni az izzót?
Nincs bordára visszarakva még az erősítő így érezhető a langyosodás dehát az semmi meg egyszerre melegszik így talán jók.
Ennek annyi. Mikor összeraktam megmértem az összes lábet nem-e folyt össze az ón egynél volt azt megszüntettem. Az izzóval semmit nem csinált kikötöttem az izót nagy szikra és csatt és ennyi volt. Mind a két tápág zárlat. Úgyhogy ez kuka aztán majd csinálok egy újat. ezzel nem érdemes szarakodni már sose lesz jó
|
Bejelentkezés
Hirdetés |








Minimum Order Quantity: 200 Piece/Pieces





