Fórum témák
» Több friss téma |
Kérlek áruld el, hogy miért nem a témájában keresd a választ!
Köszönöm, hogy segítettél. Tápban +- oldalanként elég 10.000 µF Puffernek? Vagy inkább 20.000 µF legyen?
A tápoldalankénti 10000µF elég. Ha 4 ohm-os lesz a terhelés és bővében vagy a kondenzátornak esetleg akkor növeld a duplájára.
8 Ω lesz a terhelés, akkor azt mondod ehhez elegendő. Köszönöm a segítséget.
Köszi reloop, én is leszorítópántozok, és igazatok van abban, hogy a zászlónál odacsavarozni, az nem egy 100%-os megoldás. A tény, hogy _ez_ a szigetelőlap, nem okés.
Sziasztok!
Tetszik a topic. Én is belefogok egy erősítő építésébe. Végignézve a topicot Alkotó mester paneltervei tetszenek legjobban, ezek közül fogom megépítei valamelyiket. A kérésem Alkotóhoz szól: Megtennéd hogy felteszed az általad tervezett paneltervek alkatrész pozíció rajzolatát? Fel szeretném majd vasalni a nyák alkatrészoldalára. A v3-as verzióé megvan.
Mutass egy linket, melyik panelhez akarsz alkatrészoldali rajzolatot!
Sziasztok.
Van nekem egy 4*23V AC toroid trafóm. Kb 1000W tud leadni. A kérdésem az lenne, hogy melyik lábat melyikkel kössem össze, hogy 2*23V AC-t kapjak? (beszámoztam a rajzon) (azért szeretném összekötni, hogy a teljesítménye meglegyen, így mind a 4 tekercs használatban lenne, és a teljesítménnyel nem lenne gond).
Szia! Ne köss semmit össze! Gondolom két csatornás lesz az erősítőd, csatornánként készíts egy-egy ilyen tápot.
Mentesülsz a földhurok kialakulásától. A hozzászólás módosítva: Aug 15, 2013
Két Graetz-es táphoz: 3+5, 4+6, 7+9, 8+10, ezek után kövesd Király Tibor javaslatát (kép);
Egy Graezt-es táphoz: 3+5:~23V, 4+6+7+9:telepközép, 8+10:~23V; Vagy táplálhatod a két végfokot két-két szekunderről egy-egy graetz-es táppal, akkor egyik csatorna tápja 3:~23V, 4+5:telepközép, 6:~23V; másik csatorna tápja 7:~23V, 8+9:telepközép, 10:~23V. Táplálhatod a két végfokot két-két szekunderről két-két graetz-el, akkor semmit nem kell összekötni, csak követni Király Tibor javaslatát(kép). A trafódban "lakozó" teljesítmény kb. 6 db. TDA7294-et szolgál ki, teljes kivezérlés esetén is. (4Ohm terhelést feltételezve 6x80W erősítőt tudsz építeni.)
4 DB IC -vel rendelkezek (2*2 híd kapcsolásban). Ezt akkor át fogom gondolni mert nekem a másik fajta kapcsolást ajánlották ahol csak 1 graetz híd van. Ahhoz vettem meg a dolgokat is, így terveztem meg a nyákot is hozz. Ha esetleg nem működne így akkor újból írok majd. A trafóról meg annyit, hogy termetes egy darab, de előnye megvan 4*23V AC. (Mielőtt rátaláltam nem is hallottam ilyen kialakítású trafóról).
Köszönöm a segítséget neked is és Reloopnak is. Még egy kérdés: Földhurok kialakulása érdekében közös csillagpontos kialakítású GND-t szeretnék csinálni. Ha több trafóval is rendelkezem akkor a másik trafó (-) ágát nyugodtan ráköthetem a csillagpontra? (a hangszínszabályzón nincs külön a (-) ágnak csatlakozás csak a (+)-nak.) A közös csillagpontot rögzíthetem a készülék házához? Csak azért kérdezem mert a 220V-nak is a föld ágát is a házra kell kötni. Onnan nem kaphat zavarást az erősítő?
Ha már mindent így találtál ki, egy graetz-esre, akkor csináld meg úgy, nem fog nagy tragédia történni. Legfeljebb ha búg, szidhatsz, én meg majd csuklok
. Magam részéről nem annyira hiszek abban, hogy kellő puffer kapacitás esetén nagy különbség lenne a két féle táp kialakítás közt.A bekötések egy Graetz-es táphoz: 3+5:~23V, 4+6+7+9:telepközép, 8+10:~23V. A másik táp föld (-) pontjával nem tudom előre megmondani mit csinálj. Vagy tedd le csillagpontra egy kábellel, vagy egy 10-100Ohm ellenállással, vagy ne tedd le csillagpontra egyáltalán. Attól függ, hogyan kisebb a brumm, azt majd hallod. Előfordul, hogy ki kell próbálni pár variációt. Idézet: „A kisjelű fokozatok és a vég közti jelkábel bekötésének módja kísérletezés tárgyát szokta képezni: árnyékolás mindkét fokozaton földelve, vagy csak a kisjelű fokozaton, vagy csak a végfoknál. Néhányszor nekem már bevált, hogy a jelkábel árnyékolása csak a kisjelű fokozaton volt letéve földre, és a kisjelű fokozat a földet nem a csillagpontról kapta, hanem a végfok nyákjának földpontjáról egy 1,5mm2 vezetékkel. Esetleg próbáld ki ezt te is. Ha majd dobozolod a kütyüt: - potik testei legyenek elszigetelve a fém doboz testétől; - bemeneti és kimeneti csatlakozók hidegpontjai is legyenek elszigetelve a fém doboz testétől; - életvédelmi nullázás (zöld-sárga cirmos vezeték) egy ponton legyen a sasszihoz rögzítve olyan csavarral ami más mechanikai rögzítést nem szolgál; - próbáld ki, hogyan legkisebb a brumm: táp földpontja és életvédelmi nullázó pont vezetékkel összekötve, 100Ohm-al összekötve, egyáltalán nincs összekötve. ”
Sziasztok, az lenne a kerdesem, h a TDA7294 IC-nel a STBY-t ra kell kapcsolni a pozitiv agra ahhoz hogy az erosito mukodjon, vagy nem kell rakapcsolni? Mikor mi tortenik?
Szia! Akár meg is nézheted az adatlapját! Minimum 3,5V kell az 1-es lábhoz képest, hogy a készenléti állapot megszűnjön, tehát szóljon. A mute szintén így működik.
Koszonom szepen, igen mukodik!!!!
Köszönöm a segítséget.
Dobozoláshoz 0,5-ös horgonyzott acél megfelelő lenne?
Esetleg meg tudnad mondani, hogy kb. milyen teljesitmenyu trafo szukseges ket IC meghajtasara, hogy egy normal teljesitmenyt kapjak az IC-tol. Jelenleg egy 250 w-os, 2x 23 voltos AC, (ami 32.5 lett egyeniranyitas utan) 3,5 amperes trafot hasznalok, es en nagyobb teljesitmenyt vartam az erositotol. Amugy a kapcsolas gyari, kit-ben vasarolt, NEM kinai.
Ez a tápfeszültség 4 ohm-os hangsugárzókhoz ideális, azért 8 ohm-on is nagyot kell szólnia.
Pontosíts kérlek miben nyilvánul meg a gyenge teljesítmény. Betorzít, vagy a hangerő poti végéhez értél, tehát nem eléggé erősíti a bemenetére küldött jelet?
Nem torzit, hanem az altalad leirt masodik problemaval szembesulok, vagyis a beneti poti vegere erek es nem elegge erositi a bemeneti jelet. lehet, hogy elofok kellene ele. Amugy 4 ohmos hangszorokkal uzemel. Es egy kis brummal is kuszkodok, igaz a bemeneti jel nem arnyekolt kabelen megy, es a trafo sincs lemezzel arnyekolva, a szures nem lehet gond, mivel ket 10000 µF-os kondi szuri az enyenaramot, ami gyari szures, mivel egy Sony radiotuner(Sony STR212S) regi erositojet helyettesiti a ket TDA kapcsolas. Valami otlet?
Az áramkör erősítését két ellenállás (a visszacsatolás) aránya határozza meg. Az egyik a 2-14 IC lábakat köti össze, a másik a 2-es láb és a test között található, többnyire egy elektrolit kondenzátorral sorosan.
Jellemzően ezek 22k és 680 ohm. Ilyenkor 700mV bemenő jel kell a teljes kivezérléshez. A végfok jelerősítősítését a 22k (2-14 lábak közötti) növelésével, vagy a másik (680 ohm) csökkentésével tudod elérni. A 680 ohm csökkentése az egészségesebb megoldás, 330 vagy 220 ohm-ra. Ha van vele soros kondi annak értékét ilyenkor növelni kell, hogy a mély hangok átvitele ne csorbuljon. 47µF-ot javaslok.
szia! köszi már ki is próbáltam és minden rendben vele
.
Hello!Mostanság vettem.egy tda7294 hidat amitre csak annyi van írva, hogy xy hifi v2.0
esetleg valakinek nincs meg a beültetési rajza vagy a kapcsolása? Köszönöm
Üdv.
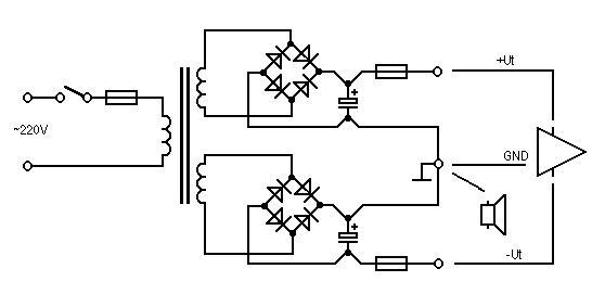
A következő rajz egy általam használni kívánt tápot mutat be. Szerintetek ez így megfelelő lenne vagy van amit módosítsak rajta? Szűrész nem raktam a TDA-k tápjába csak a pufferkondik vannak benne.
A 12V stabil tápnál a bizti a 2200 mikro után, a stab kocka előtt legyen inkább.
Egyébként megfelel a bizti helyett egy a stabilizálatlan tápfesz. és a várható terhelés függvényében megválasztott értékű (10-47 Ohm ; 1/4W) ellenállás is, ami viszont a graetz és a 2200 mikro közt van jó helyen. Ha ellenállást raksz, emeld el a nyáktól, mert az úgy véd, hogy adott esetben leég. Ha mindkét trafót meg akarod védeni, akkor külön biztikkel védd őket a túláram ellen a névleges teljesíménynél fellépő primer áram x 1,5 -2 értékű T-s biztivel. Nem tudom mekkora teljesíményű a nagy trafó, így az olvadóbetétek névleges árama akár jó is, vagy rossz is lehet. 300VA felett javaslom a lágyindítást, mert ha nincs az azzal is jár együtt, hogy az indulóáram miatt annyira nagy értékű primer biztit kell használnod, ami már túlterhelés esetén nem védi meg a trafót.
Esetleg valami otleted a brumm eltuntetesere? ket 10000µF kondi a tapnal az van, sajna a trafo nincs lemezarnyekolva es a bemeno jel sem arnyekolt kabelon megy.
Kérlek fényképezd le a művedet, hogy tanácsot tudjak/tudjunk adni!
A múltkor panaszkodtál a teljesítményre. Ha számítógépről hallgatod, a szoftveres hangerőszabályzókat ne felejtsd el feltologatni!
A gepen fel van huzva minden, nem mondom, hogy gyengen erosit, de tobbre vartam en ennel. Amugy holnap lefotozom, es felteszem, nezzetek meg, remelem, lesz valami otletetek. A tap egyseg az a Sony Amplituner alaplapjan van, tehat gyari, ezert nem kellene szerintem brumm legyen, a trafo az nem eredeti, kicsereltem egy nagyobbra es erosebbre, es a bemeno jelt pedig a regi IC bemeneo labanak a helyerol kapja, igaz nem arnyekolt kabellel.
A hangkártya kimeneti feszültsége bőven elég kell legyen egy TDA7294 végfok kivezérléséhez. Nincs valahol a jel útjában egy felesleges leosztás?
A test (GND) huzalozása a kényes pont, ezt lenne jó látni.
Na csatolom az amplituner alaplapi rajzat, melyen bejeloltem, hogy mit hova kotottem, ha esetleg valamit modositani kellene, akkor rajzold be legyszi es ird le. Koszonom elore is
|
Bejelentkezés
Hirdetés |






. Magam részéről nem annyira hiszek abban, hogy kellő puffer kapacitás esetén nagy különbség lenne a két féle táp kialakítás közt.
. 






