Fórum témák
» Több friss téma |
Sziasztok!
Engem az érdekelne, hogy li-ion akkumulátorokkal és töltőkkel kapcsolatban. Az akku csomag -pl.:powerbank,akkus behajtó- sorosa vagy párhuzamosan vannak kötve a 3.7 volos cellák? Én azt gondolom, hogy párhuzamosan töltödik, használatnál sorosan vételeződik ki a feszültség? Ha elvesződöt az akksi töltője van arra szabály, hogy hogyan lehet tölteni ezeket a cellákat pcb nélkül?
USB-s power bankokban 99% -ban párhuzamosan kötött cellák vannak.
Step up konverterrel állítják elő a kimeneti feszültséget. Csavarbehajtókban fúrókban sorosan kötött cellák vannak. Típustól függően a soros cellák száma változik, általában 3 (11.1V), 4 (14.4V), vagy 5 (18.5V) sorba kötött cellák elérhetőek. Tölteni megfelelő feszültségű (12.6 / 16.8 / 21V) és áramkorlátos Li-ion töltővel, vagy labor tápegységgel folyamatos felügyelet mellett is lehet. Li-ion BMSSziasztok!Ha megépítem ezt a 3S Li-ion töltőt, ehhez lehet/kell BMS-t alkalmazni? Az az érzésem, hogy a BMS amikor az egyes cellákat lekapcsolja a töltésről, akkor a töltésvezérlő automatikája már nem fogja tudni megfelelően vezérelni a töltést, viszont a cellák soros kapcsolásánál meg nem jönne rosszul.
Üdv, attól függ, milyen akut vagy cellákat akarsz tölteni vele. Ha olyan akkut, amiben eleve van BMS, akkor nem kell külön még egy a töltőhöz. Ha olyan akkut, amin nincs BMS, akkor meg kell.
Ui.: BMS-t mindig az akkucsomagra kell fixen telepíteni, mert az ellenőrzi a cellánkénti feszültséget is.
Hello!
A BMS alapvetően az akkumulátor védelmét szolgálja. De a főáramkörbe avatkozik be, nem cellánként bontja le. Viszont cellánként figyeli az akksit. Tehát bármelyik cella túltöltődik (vagy kisütéskor túlmerül) Lebontja a főáramkört. Töltéskor a cella feszültsége túlemelkedik, akkor bontja le a töltést. De ez a feszültség a maximális töltési feszültség szintje felett van. Tehát töltés alatt nem bonthatna le. Le fog az futni. Viszont ha lebont, akkor két lehetőség van. Vagy a töltő túltölteni az akksikat, vagy az akksik már "szátmásztak" (vagy már hibásak) kapacitás szinten. Jó BMS ezen felül figyeli a túláramot és balanszol, ha feszültség eltérés van a cellák között.
Szia!
Köszönöm a kimerítő választ. Bms alkalmazása esetén elegendő csak egy táppal tölteni az aksikat vagy érdemes egy a korábban csatolt képen látható töltővel tölteni?
Hello! Lehet táppal tölteni, de feltétele, hogy Legyen benne feszültség és áramkorlát.
(Feszültség szabályzót hívom feszültségkorlátnak, mert tulajdonképpen az.) Terheletlenül beállítod a maximális töltési feszültséget, ez Liion esetén ez cella*4,2V. Majd a töltőáramot. (Ezt ugyan a legtöbb tápnál nem lehet előre beállítani, csak mikor már rajta az akksi.) Mehet a töltés, de célszerű figyelni, mert mikor eléri a beállított feszültséget, az addig állandó áram csökkenni kezd. Mikor az áram lecsökkent a beállított 3..5%-ára, meg kell szüntetni töltést. Tehát figyelni kell közben. Ha töltővel töltöd, az le fogja kapcsolni a töltést, mert ezek a cellák nem díjazzák, ha a feszültség rajtuk marad. Ha az élettartam számít, nem a maximális töltöttség, akkor leveheted a töltőről az akksit, mikor el kezd csökkenni az állandó áram. Ekkor a töltöttségi szint kb. 80% A töltési idő, általában 2 óra. És ez majdnem független a töltőáram értékétől. Oka pedig az, hogy nagyobb töltőárammal hamarabb éri el a feszültség korlátot, viszont hosszabb ideig tart az áram lecsengő szakasza. Persze nem extrém nagy vagy kicsi töltőáramról beszélek. Tölteni, 0,5C..1C közötti árammal célszerű. A cella töltési végfeszültsége a cella típusától fog függni. A töltési végfeszültség mindig alatta van a BMS lekapcsolási feszültségének. Tehát nem a BMS-nek kell a töltést "befejezni". Kb. ennyi, amit tudni kell. Célszerű elolvasni.. A hozzászólás módosítva: Jan 29, 2026
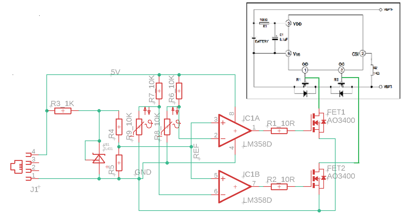
Akkupakk túlmelegedés védelemSziasztok!Elkészítettem ezt a kis áramkört, hogy ha az akkupakk valamilyen oknál fogva elkezdene melegedni, akkor a DW01 mosfetjein keresztül állítsa le a töltést/kisütést. Működik, de.... Mikor az NTC-k melegednek FET1, FET2 elkezd kinyitni, a DW01 mosfetjei lezárni eddig ok, viszont ez a folyamat viszonylag lassú, és félek, hogy az M1, M2 mosfet tönkremegy mert "félig nyitva" túlságosan megnő a disszipációja... Hogy lehetne a FET1, FET2 nyitását gyorsítani? Átapcsolásszerűvé tenni? Remélem értitek amit kérdezni szeretnék!
Hello! Csatolj vissza egy ellenállással az ic kimenetéről a + bemenetére. Akor lesz hiszterézise. Maximum kétfeszültség osztó kell a referenciához, ha zavarja egymást a kettő.
Szia!
Mekkora visszacsatolás kellhet ide?
Nem tudom mekkora az R4 és az R5, de ha mondjuk 10k, akkor egy 470k visszacsatolással, kb. 1..2 fok lesz a hiszterézis. (Be-Ki kapcsolási különbség.)
Az R4 10k, az R5 47k... kb. ezekkel kapcsol le a megfelelő hőmérsékleten.
Akkor is jó, a 470k, maximum nagyobb lesz a hiszterézis.
|
Bejelentkezés
Hirdetés |












