Fórum témák
» Több friss téma |
- Ez a felület kizárólag, az elektronikában kezdők kérdéseinek van fenntartva és nem elfelejtve, hogy hobbielektronika a fórumunk!
- Ami tehát azt jelenti, hogy a nagymama bevásárlását nem itt beszéljük meg, ill. ez nem üzenőfal! - Kerülendő az olyan kérdés, amit egy másik meglévő (több mint 17000 van), témában kellene kitárgyalni! - És végül büntetés terhe mellett kerülendő az MSN és egyéb szleng, a magyar helyesírás mellőzése, beleértve a mondateleji nagybetűket is!
Kapcsrajzzal nem fog sikerülni, vezeték kell a gyakorlati összekapcsolásához!
hi
én nem áldoznék fel (nemtommilyen) célokra egy jó kis szimmetrikus tranyót, dehát tetdudod
Idézet: „szimmetrikus tranyót” Trafót! :yes:
megerősítést és segítséget kérnék a követekzőkben:
1. hálózatban a fekete/barna a fázis, kék a nulla és sárgazöld a védőföld. 2. ha én egy ilyen 3 eres kábel végére egy dugót szerelek, akkor a klipszre megy a védőföld, a másik kettő bekötése pedig mindegy, mert váltóáramról van szó...meg úgy egyáltalán, váltóáramnál mindeg,y hogy hova kötöm a fázist meg hova a nullát, csak arra kell figyelni, hogy a védőföldet és a nullát ne cseréljem fel. 3. ennél a csatlakozónál mit jelentenek a betűk: L, E, N ? hogy kell egy ilyet bekötni? nem találtam sehol neten leírást...
1 100W os végfokot akarokk vele hajtani aminek 50 volt kell és ez pont annyi újat meg nincs pénzem venni
Nem tudtok a hűtésben segíteni? Villany motort szeretnék hűteni vele.
Hali!
Ezt a kérdést feltehetted volna itt. Fejek tiszták? jól van beállítva? Nézd meg az s103 jelű kapcsolót, nem kontakthibás-e? A törlőfejre menő vezeték nem szakadt?
Hali!
1.igen 2.igen 3.L=fázis N=nulla E=védőföld
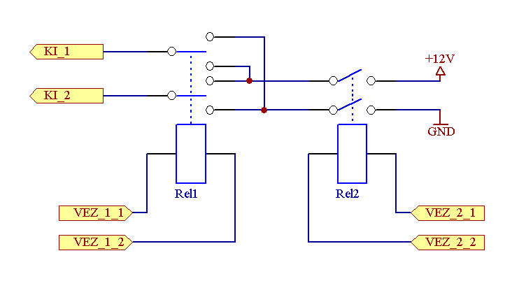
Én így oldanám meg (csatolva).
A reléket tranyósan kell illeszteni, és el kell látni a szokásos védődiódákkal. Az egysarkú kétáramkörös relé (Rel2) természetesen helyettesíthető egy sima egyáramkörössel, mivel nem kell mindkét tápfeszt megszakítani.
köszönöm.....erre gondoltam
hi
egy erősítőnek szimmetrikus tápra van szüksége, vagy úgy érted, hogy van 2 trafód amit ha szimplává alakítassz akor egyenként 50 voltot ad le? tehát 2X 50 V? az nem sok egy kicsit egy 100W-os erősítőnek? üdv
Mennyire csináltam hülyeséget azzal, hogy a Skip által szerzett cikkben leírtak alapján a kivezéreltségjelzőbe a 2 db 10µF-os kondi helyett 2 db 47µF-osat építettem be? Működik ez így is, vagy halásszam ki a kondikat, és rakjam be a kapcsirajz szerinti kondikat?
Válaszotokat előre is köszi! M63
a bemeneti 10 mikrós megnövelése az átviteli frekit módosítja (nagyobb értéknél több mély megy át), a másik esetleg lomhábbá teszi a működést.
tönkre nem megy semmi, nyugodtan lehet az általad betett értékekkel is használni - ha túl lomhának találod a kijelző működését, akkor a második kondit cseréld ki.
Köszönöm. Majd még meglátom milyen lesz!
Sziasztok,
Panelben a konnektorok mögött gyárilag van egy a konnektorok beszereléséhez szükséges átmérőjű luk(tehát így össze van kötve a két szoba). Szabad olyat csinálni, hogy az aljzatok alatt bevíve, ugyan ezeken a lyukakon átvinni a hálókábelt? Tehát ugyan ott ahol a fal két oldalán két konnektor van és azoknak a műanyag részeit alul annyira bereszelni, hogy bemenjen alá kábel és aztán a lyukban alul át. (remélem érthető )
Nem túl szerencsés megoldás...
Egyrészt felvehet a nagyfesz. hálózatról zajokat, másrészt érintésvédelmi szempontból is - finoman fogalmazva - megkérdőjelezhető. Habár mind a nagyfesz. hálózat, mind a hálókábel - elvben - védett az ilyen feszültség-átütések ellen, azért az alvó oroszlán bajszát nem illik húzgálni, mert ha felébred, igencsak morcos lesz, és joggal...
Egy 7 szegmens kijelző áramkorlátozását ellenállásokkal szokták megoldani, minden szegmenshez 1db-ot raknak. Nem lehetne ezt úgy megoldani, hogy a közös anódhoz, vagy katódhoz tennénk 1db. nagyobb terhelhetőségű ellenállást, péládul 7x1K/0.25W helyett a közös anódra 1db. 1k 2W-ot?
Mivel az ellenállások elég nehezen szoktak meghibásodni (elégni, zárlatosodni), így szerintem kivitelezhető!
No igen, de ha a különböző időpillanatokban különböző számú LED világít, azokhoz más és más értékű közös ellenállás kellene az azonos fényerő eléréséhez. Merthogy a LED-ek párhuzamosan vannak kapcsolva, az ellenállás meg velük sorosan.
Ha mindig ugyanannyi szegmens égne egyszerre, akkor nem lenne gond. Rosszul gondolom?
Csináltam egy motorhoz egy forgásirány-váltó kapcsolót. Ehhez szeretnék két LED-et, ami visszajelzi hogy épp merre forog a motor. A rajzon látható megoldással próbálkoztam, úgy tudom a LEDek kibírnak ilyen kis feszt visszafele is. Viszont nem világít egyformán a két led. Miközben ezt leírtam eszembe is jutott hogy valószínűleg azért, mert a másik esetben a motor után van a led.
De ezért elküldöm, hátha van valaki másnak jobb megoldása
jól gondolod
közös ellenállással a fényerő igencsak változó lenne, annak függvényében, hogy éppen hány szegmens világít. (ohm törvénye!) szóval, célszerű a külön- külön ellenállás...
Köszi a választ! Igazából nekem is ez volt a sejtésem, de azért gondoltam rákérdezek, hátha azt mondjátok, hogy csináljam mégis nyugodtan
Hali!
erre a kérdésemre még nem kaptam választ :S Lécci segítsetek! Köszi
szia,
az, hogy nem kaptál választ, egészen pontosan azt jelenti, hogy senki nem találkozott ilyen masinával, se ilyen masina kapcsolási/építési rajzaival, ergo senki nem tud neked segíteni...vagy aki igen, az meg még nem nézte meg ezt a topikot/fórumot. vagy vársz még türelmesen, hátha válaszol valaki, vagy nekiállsz neten/könyvtárban keresgetni...
Hopp, erre nem is gondoltam
Kösz a kijavítást!
egy digit. multiméteren mire jó tulajdonképpen a hFE állás? mert van ilyen tranyófoglalat, abba ha belehelyezek egy tranyót (persze helyesen, figyelve a B C E re), akkor kijelez egy számot...minek az értéke az, ami a kijelzőn látható ilyenkor? béta érték vagy mi?
a diódamérő állásban mit jelez ki?
jól gondolod - a bétát jelzi.
minél nagyobb a kijelzett érték, annál nagyobb a tranyó bétája, de mindez csak viszonylag kisteljesítményű tranyókra igaz (ad viszonylag pontos értéket), mert a nagyteljesítményűeknek elég nagy áramra van szükségük, és azt az átlagos multiméterek nem tudják biztosítani! a dióda mérésnél a dióda nyitó, ill. záróellenállását méred. |
Bejelentkezés
Hirdetés |






