Fórum témák
» Több friss téma |
Őőő bővebben?
Miért nem jó, mit csinál mit nem??? Tobb infót plíííz'
ha esetleg valaki csinálna hozzá nyák tervet az sok embernek hasznos lenne!!
/help/
Nézd meg ezt. Ha változtathatót akarsz, akkor pedig ebből készítesz többet, különböző értékekkel, és kapcsolóval pedig ki tudod választani, hogy milyen frekvenciatartományban szűrjön!
Üdv. Pedig nem szóltam ,nem ittam ,nem kérdeztem.
help me!!!!!!!!!!!!!!
asszimetrikus tápot szerető müv.erősítővel valaki meg tudná-e csinálni az én rajzomat!!!!!!!!! thank
Próbáld meg... vagy beraksz 2 db 100k-t, vagy egy trimmert, akkor könnyen tudsz szimmetrizálni is ( kimenő jel...).
Hi!
Itt van két alkalmas kapcsolás (autóba is): egy szűrő és egy 2.1-es hangváltó. Üdv, K. B.
hello
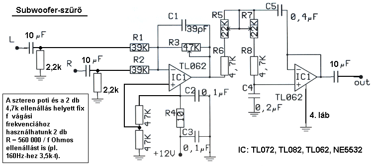
"Subwoofer szűrő_javított.gif" rajzon van egy olyan h 2db 22K os poti egymással szemben van anak a hellyére hogy lehetne egyet tenni? vagy esetleg hogylehetne a 741 es ict szabályozni?(már ha kell)
Sziasztok!
Megépítettem azt a kapcsolást: http://www.hobbielektronika.hu/kapcsolasok/subwoofer_-_alul_ateresz...o.html Kérdés: Ha a bemenetére a hangszóróról levett jelet akarom tenni akkor kell elé valami kis okosság, vagy mehet egy az egyben?
A Subwoofer szűrőn az ic -nek melyik lábát hova kell kötni tl082 nél?
Bekötötem és a kimeneten 5V van?
Szerintem az ic bekötésével van a baj.
Melyik lábat hova kell kötni?
Az A oldalt azt a baloldara kötötem, a B oldalt az meg a jobb oldarra.
Sziasztok!
Megépítettem a mellékelt aktív szűrőt, a problémám az lenne, hogy amikor bekötöm a végfok elé elkezdi pattogtatni a hangszórót. A végfok egy TDA1558Q ic. Megjegyezném azt is ha szinten e végfok elé egy NE5532+LM1036os hangszínszabályzót rakok akkor is ezt csinálja. Előre is köszönöm a segítséget. A hozzászólás módosítva: Márc 30, 2013
Hello!
Hogyan lehet autómagnó kimenetéröl vonalszintű jelet csinálni? Köszi a segitseget!
Jól működik a kapcsolás?
Szia! Halottam már sikeres megépítésről. A kollégának a közös táp miatt lehettek problémái. Az adatlapja szerint 2 hónapja járt itt utoljára.
Ha kettős táp kell akkor hogyan lehet akkumlátorról működtetni?
Két akkumulátor - esetleg?
|
Bejelentkezés
Hirdetés |












