Fórum témák
» Több friss téma |
Sziasztok!
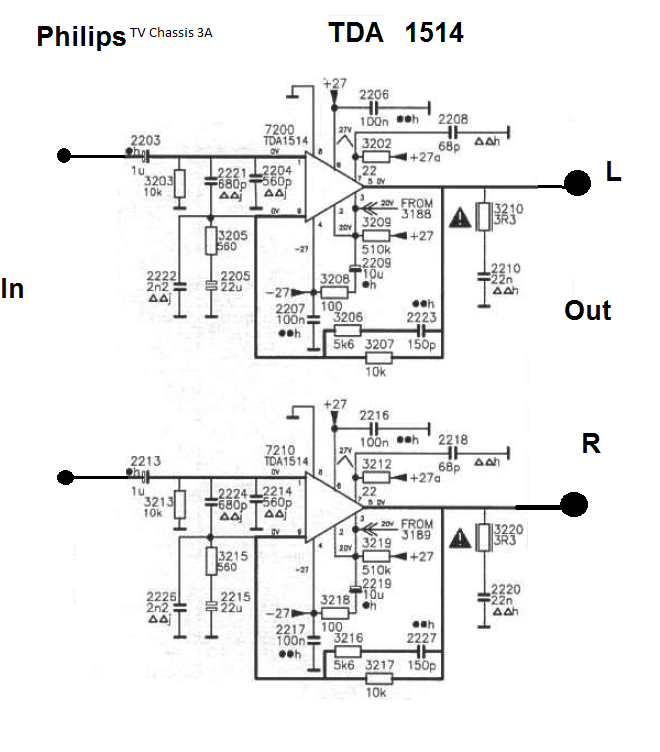
Van egy TDA 1514es stereo erősítőm. Philips tv-ből chassis 3A lett kiszedve. Itt a gyári kapcsolási rajz is: (mellékelve) Az lenne a kérdés hogy ha ezt a szűrőt elé kötöm Bővebben: Link és a 2 db. erősítőt pedig hídba (mellékelveTDAmodified) akkor megtudja hajtani a mélynyomot?
Ha kihagyom az akitív szűrést és számitógép 5.1-es hangkártya mélynyomo kimenetét kötöm a TDA1514 re és a hangszóróra akkor menne?
Persze mennie kell. Itt a hídkapcsolás is. Meg az adatlapja.
Csak 8ohm-os hangszóróval kötheted hídba, egyébként működni fog. Ne várj tőle túl nagy teljesítményt tisztán, de egy szobába filmet nézni elég.
Figyu én a gyári alapkapcsoláshoz ragaszkodom mert ennél jobbat ugy sem lehet csinálni, mert néztem amit küldtél, de nekem más alkatrészek vannak, ezért nem akarom újraépiteni
De lessz olyan 80 w teljesitménye 8 ohm-on ?
Van egy aktív szűrőm, de egy par alkatrész még hiányzik de hétvégére tuti meglessz.
Az általad csatolt rajzok közül egyik sem hidalt. Az egyik raj pedig nem használható, lehet mondani, hogy rossz, bár bizonyos tekintetben működik, csak még sem!
Talán 60 tisztán. De ez hidd el tök mindegy!
De ha nem hidalok semmit akkor is menne?
4 ohm-os hangszoroval?
2db 4 ohm-os hangszórót az adatlapban feltüntetett tápfeszültségen meg lehet hajtani hidalás nélkül is 1-1 erősítővel, normál bekötéssel, azonos teljesítménnyel, de jobb hatásfokkal a két hangszóró nagyobb felülete miatt(mint 1db 8ohm-os hangszóró hidalva).
1db 4ohm-ost nem lehet hidalva bekötni! Egy erősítővel egy 4ohm-ost lehet csak... Viszont ha 8ohm-os hangszóród van egy db jó minőségű(olcsóbb, mint két 4ohm-os jó), azt mindenképpen a hidalt kapcsolásban érdemes meghajtani...
Még nem vettem meg a mélynyomót tudom hogy hidalva nem lehet bekötni a 4 ohm-ost
Egy NYÁK-on van 2db. TDA1514 és egy TDA8421 hangprocesszor amit kiszedtem. Képek mellékelve.
Akkor vagy két 4 ohm-ost veszel, vagy egy 8ohm-osd, de akkor a hidas kapcsolást kell megépítened(amit skero csatolt).
Lehet, hogy azon a panelen is be lehet úgy kötni, némi ügyességgel, ami most van, bár én terveznék neki egy normális panelt, amin csak egyik oldalon lenne a hűtés...
További képek.....
Az erősitő egyik oldala meghalt de az IC-nek semmi baja, itt a kapcsolása is
Nem lenne jobb ha épeítenék egy új erősítő kapcsolást, ki is néztem egy ic-t STK350-050 ha sikerul csinálnák belőle 2-őt, a táp már kész van
Ez csak egy meghajtó IC, kell hozzá egy halom cucc. Nézted az adatlapját? Bővebben: Link
Azt írtad van két jó TDA IC-d. Kaptál egy kapcsolási rajzot is a hidaláshoz. Szerintem elsőre ez teljesen megfelelő lenne neked...
Én akarok egy új erősítőt késziteni csak nemtudom milyen végfok ic kellene hozzá kb 2x100w oshoz
![]() Tudsz valamit ajánlani? ja és +- 60v os min. kellene mert az stk350-050et akartam volna épteni csak jó hogy láttam az adatlapját
De először meg akarom csinalni a tda1514-est mert van belőle 2 db épp ic semmi bajuk, de meg akarom előre rendelni a masik erősítőbe az ic-ket!
a TDA pedik hidalva lessz subwoofernek
Ezek az adatlapok akkorákat hazudnak, hogy félelmetes. +-38V-os táp és 8ohm esetén az elméleti max teljesítmény 90W(szemben az ő általuk 100W feltüntettnek), de akkor a végfok tranyókon nem esik feszültség, ami ugye lehetetlen és a táp összezuhanását nem is említettem, ami külön történet. Ha üresjáratban 38V van, abból jó ha a kimenetre 34V kijut, azaz U2/2R = 72W, de ez is elvi maximum.
Ha a táp stabil lenne, ami ugye ritka, de nem lehetetlen, akkor is csak 36V számolható, mert 2V biztosan esik a tranyókon, tehát az elvi kimeneti teljesítmény 81W. Persze, ha kihasználjuk a 38V-os tápot és 4ohm-al terheljük, akkor kijöhet az elvi 100W de az már lehet, hogy nem tesz jót az IC-nek. Próbát lehet tenni... Ajánlani nem tudok erősítőt, annyi van, mint a fene, keresgélj. 100W-hoz legalább +-45V táp kell 8ohm esetén és +-35V 4ohm esetén. A +-60V-os tápodhoz 200W 8ohm, vagy 400W 4ohm erősítőt kell keressél.
De ha megépíteném a 4 db TDA7294-est akkor az egészet egy új tápról hajtanám, nem baj ha csak egy kimeneten 90w van 8ohm esetén akkor kijönne 360w összesen, és úgy lehetne használni őket hogy a táp ne zuhanjon össze?
Minden táp összezuhan, ami nem stabilizált, ez normális. Valóban mindegy mekkora a teljesítmény ilyen határok között, már ami a felhasználót illeti, viszont az adatlapban elég gáz...
Na mindegy nem kell a TDA7294.
Megépítettem a TDA1514 es hidalt kapcsolást, de nem megy csak egy furcsa ufo hangot ad ki a 8ohm-os mélnyomo de ha jelet adok neki akkor a jel miatt változik de akkor se megy mintha valami kondi hibája lenne, a táp rajza mellékelve
Inkább veszek majd egy stereo erősítőt mert azt tudom legalább hogy gyári, de a TDA1514-est szeretném ha működne
Nekem pont ebbol a TV bol van a TDA 1514 philips chassis 3a csak ugy sem ment
Az általad feltett rajzba jelöltem be a hídkapcsolást
Az IC hibájára miből következtetsz? Idézet: „Az erősitő egyik oldala meghalt de az IC-nek semmi baja” Én ebből következtetnék rá! |
Bejelentkezés
Hirdetés |
















a TDA pedik hidalva lessz subwoofernek







