Fórum témák

» Több friss téma
Fórum » TDA 1514 erősítő
Lapozás: OK   1 / 4
(#) Szabi1 hozzászólása Jún 20, 2011 /
 
Sziasztok!
Van egy TDA 1514es stereo erősítőm.
Philips tv-ből chassis 3A lett kiszedve.
Itt a gyári kapcsolási rajz is: (mellékelve)
Az lenne a kérdés hogy ha ezt a szűrőt elé kötöm Bővebben: Link és a 2 db. erősítőt pedig hídba (mellékelveTDAmodified) akkor megtudja hajtani a mélynyomot?
(#) Szabi1 hozzászólása Jún 20, 2011 /
 
Ha kihagyom az akitív szűrést és számitógép 5.1-es hangkártya mélynyomo kimenetét kötöm a TDA1514 re és a hangszóróra akkor menne?
(#) skero válasza Szabi1 hozzászólására (») Jún 20, 2011 /
 
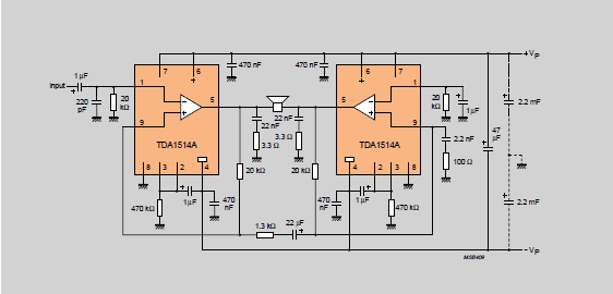
Persze mennie kell. Itt a hídkapcsolás is. Meg az adatlapja.
(#) watt válasza Szabi1 hozzászólására (») Jún 20, 2011 /
 
Csak 8ohm-os hangszóróval kötheted hídba, egyébként működni fog. Ne várj tőle túl nagy teljesítményt tisztán, de egy szobába filmet nézni elég.
(#) Szabi1 válasza skero hozzászólására (») Jún 20, 2011 /
 
Figyu én a gyári alapkapcsoláshoz ragaszkodom mert ennél jobbat ugy sem lehet csinálni, mert néztem amit küldtél, de nekem más alkatrészek vannak, ezért nem akarom újraépiteni
(#) Szabi1 válasza watt hozzászólására (») Jún 20, 2011 /
 
De lessz olyan 80 w teljesitménye 8 ohm-on ?
Van egy aktív szűrőm, de egy par alkatrész még hiányzik de hétvégére tuti meglessz.
(#) watt válasza Szabi1 hozzászólására (») Jún 20, 2011 /
 
Az általad csatolt rajzok közül egyik sem hidalt. Az egyik raj pedig nem használható, lehet mondani, hogy rossz, bár bizonyos tekintetben működik, csak még sem!
(#) watt válasza Szabi1 hozzászólására (») Jún 20, 2011 /
 
Talán 60 tisztán. De ez hidd el tök mindegy!
(#) Szabi1 válasza watt hozzászólására (») Jún 21, 2011 /
 
De ha nem hidalok semmit akkor is menne?
4 ohm-os hangszoroval?
(#) watt válasza Szabi1 hozzászólására (») Jún 21, 2011 /
 
2db 4 ohm-os hangszórót az adatlapban feltüntetett tápfeszültségen meg lehet hajtani hidalás nélkül is 1-1 erősítővel, normál bekötéssel, azonos teljesítménnyel, de jobb hatásfokkal a két hangszóró nagyobb felülete miatt(mint 1db 8ohm-os hangszóró hidalva).
1db 4ohm-ost nem lehet hidalva bekötni! Egy erősítővel egy 4ohm-ost lehet csak...

Viszont ha 8ohm-os hangszóród van egy db jó minőségű(olcsóbb, mint két 4ohm-os jó), azt mindenképpen a hidalt kapcsolásban érdemes meghajtani...
(#) Szabi1 válasza watt hozzászólására (») Jún 21, 2011 /
 
Még nem vettem meg a mélynyomót tudom hogy hidalva nem lehet bekötni a 4 ohm-ost
(#) Szabi1 válasza Szabi1 hozzászólására (») Jún 21, 2011 /
 
Egy NYÁK-on van 2db. TDA1514 és egy TDA8421 hangprocesszor amit kiszedtem. Képek mellékelve.
(#) watt válasza Szabi1 hozzászólására (») Jún 21, 2011 / 4
 
Akkor vagy két 4 ohm-ost veszel, vagy egy 8ohm-osd, de akkor a hidas kapcsolást kell megépítened(amit skero csatolt).
Lehet, hogy azon a panelen is be lehet úgy kötni, némi ügyességgel, ami most van, bár én terveznék neki egy normális panelt, amin csak egyik oldalon lenne a hűtés...
(#) Szabi1 válasza Szabi1 hozzászólására (») Jún 21, 2011 /
 
További képek.....
(#) Szabi1 válasza Szabi1 hozzászólására (») Jún 21, 2011 /
 
Az erősitő egyik oldala meghalt de az IC-nek semmi baja, itt a kapcsolása is
(#) Szabi1 hozzászólása Jún 26, 2011 /
 
Nem lenne jobb ha épeítenék egy új erősítő kapcsolást, ki is néztem egy ic-t STK350-050 ha sikerul csinálnák belőle 2-őt, a táp már kész van
(#) watt válasza Szabi1 hozzászólására (») Jún 26, 2011 /
 
Ez csak egy meghajtó IC, kell hozzá egy halom cucc. Nézted az adatlapját? Bővebben: Link
Azt írtad van két jó TDA IC-d. Kaptál egy kapcsolási rajzot is a hidaláshoz. Szerintem elsőre ez teljesen megfelelő lenne neked...
(#) Szabi1 hozzászólása Jún 27, 2011 /
 
Én akarok egy új erősítőt késziteni csak nemtudom milyen végfok ic kellene hozzá kb 2x100w oshoz
Tudsz valamit ajánlani? ja és +- 60v os min. kellene mert az stk350-050et akartam volna épteni csak jó hogy láttam az adatlapját
(#) Szabi1 válasza Szabi1 hozzászólására (») Jún 27, 2011 /
 
De először meg akarom csinalni a tda1514-est mert van belőle 2 db épp ic semmi bajuk, de meg akarom előre rendelni a masik erősítőbe az ic-ket! a TDA pedik hidalva lessz subwoofernek
(#) Szabi1 válasza Szabi1 hozzászólására (») Jún 27, 2011 /
 
A TDA1514-es készul, ha kész lessz veszek 4 db TDA7294-est
(#) watt válasza Szabi1 hozzászólására (») Jún 28, 2011 /
 
Ezek az adatlapok akkorákat hazudnak, hogy félelmetes. +-38V-os táp és 8ohm esetén az elméleti max teljesítmény 90W(szemben az ő általuk 100W feltüntettnek), de akkor a végfok tranyókon nem esik feszültség, ami ugye lehetetlen és a táp összezuhanását nem is említettem, ami külön történet. Ha üresjáratban 38V van, abból jó ha a kimenetre 34V kijut, azaz U2/2R = 72W, de ez is elvi maximum.
Ha a táp stabil lenne, ami ugye ritka, de nem lehetetlen, akkor is csak 36V számolható, mert 2V biztosan esik a tranyókon, tehát az elvi kimeneti teljesítmény 81W.
Persze, ha kihasználjuk a 38V-os tápot és 4ohm-al terheljük, akkor kijöhet az elvi 100W de az már lehet, hogy nem tesz jót az IC-nek. Próbát lehet tenni...

Ajánlani nem tudok erősítőt, annyi van, mint a fene, keresgélj. 100W-hoz legalább +-45V táp kell 8ohm esetén és +-35V 4ohm esetén.

A +-60V-os tápodhoz 200W 8ohm, vagy 400W 4ohm erősítőt kell keressél.
(#) Szabi1 válasza watt hozzászólására (») Jún 29, 2011 /
 
De ha megépíteném a 4 db TDA7294-est akkor az egészet egy új tápról hajtanám, nem baj ha csak egy kimeneten 90w van 8ohm esetén akkor kijönne 360w összesen, és úgy lehetne használni őket hogy a táp ne zuhanjon össze?
(#) watt válasza Szabi1 hozzászólására (») Jún 30, 2011 /
 
Minden táp összezuhan, ami nem stabilizált, ez normális. Valóban mindegy mekkora a teljesítmény ilyen határok között, már ami a felhasználót illeti, viszont az adatlapban elég gáz...
(#) Szabi1 hozzászólása Júl 1, 2011 /
 
Na mindegy nem kell a TDA7294.
Megépítettem a TDA1514 es hidalt kapcsolást, de nem megy csak egy furcsa ufo hangot ad ki a 8ohm-os mélnyomo de ha jelet adok neki akkor a jel miatt változik de akkor se megy mintha valami kondi hibája lenne, a táp rajza mellékelve

Untitled.png
    
(#) Szabi1 válasza Szabi1 hozzászólására (») Júl 1, 2011 /
 
Inkább veszek majd egy stereo erősítőt mert azt tudom legalább hogy gyári, de a TDA1514-est szeretném ha működne
(#) reloop válasza Szabi1 hozzászólására (») Júl 1, 2011 /
 
Ez segít valamit?
(#) Szabi1 válasza reloop hozzászólására (») Júl 1, 2011 /
 
Nekem pont ebbol a TV bol van a TDA 1514 philips chassis 3a csak ugy sem ment
(#) Szabi1 válasza Szabi1 hozzászólására (») Júl 1, 2011 /
 
lehet a TDA1514-es ic hibás
(#) reloop válasza Szabi1 hozzászólására (») Júl 1, 2011 /
 
Az általad feltett rajzba jelöltem be a hídkapcsolást
Az IC hibájára miből következtetsz?
(#) watt válasza reloop hozzászólására (») Júl 1, 2011 /
 
Idézet:
„Az erősitő egyik oldala meghalt de az IC-nek semmi baja”

Én ebből következtetnék rá!
Következő: »»   1 / 4
Bejelentkezés

Belépés

Hirdetés
XDT.hu
Az oldalon sütiket használunk a helyes működéshez. Bővebb információt az adatvédelmi szabályzatban olvashatsz. Megértettem