Fórum témák
» Több friss téma |
Mielőtt kérdezel, a következő két dolgot ellenőrizd!
I. A helyes tápfeszültségek megléte.
II. A kimeneten van-e egyenfeszültség.
Élesztés.
Idézet: „Akkor az jó kis cucc volt...” Nem volt abban semmi jó, csak a hűtés. A fene se gondolná, de iszonyatosan egyenletlen egy tranzisztor hátlapja, Sík felület kell, majd először 600-as csiszolópapírral egyenesre csiszolni, utána 1000-1200 körülivel szép simára és úgy a hasánál fogva leszorítani egy erős lemezzel 2 tranyót. A furatnál lecsavarozás sajnos nem valami hatékony. Ja és a szilikon szigetelő egy hulladék sajnos, egy cimborám hozott egyszer IGBT alá való iszonyat vékony szigetelő fóliát, ami egy fokot sem ront a szigetelés nélküli megoldáshoz képest (számítógép procival teszteltem) és ez a megoldás annyira hatékony, hogy 400 fokos pákával sem tudod felmelegíteni a tranyó kollektorát, annyira elvezeti hőt, ezért előtte kell forrasztani. Egyszer döglött meg egy erősítőm, amikor valami rossz szilikon cucc volt a tranyó alatt, mert nem volt nálam a fólia és meg is lett az eredménye, pedig még zárlat sem volt.. Ha így megcsinálod, akkor az utolsó wattot is kisajtolhatod egy tranzisztorból.
Én tavaly még a sima csillámmal is megjártam..azóta sem értem miért-hogyan ,de gyorsan kidobáltam azokat a csillámokat.Amúgy én még a TO-3 asokat is meg szoktam csiszolni.
Nem statikusan értettem, egyenfeszültséggel kivezérelve a végfokot, ez dinamikus vezérlésre is érvényes. Akkor is van ilyen pillanat a végfok kimenetén.
Abban a pillanatban van ez, mikor a vezérlőjel annyira kihajtja a végfokot, hogy pont fél tápfeszültségen áll a kivezérlés. Akkor pont annyi a tranzisztorok terhelése, mint amit számoltam. A katalógusban megadott maximumokat pedig semmilyen körülmények között nem illik túllépni. A védelemmel kapcsolatosan pedig csak annyit, hogy ha jól meg van csinálva egy végfok, akkor annak nagyon kicsi a belső ellenállása. Márpedig akkor védelem nélkül nem bír ki egy rövidzárt. Az más kérdés, hogyha a végfok eleve úgy van tervezve, hogy a meghajtókör nem tudja akkora árammal meghajtani a végtranyókat, ami pl. rövidzárnál már veszélyes lenne. Van ilyen A osztályú végfok elég sok, ami emiatt rendelkezik egy magától adódó (tervezett) védelemmel. Megint más kérdés, hogy abban az esetben, ha egy végfok elég jól terhelhető és odafigyeltek a tervezésekor a félvezetők megfelelő terhelhetőségére, akkor nem okoz a végfoknak az sem gondot, ha esetleg rövid ideig 0,5-1 Ohm terhelésen megy, legfeljebb nagyon melegszik. Egy rövidrezárt szkópzsinór, vagy egy vékonyabb, nem elég "izmos" hangszóró vezeték, vagy akár mondjuk egy csatlakozó is lehet zárlat esetén pár tized Ohm, vagy még nagyobb ellenállású, ami már elég egy ilyen bika végfoknál ahhoz, hogy ne szálljanak el a végtranyók. Gyanítom, hogy neked ez a második állt fenn. Az sem mindegy, mekkora kivezérlésnél van rövidzárban egy végfok. Zárd rövidre egy csipesszel a végfokod kimenetét, tekerd fel a hangerőt, és garantáltan elhalálozik a végfokod rövidzárvédelem nélkül. Egy erősítőt pedig "bolondbiztosra" kell(ene) építeni úgy általában, mert nem biztos,hogy mindig optimális körülmények között, vagy állandóan hozzáértő kezekben dolgozik, pl. egy bulin.
A szilikonnál a csillám is sokkal jobb, de érdemes megpróbálni beszerezni ilyen fóliát, mert az valami zseniális találmány és sajnos nekem is elfogyott.
A TO-3-as toktól, meg megőrülök, én mindenbe a 2SC5200 és SA1943 párost használom.
Régebben kapható volt kerámiából készült szigetelő is azt használtatok?
Idézet: „Zárd rövidre egy csipesszel a végfokod kimenetét, tekerd fel a hangerőt, és garantáltan elhalálozik a végfokod rövidzárvédelem nélkül.” Ezt nem is vitatom, de lássuk be, hogy elég ritka eset. Idézet: „Nem statikusan értettem, egyenfeszültséggel kivezérelve a végfokot, ez dinamikus vezérlésre is érvényes. Akkor is van ilyen pillanat a végfok kimenetén. Abban a pillanatban van ez, mikor a vezérlőjel annyira kihajtja a végfokot, hogy pont fél tápfeszültségen áll a kivezérlés. Akkor pont annyi a tranzisztorok terhelése, mint amit számoltam. A katalógusban megadott maximumokat pedig semmilyen körülmények között nem illik túllépni.” Ez igaz, de az a kis pillanat nem okoz akkora galibát, hogy komolyan kellene vele foglalkozni szerintem, főleg otthoni felhasználás mellett. Ha valaki esetleg hangosítani akar egy a szóban forgó megoldással, az magára vessen. Én csináltam olyan elmebetegséget, hogy 3 pár végtranyóval +-50V tápfeszü erősítővel hidalva döngettem 4Ohm-ot 2 éven át, akár 12 órán keresztül és a mai napig üzemel az erősítő, pedig valami iszonyatos gányolás az egész. Ha jól van hűtve akkor lehet gyilkolni a tranyókat rendesen. Idézet: „Egy erősítőt pedig "bolondbiztosra" kell(ene) építeni úgy általában, mert nem biztos,hogy mindig optimális körülmények között, vagy állandóan hozzáértő kezekben dolgozik, pl. egy bulin.” Nekem ezt a bérbeadósdit a hangfalaim bánták már párszor.
Én erről nem is hallottam még, de gondolom okkal nem lehet már kapni.
Jól szól bár más erősítökben meg más előnyöket tudok felírni.Ezért is keresek valamit kimondottan stúdióra.
Idézet: „Én csináltam olyan elmebetegséget, hogy 3 pár végtranyóval +-50V tápfeszü erősítővel hidalva döngettem 4Ohm-ot 2 éven át, akár 12 órán keresztül és a mai napig üzemel az erősítő, pedig valami iszonyatos gányolás az egész. Ha jól van hűtve akkor lehet gyilkolni a tranyókat rendesen.” Nem tudom milyen erősítő volt de csak a porci tuningolásokból kiindulva is működik a dolog...
Ha arra gondolsz amelyik olyan 2-3mm vastag akkor én egyszer próbáltam többet soha...szerintem azt szigetelési távolság betartására találták ki nagyfesz. áramköröben.
LM3886T, vagy LM2876T, Roberta!
Az Alesis stúdió referencia monitorokban az van. A 3886 hajtja a mélysugárzót, a 2876 pedig a csipogót.
Ez az erősítő volt, kiegészítve 3 pár végtranyóra. Pontosabban ilyenből volt kettő hidalva.
Poénból csináltam, de annyira bevált, hogy ezt vittem diszkózni.
Attól függetlenül,hogy audió célra fejlesztették ki azokat a tranyókat nekem a symasym erősítőmben nem teljesített jól sőt..inkább MJL3281 meg a komplementere.
Eredetileg 2SC3281 és párja voltak ezek, de úgynézki valakinek megtetszett a számozás.
Amúgy pont ezek helyettesítésére csiinálta a toshiba az 5200-át és a párját, mert, ha jól emlékszem már 2003 óta nem gyártja a toshiba az eredeti 3281-et. Nekem nagyon beváltak ezek a tranzisztorok, semmi másra nem cserélném le őket. Az említett hidalt erősítőmben is még a régi 3281 és 1302 van.
Több neves gyártó is használ LM-eket. Pl a JBL Eon-okban is LM3886 hajtja a magasat.
Gainclon-ba ezt feltétlenül próbáld ki.Sokunk szerint így nagyon jó hangú az erősítő.
Nekem nagyon tetszett az Alesis hagja, ezen felindulva most tervezek magamnak egy közeltéri monitort.
Ebbe is ezeket az ic -ket fogom tenni. Néztem a katalógusaikat, a 3886 -nak pl. 0,03% THD+N van megadva és 0,004% IMD. Egész szép.
Az IMD az szép, de a THD+N az jellemzően IC betegség a zaj miatt sajnos.
Néhány Genelecben például Sanyo STKxxxx vagy LM3886 IC van.
A Dynaudio-k némelyikébe, és a ADAM-okba is tesznek IC-ket. De van amelyikbe PWM-ek vannak, vagy hibrid megoldás. Ez nagyon változó.
üdv
Szerintem egy erösitöben sosem lehet a védelmet tulzásba vinni,mivel hogy nemcsak én használom és nemcsak itthon,hanem kölcsönzöm is öket kissebb nagyobb akciókra.Nemszeretném sehonnan sem azt visszahallani hogy sz..r erösitöt épitettem meg stb.Az meg még fontosabb hogy nehagyjon cserben a cucc mondjuk éjjel 3 kor fél spiccesen,mikor már tartalékért sem tudunk elugrani.Sok erösitöt épitettem már ,valamikor énsem bajlódtam a rövidzár védelemmel de ma már másként gondolom,minden nivósabb végfokban van ilyen védelem gondolok a hangositásra használtakra.A kinai smédekben nincs,meg az audiofilekben sem,de ott nemhasználnak többféle hangládát.Eddig csak bipoláris végeket épitettem,de most ha tulleszek ezen a feten,azutánis bipolárisakat fogok.Nekem jobban bejönnek.
Szerintem ami leginkább zavaró egy erősítő hangjában, az az IMD.
Nálam már bizonyított ez az ic, nekem ez tökéletesen megfelel arra, amire használni fogom. Főleg azokkal a hangszórókkal, amik az eredeti monitorban vannak, amit hallgattam pár hétig. Dobozméretek lemérve, remélem, jó lesz... ![]() Viszont, a hangváltón is sok múlik, annak meg nem tudtam megkeríteni a rajzát sajnos..
üdv
Kösz a segitö hozzáállást,ennyi kapcsolásból már csak összehozok egy jót,ráadásul még közben elkezdtem restaurálni egy tesla végfokot is KD503 mas tranyókkal.Brutál gép,csatornánként 8 végtranyó van,hidban vannak a csatornák és 2x400wattot tud 2ohmon vagy 2x200 at 4 en zenei teljesitményben.De ez még sok is egy régi cuccról.Ha elakadnék netán a fetes cuccal akkor jelentkezem,ha rendben megy minden akkor is irok majd meg képek is lesznek.
Én a zajtól bolondulok meg. Amikor bekapcsolok egy IC-t mindíg a szszszszszszszszszszsz.. fogad ami iszonyatosan lehangol és le is rugja a hangminőséget. egy jól válogatott erősítőnél általában nem szokott gond lenni az IMD-vel, persze szoba hangerőn.
Én már kipóbáltam néhány IC-t és a műhelybe rádiót szólaltani róla jó, de otthon nem tudnám elviselni őket.
Szerintem hallgass meg egy ilyen monitort (vagy ic -t). Nincs szszszszsz... Legfeljebb, ha rátapasztod a füled a hangszóróra.
Ha bérbe, vagy kölcsönbe adod az erősítődet az persze megint más tészta, olyankor kellhet bele a "hülyegyerek" védelem, de én csak túlmelegedés elleni védelmet szoktam csinálni és eddig az erősítővel nem volt, csak a hangfalakat nyírták szét állandóan, ezért már egyáltalán nem adok kölcsönbe senkinek semmit és nem is csinálok bulit.
A limiter az egy nagyon hasznos dolog, és gondolom az én hangfalaimat megmentette volna már párszor.... Az a helyzet, hogy ha ennyit kínlódsz a rövidzár védelemmel és ilyen terveid vannak, akkor érdemes elkondolkodni azon, hogy érdemes e házilag építened hangosításra szánt erősítőt.
Hallottam már néhányat. Az életkedvem megy el tőlük...
Valamiért nem tudtam szó nélkül megállni.. :no:
A csatolt Linken látható Silicon szigetelő nagyon-nagyon jó hőátadással rendelkezik! Én szinte minden végtranyó alá kizárólagosan csak ilyet használok. Sosem volt semmi gondom velük, mellesleg az anyaga révén betapad a végtranyó hőátadó felületére s kitölti a légréseket is, nem is csoda hát hogy oly nehezen jön le, pár éves-hónapos stb .. használat után! Valamiért el nem hiszem hogy a csillám jobb lenne ezeknél Bár még csalódhatok bennük egyszer... :eek2:
Annyi igazság lehet benne, hogy a csillám jobb lenne, illetve jobb is ha rendesen le lehet húzni anélkül, hogy szétrepedne.
De a vékony fóliánál semmi sem jobb az biztos.
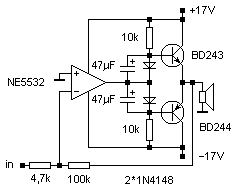
Sziasztok! Ha ezt az erősítőt Fetekkel szeretném megépíteni akkor min kell változtatni? A fetek Irf540 és 9540 lenne. A válaszokat előre is köszönöm.
Szerintem ne alakítsd át fetesre. A fetek G-S nyitófeszültsége jóval nagyobb a bipoláis tranzisztorok B-E átmeneténél, emiatt pedig sokkal kevésbé lesz kivezérelhető a végfok, vagyis jóval kisebb lesz a teljesítménye.
BD -kkel kb. 25W lehet 4 Ohmra a teljesítmény, fetekkel pedig 16-18W. Ráadásul fetekkel már hőkompenzálás is kell majd. |
Bejelentkezés
Hirdetés |












