Fórum témák

» Több friss téma
Fórum » ST151 végerősítő
 
Témaindító: Dzsoni, idő: Szept 5, 2007
Lapozás: OK   24 / 93
(#) IC Hegyi hozzászólása Márc 5, 2011 /
 
Üdv

Tudna valaki arra kérdésemre válaszolni hogy a 40 V tápfesz az a maximális vagy rá lehet-e kötni+/-50V-ot is?
(#) Robi85 válasza IC Hegyi hozzászólására (») Márc 5, 2011 /
 
Lehet +-50volt is, de akkor cseréld a tranzisztorokat és a kondikat is amelyikeket muszály nagyobb feszültég türésüre. Van itt a forumba valahol egy hozzászólás, abban benne van, hogy melyik tranyókat kell cserélned a végtranyókon kivül.
(#) zoly15 válasza IC Hegyi hozzászólására (») Márc 5, 2011 /
 
(#) DJanosi hozzászólása Aug 22, 2011 /
 
Üdv ! Nekifogtam ennek az erősítőnek !A kérdéseim a következők ! Valakinek van egy kész erősítő erről a kapcsolásról hogy lássam kb mekkora hűtést szereljek neki ! A másik kérdés a bal alsó sarkában van egy különálló valami amiben van párhuzamosan két dióda és egy ellenállás az mi az hova tartozik minek jó?ST151
(#) reloop válasza DJanosi hozzászólására (») Aug 22, 2011 /
 
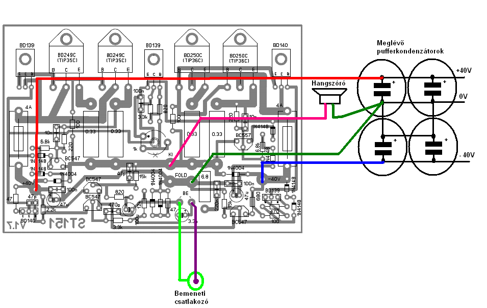
Szia! A TDA-hoz használt bordád pont jó lesz. A különálló valami: a jelföld és a teljesítményföld összekötése. Ha megfigyeled van tele- és vonalkázott testpont. Dolgod vele semmi, rajta van a panelen, a bemenet mellett találod az alja-közepe táján.
(#) DJanosi válasza reloop hozzászólására (») Aug 22, 2011 /
 
De akkor azokkal a vonalkázott testpontokkal mit kell csináljak?
(#) reloop válasza DJanosi hozzászólására (») Aug 22, 2011 /
 
A vonalkázott testpontok a beültetési rajz "föld" csatlakozó pontjába futnak. Ezt kell a tápegység kondenzátorainak a közös (0V) pontjára kötni.
A jelföld a bemenetnél található, ide kösd a bejövő vezeték árnyékolását. Az egész áttekintéséhez KD mester rajzát ajánlom (H1,H2 a hangszórók). Bővebben: Link
(#) DJanosi válasza reloop hozzászólására (») Aug 22, 2011 /
 
De ez stereo erősítő nem? Amit linkeltél !
(#) reloop válasza DJanosi hozzászólására (») Aug 22, 2011 /
 
Igen sztereó. Azt gondoltam te is olyat építesz. Semmi gond, az egyik csatornát hagyd figyelmen kívül, a huzalozás többi része általános érvényű.
A "jelföld" feliratú vezeték megy nálad a "föld"-re.
(#) DJanosi válasza reloop hozzászólására (») Aug 22, 2011 /
 
Jaj jaj ez kezd komplikálni engem ! Ezek az összeköttetések és attól felek hogy egyet füstöl ! Azért is nem építek stereot egyenlőre egyszer menjen ez és akkor meg készítek egy társat hozza! De az mar biztos hogy nekem ez mar nem fog menni elég elszánt erősítő építő vagyok de ez mar megterhel !
(#) emersys válasza DJanosi hozzászólására (») Aug 22, 2011 /
 
Szia.
Pedig ez nem komplikált.
Az egész herce-húrca abból indítható ki, hogy a "nagy áramú" csillagpontod ( tehát a pufferkondenzátorok) 0-pontja, valamint a jelfölded közt potenciálkülönbség van. ( magyarul a 2 nullpont egymáshoz képest nem azonos), és mivel hangfrekvencionális végfokot építesz ezért szokás őket minimum 3.3 Ohm, és 100nF hidegítéssel szűrni őket, hogy egymást úgymond ne gerjesszék.
Vagy a már jól megismert st151-es bal oldali lapon látható módon összehozni a jelföldet a csillag földel.
Ez majd későbbiekben, stereo erősítőben sem lesz másként.
Az összesodrásokat is ezért látod KD mester rajzában.
Ha az megnyugtat, ennél vannak sokkal komplikáltabb és kitalálhatatlanabb dolgok is...
(#) DJanosi válasza emersys hozzászólására (») Aug 23, 2011 /
 
Ura és újra szürke foltok jelennek meg nekem ! reloop is magyarázta kézzel lábbal hogy megértsem csak én nem vagyok elég figyelmes ! Most mar a fold=csillagpont?
(#) reloop válasza DJanosi hozzászólására (») Aug 23, 2011 /
 
Az elszántság becsülendő erény. Nézd át ezt a rajzot, és kérdezz, ha valami nem érthető.
(#) DJanosi válasza DJanosi hozzászólására (») Aug 23, 2011 /
 
Leírom mik a tisztázatlan dolgok számomra !
Idézet:
„A "jelföld" feliratú vezeték megy nálad a "föld"-re.”
Ezt valahogy most nem értem ! Stereoban nem menne a földre? KD mester rajzán az a tekercs es ellenállás az minek? Adatok róla? Kicsit nem értem Azok a pufferkondik azok a bemenetet szűrik nem? Akkor mit keres a hangszóróknál és megy fel az erősítő kimenetere ! Egészen el vagyok !Holnapra készítek egy rajzot ahogy én értettem meg
(#) reloop válasza DJanosi hozzászólására (») Aug 23, 2011 /
 
Rajzolok szívesen. Most milyen?
(#) emersys válasza DJanosi hozzászólására (») Aug 23, 2011 /
 
KD mester rajzán a tekercs egy fojtóként van jelen ( addig addig csengeti össze a magasfrekis gerjedéseket míg azok ki nem ontják egymást) -> Ezt kiegészítésnek szántam, ne zavarjon meg, ha úgy tetszik hagyd figyelmen kívül.
A lényeg a következő: Nagy áramú földnek a pufferkondik Null pontját mondjuk. (ezt nem részletezem jobban, tehát a +-tápfesz földjéről van szó, arról a 0-pontos potenciálról amihez pozitív és negatív irányba feszültséget mérsz).
A jelföld az nem más mint egy olyan eszköz külső földje, amihez tartozik egy "hot" szál is, az - az, pl egy cd lejátszó mono jelének 2eres árnyékolt vezetéke ( földje és meleg pontja)
Nah most itt jön a lényeg.: Mikor végfokot építesz akkor nagy általánosságban azt csillagpontos földeléssel szokás tenni.
Erre azért van szükség, hogy minden egyes modul, aminek csak "nagy áramú" földre van szüksége az KÜLÖN-KÜLÖN vezetékkel ahhoz az egy földponra (csillagpontra) kapcsolódjon, mert ha nem így teszed, hanem össze-vissza áthidalásokkal és más egyéb soros kábelezésekkel akkor az bizony bőven okot adhat a gerjedésre.
Az előbb már olvashattad mért fontos hát elkülöníteni a csillagpont földjét a jelföldtől.- módszereket is láttál rá!
A csillagpontnak, legszerencsésebb esetbe azt a pontot célszerű választani, ahol a puffer kondik 0 Pontja van.
Minden egyes eszköz tehát ( hangszóró védelem, hangszóró kimenet hideg pontja, stb. stb.) az mind ide csatlakozik hangsúlyozom még egyszer: Külön - Külön vezetéken.
A hangszóró meleg pontja értelem szerűen a végfok panelen található.
Remélem nagyjából érthető lett számodra már pár dolog amit leírtam.
(#) DJanosi válasza emersys hozzászólására (») Aug 23, 2011 /
 
Elég halovány most sem értem mi köze van a kimenetnek a pufferkondikhoz?
(#) DJanosi válasza reloop hozzászólására (») Aug 23, 2011 /
 
Készülget az erősítő beraktam azokat az alkatrészeket amit itthon megtaláltam erről túl sok a használt illetve bontott alkatrész de megjelennek benne újak is !
(#) reloop válasza DJanosi hozzászólására (») Aug 23, 2011 /
 
A panel bekötése érthető, vagy csiszoljak még rajta?
(#) DJanosi válasza reloop hozzászólására (») Aug 23, 2011 /
 
Milyen panel?Amit most készítek? Ha igen akkor annyit mondhatok hogy egyenlőre tökéletes ! Nagyon érthető !
(#) reloop válasza DJanosi hozzászólására (») Aug 23, 2011 /
 
A huzalozásra gondoltam. Bővebben: Link
(#) DJanosi válasza reloop hozzászólására (») Aug 23, 2011 /
 
Jah)
En most sem tudok megbékélni vele de ha esetleg lemented az egyik félkész erősítő képemet na meg van a trafómról és kondimról is kép és ha azokat rajzolódik és össze paszitod az maga volna földi paradicsom
(#) reloop válasza DJanosi hozzászólására (») Aug 23, 2011 /
 
Ennek már elég realisztikusnak kell lenni a számodra.
(#) DJanosi válasza reloop hozzászólására (») Aug 23, 2011 /
 
Na ezt mar szeretem Nagyon érthető! Köszönöm ! Mar csak valahogy készítsem el ! Vannak nekem is nagy bontott tranzisztoraim vajon azok nem találnának ide vagy csak az jó ami ide van írva?
(#) reloop válasza DJanosi hozzászólására (») Aug 23, 2011 /
 
Milyen tranzisztoraid vannak? Meg tudod mérni, hogy jók-e?
(#) DJanosi válasza reloop hozzászólására (») Aug 23, 2011 /
 
A meréssel nincs baj ! Egyet megmertem és a nyitofesz egyik fele 650 mV és a másik fele közel 100 mV ? Ebben nem vagyok biztos hogy jó tranzisztor e
! Az általános BC tranyok mindket irnyban 600-800mV nyitófeszültségűek mindkét pn átmeneten át ! Lehet hogy az amit mertem az olyan kel legyen nem tudom ! Meg valami mondjuk ha tennék a BC 547 helyett BC 100 valamennyit az baj? Nem számít hogy akkora nagy típusszámbeli eltérés van természetesen nem olyan tettem de mondjuk ha más nem volna ! Eltérő a bétájuk?
(#) reloop válasza DJanosi hozzászólására (») Aug 24, 2011 /
 
A gugli segítségével nézd meg a tranzisztor adatlapját. Abban megtalálod, hogy N vagy P típusú, mekkora feszültséget és áramot visel el, mekkora az erősítése.
Helyettesítésről itt érdeklődj.
A BC utáni számok nem állnak összefüggésben a tranzisztor elektromos tulajdonságaival.
Amit mértél az lehet egy ellenállást is tartalmazó darlington.
(#) baloghz válasza DJanosi hozzászólására (») Aug 24, 2011 /
 
Szia!
A helyettesítésben, ha gondolod használhatod a Tranzisztorok helyettesítése lapot. Ezt egy angolul ún. cross reference (kereszt referencia) adatbázis.
(#) DJanosi válasza reloop hozzászólására (») Aug 24, 2011 /
 
A teljesítmény ellenállásnál írja hogy 0.33 az mi? Ohm vagy KOmh=330Ohm vagy milyen értékben van? Na meg a 6.8 As ellenállás ! vannak pF os kondik azok muszáj annyik legyenek mind amit ír ? A fólia kondin kb hogy jelenik meg a 47pF és 470 pF ?
(#) reloop válasza DJanosi hozzászólására (») Aug 24, 2011 /
 
Ezeknek egy kis böngészéssel utána tudsz járni. Ha nem boldogulsz vele akkor a kezdő kérdések, vagy az ez milyen alkatrész? topicban vesd fel. Itt OFF lenne elmélyülni benne.
Következő: »»   24 / 93
Bejelentkezés

Belépés

Hirdetés
XDT.hu
Az oldalon sütiket használunk a helyes működéshez. Bővebb információt az adatvédelmi szabályzatban olvashatsz. Megértettem