Fórum témák
» Több friss téma |
Egyébként ha nincs háttér memóriaként sem a Flash, sem az EEPROM kiválasztva, akkor a fordító a Flash kódmemóriába befordítja a weboldalt, tehát akkor is kellene valamit válaszolnia a böngészőnek.
Rájöttem, hogy hozzá kell még adni két mappát az include search path-hoz, úgyhogy ez a kérdés tárgytalan.
Oké, mert nekem is csak beállításokat kellet végeznem az elérési utákban...
Hol látom, hogy hová fordítja a demo oldalakat a flash-be? Biztosan befordítja? Most próbálok egy olyan megoldást, hogy új projectet hozok létre 87J60-hoz, és egyenként keresem meg azokat az állományokat, amikre szüksége van. Hát nem egyszerű, mert a fájlok között kell keresgélnem szövegre, miután nem ad támpontot a fordító, hogy milyen fájlt keres, csak jelzi, hogy nincs meg egy függvény, amire hivatkozik valami. Ezen túl is voltam, lefordult, de beégetve annyit sem csinált, mint a másik, ami legalább IP-t talált... Szép az élet, most próbálom keresni, mi más ebben...
Létezik, hogy ha kiveszem az EEPROM-ot, nem fér bele a flash-be amit fordít? Ezek szerint bele akarja fordítani, de nem fér?
A linker ezt a hibát adja:
Létezik! Kivettem pár dolgot, és lefordult, és a méret nagyobb lett, majdnem tele van a PIC! Egyelőre 97J60-ra sikerült lefordítanom, most jön a 87J60 átgyúrás.
Vedd ki a Berkeley-es cuccokat, az foglal sok helyet, viszont első körben nincs rá szükség. Nemis tudom, pontosan mire való, de tudom, hogy kivettem és működött.
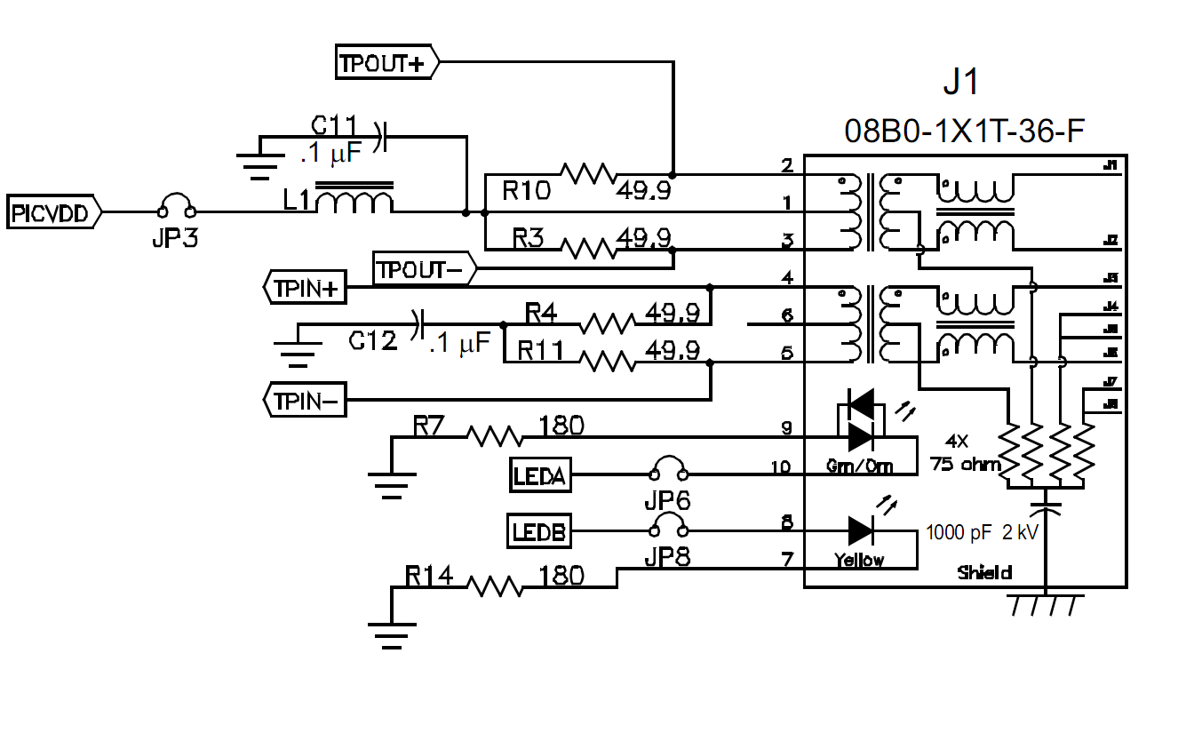
Ha minden igaz, összelógatok ma egy áramkört próbapanelen én is tesztelni, csak még meg kell keresni, hogy egy alaplapból kiforrasztott ethernet csatlakozónak mi a lábkiosztása. Ha véletlenül találkoztál már ilyennel, az jól jönne. Ez az a fajta, amibe bele van építve az ethernet trafó.
Sikerült! Ping is működik...
A TCPIP Demo App-ból kell kiindulni, ezt csak azért írom le, hogy más ne kerüljön abba a csávába, amibe én! ![]() A Projectet úgy hoztam létre, hogy a projectet másként másoltam egy általam kiválasztott helyre a megnyitott eredeti Demo App-ból. Ezután kivettem a konfigból a define eeprom definiálást, és kigyomláltam az összes fordítási hibát, amit a 87J60 eltérése okozott. (LED-ek, Gombbok). Ezután a routeren megnéztem az IP címet, és a böngészőben feljött a demo oldal. Úgy nem sikerült beállítanom a fordítót, hogy új projectet kezdtem. Tele van makrókkal és egyedi direktívákkal a project. PErsze idő kérdése és megtaláltam volna, de ez így most rendben van. Persze még ki kell derítenem miért nem működnek a usart.h fügvényei. Ez is valami egyedi megoldás miatt van, amit még nem értek... Köszi az eddigi segítségeket!
A trafóst én sem ismerem, de van egy pdf, amiben láttam ilyet, azt hiszem pont a demóhoz való rajzban! Megkeresem!
Megvan, csatoltam:
Láthatóan van benne trafó, de közben megtaláltam az adatlapját is. Viszont gigabites, úgyhogy nemtudom, hogy jó lesz-e, de mintha valaki régebben írta volna, hogy ment neki vele, úgyhogy reménykedek
Közben elolvastam a végét is, ezért töröltem is az arra adott válaszom, amire neked sikerült válaszolni!
Azt írd meg, hogy amit csatoltam, az egyezik-e az általad talált bekötéssel, mert ha igen, az sokaknak segíthet! Ja szerintem mindegy, ha gyorsabb, mennie kell.
Gondoltam elmondom milyen ügyes voltam pénteken. Volt egy kis zárlatom az egyik regulátor alatt(SMD) ezért ki kellett cserélnem. Namost az egyik lábát egy fém csipesszel hajlítottam fel, hogy ne sérüljön meg a nyák. A hajlítás közben a csipeszt rátámasztottam az ICSP Vpp lábára. A csipesz ekkor rávezette a 12V-ra feltöltött kondi áramát a lábra. A PIC-ben ezután nem indult el a program. Na mondom, ezt elk...am. PK2-vel nézem, felismeri, programozza, minden oké, de nem indul a progi. Nézem az MCLR lábat, 1V. Emelem meg egy 270ohm-al, elindul a program és fut.
Láttál már ilyet? Valami az MCLR láb környékén test felé ellenállást képez, ezért a láb többé nem lebeg, és fogyaszt. A PIC egyébként kicsit melegebb, mint kéne, és a táp is meleg mint a fene, de minden működik. Most addig ezzel fejlesztek, amíg bírja, mert csak jövő héten tudok venni másikat. Mondjuk ez a PIC csak 1000x írható, nem túl sok, lehet, még jól is jött ez a kis gigszer.
Amit én találtam, az nem ilyen. Nekem ilyen van: Link
Én is tudok hasonlót: ki akartam nyomtatni az adatlapját, de ehhez fel kellene rakni nyomtató drivert linuxra, ami sehogy sem akar összejönni...
Az mitől van, hogy másképp jelenik meg a demo oldala a böngészőben ha a kártyáról nyitom meg, mint ha a PC-ről nyitom? Eltűnik a piros keret, és a LED-ek kerete stb. Ha a webnézőke utilitivel nyitom, ami gyárilag van hozzá, akkor jól jelenik meg. Ha egy html szerkesztőben nézem, ott is szétesve jön fel.
Szerintem egyszerűen valamely fájlok elérési útja nem stimmel, amikor a PC-ről nézed, ezeket nem tudja betölteni, és ezért hiányoznak. CSS vagy képfájlok lehetnek ezek. Vagy pl. később kérne le ajaxszal egyes dolgokat, az pedig nem működik, ha a PC-ről direktben nyitod meg a fájlokat.
Értem. Azt nem vettem figyelembe, hogy ez egy java script-el egybegyúrt történet. Nincs sok kedvem Javat- tanulni, kicsit sok lenne most! Te mivel oldottad meg a környezetet?
Most okosodok, mert eddig az Ajax-ról azt hittem konyhai lemosószer!
Miket nem mondasz! Én úgy tudtam, hogy az Ajax egy holland focicsapat.
Tényleg! Dzsudzsákék 10-et rúgtak nekik egyszer!
Az van, hogy én Javascripttel oldottam meg (a Java az más, a kettő nem ugyanaz), mert máshogy nem fértem volna el a 32kB memóriában az oldallal meg egyéb adatokkal. Egyelőre szerintem jó az egyszerű html is, nem kell Javascript rögtön (viszont azzal sokkal jobb a "felhasználói élmény"
).
Egyelőre még nem teljesen tiszta a kép. Mert minden példát amit látok PC szerverre van írva, ahol valamilyen nyelv a háttér, pl. PHP.
Itt ugye a PIC a szerver és gondolom a nyelv nem más, mint amin fejlesztem a Stack-et(C). Próbálom értelmezni a gyári AJAX példát, haladok vele, csak lassan. El kellett olvasnom néhány dolgot a témával kapcsolatban, és PIC-re értelmezni. Ez számomra nem túl egyszerű, miután HTML-ben se sokat programoztam, azt is inkább szerkesztőkkel. Alapvető kérdések is felmerülnek, mint pl. hogyan küldi el a PC a csomagot(PUT?) és hogyan fogadja a PIC és milyen csomag ez(CustomHTTPApp.c ben van ha jól értem a kezelő rész?)? A fejem tele van infóval ülepednie kell. Ha esetleg tudod tisztáni ezeket az alapokat, szerintem itt elfér, miután szerves része a témának. Addig szeretném lecsupaszítani a kérdést, hogy egy bájtot elküldök, egy bájt megérkezik és viszont(még ha a keret valójában több bájtból is áll, ezt tudom)...
Alapvetően a HTML és a Javascript kliensoldali nyelv. A szerveroldalon mindegy, hogy mi állítja elő, mert ezek a böngésző számára készülnek. Alapvetően úgy működik a dolog, hogy a böngésző intéz egy kérést a szerver felé, ami lehet GET vagy POST módon. A GET mód az, amikor az url-ben benne vannak a paraméterek a kéréshez, mint pl. http://www.hobbielektronika.hu/profil/azon.php?id=2991, ahol az id változóba kerül bele a kért személy azonosítója. Tehát ezek tipikusan a linkek. A POST mód az, ahol pl. egy formot küldünk le a szerver felé. POST módra példa a hozzászólásíró ablak. Kicsit megkeveri a dolgot, hogy a form is küldhető GET kéréssel, de nem szokás. Most jön az ajax, ami szintén történhet GET és POST kéréssel is, de ajaxnál az esetek túlnyomó részében mindegy, hogyan történik.
Viszont arra nem emlékszem, hogy a kontrollerben a firmware hogyan fogadja a kéréseket, hogy különbséget tesz-e a GET és POST módon érkezett adatok között, de valóban úgy rémlik, hogy a CustomHTTPApp.c az, ami feldolgozza és előállítja a kimenetet. Bár erre pontosan nem emlékszem, hogy hogyan csinálja a kimenetet, rég volt már, most meg nincs itt a fájl...
Köszi, sokat segítettél! A forrás megvan egyébként? Mára egybe gyúrták a telepítőjét egy 102megás fájlba és ott lehet kiválogatni mit akarsz telepíteni. Bővebben: Link
Persze, megvan minden, csak épp az otthoni gépen, én meg az irodában vagyok jelenleg.
Mekkora programmemóriájú PIC-et célszerű választanom, ha nekiugrok én is a TCP/IP kapcsolatnak? A gyári demo boardok 128kB-os modelleket használnak, de van egy olyan is, ahol egy 18F4620 van 64kB-al. Én most egy 18F4685-öt néztem ki, az 96kB-os. Azon elférek vajon, vagy örökös gondjaim lesznek (SD kártyáról olvasnám be az adatokat, annak a kezelése elég sok helyet visz)? Mik a tapasztalatok?
Ha egyedi készülékről van szó, akkor érdemes megvenni a legnagyobb memóriájút. Nekem 18F86J65 chipjeim vannak, mert ilyeneket tudtam szerezni, ezek 96kB memóriával vannak. Valószínűleg elég a 64kB is, de nem akkora az eltérés az árban, hogy érdemes legyen ezen spórolni tanulásnál.
Próbálta már valaki a WiFi-s HW-t? ZeroG / MRF24WB0MB
Igazából csak az érdekelne, hogy az is működik-e olyan stabilan, mint a LAN-os kistársa? Simán beröffen itthoni wifi routerre meg minden, vagy centiméterenként pakolgászni kell az antennát, meg nehogy bármi a közelében legyen, mert olyan gyenge a jel, hogy azonnal belefullad valami zaj-zavarba és társaik. Egyszóval valami tapasztalat akad-e róla, akár ismerősi körben. Lenne egy dolog, amit wifi-vel lenne célszerű megoldani, és még a sávszélesség is elég lenne, csak nem tudom bele merjek-e vágni abba, vagy inkább megmaradjak a vonalasnál (a helyszínen már van wifi, kábel kihúzás meg nem két fillér).
Üdv!
Szeretnék építeni egy web serv board-ot . Találtam több ezzel foglakozó web oldalt de a ti tanácsotokra és véleményetekre lennék kíváncsi . Ezt találtam a legjobbnak Bővebben: Link De a hestorén nincs ilyen PIC18LF2620 (máshol találtam) Későbbiekben szettném majd bővíteni színes lcd vel ami pl kijelzi milyen ipk vannak rákapcsolódva vagy milyen a terheltsége de ennyire nem szaladok előre. Véleményt kérek működhet ez ? Miden program is megvan hozzá . Azért gondoltam építésbe mert a neten nem nagyon találok olcsón. Itt a kapcsolási rajza Bővebben: Link.
Van ilyen topic, csak nem jó a neve...
Bővebben: Link Bővebben: Link A 18F97J60, vagy 87J60-at ajánlom inkább...
Üdv valaki ezt megcsinálta már ?
Bővebben: Link
Szerintem inkább a gyári demó panelekből érdemes kiindulni. Nem azt mondom, hogy megvenni, hanem csak azt, hogy azok alapján építeni, mivel a kapcsolási rajzok mind elérhetőek hozzájuk, valamint van gyári demó kód is. Én annakidején a Picdemnet2 kapcsolási rajzából indultam ki, az 18F97J60-at használ, abban már benne van az Ethernet illesztő is, csak a transzformátor és pár ellenállás meg kondenzátor kell hozzá és mehet a hálózatra.
Az első linken levő stack már igencsak régi, már valami 5.x-nél tart a verziószámozás. |
Bejelentkezés
Hirdetés |











