Fórum témák
» Több friss téma |
sziasztok
nem tudom jár -e még ide valaki, de hátha Szeretném megépíteni ezt a kapcsolást . Viszon nincs tapasztalatom a PIC-ekkel. Még égetőm sincs De szívesen építenék egy égetőt is amúgy sem ártana. Programozni nem tudok de ahogy látom a .hex fájlok megvannak így elvileg azokat csak be kéne égetni a PIC-be. Szóval visszatérve az égetőre... Nekem már nincs LPT port a gépen így vagy USB-s vagy Soros portú égetőt szeretnék építeni ami viszonylag sok féle PIC-el "elbánik". Légyszíves segítsetek nekem! Előre is köszönöm mindenkinek a segítséget!
Ilyet csináltam én is.Nagyon hangulatos.Igaz én másik kapcsolással.Ha kell segítség keress meg PÜ-ben.
Üdv:Travolta
Adatlap alapján tudsz keresni hazai megfelelőt.Egyébként tessék.
köszönöm
az elektrokonthát és a HE-storét néztem ott nem találtam
sziasztok
Megépítettem ezt a kapcsolást, de valami nem teljesen kerek vele. Az egészséges, hogy ha nincs belerakva PIC akkor is világitanak a ledek?
Persze. A fetek gate-je lóg a levegőben és összeszed mindenfélét. Szerintem a PIC nyitja-zárja.
Sziasztok!
Megépítettem az ezen az oldalon található mindkét kapcsolást, kipróbáltam mindkét hex fájlt is hozzájuk , de nem működik nekem sehogy sem. Sőt, pár oldallal előrébb van módosított változata is, de az sem működik nálam. Kipróbáltam azt is, hogy a15-16-os lábak közé quartz-ot raktam a kondikkal, de ez sem vált be. Valaki tud esetleg tutira működőképes rajzot hex-szel együtt? Köszi
Ezeket beállítottad a programozóban?
IntRC I/O = Enabled PWRT = Enabled BODEN = Enabled MCLR = Disabled Rest of fuses = Disabled
Ezeket hol lehet beállítani?
Figyi ez az Ic Prog-ra vonatkozik szerintem. Nem?
Helló
Én Parallel Port PIC Programmert használok, ezen hol lehet azokat a beállításokat megcsinálni, amiket írtál? Hali
IC-Prog és ProPIC2-ben be lehet állítani.Az álltalad használt programban nem találtam.
Esetleg ha Watt kolléga tudna benne segíteni.
Helló
Köszi a segítséget. Lenne még kérdésem! Felraktam az IC-Prog-ot, de ezen annyi féle beállítás van, hogy nem tudom használni! A gyári beállításokon kell módosítanom? OSHON féle égetőm van! Amiket írtál, hol lehet beállítani? Köszi Hali
Itt vannak a képek,hogy hol lehet beállítani.A 2.es képen a jobb oldalon található egy FUSES: felirat.Az alatta lévő kockákat kell megfelelően bepipálni.A képen lévő beállítás nem fedi a neked megfelelőt!
Az 1.képen lévő beállítást viszont úgy kell csinálni,ahogy a képen van.Tehát a VCC és MCLR invertálva kell h legyen!
Ja és az elfelejtettem,hogy jobb felül van az oscillátor fül.Ott tudod kiválasztani az osc. típusát.
Helló
Itt vannak a képeken a beállításaim, de nem programozza fel a PIC-et, hiába kattintok rá, semmit sem csinál, csak azt írja ki, ami a 3. képen van és ott megáll! Nincs esetleg másik használható RGB Led vezérlő, amit a másik programozóval is meg tudnék oldani? Köszi Hali
Milyen OPrendszert használsz?Elképzelhető,hogy valami nincs jol beállítva.ICProg beállítás
Helló
Nagyon szépen köszi a segítséget, sikerült beállítani mindent. Be tudtam égetni a progit a PIC-be és működik is frankón! Most, hogy működik minden, kipróbálgatom mindegyik kapcsolást meg hexet, hogy melyik a legjobb! Nálad megvan építve valamelyik? Mégegyszer köszi Hali
Igazán nincs mit.Azért vagyunk.Én a 12f629-es verziót építettem meg,1db piranha led-del és IKEA lámpába.
Helló!
Annak az IKEA-s lámpabúrának mi a lényege? Az vmi speciális anyagból van, vagy csak annyi az egész, hogy tejüveg? Azért kérdezem, mert amilyen RGB ledem van, az nem teljesen egy helyre vetíti a három színt és így normálisan nem is keveri össze őket. Arra gondoltam, hogy az üveg miatt tud mindenféle színt szépen kikeverni! Nem tudom, hogy jól gondolom-e! Hali
Helló mindenki!
Egy olyan kérdéssel fordulnék hozzátok, hogy hogyan lehetne azt megoldani rgb leddel, hogy egy autó kilométerórája kéken világít, amikor a mutató eléri a 70-et elkezd pirosodni, amikor 100-hoz ér a mutató színe tök piros (fölötte is) és amikor visszatér 100 alá kékül, 70-re olyan kék, mint a háttérszín. Erre szeretnék kérni tippeket ötleteket, megoldásokat, mert tanácstalan vagyok a sebesség érzékelő összekapcsolását illetően a vezérlővel Előre is köszi mindenkinek: Csaba
A probléma éppenséggel megoldható, de milyen autóba szeretnéd, milyen jeladó van a gépmadárban, hozzáférsz-e valamilyen jelhez? Először ezt kell kideríteni.
Na megvan az óra, mechanikus, tehát nem tudom, hogy elektronikus jelet ki tudeok-e belőle szedni... Még nem szedtem szét de majd sor kerül rá. Meg lehet ezt egyáltalán oldani?
Üdv: Csaba
Ha valahogy rá tudsz szerkeszteni egy jeladót a rendszerre, akkor már nem nehéz a dolog.
Szia!
Ha van analóg jeled akkor egyből, ha impulzusok vannak, akkor integrálás után szerintem valamelyik egyből meghajtja: http://www.iled.freeweb.hu
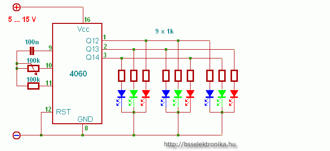
Sziasztok itt van egy kapcsolás ami a ledeket egy 4060-as ic-vel hajtja meg.
Sziasztok.
Szeretnék a barátnőmnek készíteni egy rgb ledes szivet. 22db ledből áll a szív. Csatoltam az eagle fájlokat. A kimenetet megoldottam, de szükségem lenne a vezérlésre (HW, SW). Inkább AVR, mint PIC, de végülis mindegy lenne. Az IC meg a lehető legkisebb, legolcsóbb legyen, de nem SMD. Azt szeretném, hogy lassan változtassa a szinét, szép átmenetekkel, esetleg egy kapcsolóval lehetne változtatni a sebességet. Tudna ebben segíteni nekem valaki? Előre is köszönöm a segítséget
Sziasztok.
Nekem RGB LED-es kérdésem volna. Néztem a fellelhető topicok közt, de egyik sem így foglalkozik vele. Az lenne a kérdés, hogy ha van 12 db RGB LED-em és 6 féle színt szeretnék beállítani rajuk de úgy, hogy mindegyiken külön belehessen állítani bármelyik színt a 6-ból, akkor milyen áramkörrel lehetne ezt megoldani? Egyelőre elméleti a kérdés, később talán megnézzük gazdaságossági oldalról is.
Szia!
Az RGB led színe a benne levő három led -en átfolyó áramok erősségétől függ. Egy RGB led vezérlésére három vezérelhető áramgenerátorra lesz szükséged. Azonban a szem az átlag fényerőket érzékeli egy bizonyos villogási frekvencia felett (kb. 20 Hz, a kellemes, villogásmentes élmény érdekében magasabb frekvenciát használnak). Az átlagfényerő pedig az átlagáramtól függ. Egyszerűbben megvalósítható a szín beállítás 3 db állítható kitöltési tényezőjű PWM-mel (pulzusszélesség modulátorral). Ahhoz, hogy egy RGB led -en különféle, előre beállított színeket jeleníts meg, a színek számának megfelelő átlagáram beállítást kell tárolni. Ezek közül a kiválasztottat kell alkalmazni... Led -enként egy 8 lábú kontroller meg tudja oldani a feladatot. Már csak a szín kiválasztásának módja a kérdés. Egyik lehetséges megoldás az infra vezérlés, mint a TV távirányítóknál: Pl. Philips RC5. Minden LED kapjon egyedi készülék címet, a parancs kódok lehetnek azonosak minden vezérlőre. Kell építeni egy távirányítót, amin üzemszerűen lehet állítani a készülék címet. De fel is fűzhető a 12 egység egy RS485, I2C, SPI buszra, és a kezelő egység ezen a buszon keresztül tudja egyedileg állítani a színt. Lehet még rádiós és egyébb kommunikációs módszert alkalmazni... |
Bejelentkezés
Hirdetés |














