Fórum témák
» Több friss téma |
Hálás köszönet Korben!
Megpróbálok még ma szerezni ilyen PIC-et és hajrá! Üdvözlet:Travolta
Sziasztok!
Én megcsináltam a 3x1 LED-ed verziót 12F629-es és 12F675-ös PIC-el is viszont a hex fájlba egy kicsit bele kellett piszkálni hogy működjön (ez mondjuk a lapok mélyén le is van írva), de hogy ne sokat kelljen vacakolni ezért mellékelem nektek. Elvileg jó mind a PIC-hez, nekem legalábbis működik.
Tegnap este en is megcsinaltam 12f629-es PIC-el,es a 12f683-as hex filet egettem be.Azzal m1 rendesen.Bar a 3x3-as verzio annyira nem tetszik.
Időközben kiderült, hogy ez is működő képes megoldáshttp://tobe.nimio.info/rgb_mood_light.php.
Csak a .hex égetésénél át kell állítani az oszcit intRC/IO-ra, és a resetet int-re rakni vagy a pipát kivenni az MCRL-ből. Üdv:Travolta
Na szia!
Én megcsináltam így is, legalább már a ledek beindulnak de csak egy program működik.
Szia!
Hat igen,nekem is ugy tunik,hogy nm nagyon reagal a kapcsolokra,de sajnos a program irashoz 1altalan nem ertek.De biztos van olyan kolega, aki segit megnezni a progit, es esetleg elmondja melyik kapcsolom mire valo. koszonet es udvozlet:Travolta ui.bocsi, de a PDAn nincs ekezet.
Azt hiszem marad a próbapanelos verzió, az legalább szuperul működik.
Mondjuk a 12f629-es pic-es kapcsolás szerintem sokkal jobb, látványosabb, mármint a programok terén.
Sziasztok!
Egy kicsit szeretném továbbfejleszteni a 12F629-es kapcsolást, a megoldást már elvileg megtaláltam (ez az) csak az a baj hogy nem működik a PWM része. Ha magát a led drivert rakom össze akkor pedig az ic és a schottky dióda is őrülten melegszik. Lenne valakinek ötlete a megoldásra?
A továbbfejlesztésen 1W-os ledek meghajtására gondoltam.
Sziasztok!
Én egy mennyezetbe épített "égboltot" szeretnék csinálni RGB ledekből... 20 rgb ledre gondoltam, de nem akárhogy :Lenne egy kis vezérlő doboz, ahol lehetne állítani külön az R/G/B összetevőket. Két lehetőség van: analóg/digitális módon. A digitális szimpatikus nekem: minden összetevőnek (r,g,b) lenne 2 db nyomógombja, amivel mondjuk egy 1-7-es skálán lehetne állítani le/fel az áramerősséget. Lenne összetevőnként egy 7 szegmenses kijelző is. Nem tudom hogyan induljak el!? A vezérlő egységet esetleg még összedobom a 7 szegmenses kijelzőkkel együtt, és arra gondoltam, hogy R/G/B-nként adna ki magából a vezérlő doboz 1-1-1 jelszintet, amit továbbadnék egy következő egységnek, amely ebből a 3 jelből vezérelné mind a 20 rgb led egyes összetevőit. De hogyan csináljam azt, hogy a kiadott jelszintnek megfelelően hajtsam meg a ledeket(azon belül is az egyes összetevőket) a megfelelő árammal? Tranyókkal? Hogyan csoportosítsam a ledeket? Mert azt nem tehetem, hogy 1-1-1 nagyobb teljesítményű tranyó viszi mind a 20 led 1-1-1 összetevőjét! Ekkor ha jól sejtem nagyon eltérnének a színek, nem!? Mondjuk 3-as csoportokban kellene a ledeket meghajtani, nem? Hogyan induljak el? Köszi!
hi
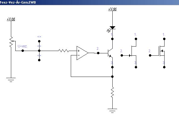
Hadd idézzek: Idézet: „A vezérlő egységet esetleg még összedobom a 7 szegmenses kijelzőkkel együtt” Idézet: „Hogyan induljak el?” .... kep1: az egészet egy MCU val vezérled, a ledeket pedig PWM el. kep2: Digitális és Analóg áramkörökből építed fel, a MUX kimenete után lehet rakni kell egy feszkövetőt. üdv Idézet: „De hogyan csináljam azt, hogy a kiadott jelszintnek megfelelően hajtsam meg a ledeket(azon belül is az egyes összetevőket) a megfelelő árammal?” PL. Ledenként egy-egy feszültségvezérelt áramgenerátorral. Így a vezérlési teljesítmény kicsi, és a ledek sem hatnak egymásra a független áramgenerátorok miatt.
Köszi!
Ez most nekem kicsit új Mi az alkatrészek típusa?
R-be: 1-100K
R-munka: Led max áramához kell méretezni. Tranyó: PL BC337-338 OPA: Valami alacsony tápfeszültségüt. PL: LM393. Vagy esetleg fetes bemenetüt érdemes választani. PL: TL071-074. De lehet, h. az LM324-es is megfelelne.
Elkészült a működőképes prototípus.
Az áramkört itt nézheted meg. Itt pedig az átdolgozott scemát tekintheted meg. Remélem segít egy kicsit ez az áramkör. Vagy marad az inpulzusszélesség vezérléses megoldás.De ez a kapcsolás "villogásmentes"... :yes:
Sziasztok!
Szokás szerint nagy fába vágom(vágtam) a fejszém. A következő lenne amit meg szeretnék valósítani. Sokat kerestem ebben a témában de csak AVR-rel láttam megvalósítva. Számomra csak PICel kivitelezhető lenne a jó, de azt nem találtam. A lényeg: RGB Led ből egy olyan fény építése amit RS232-n lehetne vezérelni. A szín kiválasztva PC-n a ledek meg olyan szinűek. Most sokan néznek, hogy mit is akarok de már van ilyen kész remekmű, de AVR! Jó lenne ha egy ügyes kezű koléga átadoptálná ezt PIC-re. Sztem egy fantasztikus effekt és aki ért hozzá sztem meg is tudja csinálni. Van kapcs rajzom és forráskódom, amit itt találtam EZ A LINKElőre is köszönöm a segítséget, sztem másnak is meg fog ez tetszeni
Sorry. Mégse voltam elég körültekintő.
Van egy ilyen LINK ITT ami használható. De azért ezzel is lenne egy kérdésem. Érdemesebb RGB ledet vagy sima ledet rákötni valamint mennyit lehet szerintetek összessen. Lehet le van írva de már fáradt vagyok és ha ott is van akkor is átsiklottam felette olvasás közbe.
Üdv.
RGB spot, vagy RGB PAR lámba megoldás. Jah, és hogy bonyolítsam a dolgot esetleg DMX vezérléssel.
Hát most hogy kérded: igen.
De ne várd, hogy mindenki beírja, hogy én is, én is
Szerintem ezt a feladatot PIC el megoldani az ágyúzás verébre kategória.
Lehet kapni olyan RGB ledet ami ezt magótol tudja, elég egy ellenálláson keresztül tápot adni neki. Íme: rgb led
Nekem viszont az nem világos ,hogy : elég az az áramkör ,amin a PIC + a 3db fet van ?
Ennyi az egész ,vagy kell a többi panel is ?
Sziasztok,
Keresek vkit aki összerak nekem egy olyan vezérlőt, amivel be tudok állítani 4db led szalag egyedi színét. Opel AstraH műszerfal színét szeretném "kikevertetni". Ez lenne a szalag: Klikk. De ha van jobb megoldás, az is érdekel. A gépkocsiba lábtérvilágításként szolgálna.
Hali!
Remélem nem válaszolok későn. Én a szobámba akarok ilyet, bár nem tudom ugyanarra gondolunk-e. Én úgy oldanám meg, hogy minden szín intenzitását külön potival állítom és egy negyedik potival mindhárom erősségét egyszerre. Kipróbálni csak jövőhéten tudom, mert csak a potik vannak meg, de a kapcsolást felteszem.
Sziasztok,
érdekelne valakinek van-e otlete hogyan valosithato meg az alabbi RGB led vezérlés:http://www.youtube.com/watch?v=xf6DVQuzZag&feature=related. Elmeeletileg kell 3 PWM es a kitoltesi tenyezot kellene rangatni egy fenyorgona savszuroinek a kimenetelevel,de ez hogyan oldhato meg gyakorlatilag?
Sziasztok!
Nem akartam az RGB LEDekkel kapcsoltban új témát nyitni, mert remélem itt is megtalálom a választ. A kérdésem az volna, hogy nem tud-e valaki olyan kapcsolást mutatni amivel megvalósítható az hogy 4db RGB Ledet egyszerre vezérelve működtessünk? A lényeg az lenne hogy a színek automatikusan változzanak. Tehát elhalványul az egyik szín majd következik egy másik és így tovább... Én PIC-el /lehetőleg a 18xxxxx-as sorozattal/ szeretném megvalósítani de nem tudom hogy hogyan kell ezeket a ledeket ilyenkor bekötni, és milyen szubrutint vagy programot kell írni a "szín elhalványulásos" részre? És milyen LEdet érdemes ilyen célra venni? Tulajdonképpen ilyen hangulatvilágítást szeretnék belőle készíteni. Előre is köszönöm: üdv Dávid
Még régebben csináltam ilyesmit, igaz nem tökéletes, mivel a ciklus végére nincs átmenet csinálva az újrakezdéshez, de lehet próbálkozni a befejezéssel, igen amatőr megoldás de működött. 16F877-el csináltam de nem nagy ügy áttenni más processzortípusra. CCS-Cben írtam.
|
Bejelentkezés
Hirdetés |




:


Vagy marad az inpulzusszélesség vezérléses megoldás.
de már van ilyen kész remekmű, de AVR!
Jó lenne ha egy ügyes kezű koléga átadoptálná ezt PIC-re. Sztem egy fantasztikus effekt és aki ért hozzá sztem meg is tudja csinálni. Van kapcs rajzom és forráskódom, amit itt találtam






