Fórum témák
» Több friss téma |
Üdv.
Nos a PLC tipus-át sajnos nemtudom. A történet. A német szerelők megjelentek a cégnél akinél én is dolgozom. Jó pénzért fel szoftverelték a PLC. Adat mentő és feltöltő szoftvert hagytak itt. Az másra nem jó csak hogy mentést csinálj. Ennek a szoftvernek meg csak sysreg number-ja van, amit csak a szerelő cég tudja hogy az egyáltalán mi. Az adatkábelt láttam, semmi extra nem volt. Csak nyákszerelve volt. Minden alkatrészt tisztán láttam. A lényege MAX232N-icé volt.+ a szokásos alkatrészek. !!És utánna kötve egy tranzsztoros kapcsolás. !! 3-4 tranyó és pár alkatrész. Ezt a részét nagyon nem néztem meg a panel-nak.BC182, és ilyesmi volt rajta stb.Táp 5V DC Aztán megrángadták az adatkábeljüket, és rájöttek hogy meg kell forrasztani. Onnan tudom hogy milyen az adatkábel bekötése, és láttam is a nyákot amire be volt forrasztva pár alkatrész. Nem SMD. Sajnos a PLC tipusát a szerelők nem árulták el. (csak ők tudják, biztosan nagy titok ) ![]() Ránézésre valamikor a 80-as évek gyártmánya lehet. Felirat nincsen rajta, nekem is ez a gondom. De annyit sikerül kiszedni a szerelőkből hogy a programozó szoftvert hajlandóak lesznek eladni, de az adatkábelt csináljuk meg magunknak. De még semi nem biztos. És elhúzták a csikot. Rajzot persze nem adtak. Még szerencse hogy ládtam saját szememmel azadatkábelt. A münködési logikáját elmondták az adatkábelnek szerelés közben. A programozó szofvere DOS 6.22 volt . A programozása a PLC nek gépikód-ban irt vagy nagyon hasonló . Nem nagyon néztem meg. Mikor küld a PLC??. Közben nézd a MAX232 Adatlapját. A max 232N (12)-es Lába kimenet Ez eddig tiszta. (A (11)-es láb a adat bemenet lesz) Elmondásuk szerint mikor a PC adatot küld a PLC-felé, akkor billen át a kapcsolás adat küldésre. ( tehát ekkor reteszeli úgy el a 11-es lábat hogy arra véletlenűl se menjen adat.) Mikor megáll az adatküldés, alapállapotban beáll adat fogadásra. (Tehát ebben az állapotban reteszeli el a 12-es lábat, ilyenkor erre adat nem mehet.) (ebből gondolom én hogy tényleg valami egyszrü a megoldása a dolognak, csak én a kötelező adatmentéseket szoktam megcsinálni PLC-nél, Pic-ec nél, nagyon nem folytam bele a programozásukba. ) Nagyjából ennyit tudok róla elmondani. Sajnos több infóm egyenlőre nincsen . A többit a szoftver oldja meg. Egyébként máshova is kellene ugyan ez a magoldás nem csak PLC-hez. Rádió programozásán is már egyszer belefutottam már ilyen problémába. Aztán vettem gyári adatkábelt. 15000Ft-ért. Ha összetudom rakni akkor kerül 3000Ft-ba.
Tippjeim szerint nem reteszel az semmit.Annyit csinál hogy a PLC kimenete kétirányú legyen. Tehát amikor a PLC ad akkor ne terhelje túl a max232 kimenetét (és magasan tartsa a PLC felé menő részét.Amit te keresel szerintem egy autós kiolvasós topicban meg fogod találni (OBD talán).Legalábbis onnét rémlik ilyen max232+néhány tranzisztor elrendezés egyvezetékes adatátvitelre.
Más.Esetleg PLC-s topicot nem próbáltál?
A szerelőktől a programozó program nevét elkéred ,abból már tudható hogy nagyjából mihez való.A google képkeresés funkciója is hasznos lehet (plc képek keresés) a tipus megállapítására.
Tranzisztoros kapcsolásról van szó, tehát nem keresgetem más fele.
Na meg ez a topik nézett ki úgy hogy itt tranzisztoros kapcsolásokkal foglalkoznak. Vagy nem?? A programozó szoftver nevét nem mondták meg. Ha dolgoztál valaha PLC-vel akkor észrevehetted hogy mindenki igyekszik megvédeni a saját megoldásait. Legfőképpen ha német a cég. Mint ahogyan a mi esetünk ben is. Na persze jó pénzért bármit alapon dolgoznak ők is. A gép tipusa PIVANO 2004.De ne tévesszen meg a neve. Gyártási éve ismeretlen.Valamikor a 70-es években gyártották. kép róla.http://www.google.hu/imgres?q=pivano+2004&hl=hu&biw=1103&bih=643&tbm=isch&tbnid=VOBjP9b2goxipM:&imgrefurl=http://cottenauctions.com/TolanPrinting/photopage.htm&docid=hzWHVdCVhHRVgM&w=640&h=427&ei=VrmBTpOeBIrDtAafyci7Dg&zoom=1 Remélem hogy ez a forum nem másolgató emberekkel van tele. Tranzitsztoros kapcsolás méretezése, készitése topic-ka meg még itt nem találkoztam. TTL szintü kommunikáció( MAX232N ) Erre kérnék kapcsolási rajzokat tranzisztoros megoldással.
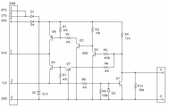
Ezt szeretném megépiteni erre a célra.
A rajzor csatolom. A PLC felöli tranzitsztoros kapcsolást nem tartalmazza.
Itt a megoldás a feltett kérdéshez.
Ehhez a kapcsolási rajzhoz kelet hozzáillesztenem a max 232-es icét. és kész , igy már üzemképes. Bár igaz ezt s trsnzisztoros kapcsolást eredetileg nem PLC-hez fejlesztették ki, de másra is jó.
Üdv Mindenkinek!
Remélem tudtok segíteni, olyan kapcsolót szeretnék építeni, ami egy 12V-os relét működtet, mert 220V-ot szeretnék távirányítással kapcsolni, van egy távirányítós autóból kivett sm6135w IC-vel működő panelem, csak az a baj vele, hogy mivel autóból lett kiszerelve csak addig ad le áramot amíg nyomva tartom a gombot a távirányítón, és úgy szeretném, megcsinálni, hogy megnyomom a gombot megy, még1x megnyomom a gombot nem megy! Remélem tudtok segíteni!
Pl egy D flip-flop - 74LS74 vagy hasonló - megoldja a gondodat.
|
Bejelentkezés
Hirdetés |





Még szerencse hogy ládtam saját szememmel az







