Fórum témák
» Több friss téma |
Köszi!
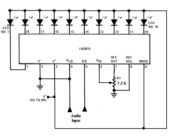
sziasztok megépítettem ezt a VU metert és az a problémám hogy MP3 ról tökéletesen működik Laptopra vagy pc-re dugom akkor meg alig megy fel a Led skála végignéztem az összes ellenálást potméterrel állítottam de hiába
talán túl alacsony a hangkimenet? Bővebben: Link
Hello!
Vélhetően az MP3 fejhallagató kimenetéről hajtod, aminek nagyobb a jelszintje. (nekem nincs ilyenem nem tudom mi van rajta). De a kapcsolásban mindössze két ellenállás van. Az R1 alapvetően a Led diódák áramát állítja be, ezt változtatni nem érdemes. A legnagyobb érzékenység akkor van, mikor R2 poti rövidzárban üzemel. Ekkor a Ref-Out lábon mérhető referencia feszültség 1,25V. Így a 10. Led jelzéséhez a bemeneti feszültség csúcsértékének ezt a szintet kell elérnie. Vagy is kb. 875mV effektív értékű kimeneti jel szükséges a jelforrásnál. Két lehetőség van, vagy előerősítőt/csúcs-egyenirányítót használsz az IC előtt, vagy esetleg a Ref-Out és Rhi lábak közé, egy 10kohm-os ellenállást kötsz. Utóbbi esetben az Rhi feszültsége kb. a referencia feszültség felére csökken, amitől a 10. Led hamarabb, kb. 410mV-nál már jelezni fog. Így LINE szintű kimenet is biztosítani tudja a meghajtást. üdv! proli007
Helló! Kicsit átrajzoltam. Ez segítene Mybuster problémáján?
Hello!
Valószínűleg segítene, de nem tudom meddig lehet csökkenteni "büntetlenül" a referencia feszültséget. Legfőképpen ara gondolva, hogy a belső osztó logaritmikus. Vagy is az első Led komparátor tranyója, kb. a referencia 1/31,6 részét kapja.. üdv! proli007
Ilyet még magam sem próbáltam, esetleg a kolléga beszámol az eredményről. Üdv.!
Üdv!
Végül ezt raktam a VU meterem bemenetére. Ezzel tökéletesen működik. A 10Ks potit úgy kell beállítani, hogy a dióda éppen ne nyisson ki. ( legegyszerűbb az egészet rákötni a vumeter bemenetére és úgy beállítani, hogy éppen ne világítson az alsó LED.) Ezzel kiküszöböltük a dióda nyitófeszültségéből adódó jelszintcsökkenést. Meg azért is jó ez mert a dióda miatt ha halkan szól a zene akkor amíg a jelszint nem üti meg a 0,6 V ot addig semmit nem fog mutatni a cucc. Ez pedig főleg logaritmikus skálánál elég zavaró. Így meg nem kell, hogy 0,6V legyen a feszültség hanem elég ha akkora mint amekkora a dióda nyitófeszültsége - a 10Ks potival beállított fesz. Az 1MOhmos állítható ellenállással a feszültségváltozás lomhaságát lehet állítani. 300K körüli az ideális érték. Jelek pozitív félperiódusai feltöltik az 1µF os kondit az ellenállással meg azt állítjuk, hogy mennyi idő alatt süljön ki. Remélem segít azoknak akiknek olyan problémája akad mint amilyen az enyém volt.
Hello!
Az első poti csúszka és a dióda közé illett volna ellenállást tenni, mert ha valaki a potit minimumra, vagy maximumra csavarja, a végfok (ha arra köti) megköszöni az 1µF-os terhelést. Előfok meg esetleg torzítani fog. (A fordított T betű meg gondolom tápfeszt jelent, mert így nem igazán érthető (nem számomra), hogy nincs mellé írva semmi.) üdv! proli007
Igazad van. Gondoltam is rá, hogy leírom ezt, csak ha valaki összedobja ezt akkor azt azért csinálja, hogy kihasználja az előnyeit akkor pedig nincs értelme maxra vagy minre tekerni. De le is írtam, hogy hogy érdemes beállítani.
Üdv Gabi!
sziasztok, szeretnék épiteni egy olyan "VU metert" ami hangerőtől függetlenül ugraljon. inkabb egy szobadisz lenne mint VU méter. a lényeg , hogy ha felhuzom a zenét akkor se akadjon ki a legfelső szinten. ötleteket várok, vagy esetleg telyes kapcs rajzot ha valakinek van. lm3915 (3916) os ic re gondoltam .
Szia!
Csinálsz egy kivezérlésjelzőt és bekötöd a hangerőszabályzó elé vagy valamilyen vonalkimenetre. Így a hangerő beállítástól független "ugrálást" kapsz.
ez nem megoldható. nincs semmi jelem hangerő szabályzás elött.
Akkor adj fel minden reményt vagy bontsd meg a zenegépedet.
kosz a biztatást, de annyira csak nem lehet nehéz.
Hello!
Tegyél dinamika kompresszort a kijelző elé. (keress it a fórumon), vagy építsd meg ezt a kapcsolást, ha csak "szobadíszt akarsz".. üdv! proli007
kosz a segitseget.
Sziasztok!
Gondoltam teszek fel egy jó, és működő Vu-meter kapcsit. Ez analóg műszerek hajtására hivatott. A 47K-os trimer-el szépen bekalibrálható a kivezérlés. Kalibrálása: A végfok maximum kivezérlésben, skóp , vagy jól behangolt clipp indikátor segítségével történik. Mégpedig: Műterheléssel illesztve a végfok kimenetére csatlakoztassuk rá a meghajtóáramkörünket majd kalibráljuk be úgy, hogy még mikor az erősítőnk épp nem torzít akkor az analóg műszerünk 0Db-en álljon. Efölötti piros rész már a torzítottságra utal majd. Nagy előnye az lett, hogy nem terhel rá a végfokozatra sem kapacitíve sem Ohm-an. Sok sikert az után építéshez.
Szia! A csúcsegyenirányító kipróbált jó kapcsolás
szia, nincs egy nyák terv ed is ?
jol jönne. picit lusta vagyok ![]() Azt látom az írásodon! Ment is szabályolvasásra való jegyzés számodra.
Köszi.
Nekem szem barátabb az analóg, szép haloványan,-halogén kéken megvilágított deprez műszeres visszajelzés
Valóban nagyon jó kapcsolás lett
Az e-bay -en vannak nagyon szép mechanikus deprez műszerek, csak némelyik horror-áron
Helló! A vonali jel mérését tisztán értem. Amennyiben a kivezérlésmérőt a végerősítő után kötöm be - a műszer tehetetlenségből eredő túllendülést leszámítva - kerülhet a mutató a piros mezőbe?
Hello!
Ez elvileg attól függ, hova van kalibrálva. Ha megnézel egy végfok torzítási görbéjét, akkor látható, hogy van egy pont, ahol a torzítás, már legalább másodfokú hatvány szerint nő. Ha ennek a kezdőpontjára kalibrálod a 0dB értéket, akkor lehet megfelelő. De ettől a pontól kezdve, a kimeneti jel értéke, már nem nőhet jelentősen, hiszen a végfok ekkor már vágni fog. A +3dB pedig már 142% jelemelkedést feltételezne, ami természetesen lehetetlen tápfesz miatt. Mivel a statikus kalibrálással (generátorral-szkóppal) mutatott érték, több lesz, mint zene közben, (pont a műszer tehetetlensége miatt) ezért a beállítás úgy is módosításra kerül az érzékeink alapján. Egy magnóban ahol jelentősége volt a kivezérlés mérésnek, általában nem volt csúcsegyenirányító, így a műszer kb. a jel teljesítményének átlagértékét mutatta, ezért kb. 6dB-el volt érzékenyebbre kalibrálva, mint "szükséges lett volna". Ekkor mutatta ugyan is 0dB kivezérlés esetén kb. a csúcs kivezérelhetőséget. Persze ezt csak átlagoz zenei anyagnál mondható el. Csak éppen egyik sem átlagos, hanem egyedi. Ha valaki pld. a frekvenciaátvitel mérését erre a műszerre hagyatkozva végezete el, akkor becsapta önmagát, mert -6dB-el alacsonyabb szinten mért.. üdv! proli007
Üdv! Köszönöm válaszod!
Nemrég ezen dolgoztam. Nem lehetett parlagon hagyni a deprez műszereket. Az akkori legjobb tudásom szerint, a végfok kimenő jel átlag értékét indikáltam velük. A melléklet szerinti igen egyszerű kapcsolást készítettem el, melyből a C jelű 10µF kapacitást végül eltávolítottam. A kalibrálásban segítségemre volt, hogy az egyik csatorna TDA7293-mal volt szerelve, és a kit eleve tartalmazta a clip ledet. A led felvillanásához állítottam a 0dB kijelzést (pár zenei anyag átlagából). A másik csatornát egyen feszültséggel igazítottam hozzá. Meghallgatás alapján az indikálással meg vagyok elégedve. A skála piros mezejének elérése és az érzékelhető torzítás szorosan összefügg. A "négyszögesedő" jel jobb kitöltési tényezője miatt - durva torzításnál - a műszer eljut a végkitérésig. Az erősítő többedmagával együtt is szokott üzemelni (többnyire nagyobbakkal), így nem tartom rossznak ezt a mérési elvet, mert funkcióját maradéktalanul betölti. A csúcsegyenirányítós VU-mérőt a korábbi felvetésem miatt a végfok elé ajánlanám.
Sziasztok,
200mikroA-es érzékenységű deprezhez keresném a létező legegyszerűbb kapcsolást ami által vonal szintű bemenetről kihajthatom. Tervbe van véve egy 6N2P-EV triódás (oldalanként 1-1 trióda) meghajtó fokozat építése, de ha nem muszály nem bonyolítanám. köszönöm.
Igen, de ezzel a dióda nyitófeszültsége alatti bemenő-jelszint (germánium esetén is már 0,4V) indikálását buktuk. BÁR igaz ami igaz sokkal egyszerűbb mint akár csak egy triódás erősítő fokozat!
Köszi zolibácsi.
Szia. van 2 vu kijelzőm. építettem egy erősítőnek nevezett valamit
tda 2030 ból és egy lm 1036 van előtte hogy hova és hogyan lehetne kötni mert az lm 1036 kimenetén kiakad a műszer és nem csinál semmit!!!! minnél egyszerűbet ha lehet de jót! előre is köszi.
Hello!
A hiba oka, az lehet, hogy egyenfeszültség van ott, ahova a kivezérlésmérőt kötöd. Tegyél a kivezérlésmérő bemenetére egy soros 10µF-os kondit, ha a második kapcsolást készítetted el. Ha az elsőt, akkor a kondi után egy 1..10kohm-os ellenállást a GND felé. Az majd leválassza az egyenfeszültséget.. üdv! proli007 |
Bejelentkezés
Hirdetés |




talán túl alacsony a hangkimenet?




jol jönne. picit lusta vagyok







