Fórum témák
» Több friss téma |
Fórum » LED-es kivezérlésjelzők
Témaindító: KeserűCukor, idő: Márc 27, 2006
Témakörök:
Attól tartok, az EAGLE nem neked való. Más programmal jobban járnál. Én a SprintLayoutot használom -általában-, és szerintem még nagyon sokan mások is.
Ez egy másfajta program, de van hozzá egy magyar nyelvű leírás, amit véletlenül éppen én írtam. A saját témájában megtalálod.
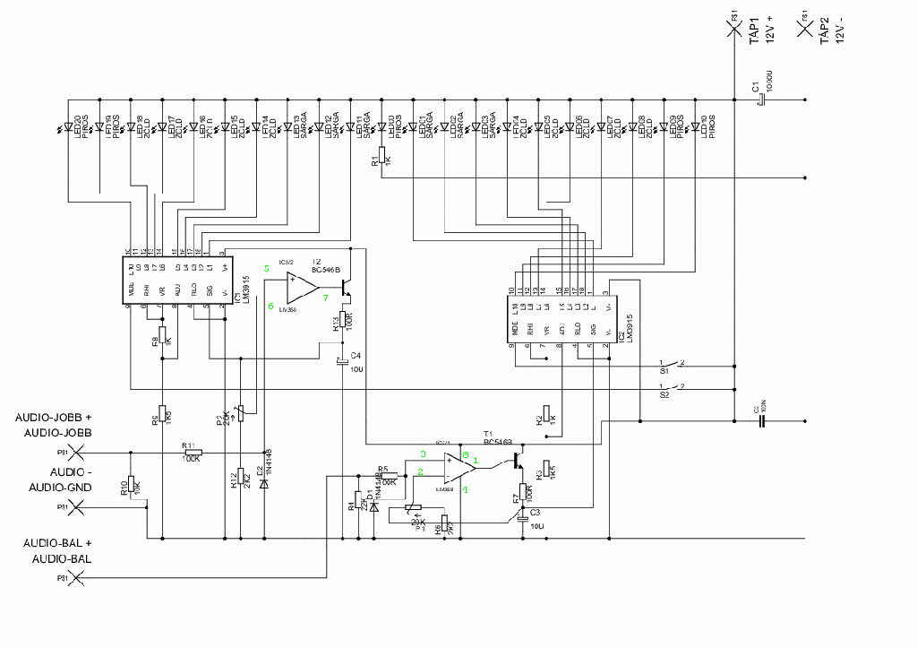
mivel az lm358-nak fizikálisan 8 lába van,ezért vélhetőleg jóaz eagle,és szimpatikus is, csak nem megfelelő a tudásom, ezt belátom. A rajzon az ic4 bekötésében kéne help...
egyébként néztem a sprint layoutot is,, de abban nem találtam keresőt a macro-kközött, így nehezebb megtalálni az alkatrészeket....
Ha mondjuk Sprint Layout-tal rajzolnám, akkor gondolom ugyanez a kérdés állna fenn, hogy a Sprint Layout által lerajzolt lm358-nak 8 lába közül melyikre kössem a rajzon lévő ötöt...
Megalkottam Eagle-ben, nem hagyott nyugodni, talán rá is jöttem az LM358 mottójára
![]() Legyetek szivesek nézzétek át, ha van benne hiba, akkor javítom! Köszi!
Egy vezeték hiányzik az r13-C4 és az IC1 5ös láb közül így első ránézésre.
Arra gondolok, az zavar meg téged, hogy mindkét műveleti erősítőnek rajzoltam tápot. Azért készült így a rajz, mert mikor csináltam, akkor még nem dőlt el, hogy mindkét oldalnak külön tokozású opát tervezek-e a panelre, vagy egy közös duál lesz hozzájuk.
Ha te a duál irányba mozdulsz el a tervezéssel, akkor értelem szerűen csak az "egyik kap tápot", mert tokon belül ez már közösödik a másikkal.
Beszámoztam a rajzon a tokozást.
Helló!
Ha nem tudom a led nyitófeszültségét mi a teendő ki lehet mérni? Köszi.
Köszönöm!
Közben már rájöttem, hogy az LM358-ban gyakorlatilag 2-szer van benne az a műv. erősítő, csak én úgy álltam neki, hogy megcsinálgattam magamnak saját lbr-be a használandó alkatrészeket, meg szépen elnevezgettem, stb..., hogy ne legyen benne mindenféle, amiről azt se tudom, micsoda. (Nem tehetek róla, rendmániákus vagyok ) Amit a sajátba megkreáltam, annak persze öt lába van a sematikus rajzon, viszont 8 lába van a nyákon,amiből persze 3 üresen van. Ebből raktam fel a sematikus rajzra kettőt. Ha jól értelmezem a dolgokat, akkor eredetileg az LM358-ból 1db kell(ene), nekem viszont 2 választásom van, vagy 2 db-ot rakok, amibőlmindkettőnek csaka felét fogom használni, vagy átrajzolom az alkatrészt az lbr-ben...Ha mindkettőnek csak az egyik felét használom (tehát ha 2 db LM358 van a rajzon), akkor jó a bekötés? Mindenképp átszerkesztem az lbr-t, csak tudni szeretném, hogy jól értelmezem-e a dolgokat...
Szia, igen 2 van 1 tokban, ha a nyákrajzon a lábkiosztásodat ennek megfelelően tervezted akkor működni fog.mellékelek egy képet hogy is néz ki a felépítése. Mellesleg lehet 2-t is használni csak felesleges plusz költség.
Azt hiszem, akkor tényleg értem
![]() Köszi!
Léteznek olyan DIP8-as tokozású műveleti erősítők, amikben csak egy erősítő van. Ezek lábkiosztása eltérő.
Illetve léteznek úgynevezett duál kialakítások, ahol meg 2db erősítő van a tokban. Ezekből ha akarod kihasználod mindet, de ha akarod, akkor csak az egyiket. Ilyenkor a használaton kívülinek a lábait össze lehet kötni egymással. Bizonyos esetekben olyan panelt célszerű csinálni, amiben külön vannak, máskor meg a duál a jó választás.
Megcsináltam a megbeszélt módon, most már jónak kell lennie! Én is beszámoztam a rajzon, hogy az ic melyik lábára mi megy. Megnéznéd? Esetleg a rajzon nincs más hiba?
Köszönöm!
Bocsánat, csak most vettem észre, hogy a korábbi képnél valami nem stimmelt, hiányoznak belőle vonalak (akarom mondani vezetékek). Valami gond volt, az Irfan View nem szerette a pdf-et
![]() Itt a kép, remélem stimmel, ha van benne hiba, kérlek szólj(atok), mielőtt elkészül a panel! Thanks.
Szia! Alkotó mester már lerajzolta Neked. Szerintem nem érti senki mit is szeretnél még? Ha Te újra rajzolni szeretnéd már van mivel össze hasonlítanod. Ahhoz már nem kell a segítség. A helyedben inkább neki fognék a nyákot tervezni. Nem fordítanák ekkora energiát a rajzolásra hiszen kaptál egy korrekt jól értelmezhető kapcsolási rajzot.
Szerintem is. Én is figyelem a topikot, de nem értem. Ott van Alkotó működő, rendesen megtervezett kapcsolása, nyákrajzot is lehet hozzá keríteni, tényleg nem értem...
Lehet, hogy nem voltam egyértelmű
![]() Az általam feltett *.pdf fájl Eagle-ből lett exportálva, tehát általam készített sematikus rajz, amiből ugye Eagle-vel 2 kattintásra (meg némi huzkodással) nyák lesz. A kérdés az, hogy az általam készített rajzon minden stimmel-e Alkotó által feltöltött rajzzal (akinek mellesleg ezúton is köszönöm a hozzám való türelmes és segítőkész hozzáállását). Ha igen, akkor nyert ügyem van, csak más hibáját mindig könnyebb megtalálni, ezt a dolgot most előnyösen szeretném felhasználni
Annak az embernek, aki még soha nem tanult elektronikát, és megpróbálkozik dolgokkal, mert szeretné a tudástb elsajátítani, annak szüksége van erre, hogy maga rajzolja meg. Egyrészt megismeri a programot,másrészt tanul a hibáiból.
És ha már van egy ilyen (nem mellesleg korrekt) fórum, akkor miért a legvégén tanuljak a hibámból? Az amúgy is többe kerül anyagilag is,meg időben is.
Ha sikerül ez a kivezérlésjelző, akkor van egy használaton kívüli autósrádióm, ami elég korrekt (van cd, mp3, usb, kártyaolvasó, meg távirányító is), rákötöm,és beüzemelem a műhelybe
![]() Tényleg: hogy ne keljen akkuról mennie, ahhoz jó egy 12V-os adapter mondjuk? Esetleg pc táp?
Bátor vagy,hogy kezdésnek egy kivezérlés jelzőt építesz! Általában valami egyszerűbbel szokott kezdeni az emberek nagy többsége. Egy adapter megfelel szerintem ha stabil a kimenő feszültsége és megfelelő a belőle kinyerhető áram erősség is a biztonságos működéshez. A helyedben inkább az akkumulátoról működtetném ezt is ha a rádió arról működik ,úgy biztosan jó lesz.
Ezt most dicséretnek veszem
![]() Az a gond, hogy az akksi nem adott, kézenfekvő lenne egy adapter (van pár fajta), csak nem tudom a rádió amper-igényét. Majd holnap ránézek. Idézet: „...sematikus rajz, amiből ugye Eagle-vel 2 kattintásra (meg némi huzkodással) nyák lesz...” Ha így lenne, akkor szinte mindenki tudna JÓ panelt tervezni, de valójában ez a képesség nagyon kevesek sajátja. Az EAGLE sokat tud, és sokan használják sikerrel, de olyan egyéni sajátosságai vannak, amik viszonylag szűk lehetőséget hagynak a gondolatok szárnyalásának, pedig éppen ettől lehet esetleg kicsit jobb egy "fejjel" tervezett panel. Nekem olyan koncepcióm van, hogy igazából a nagyon bonyolult, és elsősorban digitális technikában használatos panelokhoz ideális, de a hangtechnika nem ilyen, az nem egy szögletes kocka, hanem inkább egy amorf gyurma. Lehet érvelgetni mindkét álláspont mellett, de szerintem még akik használják is egyet értenek velem a lelkük mélyén.
Én viszont azt gondolom, hogy laikus kezdőként nagy segítség, mert egyrészt nem ismerem a szabványokat, és szokásokat, mit hogyan kell, vagy illik, másrészt gyorsítja a nyákterv készítését. Persze ez az én szintemen igaz ami alig van a nulla mellett-most már talán a pozitív irányban
"Rápislantasz" a rajzomra, hogy ok-e? Az ic lábait is beszámoztam, remélem ok.
Nem. Ellenőrizd magad. Én feltettem a saját átrajzolatomat.
|
Bejelentkezés
Hirdetés |












