Fórum témák
» Több friss téma |
Fórum » NYÁK terv ellenőrzése
Akkor most szeretném ha valaki megnézné
![]() Köszönöm!
Van amit beültetés oldal felől terveztél és van amit fólia oldal felől. Mindent beültetés felől szoktak tervezni. Vagyis az alkatrészek feliratait nem visszafele kell olvasni. Amik olyan lilás színűek azok két oldalas nyákhoz vannak! Az a legegyszerűbb ha légkötéssel kötöd össze, aztán auto-route-olod!
Szerintem mindent beültetés felől terveztem, a legvégén jelöltem ki az egészet és horizontálisan tükröztem.
Akkor így elvileg oks? Most nincs tükrözve semmi. És akkor ezt így kell kinyomtatni, vagy tükrözve?
Köszönöm
Majd akkor meglátjuk hogy sikerül, ha megjön a csomagocska a HES ből
Üdv!
Erre is ránézne valaki hogy jó-e? Köszönöm!Nem tudom hogy ilyenkor is kell -e a LED-ek elé előtét ellenállás? 9V-ról szeretném üzemeltetni, és mikor összeraktam próbapanelen, és beraktam egy 500 ohmot a ledek elé már épphogy pislákoltak. Meg 9V nál az ne555 egy picit melegszik, nem vészesen. De azt néztem a katalógusban hogy 70 °C ig bírnia kell. Ja és akkor ha vasalással akarom majd csinálni, akkor semmit nem kell tükrözni rajta ugye? Előre is köszi!
Üdv! Mi az a háromlábú (gnd out in) a nyák baloldalán? A 24 led áramát közvetlen az 555 szolgáltatja?
Ott a baloldalon az egy sorkapocs elvileg. Onnan le lehet venni majd az NE555 kimenetét, ha szükséges lenne máshoz. A pozitívra meg a pozitívot kintről, a gnd-t szintúgy. A LED eknek a pozitív fele egyből a pluszban van a negatív (lapos) felük meg az ne555 kimenetén. Van ott 2 forrasztási pont, 2-es számmal jelölve, azok felül lesznek összekötve vezetékkel, az 1-esek szintúgy.
Szerk: Sima kettes sorkapocs hol van a Sprint Layoutban? Nem találom
Értem, a terv működő képes. A sorkapocs után itt érdeklődj.
Javaslatok: három ledet köss sorba, és ebből nyolcat párhuzamosan. Sokat javít a hatásfokon. Ehhez 22-47 ohm előtét ellenállást ajánlok az 555 kimenetére. A vezérlő áramkört helyezd el a led ábra belsejében, van ott hely elég.
Köszönöm az ötletet és a segítséget. Átalakítom úgy, ahogy javasoltad
Üdv, megint én
![]() Megnézné valaki, hogy működne-e ez a nyák? R1,2=2,2 k ohm R3,4= 100 ohm R5,6=1 k ohm C=1 nF C2=100uF Köszönöm előre is!
Hello!
A kapcsolási rajzot is feltehetted volna, hogy az elvi hibákat, ne a nyák alapján tudjuk csak kikeresni. De az 1-3-5 Led-ek katódja össze van kötve, de onnan nem megy sehova. De egyébként is kusza a dolog. 1-3 és 4-6 dióda, párhuzamosan van.. üdv! proli007
Bocsánat, a kapcsolási rajz tényleg lemaradt.
Most csatoltam azt is meg javítottam a nyák tervet. Így remélem jó.
Sziasztok!
Igaz nem nyák hanem kapcsolás, de mielőtt továbblépnék kérlek titeket nézzetek rá. Hátha valamit nagyon elrontottam... Köszönöm!
Hello!
Ha png-ben mentenéd le nem gif-ben, akkor még látszanának is a vonalak. üdv! proli007
Sziasztok. Találtam egy kapcsolást ill. Nyák tervet amire szükségem lenne de enyhén szólva csúnyácska.Valaki tudna belőle valami "pofásabbat" csinálni?Előre is Köszönöm.
Egy szépséghiba javítására való ötlet: amit a teliföldre akarsz húzni, azt forrpontot jelöld meg egy kattintással, majd a teliföld vastagságát húzd le rajta 0,0-ra
!
Tessék itt a nyákterv.
Nagyon szépen köszönöm.Megfogadom jani@ tanácsát.
Szia
Sziasztok!
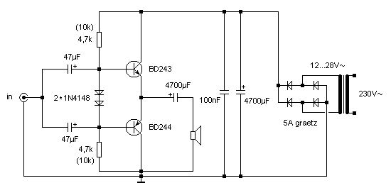
Az lenne a kérdésem, hogy az alábbi végfok nagy eséllyel működni fog-e. Próbapanelon már működött szépen ahogy kell, de az első maratás után elég sok apró hibát vettem észre utólag amiket kijavítva se vergődtem zöldágra. Mindenféle kritikát szívesen fogadok mit nem úgy érdemes ,ahogy csináltam és ha a végfok részével rendben lennék akkor majd rajzolok hozzá előfokot. a rajzolat felülnézetből készült, tehát az alkatrészek oldaláról, néhányan ezt is kritizálták, szerintem sokkal praktikusabb és én így tudok rajzolni úgyhogy sry. Előre is köszönöm a segítséget, íme a rajzok minden formában.
Udv.Kivancsisagbol megkerdeznem mekkora kimeno teljesitmenye van ennek a kis kapcsolasnak?
Kellő hűtéssel, 30V körüli tápfesszel 20W-ot képes elvileg. Én körülbelül 20V-on próbáltam ki (monoban) elég szépen megszólalt már úgy is, a hangja meg egyszerűen hihetetlenül tiszta, ezután a pioneer végfokomat kínszenvedés volt újra bekötni.
Szia! Az egyik csatorna nem kap pozitív tápot. A testet - ha gondolod - vezesd a kimenetekhez. Ez sem árt: Bővebben: Link
A kimenetet azért hagytam szabadon, mert oda jönnek majd a hangszórók. Biztosítékot teszek be, a +táp elkerülte a figyelmem, köszi szépen ! A földelést illetően ez így korrekt megoldás? Illetve abban az esetben ha az előfok és egyéb kiegészítő áramkörök földjét 1-1 vezetékkel ráhúzom erre a csillagpontra fűzhetek némi reményt ahhoz hogy megszólaljon a végfokom?
Működni fog. Azért rajzolj nagyobb csillagpontot, ha ennyi mindent kötsz bele. A kondi és az egyenirányító közötti vezetősávból ne indíts testet, a jobb oldali kollektorra vezetés nem az igazi. Húzd lejjebb a puffert és lesz helyed bőven.
Sziasztok. Átt tudnátok nézni nekem a csatolt nyáktervet? Köszönöm.
Szia! A 10 ohm és 100nF-ot rakd el a bemenettől, mert a gerjedés "bele van kódolva".
A test vezetője legyen szélesebb, elfér. Még két csinosítást jelöltem.
Kösz szépen. Átthelyeztem a RC tagot.
Kicsit majd még csinosítgatom
Sziasztok kellene egy pic programozó és a watt félét néztem ki amihez szeretnék nyákot csinálni,készítettem egy rajzot ha lennétek olyan kedvesek átnéztétek hogy jó e így?
Tudom hogy a kapcsolók nincsenek beletéve de azt sajnos nem tudtam hogyan kell. Az LPT porthoz pedig vezetékkel akarom megoldani így nem rajzoltam bele. |
Bejelentkezés
Hirdetés |















