Fórum témák
» Több friss téma |
Sziasztok.
Egy olyan kapcsolás keresek ami az ipari porszívókban van. Bedugott gép inditására a porszívó is elindul és Gép leállítás után még 20-30 másodpercig megy a porszívó. 2-3 kW-ot birnia kéne a kapcsolásnak.
Ez ( vagy egy gyári master slave konnektor ) meg egy ipari időzítő megfelelően bekötve.
A slave helyére annak a bemenetét kötöd,valamint a megfelelő üzemmódot választod.A kimenetére meg a vezérelt gépet. Esetleg egy optocsatoló sorba a fogyasztóval pl ez alapján És az opto kimenetével egy monostabilt indítva ,a kimenetére meg a megfelelő telj fokozat.
Üdv!
Kész relé esetleg nem jó! Itt van például egy. Szerintem bármelyik villamosági boltban kapni. Ilyen kikapcsolás késleltető relét. Talán nem is drága bár kitudja
Köszi ez müködhet ugy látom...
elég egyszerü... kimenetre kötve egy nagyteljesitményü relé ami birja a 3kW-ot... az idözitést meg lehet valami 555-ös megoldással késleltetem... elméletben jonak tünik a másik se rossz, de abban trafo meg minden.. Nem fér el a készülékben... csak ha mellészerelek valami dobozt. Az idözitöreléknek van áruk.... ha jol emlékszem láttam hasonlot elosztoban. de már nem emlékszek hogy hol... de utánanézek a boltban van-e olyan ami terhelésre bekapcsol....
Ezt most nem értem .A triakos dologhoz nem igazán tudsz egyszerűen késleltetést készíteni,mert nincs hozzá táp.Ha 555 tel akarod megoldani akkor egy segédtáp mindenképen kell .A triakos kapcsolás csak master-slave re használható .Esetleg egy 220 V -tal indítható időzítő vezérlésére.Esetleg ezt ha kicsit kipofázod jó lehet.
Köszi.
Kicsit el vagyok havazva. kiprobálom a kapcsolásokat majd !
Sziasztok,
Hasonló terveim vannak nekem is. Van egy ipari porszívóm, amihez szeretnék egy szerszámgéppel vezérelt ki-be kapcsoló áramkört. Létezik az én gépemnek gyárilag ilyen vezérléssel épített verziója, annak a kapcsolását mellékeltem. Próbáltam egy sima kapcsolórelével megoldani, aminek a behúzótekercséhez menő vezetéket a slave aljzaton vezettem keresztül. Ilyenkor a szerszámgép kapcsolója már vezérelte a relét, de az aljzatra már nem jut vissza a 230V, hanem jóval kevesebb, ami már nem elég a gépnek. Nekem valami nagyon egyszerű vezérlés kellene, a késleltetés sem fontos. Megköszönném, ha kaphatnék valami segítséget, én nem értek hozzá eléggé.
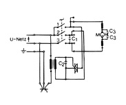
Elég pici a kép, nehezen olvasható és nem egyértelmű. Ha nagyobban látnánk, talán még a működése is kiderülne. De ez a triacos módszer nem az igazi.
Sokkal egyszerűbb a bekapcsolt gép egyik fázisáról lehozni egy diódát, ami előtéten keresztül behúzatna egy relét. Kis kondenzátorral simítani kellene, de késleltetés méretűt nem tennék bele. Elvben tetszőleges mennyiségű gépről üzemeltethető.
Sajnos csak ilyen méretű képem van a Bosch PAS 1000 F vezérléséről. A rajzon az az elem nem triak?
Nekem elvileg elég lenne, ha simán behúzna a relé, akkor már tudnám kapcsolni az elszívót. Ha közvetlenül a jelenlegi főkapcsoló után kötném vissza a kapcsolt feszültséget, akkor az eredeti simítás is megmaradna.
üdvözlet meg szeretném építeni az ön által adott kapcsolási rajzot de sajnos nem értek annyira hozzá hogy tudjam milyen tipusu diódát és milyen értékű kondenzátort ill. ellenállást kellene használni ha ezeket feltüntetné a rajzon azt magyon megköszönném. tisztelettel egy asztalos
Én közben kutakodtam, kísérleteztem és építettem egy kapcsolást. Vagyis kettőt, mert az első az pontosan a mellékelt rajz alapján készült amiről kiderült, hogy nem alkalmas akkora terhelésre, amire nekem lenne szükségem. Konzultáltam egy villamosmérnök ismerősömmel, aki megnézte, letesztelte a kész kapcsolást. Azt mondta, hogy alapon egy jó elektronika, de igazán néhány száz wattra elég a master kör. Nagyobb teljesítményhez ezek a diódák és ez a triac nem elég, a diódák elszállnának.
Kaptam tőle jó combos 6AIO DC diódákat és egy masszívabb tokozású, nagyobb triac-ot - M1661P. Ezek már simán elbírnak 6A-t is, és 600V-ot. A triacot hűtőbordára szereltem. Ezeknek az alkatrészeknek a lábkiosztása más volt, így újra kellett építenem az egészet. Mivel esetenként elég nagy áram folyik át a master körön nem javasolnám a simán maratott panelt. Én csak az alkatrészek lábánál hagytam egy kis fólia kört, így forrasztással masszívan rögzíthetők. Utána lábtól-lábig szigetelt 1,5mm-es rézkábellel kötöttem be. A gyári, perforált szerelőpanel sem alkalmas, mert ott a fóliaszigetek között nincs megfelelő védőtávolság. Szépen működik a kapcsolás. Én egy 1600W-os géppel teszteltem - elvileg 2kW-ig bírná a gyűrődést. Működött rendesen, bár a diódák egy idő után elég rendesen izzadtak. Tudtommal 125°C-ig bírják, emiatt az esetleges túlterhelést "kézrátétellel" megítélni nem lehet, mérni meg nem mértem. Elvileg nagy katasztrófát nem okozhat a túlterhelés, max. elszállnak a diódák. Ezért szakértő barátom azt javasolta, hogy inkább a Bosch eredeti megoldását kellene követni (rajz néhány bejegyzéssel feljebb), ahol egy tekercs primer köre sorba van kötve, a szekunderben indukálódott fesz kapcsolja a triac-ot. Nincs melegedő dióda, egy megfelelő előtét kondival egy minimális késleltetést is el lehet érni, így indításkor nem egy pillanatban rántja meg a hálózatot a gép és az elszívó, ami együttesen akár 3kW-is lehet. Ez a módszer jóval nagyobb terhelést is elbír. Ehhez egy olyan trafó kellene, ahol van annyi hely a vasmagon, hogy néhány menet vastag, szigetelt vezetéket lehetne tekerni. Ez állítólag elég lenne a triacnak. Mindenesetre most beépítem ezt a diódás elekronikát és ha találok megfelelő tekercs donort, akkor megcsinálom ezt a kapcsolást.
Sziasztok
Az lenne a problémám ,hogy van egy porszívóm amin van egy dugalj egy bármilyen gépnek. Ezzel a dugaljal szeretném vezérelni a porszívó ki be kapcsolását,tehát ha pl. bekapcsolom a dekopirt akkor bekapcsolja a porszívót ha ki akkor ki kapcsolja.. Ehez lenne szükségem valami minél egyszerűbb megoldásra.rídrelével próbáltam de az nem jó. válaszotok előre is köszi.
Szia, giddy! Megkérdezhetem, hogy mennyi idős vagy, netán van-e érettségid, van-e elektromos végzettséged, tudod-e mit jelent, mi az a magyar nyelvtan? Egyébként egy régi, sajnos nem tudom, melyik számban, Hobby Elelektronikában volt egy hasonló dolog. Üdv.: Yoe
Köszönöm válaszod. Remélem tudtam segíteni.
Master-slave elektronikával tudod megoldani. Én építettem egyet néhány éve, ipari porszívóba raktam be. Ha nem akarsz, vagy tudsz építeni, lehet vásárolni olyan elosztókat amik tudják ezt. A "master" aljzatba kell dugni azt a készüléket, amivel kapcsolni akarsz, a "slave" aljzatokba meg azokat, amiket a vezérgéppel kapcsoltatnál.
Közel öt év alatt csak megoldotta. Vagy ha nem, hát nem is fontos.
****Ezt aztán jól benéztem
)Most cseszegettem a profilomat, mert nem jöttek meg a visszajelzések és valamiért kilistázta ezt a topikot, mint friss hozzászólást. Én meg zsigerből válaszoltam. Még azt is utána vettem észre, hogy ott van lejjebb a sokéves posztom. Pont azt a kapcsolást akartam belinkelni. Volt egy kis gond a ritmusérzékemmel ![]() Vagy nem mobilról kellene fórumozni, akkor normálisan látnék mindent ![]() Ez nem kocsma, és nem is a Facebook. Itt elvárjuk a kulturált szóhasználatot! A hozzászólás módosítva: Jan 15, 2017
Sziasztok!
realme Techlife robot porszívóval "vívok", a WiFi-vel nem bírom összekapcsolni. A mobilon végigcsinálom az összekapcsolási procedúrát, de a hálózat és a jelszó megadása után nem történik semmi, csak a köröcske forog. Előre is köszönöm a segítséget. ui.: a szervízt egyenlőre nem értem el, de próbálkozom
Nem igazán ez a topic a neki való, de...én klímával jártam hasonlóan. A gondot az okozta, hogy ugyanaz volt a neve (SSID) a routerem 2,4GHz-es és az 5GHz-es sávjának is. A klíma csak a 2,4-est tudta, de nem bírt kapcsolódni. Kikapcsoltam a routerben az 5GHz-es sávot, rá bírtam csatlakoztatni. Utána visszakapcsoltam az 5-öst is, már nem okozott gondot.
Köszönöm a segítséget. Kiderült, hogy párosításkor "benéztem" a menürendszert, mert az "applikációra" kellett bökni és innentől simán ment minden.
A routeren nem volt engedélyezve az 5 GHz-es sáv.
Szervusztok!
Hozzáértés híján a mellékelt kapcsolást készítettem el egy AZ2280-as relével a tárgybeli porszívóindító-automatika előállításának céljával. A késleltetés nem célom; kizárólag a "feltételes vezérlés" érdekel. Elvárt működés: a "slave" dugaljba dugott – "bekapcsolt" állapotú – porszívó akkor és csak akkor szívjon, ha a "master"-be dugott fogyasztó (pl. fúrógép) ravaszát meghúzom – azaz utóbbi indítására mindkét gép lépjen működésbe. Tapasztalt működés: a "master" (pl. fúró ravaszát) meghúzva kattan a relé és a "slave"-be dugott porszívó az elvártak szerint beindul, ám a fúró motorja meg sem mozdul; gyakorlatilag olyan a fúró, mint egy extra kapcsoló a porszívóra – de nem több. A fúró egyébként jól működik és egyéb "master" géppel is uezt. tapasztalom. Sejtésem, hogy félreértem a relé működését / ill. a vásárolt relével nem megvalósítható, amit szeretnék. Kérdésem: miért nem a fent meghatározott "elvárt működést" tapasztalom, s el lehet-e azt érni egyetlen relé ilyetén v. hasonló közbeiktatásával? Előre is köszönöm segítségeteket.
Van multimétered ? Ha van akkor mérd meg a feszültséget a relé tekercsén , majd a master dugaljon megnyomott ravasznál . A Relé tekercsén esik saccra a feszültség 80-90% a . A tekercs ellenállása jóval nagyobb mint a master motorjáé . Ha ilyen egyszerű lenne akkor nem gyártanának külön elektronikákat erre a feladatra . (Áramrelé néven keress rá)
Szia, köszönöm a gyors választ és a magyarázatot! Mérés híján megnéztem a relé s a fúró specifikációit: a relétekercs ellenállása valóban több, mint százszorosa a fúróénak. Ennek tükrében azt is értem, hogy miért volt egyértelműen rossz megközelítés sorba kötni a "master"-t és a tekercset. Köszi még egyszer!
Ugyanakkor, ha tudjuk mekkora áramot vesz fel a fúrógép üresjárásban, és megbecsüljük hogy mekkora a csúcsáram nagyságrendileg, akkor azért nem egy "agysebészet", mert az alap elgondolásod kifogástalan volt.
Igen van több megoldás de talán a legegyszerűbb a reed relé egy kis menetszámú viszonylag vastag "derótból" készült tekercseléssel , ugyanevvel a kapcsolással .
A hozzászólás módosítva: Jan 9, 2024
Reed relével közvetlenül nem kapcsolunk porszívót, és akkor máris bonyolódik a helyzet...
Idézet: „AZ2280-as relével” Idézet: „porszívó az elvártak szerint beindul, ám a fúró motorja meg sem mozdul;” Hány voltos a relé?? Mert a katalógus szerint tucatnyi fesz. értékben elérhető! Egyébként az AC 12V-os egyednek is túl nagy az ellenállása erre az alkalmazásra! 25 Ohm!! Pár voltos tekercs kellene...
Szia! Neked áramrelére lenne szükséged, olyanra mint pl. a hűtőgépeknél alkalmazott indító relé aminek a tekercse áramfelvétel hatására behúzza a vasmagot amin egy záró érintkező van. Amit most vettél annak a tekercs ellenállása olyan mértékben nagy a fúrógéped számára, hogy meg sem indul a relé tekercsellenállásán keresztül. Az ellenállásuk 25-1500Ω-ig terjed, nem erre a célra találták ki. Bővebben: Link
A hozzászólás módosítva: Jan 9, 2024
Szia!
Ezt úgy is megoldották már, hogy a master körbe betettek 2 db ellenpárhuzamosan bekötött graetz-et, kihagyva a váltó kivezetéseket és róluk egy triac kapcsolgatta be a slave kört. Természetesen lehet kombinálni kis segédtáppal és akkor egy kis késleltető áramkörrel bekapcsolni a triacot a slave kör felé. Ez leginkább arra való, hogy 2 nagyobb teljesítményű fogyasztó indítóárama ne egyszerre terhelje a hálózatot. |
Bejelentkezés
Hirdetés |










