Kedves Fórumozók!
Szeretnék segítséget kérni egy kapcsolás elkészítéséhez. Két db infra leddel szeretném kb
ezt csinálni. Csak a pic helyett logikai kapuk legyenek. És egy számláló ic hez kötném 2 vezérlőjellel. Előre is köszönöm segítségeteket.
Ennek így semmi értelme .
miért ne lenne? egy szobába viágításvezérlésnek lessz. a számláló ic számolja hogy hányan vannak a szobábba és ha 0-nál több akkor fel van kapcsolva a lámpa
Minek van a két optó? A diódájuk állandóan megy...
nem vezérel semmi...
Gondolom, a tokba nem tudsz "belenyúlni",

...
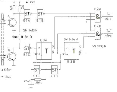
Teszek fel két rajzot, aztán mazsolázhatsz, ha akarsz.
de a rajzot csak találtam a
HE-n és én csak ehhez hasonlót akarok
Nem ilyesmit akarsz?
Ez a másik pl.
ilyenre gondoltam
köszönöm
Bal felső sarokban az eredet.
Az oldalamon van egy
számláló 4510-el és 4511-el. Ez tud felfelé és lefelé is számolni. Ez elé kötöd a ferci által linkelt
kapcsolást és tudod számolni hogy hány ember van a teremben. Diódákkal pedig a számlálóról lehet egy olyan kimenetet csinálni ami 00 esetén H (vagy L).
a számláló rész az már kész szimulációban csak ezzel a résszel voltam bajba. és a diódák helyett
74LS85 ic-t használok