Fórum témák
» Több friss téma |
Fórum » ICL7106/ICL7107
Elég lenne. Ha 4,5 VA, akkor az mindegyik ágban kb 250 mA-rt enged meg maximum.
Valami hasonlót szeretnék csinálni mint a képen.
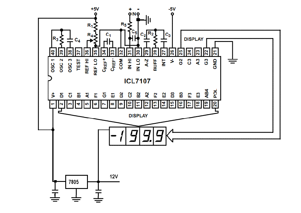
Több kétségem is felmerült a projekttel. A szegmenseket 3mm-es zöld transzparensből gondoltam szegmensenként 4db-ból. Na most itt az első problémám. Párhuzamosan köthetem őket, elbírja az ic? A másik a táp. Sima 12v DC-ből,(akku) hogy tudnék megfelelően stabil +/-5voltot adni neki? Egyébként a képen nem látok semmi plusz ic-t, csak egy sima graetz-t.
Párhuzamosan sok az áramfelvétel, nem beszélve arról, hogy nem egyformák a LED nyitófeszek, ami fényerőben is látható. Sorba kell őket kötni és a DC 12V-ra kötni a szegmensek anódjait. Ez nem okoz bajt, mert egy zöld LED nyitófesze 2V körül van, sorosan kb 8V. Nem aktív szegmensnél sem kap a kimenet 4V-nál többet. A +5V-nak elég így egy 78L05 is, viszont a negatív ágat polaritás konverterrel kell előállítani.
Az eredeti nyilván váltóról megy, ezért a graetz és akkor a negatívot is a váltóból állítja elő.
Kicsit utána néztem.
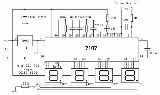
Az áramkör DC9Voltos adapterről működik.(200mA) Hőérzékelője egy LM35Z. Láthatóan nincs semmi plusz ic (gondolok itt a - táp előállitására). Szóval ha egyenáramú 9V az adapter és nincs benne - tápot előállító ic, akkor hogy működhet?..és azaso (25db) led? Sajnos kapcsolási rajzot nem találtam hozzá a neten. UK427 akit neve.
A piros LED másfél V körül nyit, az is 7,5V, tehát 9V DC ről mehet. A negatív tápot - ha nem látszik IC - valószínűleg úgy állítják elő, ahogy én tettem sok évvel ezelőtt: az oszcillátor négyszögjele jelen van a 7107 lábán, erről lehet vezérelni egy tranyót és a négyszögjelet negatív feszkétszerezővel egyenirányítani. 1mA-nél is kevesebb a mínusz ágon a felvétel - ha jól emlékszem. (a +5V előállítása pedig ahogy a rajzomon, a 78L05 TO92 vagy SO8 tokos lehet, az sem látszik.)
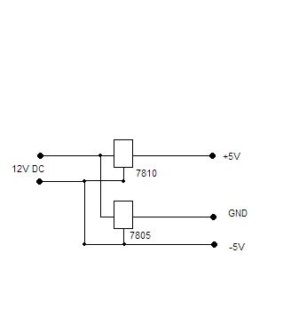
Találtam egy kapcsolást. Egyszerű-nagyszerű. lényegében megvan a +/- táp.
1db 7905 kell hozzá. (meg stabil áramforrás)
Igen, bizonyos alkalmazásoknál ez megfelel. Ennél a mérendő fesz negatívja nem lehet galvanikus kapcsolatban a táppal, valamint a kijelzőnél 3 piros LED-nél nem tudsz többet sorbakötni.
Gondolkodtam, hogy működhet a ledes panelműszer amit ugye 9V DC-ről üzemeltetnek.
Az alábbi táp kapcsolás (szűrőkondikat nem rajzoltam be lustaságból) jó?
Hello!
Így semmiképpen nem. Mert a valós terhelések, az új GND-hez képest jönnek létre, és a +5V így nem terhelhető, mert csak felhúzza a "GND"-t.. üdv! proli007
Értem!
Köszönöm. Lenne még egy kérdésem. A hőmérőmet tervezem, 3db nagy kijelzővel (SA15-11GWA) Mivel a diódás hőmérő kb. -50 -- 150C ig mér, a kijelző ki tudná jelezni, csak azt nem tudom mit szól az IC ha a G3 és POL kivezetéseit rákötöm a 3. kijelző G szegmesére.
Hello!
Vélhetően semmit nem szól, csak éppen az IC csak az első digit nulláját oltja ki, ha annak értéke nulla. (Vagy is ott "1", vagy semmi jelenik meg) A második digitet már nem oltja ki, így értelmetlen lenne a második digit kijelzése ettől kezdve. üdv! proli007
Sziasztok!
Csinaltam egy feszultseg szabalyozhatos tapot 2n3055-el es meg szerentem csinalni ezt a feszultseg merot.Meg van minden alkatreszem hozza csak abban akadtam el hogy latom hogy vannak azok az ellenasok:Rx1,Rx2a,Rx2b.Na ezeket az ertekeket nemtudom hogy milyen tegyek.Valaki tudna segiteni? A tapom o-30-40voltig szabalyozna.Koszonom szepen! Udv.
A rajzon lévő táblázat utolsó előtti sora 200V-os méréshatárra oszt. Ezt javaslom 40V méréséhez.
Gondolj arra is, nem mindegy milyen paneltervet használsz!
Szoval akkor az Rx1=100ohm,Rx2a=100k s az rx2b hez nem kell tegyek semmit.?
Pontosan.
Sziasztok!
Megint en vagyok,megcsinaltam a voltmerot es nekem jelenleg nem megy. Mikor fesz ala teszem akkor csak egy egyes latszik a szegmenteseken. Ujj alkatreszekbol vannak,esetleg vmi otlet h mit szurtam el?
Hello!
Kissé fogalom zavarban vagy. Egy szám a kijelzőn, az egy digit. Egy digit, pedig 7db szegmensből (pálcikából) rajzolódik ki. De nem mindegy, hogy minden digiten egy 1-es látszik, vagy csak az első digiten. Mert ha az utóbbi, akkor túlterhelés van, vagy is túl magas a bemeneti feszültség. Nagyobb, vagy egyenlő, mint 200mV. üdv! proli007
Igen,egy kicsit rosszul fogalmaztam.
Csak ez az egy vilagot meg egy - elotte. De ha a nyakra teszem az ujjama akkor jonnek elle mas mas szamok.
Hello!
Akkor vagy túl nagy a bemenő feszültség, vagy szakadt a bemenet. Vagy is nincs lezáró ellenállás a bemeneti lábak között. üdv! proli007
11V-500mA trafoval probaltam ki.tegyek kissebet?
Biztos nem a trafóval van a baj, inkább próbáld ki amit proli007 mondott.
Kicsitt boveben el tudod magyarazni?
Amugy ha minden jo akkor -000 kellene irjon?
Hello!
Egy multiméter IC-nek bemeneti ellenállása több Gohm. Ha nincs semmire rákötve, akkor "kiakad". Vagy is minden multiméter bemenetére valamilyen feszültségosztó csatlakozik. Kivéve, ha 200mV-ot mérnek vele, de ekkor is kell a bemenetei közé, legalább egy 10Mohm-os ellenállás. Különben a levegőből-kezedről, mindenféle feszültséget-zajt össze szed, és azt mutat amit akar. Zárd rövidre a bemenetét, akkor nullát kell mutasson. üdv! proli007
Nah,megoldodott a problema egy zarlat volt,de meg van egy gondom...Pl ha 9V-akarok merni azt irja 90.Nem teszik ki a pontot.
Hello!
Azt nem is teszi ki automatikusan. Az hogy mit mutat, az a bementi osztó osztási arányától függ. A tizedespont meg attól, hogy hova teszed ki. Általában vagy egy átkötést kell zárni, vagy egy ellenállást betenni a tizedespont és a GND közé. üdv! proli007
Pfuu
Nagyon halas vagyok!Koszonom a segitseget.Esetleg ha betudod rajzolni hogy hava kell tegyek atkotest nagyon megkoszonnem.A voltmerot 0-maximum 50V szeretnem hasznalni!
Hello!
Ha 9V-ra, 90-et mutatott, az jó. Mert a kijelző, maxmum 1999-et tud mutatni. Vagy is 200V-ig mér, és a kijelzés maximuma így 199,9V. Tehát jobbról a második digitnél kell a tizedespontot kigyújtani. Ha a cikket megnézed, a kapcsolási rajzon pont ott van az átkötés berajzolva. (A többi szaggatott vonal). Az R6 ellenállás megy a GND-re, az R6 másik vége, pedig a tizedespontra. Ezt az átkötést keresd jobbról a második kijelző körül.. (Megmondani nem tudom hol van az átkötés, mert én még ilyen kijelzőt még csak nem is láttam..) üdv! proli007
Az Alkotos Voltmerojorel van szo
![]() Ebbe beletudod valahogy rajzolni? |
Bejelentkezés
Hirdetés |

















