Fórum témák
» Több friss téma |
Szia!
Most olvastam végig a fórumot és hasonló problémával küzdöttem. A tapasztalataim a következőek voltak. Célszerű a linearizálást és az erősítést valamilyen analóg elektronikával elvégezni. (egy kicsit számolós dolog, de több csatorna esetén megéri) A kontroller proggit meg érdemes úgy megírni, hogy az A/D bemeneten mérsz mondjuk 25 feszültséget és annak veszed az átlagát, így már egy csomó mérési hibát ki tudsz küszöbölni: konverzióból származó digit ugrálások, és zavarelnyomó képességet is kapsz, mivel a mérés átlaga elkeni az esetleges feszültség tüskéket. Remélem tudtam a kontrolleres proggiban segíteni. Üdv: MaGor
Hello!
Ha valamiben már controller van, illetlenség analóg módon kompenzálni, skálázni, kalibrálni valamit... üdv! proli007
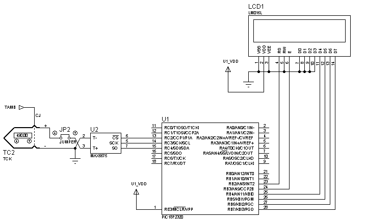
Tudom, hogy nem pont a téma címére adok választ, de a feladatra alkalmas áramkört szeretném megosztani mindenkivel. Nekem jelenleg szimulátor alatt működik. A diplomamunkám egy része volt ez a hőmérő. K típusú hőelemmel oldottam meg a hőmérést. A hőelemet egy MAX6675 áramkör (adnak mintát, amúgy kb. 3000 Ft) illeszti a PIC felé SPI buszon keresztül és a mért hőmérsékletet egy LCD-n jelzi ki. MikroC-ben írtam hozzá a programot. Ezzel a fajta hőméréssel is van probélma, nevezetesen, a hőelemet speciális csatlakozással kell a MAX6675-höz illeszteni, hogy a csatlakozás helye ne termeljen zavaró termikus feszültséget. Viszont nincs gond az áramgenerátoros meghajtással vagy a linearitással.
Bonca
Hello!
Idézet: „hőelemet speciális csatlakozással kell a MAX6675-höz illeszteni” Nem szükséges, csak az IC-t rá kell ragasztani a csatlakozó érintkezőjére. üdv! proli007
Hello!
Azért gondolom, mert a hidegpont kompenzálása az IC-ben belül van kialakítva. Tehát ennek kell átvennie a sor kapocspont hőmérsékletét, ahol a parazita hőelemek fognak képződni. Ezt általában úgy szokták megoldani, hogy a sorkapcsokat egy réz tuskóra teszik termikusan, ahol elhelyezik a hidegpont kompenzálás érzékelőjét is. Speciális anyagú (hőelem anyagával azonos) csatlakozási pont, csak akkor szükséges, ha a csatlakozó után, továbbra is kompenzvezetéket viszel az áramkör felé. Mert akkor nem képződnek parazita hőelemek ezen ponton. üdv! proli007
Értem, mire gondolsz. Annyit javasol a gyártó, hogy a csatlakozás minél közelebb essen az IC-hez, de távol bármilyen hőforrástól. Ezt lehet úgy is értelmezni, hogy rá kell ragasztani a csatlakozó érintkezőjére, de valójában nem ragasztják rá.
Bonca
Hello!
Alapvetően minden a megkívánt mérési pontosság függvénye. Egy készülék hátlapi csatlakozója és belső elemei között, 5..10fok differencia is szokott mutatkozni. (persze erősen függ a belső más elemek hőtermelésétől, alatta-felette elhelyezett készülékek sűrűségétől és disszipációjától) Moduláris készülékeknél szokásos az is, hogy a hátlapi csatlakozók hőmérsékletét a bemeneti modulra egy kis fosszforbronz lapocska (laprugó) vezeti át a hőt, a közelben lévő hidegpontra. Amikor a hátlapi csatlakozót a panelre dugják, ez a "hőkapcsolat" is létrejön. üdv! proli007
Sziasztok!
2 és 3 vezetékes PT100-as különbségére keresem a választ. Azt tudom, hogy a 3 vezetékest a vezeték hosszából származó ellenállás módosulás kompenzálására használják, de hogy is működik ez valójában? A 3. vezeték hova van kötve? Konkrétan ezt a kapcsolást szeretném megépíteni, de két vezetékes PT-vel. Plusz módosítani szeretném, hogy ne 0-5V, hanem 0-10V legyen a tartománya, de ezt elvileg tápfeszültség emeléssel, és az ellenállások cseréjével meg tudom oldani. Viszont nem tudom, hogyan kössem rá a két vezetékes Pt-t. Üdv: Tomy
Rendben, köszönöm, igazából erre a válaszra számítottam, így értelmeztem én is.
Sziasztok.
Először is bocsánat ha nem ide illő lesz a kérdésem. A gondom a következő. Van egy PLC vezérelt vegyes tüzelésű kazánom amihez lehet csatlakoztatni digitális "termosztátot" a gyári cucc borsos ára miatt próbálok megoldást keresni, hogy esetleg mivel lehetne helyettesíteni. 3 vezetékes hőmérséklet érzékelő kell csak nem tudom mi a megfelelő hozzá. A Pt-100-ast és az 1000-est a kétvezetékest elfogadja de csak 0.0C°-t ír ki ha próbálom ezt átkötni 3 vezetékesre hibát ad. A panelon egy + egy - és egy data jelzés van. Bővebben még nem néztem át. Erre a problémára kérnék valami ötletet . A segítséget előre is köszönöm.
Apríték égetőről van szó BIOTTOMAT típusú de a gyári termosztáton semmi adat nincs már ezt is kiderítettem. A panelnek csak verzió száma van 9.6-os az IC tipusát még nem néztem meg.
A pozitív és negatív ponton +5v-ot mérek
Szia!
A leírtak alapján szerintem soros portos digitális hőmérőt kell rá csatlakoztatni. Szerintem próbáld meg a DS18s20+ (vagy a DS1820) jelű hőmérőt szenzort. 6-800 Ft/db. Ezt gyakran használják, mert megbízható, könnyű kezelni, viszonylag olcsó. Én is kedvelem ezt a típust. Ha lehet csinálj fényképeket és küld el! Kíváncsi vagyok, én is ilyen kazánt szeretnék vásárolni. A címem: rolf@tolna.net Üdv! Rolf
Kobold mester!
Ennél a kapcsolásnál, az opa tápfesze a +5V és GND? Hogyan változik a kapcsolás, ha hosszabb kábelt használok? (Pl. 5...10m) Valamint az is érdekelne, hogy a második opa erősítésével elérhető a közel 0...5V-os kimenő tartomány pl. a 0...300°C-os tartományban? A szenzort nem kell hidegíteni? Nem szed össze egy csomó zavaró jelet? A kimenetre nem kell egy RC szűrő, hogy ne ugráljon a kontroller AD mérése?
Közben összeraktam breadboardon a kapcsit. Lehet, hogy én tévedek, de a kimenő 1mA-es áramot csak akkor tudtam beállítani, ha az áramgenerátor osztójánál lévő 82K ohm -os tagot a tizedére azaz 8K2 -re csökkentettem. Ez vajon elírás lehet az eredeti rajzon? A szenzorral párhuzamosan kapcsoltam egy 100nF-os kondit, hogy söntölje az összeszedett zavarjeleket. Folytatom a tesztelést. Remélem kobold mester közben megérkezik és tud segíteni.
Köszi, ezt megtaláltam. Sajnos egy kicsit több mint amit akarok. Nálam a cél, minél kevesebb hw elemmel, minél pontosabb mérést elérni PT100-zal. Most éppen az átlagolással küzdök. Sajnos a mérő erősítőt még nem tudtam még belőni 0...5V tartományra.
Hello! "Parasztosan" valahogy így oldanám meg. üdv! proli007
Az 1mA-es áramgenerátornál, biztosan 82k-van (R1)...?
Hello!
Számolni (lustábbaknak szimulálni) nyet? Szerintem a 10kohm helyett 10kohm-ot tettél bele.. üdv! proli007
Ööööö, Ön nyert!
Egy kicsit benéztem! Köszi!
Na, összedobtam. Minden nagyon szép, minden nagyon jó, csak a fet drain-jén, nem jelenik meg semmi. A gate-en 3,6V körüli fesz van, ami lefelé megy 2,9V-ig ha kézzel melegítem a szenzort. :nemtudom:
Szerk.: Működik. A 0°C kalibráló potival sikerült kicsiholni 21°C mellett 100mV-ot. Majd kalibrálom is. Köszi!
Hello!
És BS250-et használtál benne? Jól kötötte be a Fet-et? Mert meg kell nézni, hogy az alkalmazott Fet küszöbfeszültsége elég alacsony-e. Mert ha ugye van Gate-Source feszültség, ami nagyobb mint a küszöbfeszültsége, akkor Drain áramnak is illene lenni. (Amúgy szimuláld le! De szerintem valami nokedli hiba van..) üdv! proli007
Köszi mester, de mint írtam is már megy! Csupán a 0°C potival kellett utána tekernem.
Proli! Arra gondoltam, hogy a kalibráláshoz peltiert használnék egy pontos hőmérővel. Mivel semmilyen tapasztalatom nincs a peltier cellákkal csak ötletelek...
Mivel az egyik oldal hideg, a másik meleg, -nekem meg mindkettőre szükségem lenne- nem lehet azt megcsinálni, hogy fordítva adok tápfeszt neki és akkor felcserélődnek a hideg/meleg oldalak? Lehet, hogy most baromságot írtam, de mondom, semmilyen kézzelfogható tapasznyalatom nincs. A fellelt irodalom, nem ír erről. Ha nem, akkor arra gondoltam, hogy a belső hűtött/fűtött és szigetelt térben (mérőcella/doboz) egy tranzisztort is beszerelek, ami majd disszipál egy kis meleget. Ha PIC-el és pwm-mel hajtom mindkettőt, akár egy kis automatát is tudnék építeni, amivel elvégezhető a gyors szenzor kalibrálás. Mi a véleményed? Ja, és köszi az eddigi segítséget!
Szia!
Bár a kérdés nem nekem lett címezve, azért bátorkodom válaszolni rá. A Peltier cella hőáramának irányát a cellára adott feszültség polaritása határozza meg, tehát fordított tápfesznél az addig melegedő felület hűlni fog a túlsó hűtött felület pedig melegedni fog. |
Bejelentkezés
Hirdetés |






Egy kicsit benéztem! Köszi!





