Fórum témák
» Több friss téma |
Fórum » Időzítő
Témaindító: Mekkmester, idő: Dec 25, 2005
Témakörök:
Működhet a cucc ki be kapcsolással is ,akkor a kapcsolót a tápágba kell tenni . A reléhez betehetsz egy meghajtó tranzisztort ,de ha nyákrelét használsz azt röhögve elbírja az 555
Sziasztok.
Elnézést,ha nem ide vágó a kérdésem. Olyan kapcsolás kellene,amiben egy időzítő áramkör van.Lényegében óránként 1-2 percre kellene behúzva tartania egy relét.Szeretném elkerülni a kontrolleres kapcsolásokat,ez lényeges.Ha valakinek van ötlete,kérem segítsen. Köszönöm! Üdv! Attila
Hello.
Az általad használt optikai csatoló nálunk nem kapni, a CNY17-2 nézem hasonlónak, ez jó lenne? A relé 40A-res, /gépkocsi relé/ így a behúzó tekercse is combosabb, épp 200mA körül van, de behúzáskor biztosan többszöröse. Annyira nem értek az elektronikához, inkább segítséget kérnék, kiegészítenéd a kapcsolást egy tranzisztoros verzióra. Előre is köszönöm. Ui. milyen progival lehet ilyen rajzokat csinálni, le is teszteli a kapcsolást?
Nézd meg a 4060 as ic adatlapját a datasheet en
Bármilyen optocsatoló megfelel , a tranzisztort meg már te is bele tudod "tervezni" Én az eagle nyáktervezőt használom
Ő még sajnos nem szimulál "tesztel" áramkört ,csak tervezni lehet vele. A szimulációra ott van a tina -és a protel
Hello!
Bocs, hogy bele szólok, de optocsatolóra igazából akkor van szükség, ha a két oldal között potenciál különbség van. Mivel ez itt nem áll fenn, gyakorlatilag semmi szükség rá. Egy sima tranyó, ugyan úgy megteszi.. üdv! proli007
Teljességgel igazad van köszönjük a kiegészítést .
Hello
Nos akkor, ha lehetséges csak kérnék a módosításokról egy rajzot.
Jó az eredeti rajz is , csak az optó helyett használható tranzisztor is .
Ezen már látszanak az alkatrészértékek is
Hello
Oké köszi. Ellenőrizd már le, hogy relénél a tranyo jó-e. Az értékeket egy másik kapcsolásból néztem. Köszi.
A relénél cseréld meg az ellenállásokat a kisebbik legyen az 555-kimenetén
Oké.
Köszönöm.
Sziasztok.
Szeretnék egy olyan kapcsolást összerakni ami véletlen szerűen változtatná az ellenállását. pl: 20percig 10ohm az értéke utána 4,7 ohm az értéke 4 percig utána 7 percig 3,3 ohm... stb. Csak az lenne a lényege hogy véletlen szerű legyen hogy mindig más érték legyen és más időtartamig. Ehhez kérnék segítséget. Amúgy a kapcsolás egy frekvencia váltót szabályozni a potméter helyére szeretném be kötni. Előre is köszönöm ötleteket várom. Boldog karácsonyt mindenkinek.
Hello!
Ellenállásokat általában nem változtatunk, főleg nem kis értékűeket. Szerintem gondold át még egyszer mi értelme van ennek, mert én nem látom.. És mire jó egy változó ellenállás frekiváltóban? üdv! proli007
Urak!
Mivel sorozatosan befürödtem a saját kivitelezésű időzítővel, így olyan sporttárs jelentkezését kérem aki vállalná egy ilyen szerkezet építését. Az mindegy, hogy Pic-es vagy sem, a lényeg: 0-10 perc közötti beállítás 12V 2A kapcsolási teljesítmény az időzítés lejárta után ne induljon újra. A lejárt állapotot jelezze, lehetőleg fénnyel. Természetesen nem puszira gondolom.
230V 20W-60W fogyasztó (szivattyú) késleltetett működésére lenne szükség beállítható (kb. fele akkora fordulattal.
Fél perctől - 4-5 percig beállítható időzítő kellene, ami kb. 110V körüli feszültséget ad a szivattyúnak. PWM technológia érdekelne csak. 555-tel meg tudom oldani valahogy szerintetek ? Tud valaki segíteni ? köszönöm!
Hello!
Miért kellene PWM? Talán egyenáramú a motor? Gondolom nem. De szerintem menj át a "Gázkazán vezérlő elektronika" topikban, ott válasz kapsz a kérdésedre.. üdv! proli007
Sziasztok
Egy szivattyú vezérlő rajzához kérem a segítséget. Nekem egy szilárdtest relét vezérelne. Állíthatóan 30 és 60 perc között 1-10 percre bekapcsolná a relén keresztül a szivattyút. Javasolta valaki hasonló kérdésre korábban a 4060 adatlapját megnézni de nem lettem okosabb vagy nem azt az adatlapot néztem mint amire a javaslat tevő gondolt. Egyszerű megbízható kapcsolás kellene mikrovezérlők nélkül. Köszi
A 4060 ban van oszcillátot, és egy sokfokozatú osztó. Ha az oszcillátornak órakvarcot használsz, az osztójának legutolsó kimenetén pont 1 s jel jelenik meg. Ezeket egy megfelelő számlálóval megszámlálva pontos időzítést tudsz beállítani.
Pl. egy 60 -as számláló kimenete (CD4024 -ből elkészíthető) 1 percenként vált, ehhez már csak egy 10 -es számláló (CD4026) kell. Ha erre teszel egy BCD dekódert (CD4514), a kimenetein kapod rendre 1, 2, 3, ..... 8, 9 perc. Az 1 perces kimenetet felhasználva megfelelő számlálókkal (az előbbiek szerint) előállíthatod a 30 - 60 perc közötti időzítéseket, és a két időzítő kimenetét összekapuzva, meghajthatod a szilárdtest relét. Persze ez így egy alkatrész temető lesz, sokkal egyszerűbb egy mikrovezérlős megoldás.
Köszi a segítséget de a megbízhatóságot nem a pontosságra értem, hanem arra hogy biztosan bekapcsol és arra hogy biztosan ki is ha van áram. Ne kapcsoljon be véletlen szerűen valami zavar hatására sem és ne maradjon bekapcsolva sem. Az időbeállítás elvisel még 20 % eltéréseket is mert egy nagyon kis hozamú kútban lévő szivattyút kell kapcsolgatni ami egy nagy tartályt töltöget vízzel. Eddig digitális kapcsolóórákat használtam de nem túl hosszú életűek és ahhoz meg drágák hogy évente 1-2 darabot vegyek. A mechanikus az nagyon jó lenne csak hát a 15 perc mint legrövidebb beállítható idő sok nekem.
A pontossága az oszcillátor pontossága, de nem lényeges, csak így egyszerű, és pontos is. A megbízhatóság az az alkatrészek megbízhatósága. minél több van egy áramkörben, annál nagyobb az esély a meghibásodásra. E szempontból is jobb a mikrovezérlős megoldás.
Hello!
Raktam fel már számtalan ciklikus időzítőt, de legyen még egy a kedved szerint. üdv! proli007
A fele lemaradt a mondandómnak
![]() Köszönöm ! Remélem lesz alkalmam meghálálni. Üdv !
Sziasztok.
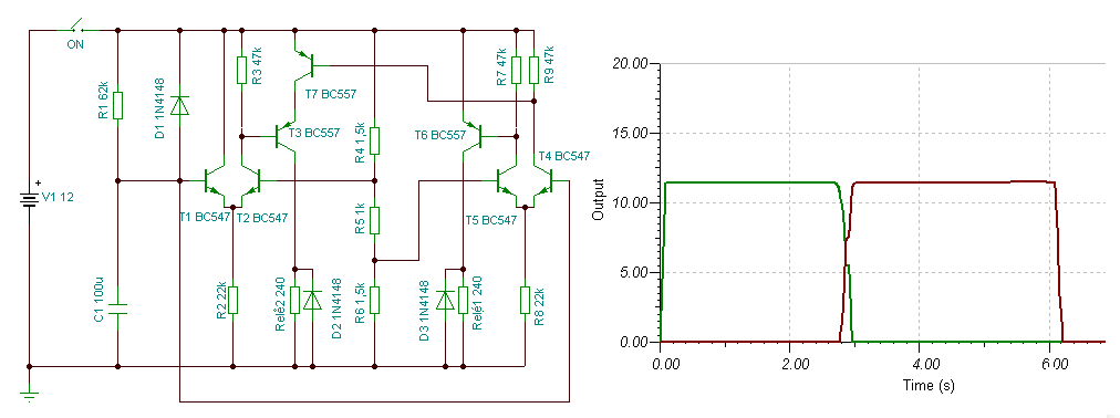
Kéne nekem egy összetett időzítő, ami azt csinálja, hogy amikor az elemet rákapcsolom egy gombbal, (a mellékelt rajzon rajta van), az időzítő első kettő kivezetésén 3 másodpercig feszültség van, utána még egyszer 3 másodpercig a másik két lábán van feszültség, és utána megáll. Ezt meg lehetne csinálni IC-k és PIC-ek nélkül ? Tranzisztorom van jó sok
Hello!
Látom ragaszkodsz a tranyókhoz. Hát legyen.. üdv! proli007 |
Bejelentkezés
Hirdetés |














