Fórum témák
» Több friss téma |
Fórum » Tápegység készítése
Akkor miért nem raksz be egy trafót, ami 40VAC-ról 9VAC-ra transzformál? Nem is lenne akkora veszteséged, és nem lenne hőmérsékleti korlát sem. A tekercseltetés kb. annyi lenne, mint az IC, és 100-szor üzembiztosabb, és nem kell karbantartani sem. De akár Te is megtekerheted. Még azon gondolkodok, hogy ha egy 230V-os trafóra 40V-ot kötsz, nagy baja lesz-e. Mert akkor csak egy 230V->50-52V-os trafó kellene minimális terhelhetőséggel. Még jó, hogy ennyi választási lehetőség van. Viszont akkor a kérdésed rossz helyen van, ez egyáltalán nem labortáp, inkább valami feszültség csökkentéses topicba kellett volna írnod.
Utoljára még eszembe jutott, hogy nem kell ide spéci IC. Elég egy tranzisztor, azt meg úgy kell vezérelni, hogy 46V-ot melegítsen el (zenerdiódával). A tranzisztornak meg szerintem alacsonyabb az alsó hőmérsékleti korlátja. Olcsó megoldás.
Mivel egyszerű és észerű megoldást nem találtam a kűlföldi forumokon sem, ezért maradok akkor az LM2575HV IC-nél, ez 12Volt fix kimenettel rendelkezik.
Itt van pár induktivítás :Bővebben: Link A bőség zavarában nehéz választani, hogy a radiál, vagy a toroid lenne a megfelelöbb? Nekem max 200mA kell. Amelyik nekem talán megfelelő lenne, az ez:Bővebben: Link Szerintetek ez jó lenne nekem?
Szevasztok!
Segitségeteket szeretném kérni egy 12V 10A-os trafó egyenirányitásához,amivel aztán táplálnám a 12V-os ablaktörlő motrot ,amelynek az áramfelvétele 6,5A... Esetleg ha valaki tudna kapcsolást meg nyáktervet.. Előre is köszönöm..
És még azt szeretném megekérdezni hogy probáltam a motrot visszafelé forgatni és visszafelé lassabban megy ez miért van??
Először is, milyen ablaktörlő motor az, aminek 6,5 A az áramfelvétele? Ekkora az induló áramlökés szokott lenni.
![]() Fordított irányba indítva azért lassabb, mert a kefesík nem az optimális helyre esik. Egyirányú forgatásra szánt motoroknál nem állítható a kefe, beállítják optimális helyzetre és kész. Fordított irányhoz el kellene forgatni a kefetartót.
Egy Audiból való bosch ablaktörlo motor..
Sziasztok!
Adott a GND-hez képest 24V-om. Ebből szeretnék előállítani -20V-ot, és +5V-ot. LCD kijelzőhöz kellene, a +5V megy, de a másikat nem tudom hogy lehet megcsinálni. Köszönöm a segítséget!
Sokféle módon megoldható, itt egy használható kapcsolás. Az érték nélküli ellenállással állítod be a kimeneti feszt.
Szia!
MC34063 Ic-m van itthon, találtam hozzá kapcsolást is. Valószínű ezzel lesz megcsinálva. Köszi!
Üdv mindenkinek!
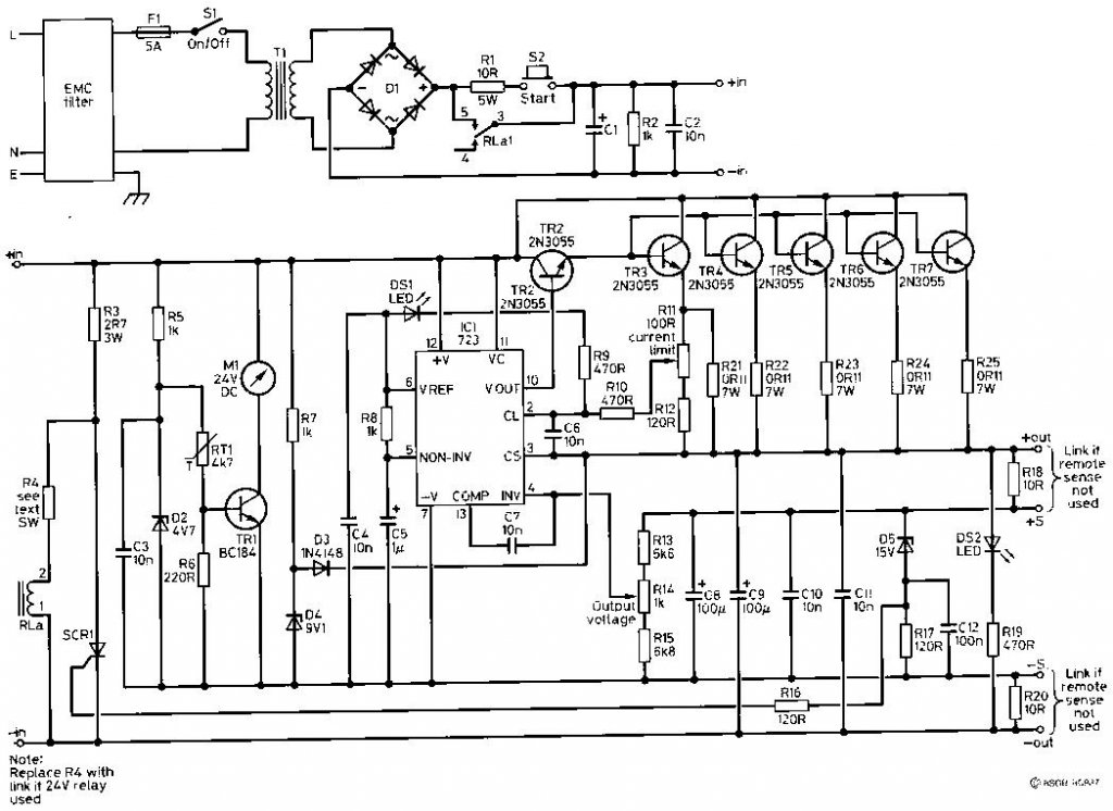
Egy tápegység zsenitől kérnék segítséget, mégpedig azt hogy az alábbi fájl melléklet alapján épített tápom van (ajándékba kaptam) ami jól működik csakhogy ezt teherautóba szeretném beépíteni. (trafó és a C1kondi elhagyásával) A trafó 240/16V a kondi 94000µF így a DC22,5V. A bajom csak az hogy 25,5-26voltnál kikapcsol a relé ill. be-se kapcsol csak kattan egyet gondolom ez a túlfeszültség védelme, márpedig a teherautóban kb:27-28volt van. Pedig az LM723 40V-ig táplálható! Melyik alkatrészen változtassak hogy kb:30-32V-ig ne tiltson le. Segítségeteket előre is köszönöm!
Akárhogy nézem, a relének ehhez semmi köze: a kimenet pozitívján lóg egy 15V-os zener, ami ha kinyit, begyújtja a tirisztort, ami söntöli a relét, így az elejt. Tehát ez egy KIMENETI túlfesz elleni védelem. Valami más gáz van, nyilván kijut a bemenet a kimenetre, vagy nagyobb feszre van állítva a kimenet, mint 15V...
Szabadítsd meg a tirisztort a vezérléstől (ahogy egyszerűbb, pl vedd ki a zenert, vagy magát a tirisztort), és mérd meg a kimenetet/keresd meg a hibát.
Köszönöm hogy válaszoltál!
Kipróbálom amit ajánlasz. Csak azt nem értem hogy ha 24-25V-ig táplálom akkor tökéletesen bekapcsol és belehet állítani a 13,2V kimenőt ezért írtam hogy 25V fölött táplálom akkor kikapcsol. Egyébként a leírásában is azt írja hogy a trafó üresjárati feszültsége max 18V ami pufferelve kb:25,5V. Az alábbi linken megnézheted.
Azt még azért megkérdezném hogy a kimeneten a (remote
sense) csak egy mérőpont?
Nem. 40A-nél - kábeltől függően - jelentősen eshet a feszültség, ezért 4 vezetékkel visszük a villanyt a fogyasztóhoz: 2 jó vastag és 2 vékony érpárral, amik a fogyasztó csatlakozási pontjánál vannak összekötve. Ezzel a trükkel azon a ponton van a mintavétel a szabályzáshoz, tehát a beállított fesz a fogyasztó csatlakozási pontján lesz stabil.
A 18V AC-t disszipáció optimalizálás miatt ajánlja, ez épp elég a kívánt 13,8V kimenet stabil működéséhez. Amúgy én darlingtonra cserélném a meghajtó 2N3055-öt, mert legrosszabb esetben akár 10...20 körül is lehet a bétájuk, így a 723 kimenetéről - 40A-nél - 200...400mA-t is kívánna, és az csak 150mA-es. A 40V-ot simán bírnia kell, de a megnövekedett disszipáció nagyobb hűtőbordát - esetleg még egy tranyót - kíván.
Erre már én is gondoltam hogy kicserélem a tranyót
csak azért nem szedtem ki mert végül is nekem 25A max 30A bőven elég.Egyébként meglett a hiba mégpedig amiről írtam ez a (remote sense) vezetéke ami a +out-ra megy szakadt volt.Még nem jöttem rá a logikájára hogy miként befolyásolta ezt a kikapcsolásokat, de az a lényeg hogy most jó. Megtudom hajtani 25V-tól többel is. Még egyszer köszönöm a segítségedet meg tippeket!
Világos. Ha szakadt a szabályzó visszacsatolása, akkor a max-ra tolja a kimenő feszt, mert nem "látja" az eredményt. Erre kinyitott a zener és begyújtotta a tirisztort - ez a dolga, megvédi a rákapcsolt készüléket.
+++Még egyszer köszönöm a segítségedet!
Steve69.
Helo!
Azt szeretném kérdezni hogy egy 12V os ablaktorlo motorra tápegységet lehet toroid trafóból is csinalni nem?? Ja és szerintetek lehet az a trafó még pufferelés elott 12V-os...Nem lessz semmií baja a motornak ha kicsit nagyobb fesz. lessz ??
Sziasztok!
Szeretnék olyan tápegységet készíteni ami 5V/3A -t tud leadni stabilan. Fontos lenne a stabil feszültség. A félvezetők illetve az alkatrészek megvétele nem lenne probléma, viszont transzformátort nem szeretnék vásárolni, mert az van, csak nem tudom melyik lenne jó. Trafó 1: Sec.: 2 x 18V 35VA ( Puskás féle ) Trafó 2: Sec.: 2 x 36V ( a teljesítményét nem tudom sajnos ) Trafó 3: Sec.: 2 x 45V ( a teljesítményét ennek sem tudom ) A kérdésem az lenne, hogy melyiket javasolnátok felhasználásra és hogyan illetve kapcsolást tudnátok -e hozzá ajánlani. Üdv.: Petya
Hello!
Talán a legkisebb feszültségű trafó lenne a legalkalmasabb, mert a 18V-ot egyenirányítva így is kb. 24V nyers feszültséget kapsz. Ami igen messze áll az 5V feszültségtől. Így kapcsolóüzemű tápegység IC lenne a megfelelő választás. Pld. LM2576 üdv! proli007
Szia!
Sikerült megoldani másképpen ![]() volt egy rosz SilverCrest DVD -m aminek a tápegysége viszont még üzemképes. Abból vettem ki az 5V -os ágat és a GND -t. Valójában 1,5 A -t vesz fel az eszköz amit rákötöttem de ha saját magamnak kell építeni akkor az az elv hogy tudjon többet mint amennyi kell mert jó lehet még az másra is akár, vagy több eszköznek. ![]() Viszont amit magam kell, hogy megépítsek az egy nyomtató tápja lesz, a gyári leégett valamiért ![]() 15V 1 A és 32V 1A amit tudnia kell a tápnak, szintén kérdezném, hogy melyik trafót használjam és milyen stabilizátor IC-t ajánlotok. Üdv.: Petya
Hello!
Az ábrához hasonlóan meg lehetne oldani a 2x19V-os trafóval. Csak éppen nemérdemes, mert analóg disszipatív módon túl sok lesz a hőtermelés. Sokkal célszerűbb lenne vagy megjavítani a tápot, vagy érdeklődni, mert itt többeknél olvastam, hogy van elfekvőben ilyen tápjuk.. üdv! proli007
Sziasztok. Olyan kérdésem lenne hogy egy kb ilyen Tápegység+Akkumulátor töltőt ha én fognék neki elkészíteni alkatrészekből olcsóbban megúsznám mint a képen látható? Bővebben: Link. a igen hol keressek ilyen rajzot? Előre is köszönöm a válaszokat.
HALLI MINDENKINEK !
Van már egy pár autórádiómagnóm, szeretnék tápot készíteni neki. Akumlátor tőltővel használom, de a tőltő anyira búg, a rádiót meg nem is lehet haszálni, zavarja a búgás. Arra dondoltam, hasonlóra, mint egy pc tápra, de egy újjat venni azért nem érdemes. Van régim is, de nem jön ki raltuk semmi, a topikban meg olvastam, nem lehet javítani őket. Körülnéztem itt a topikba, de nem találtam olyat ami nekem jó lenne. Körülbelül szerintem egy 5A elég lenne üzemeltetni. Köszönöm, előre is !
Szia. Én is próbáltam PC táppal hajtani és normálisan működött minden. Egy 180W-os táp simán elvitt egy 4X20W-os autórádiót.
Milyen a tápod (AT,ATX)?
Lásd PC-táp átalakítása akkumulátor töltőnek...
Nem tudom milyen, nincs ráírva, régiek. Az egyik 85-ös
a másik 93-as. Mind a kettő 200w-os.
Okés megnézem, böngészem, hátha valamit ki tudok szűrni.
|
Bejelentkezés
Hirdetés |













