Fórum témák
» Több friss téma |
Igaz babrasabb, de a keretosszeg masra koltese celszerubb lenne, vagyis inkabb egyedi alkatreszekre es nem a rendszerre raeroszakolni amit szeretnel. Talan tudok LED ugyben segiteni, kuldeni nagyfenyereju LEDeket, arrol pontosan tudni fogjuk hogyan is kell meghajtani. Mas alkatreszben nem igazan tudok segiteni, 98%-ban feluletszerelt alkatreszekkel dolgozom es nem hinnem hogy erre felkeszult lennel mind tudasban, mind szerszamok ugyeben, a nyomtatott aramkorrol nem is beszelve.
Ilyen celu felhasznalasnal egy kicsit at kell gyurni a vezerlest, mert pl hazibuliba egy strobe rovid felvillanasokat produkal, vagyis a vezerlo negyszogjel kitoltesi tenyezoje nem 50%-os, hanem sokkal kisebb pl 10% vagy az alatti.
kiszámoltam és olcsóbb ha égő formájában veszem meg a ledeket... esetleg az megoldhetó szerinted hogy vagy kiszedem a ledes részét és új maghajtást csinálok neki 12vról? de igazából az lenne a legjobb nekem ha nem kellene semmit szétszednem benne ... a második kapcsolási rajzal tuti h nem lenne jó? mert az nm is mechanikus úton adja át a feszt
Mennyi led van egy ilyen ledes csodalampaban?
én úgyszámoltam h 1500 kötül van egy olyan amiben 42 led van. éshát 42*50(led ára)=2100ft
Bővebben: Link szerintem ilyen van ezekben is
Bővebben: Link
alulról a harmadik kép alatti szöveget olvasd el... tényleg olyasmivvan bennt mint amit azelöbb mutattam
Epp korulnezek a neten, hatha talalok valamilyen informaciot a ledlampak belsejeben levo elektronikarol, de attol tartok tovabbra is, hogy alapban nem kepesek stroboszkopos uzemeltetesre.
Ha "csak" ez van benne, akkor plane nem fog mukodni, most nezem a masik linket, de azon is nagyon hasonlo. Sejtettem, hogy ilyen sporolosra veszik, de igy ne is varja el senki, hogy sokaig fog mukodni (meg elmeletben sem igazan).
Ilyen nagy mennyisegu ledet sorosan kotni nem igazan celszeru, mert ha hosszu eleture tervezed, tobb szmpontot is figyelembe kell venni a vezerles miatt. A ledek akkor lesznek hosszu eletuek, ha nem engeded felmelegedni 60 fok fole. Ezekben a lampakban semmi hoelvezetes nincs.
oké de azért reménykedem mert nekem ez lenne a legkönnybb és legjárhatóbb út... na de most megyek aludni .. és kösz az eddigieket
Nalatok mar keso van, nalam meg csak 9 lesz
Holnap? Addig megnezem mit tehetek.
késő mert 7.es vok és suli van xD. akkor majd írj ha van ötleted.
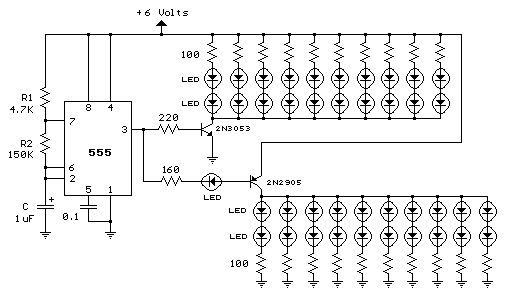
nama összedobtam az 555 ös vezérlést bd679-es tranyóval csak simán de valami miattt ha 5v felett kap feszt akkor nem indul be hanem csak felforrósodik de mint atom
Talaltam valamit, talan erdekel:
Leirasa szerint kb 4.7 villanas/mp
ugyanezt csináltam meg én is csak 150 kiloohm helyére poti+ más tranzisztor és nem kettő van haanem csak egy tranyó. így nem váltogatva villog
Gondolom semmifele bazisellenallast nem alkalmaztal. Amugy miert kellett darlington ide? Valami mezei kapcsolotranzisztor is elegendo pl BD135.
nem raktam bazis ellenállást... van egy mezei ami jó lehet 2n3904 -es tranyóra majd kicserélem tsalán
a bázis ellenállás amúgy mire szolgál?
Koszonom.Ahogy vannak most a ledek a penelemen ha 10mm ledet rakok akkor jo ugy,Vagy hogy erdemes tenni?
Ezt a tenyleg mezeit nem erdemes berakni, az 555 is siman tud 200mA kimenoaramot.
na most kivettem a tranzisztort és már nem melegszik
DD
megépítettem így relével és működik... anyi hogy raktam egy ledet sorba a relével hogy csak akkor villanjon ha pozítív impulzus érkezik az 555-ből és kész az egész bedobozoolva meg minden! köszi mindent! az azért érdekel h akkor így vollogtathatom a 230-as ledes égőt??
Megprobalhatod, ha olyan egyszeru elektronika van abban is, akkor nem lesz gond.
Ja meg valami, ha relet hasznalsz, akkor ugye a rele tekercsevel parhuzamosan raktal be egy inverz diodat? Ha nem, akkor csak ideig-oraig fog mukodni a vezerlesed. (kikapcsolaskor a tekercsek egy feszultsegcsucsot hoznak letre)
mi aza az inverz dióda? sima dióda? olyan fekete házú fehér csíkkal? hát sorosan van egy zöld led h csak az egyik periódusban kapcsoljon
Igen, egy teljesen hetkoznapi nagyobb feszultsegu , de azert "gyors", bar nem kell hogy shottky legyen, pl 1N4007. Az inverz annyit jelent, hogy a rele tekercsevel parhuzamosan, forditott polaritassal (innen az inverz) kell kotni. Ha az egyik kapcsolasodnal maradunk, ahol csak kiszedted a tranyot, es direktbe az 555-re van kotve a rele tekercse, akkor a dioda anod van az 555 fele, es a + tapon van a dioda katod (csik) "A abra Bővebben: Link
jó de nekem a 3-as láb és a föld között van a relé akkor fordítva kössem?
és ez tuti hogy kell? amúgy akármien diódát berakhatok? ami ilyen csíkos és fekete?
Akkor a dioda csikja a 3-as lab fele legyen, GND, vagyis fold a masik. En ilyenre gondoltam: Bővebben: Link
Esetleg ird meg milyenek vannak neked, es megirom, hogy melyik lesz jo. Mindenkep celszeru berakni, ha azt akarod, hogy megbizhatoan es hiba nelkul mukodjon. Mindenfele ki-be kapcsolt induktiv elemre erdemes rakni, nemcsak rele tekercsere. Ezzel a diodaval veded az elektronikadat, jelen esetben 555-ost a keletkezo impulzuscsucsoktol. |
Bejelentkezés
Hirdetés |









