Fórum témák
» Több friss téma |
A villanócsövet nem lehet kimérni, a gyújtótrafót ellenállásmérővel kitudod. A gyújtótrafónál a lényeg, hogy a közös pont és az egyik kivezetés közt nagyon kis ellenállást kell mérni (pl.: 4-5 ohm), a közös pont és a másik kivezetés közt pedig sokkal nagyobbat (pl.: 100-200 ohm).
A villanócső + és - kivezetése közt mérhető feszültség (vigyázz, többszáz Volt lehet ott!) ?
Ne haragudj de nem tudom hol a + és - mert nincs egyenirányitás sehol. Mértem feszültséget a villanócsőn, pirossal jelöltem. Az egyik közt 220v a másik közt 0 váltó van.
Mihez képest mérted a villanócső feszültségét?
Ha a villanócső két kivezetésén, ami az anód és a katód, mérsz 230V váltót, akkor ott bizony az egyenirányítás és a pufferelés igen csak halott! Első sorban ezeket kéne ellenőrizned! Akár a villanócső nélkül.
Én is ilyen hibával szenvedek.
Elvileg ha a glimm 2 lábát összeérinti akkor el kell villannia a csőnek. Próbáld meg, ha villan akkor a glimm a hibás szerintem.
Köszönöm a segitséget, még nem tudok mérni, kell vegyek ellemet a mérőműszerbe.
Itt semmit sem kell mérni
csak egy csavarhúzóval érintsd össze a glimm lábait
Úgy probáltam, mint ahogy a kondikat szoktam kisütni, és megyen
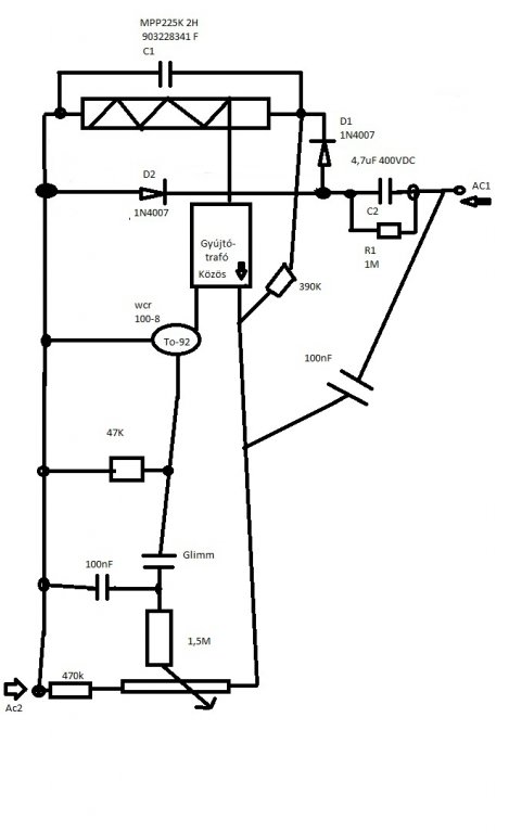
![]() A glmmhez van egy tranyó aminek nehéz kiolvasni a számát, de lehet hogy meghalt? A másik vége az AC-ba megy, a harmadik, meg a gyújtótrafóhoz Elnézést kérek ha valahol nem írtam ékezetes betűket.
Még készülőben van a stroboszkóp kapcsolás felvázolása, de megosztom azt ami már kész van.
Azt hiszem készen van. A tranyóról nemsokmindent tudtam leolvasni,de szerintem nem ott a baj.
Nekem is ez a gomdom ,hogy a glimm villog de a cső nem , ha összeérintem akkor viszont igen , villan.
Én sem tudom ,hogy mi a gond kisérletezek a glimekkel.
Szerintem 100nf el lehet gond, Az egyik Ac2 be megy, másik meg glimmhez, lehet hogy a glimm nem jó.
Én nem igazából értem miért szívatják az embereket ezzel a glimmel!! Tenni kell bele egy DIAC-ot a glim helyére...
Egyébként az a tranyó valószínűleg egy tirisztor
És bontásbol miben keressek diac-ot?
Tirisztoros vagy triakos fázishasítós fényerőszabályzókban találsz, ha nem akkor egy zénerből meg 1 tirisztorból csinálsz.
Ha a glimm 2 lábánál 100V-van akkor
milyen zénert és tirisztort? Amúgy ezt a glimm helyére kell tenni?
Igen a glimm helyére.
Bocs, számomra ez egyértelmű mert tudom h működik a diac: Lehet h több zéner fog kelleni; úgy kellene összeválogatni hogy olyan 50 voltot adjon. A zener(sor) anódját és a tirisztos anódját összekötöd, ez megy a 100 voltos részhez. A zéner katódja megy a tiri. gate-jére , A tiri katódja pedig az glimm 1es lába helyére. Tirisztornak jó szinte bármilyen. párszáz volt és párszáz mA-t tudjon.
Nekem a kapcsolásban egy TIC 126M-es tirisztor van alapból.
Akkor csak egy 50V-os zener kell elvileg?
Én DIAC-ot fogok berakni. Egyébként trimmer kondit nem lehet berakni?
Nem!!
A glimm és a diac is úgy működik, hogy egy bizonyos feszültségig nem vezet. De ha eléri ezt a küszöbfeszültséget hirtelen vezetővé válik, a (glimm eközben világít is), ez az állapot mindaddig fennmarad, míg a feszültség nem csökken a küszöb feszültségnél jóval alacsonyabb feszültségre. Nah ilyet egy kondi nem tud !
Oké értem, és ha m mérek feszt a glimm lábai és a két Ac között? Akkor megtudom állapítani nagyából hogy honnan jön a baj nem?
Energia takarékos fénycső DB-3as diak szokott benne lenni. AZ oda megfelel
Milyen glimet használsz? Bontott vagy új? Ha esetleg neoncső gyújtót használsz attól ne várj csodát.
Én most elkezdtem kisérletezni a kisütő kondi
teljesítményével és lassan szerintem összejön. Túl kicsi volt az áram ,hogy a tirisztor kapcsoljon. A 15nF-od kicseréltem 27nF-ra.Remélem jó lesz
Nyugodtan betehetsz oda 100nF-ot is.
Túl nagy kondi nem tudja elrontani a tirisztort?
amúgy mi nem ugyanarról a kapcsolásról beszélünk. Én a kapcsolások közöttiről beszélek.
Mondom, hogy vettem a stroboszkópot 20w-os, nekem annyi elég kíséreltezni vele, csak elromlott. Olyan DIAC-ot tudok rendelni.
Megelőztél. Nekem az egyik strobimba a csőre 10µF ment, a kisütő az 100nF volt.
Szeretnék valamit kérdezni, glimm helyett nem rakhatok egy optocsatolót, amit egy vu-meter vezérelni, hogy zeneritmusra menjen, arra gondoltam, hogy utolsó,vagy utolsóelőtti ledjére kötni.
|
Bejelentkezés
Hirdetés |









