Fórum témák
» Több friss téma |
Fórum » 27 MHz távirányítós autó kérdések
Sziasztok! Van egy 27Mhz-es 4 csatonás távirányítós autóból egy szervóm, és ezt szeretném egy kicsit feljavítani:
-1:meg szeretném növelni a hatótávolságát. -2:szeretném, hogy az előre/hátra motor gyorsabban forogjon(vagyis a rájutó 1,5V helyett 9V-ot kapjon) valamilyen erősítővel. Az adó áramforrása 2*1,5 V-os elem,a vevőé pedig 1*1,5 V-os elem. Kösz minden segítséget!
Mellékelek egy 27Mhz-s erősítő rajzot.
Idézet: „(vagyis a rájutó 1,5V helyett 9V-ot kapjon” Ez kizárt dolog, hogy 1,5V-os motor 9V-ot túlélje, néhány pillanat alatt elfüstöl. egyébként az egész nagyon nem stimmel Idézet: a szervó hatótávolságát??„Van egy 27Mhz-es 4 csatonás távirányítós autóból egy szervóm, és ezt szeretném egy kicsit feljavítani: -1:meg szeretném növelni a hatótávolságát.” meg ha igazam van és ez egy mini rc akkor az max 2 csatornás (ha egyáltalán még ezek így működek) és nincs benne szervó.....
Én sem érettem tisztán hogy mie van
![]() Ajánlott még az antennát a frekire rá kalibrálni,azaz minél jobb jatást elérni vele,paszoljon a frekihez a hossza.Vagy még lehetne az adónak irányított antennát is készíteni,ugyis mindig a kocsi fele néz a táv. Lehetne még az adó vég tarnyójának a táp fesz emelése is,Pl rádió adónál nekem nagyobb távot tudott 9V helyett 24 ről
vBocs, hogy nem érthetően fogalmaztam,a 4 csat. alatt azt értettem h van rajta előre/hátra és balra/jobbra,a hatótáv alatt pedig a távolságot értettem, amíg veszi az adó jeleit
A motort pedig kicserélem egy 9v-ra csak vmilyen erősítő kéne h ne menjen olyan lassan 1,5v-ról.
Síma tranyós,fetes megoldás.Kapcsoló áramkörként.Bár a fet nem nyílik ki 1,5 v ról,ezért jobb lenne egy tranyósat készíteni,tegyé be egy pár amperos tranyót és egy soros ellenállást a bázisára és kész szerintem.Csak kibirja a meghajtó (RÉGI)tranyó azt az ampert amit eszik a bázisán,mivel elötte meg egy motort hajtott meg.
http://www.codexonline.hu/CodeX8/alap/hardcore/KisNorbert/LPT/lpt08.htm
ezt nézd meg, azzal hoyg lpts-port ne foglalkozz csak a kapcs rajzot a 2 hangerősítő ic vel, de ide is rakok egyet.
Köszi dbase!
Ez nekem is nagyon tetszik!
Fel tudnád rakni annak a távirányító panelnak a fényképét(mind a 2 oldalát) mert én is csinálnék ijesmit.
Hello! Én szétnéztem a neten és találtam pár érdekességet.Remélem segitettem .Jah és ha megcsinalta valaki akor szolhat hogy működik- e
Hm.Nem tugya valaki hogy az RX-2B IC 6-7/14-15 labain menyi volt kene ki jojjon
És azt nem tugya valaki hogy hogy hivják pontosan azt az ic-mert nem találtam rajzot hozzá meg nem tudom hogy vegyek másikat mert nekem van 2db vevö elektronikám de egzik sem mukodik
Idézet: „van 2db vevö elektronikám de egzik sem mukodik” adó is kellene hozzá
Az is van
az működik
Igaz rx-2b hejet nem lehet teni tx-2b :no: Mert tx-2b-m volna
rx -es az VEVŐ
tx -es az ADÓ üdv
Nah sikerült elinditanom a vevőt
és most azt szeretném kérdezni hogy van az adón és a vevőn egy ojan hogy TURBO (az adón6-os láb/vevőn12-es láb) mit csinálnak azok pontosan?Gyorsitják az autot (vagyis több voltot ad a motornak?)?
A próblémám a következő: Építeni szeretnék egy távírányítású hajót, egy meglévő távírányítós autóból. Az elektonikának az a baja, hogy nem nagy a hatótávolsága, kb. 50-80m. 27.255 kvarc van benne, ami gyárilag is cserélhető. Most az ajánlott legnagyobb van benne -nem tudom számít-e valamit-. A kérdésem a következő: Hogyan lehet megoldani, hogy nagyobb legyen a hatótáv? És mennyivel növelhető még meg? Vagy olcsóbb lenne venni egy nagyobb távú adó-vevőt?
Ui.: 2 csatornás az adó-vevő. (előre-hátra; jobbra-balra) Viszont Nekem még egy funkció kellene. Erre egy ÉS kapcsoltra gondoltam. (pl.: hátra és jobbra)... Ez helyén való lenne, vagy van egy egyszerűbb megoldás, egyáltalán kivitelezhető-e így?
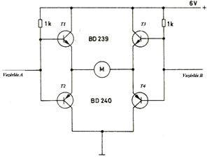
Hatótáv növelésre itt egy kapcsolás.
Az adóról dobj egy képet belülről, lehet tudok neked mondani egyszerűbb okosságot a plusz funkcióra. A Csaba kb. fél éves kérdésére válasszolva a Turbo mód a TX2-RX2 párosnál csak egy plusz funkció. Ha nincs bekötve akkor nem csinál semmit. Egyes játékautókban úgy van megoldva, hogy a az x elemből pl. x-3-at kapcsol normál módban a motorra, a turbóval pedig az összeset. Viszont remekül lehet egyéb célokra felhasználni. pl., hogy a lerágott csontot idézzem: etetőhajórakomány kibillentésre.
Köszönöm, hogy válaszoltál.
A kapcsolási rajzot már korábban nézegettem, de nem találok hozzás VN66AF-et, sem IRFR310-et sem. Rendelésre sem tudnak hozni. Talán VN66AFD-t, de azt sem mondták biztosra. (Bár ez szerintem nem is jó.) Ui.: A képek kicsit rossz minőségűek, de talán ki birod bogarászni. Ha esetleg mégsem, kérdezz. Válaszodat előre is köszönöm!
Szia!
Ne IRFR310-et keress, IRF310-et. Egy apró elírás volt. vega mester azt mondta van a Lomexben. A képek... Hát. :no: :no: khmm.... Olvasd végig Topi friss finom cikkjét ami a fotózásról szól. Amúgy a bal oldali vezérlő IC -re mi van írva? Jahh és tegnap terveztem egy nyákot ehhez az erősítőkapcsoláshoz. Kipróbálva megépítve nem volt, de majd sort kerítünk rá. Ilyen vezetősávimpedanciát és társait nem számolgattam, reméljük működik így is.
Grrr...
Nem csatolta tar.gz-ben. Sebaj majd zipben felmegy.
Rendben, akkor körülnézek FET ügyében. Köszönöm.
Az IC L9362 (5289103) Milyen programmal lehet megnyitni a fileokat, amiket feltöltöttél?
A tömörítést mondjuk winrarral, winzippel. Linux alól csomagoltam, de gondolom megbirkóznak vele a wines tömörítők is. A nyáktervek Eagle -ell készültek.
Hm...
Az L9362 IC-ről nem találtam semmi érdemlegeset. Azaz találtam csak az nem ez a z IC. Mivel 14 Lábú szóval az is megeshet, hogy valami noname TX2 klón. Ahhoz, hogy effelől megbizonyosodjunk vesd össze a bekötését a TX2-es IC lábkiosztásával. Táp ugyanoda esik-e?, A gombok ugyanoda vannak -e veztve stb. Esetleg nézz szét a vevő áramkörnél. Lehet abban meg RX-2es IC lesz.
Én sem nagyon találtam az OKI L9362-es ic-ről semmit.
Ehhez a TX2-es ill. a RX2-es kapcs. rajzot hol találom?
Csao! Találtam pár rajzot, de majd holnap írom a rizsát ha valakit érdekel! Ez csak encoder/decoder de kiegészítve komplett távirányitós szerkezet építhető meg. Azok kedvéért írtam akik esetleg építésbe fognak egy kiindulópont lehet. Viszont nem építettem meg de sztem működik. Próbáltam más fórumon is hogy foglalkozzunk vele de befulladt. Előre is köszi mindenkinek aki hozzászól és építő ötleteket mond!
|
Bejelentkezés
Hirdetés |











az működik
és most azt szeretném kérdezni hogy van az adón és a vevőn egy ojan hogy TURBO (az adón6-os láb/vevőn12-es láb) mit csinálnak azok pontosan?Gyorsitják az autot 





