Fórum témák

» Több friss téma
Fórum » Genius X.X kérdések
 
Témaindító: Menti, idő: Dec 24, 2007
Témakörök:
Lapozás: OK   20 / 29
(#) titi válasza bsany89 hozzászólására (») Jan 15, 2012 /
 
Első körbe nézd végig a tranzisztorokat, amik a st-by körben vannak.
(#) bsany89 hozzászólása Jan 15, 2012 /
 
én a táp szűrő kondira gyanakszom egyre jobban, mivel az úgymond a főkapcsoló körben van.
(#) titi válasza bsany89 hozzászólására (») Jan 15, 2012 /
 
De amíg nem kapcsolod be, a végfokoknak készenléti állapotban kellene lenniük, vagyis nem lehet a kimeneten hang.
Esetleg nézd meg a st-by körben lévő kondikat, ha kondira gyanakodsz.
De még nem írtad, hogy mi a helyzet, ha bekapcsolod...
(#) bsany89 hozzászólása Jan 15, 2012 /
 
Ugyan az ha bekapcsolom, zúg mint amikor nincs bekapcsolva, azzal a különbséggel, hogy ha a be van kapcsolva a mélynyomó is zúg.
(#) titi válasza bsany89 hozzászólására (») Jan 15, 2012 /
 
A tápfesz egyébként rendben van?
(#) bsany89 hozzászólása Jan 15, 2012 /
 
Persze a hűlózati fesz. normális. A trafóból érkező feszültség értékek is rendben vannak, némi eltérés van gyári adathoz képest de azt be lehet tudni annak h nem 40-ezres a multiméterem.
(#) mindenes válasza bsany89 hozzászólására (») Jan 15, 2012 /
 
Heló! Az egyenfesz is meg kéne mérd a puffer kondikon, kiszáradt elkó is okozhat hasonló hibát.
(#) pintergabee hozzászólása Feb 27, 2012 /
 
Sziasztok,

van egy ősrégi, Genius SW-HT5.1 3600-asom. Tipikus probléma, nem szól a jobb első csatorna. Ez ugye elvileg potméter kikopás, de szerviz azt írta, hogy csak a komplett PCB panellel együtt lehet rendelni, kb 14 ezerért. Valahol tudtok forrást ahol hozzá lehet jutni ilyen potméterhez, esetleg olcsóbban a komplett panelhez?

Előre is köszönöm!
(#) matheattila hozzászólása Márc 1, 2012 /
 
Sziasztok,
hoztak hozzám javitani egy genius 5005 -ös 5.1-est, az a gond vele, hogy nem megy a mélynyomó (a többi csatorna működik). Szétszedtem és láttam, hogy a mélynyomó végfokja (TDA7294) el volt robbanva, vettem egy újat kicseréltem de így se megy, ha nagyon feltekerem a hangerőt akkor halkan recsegve szól. A hangszórót kipróbáltam azzal nincs gond, az egyenirányító hídból is kiszedtem a 4 diódát lemértem és jónak tünnek, kicseréltem az előerősítőt is (4558 -as műveleti erősítő) és minden kondit kivéve a két nagy puffert, mert olyanok jelenleg nem voltak nekem itthon, de még mindig ugyanúgy megy. Lemértem a zener diódákat is, azok is jók. Nem tudom, hogy mit tegyek, ezért szeretném a segítségeteket kérni ebben, mit javasoltok, szerintetek mi lehet a probléma?
Előre is köszönöm.
(#) titi válasza matheattila hozzászólására (») Márc 1, 2012 /
 
Hali!
A 4 diódával párhuzamos kerámia kondit is megnézted?
Mértél feszültséget az egyenirányítás után, pl. a pufferkondin?
(#) titi válasza pintergabee hozzászólására (») Márc 1, 2012 /
 
Hali!
Miből gobdolod, hogy hanem szól egy hangszóró, az csak poti hiba lehet?
Mi van, ha a végfok szállt el?
Vagy szétszedted, megvizsgáltad már a potit?
(#) pintergabee válasza titi hozzászólására (») Márc 1, 2012 /
 
Szia,

szervizben volt, ott készült a diagnózis
Amit leírtam, azt mondta a szaki. Némileg én is értek hozzá, tudom, hogy mi micsoda, mi a szerepe, tehát akár magam is kicserélném, ha lenne mire, de a hibadetektálást másra hagytam.
(#) titi válasza pintergabee hozzászólására (») Márc 1, 2012 /
 
Értem, azt hittem, hogy a szervízbe csak a javítás költségeiről érdeklődtél.
(#) matheattila válasza titi hozzászólására (») Márc 1, 2012 /
 
A 4 diódával párhuzamosan nincsenek kondik, ott a hleyük a panelen de nem volt egyik mellett sem kondi.
Lemértem a feszültségeket is, megvan a +/- 35V, a kis műveleti (elő)erősítőn is megvan a +/- 9V a zener diódák miatt. Most még a puffer kondik helyett is tettem mást de úgy se megy, most már azért kezd idegesítő lenni.
Cseréljem ki a 4 diódát és tegyek melléjük egy-egy 100nF-os kondit?
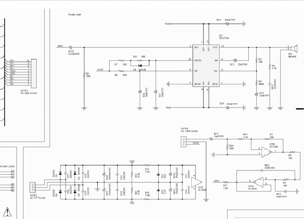
Csatoltam a kapcsolási rajzot.
(#) titi válasza matheattila hozzászólására (») Márc 1, 2012 /
 
Kapcsolási rajz már van ebben a topikban, inkább mutass fényképet a panelról, főleg a forr. oldalról.
Több szem többet lát.
(#) matheattila válasza titi hozzászólására (») Márc 1, 2012 /
 
Na lekészültek a képek is, sajnos jobb minőségre nem volt lehetőségem, de remélem ez is jó lesz
Ahól barnás/szürkés/vöröses foltok, elkenődések vannak azok valami gyári festékek.
A SWAMP az a mélynyomó erősítő része, az AMP az többi csatorna erősítő része. Az AMP nyákon is kicseréltem a bekarikázott műveleti erősítőt, annak a kimenetéből megy a jel a mélynyomóhoz.
(#) titi válasza matheattila hozzászólására (») Márc 1, 2012 /
 
Első körben szépen takarítsd le a ráégett gyantamaradványokat a forrasztásokról!
Azok kondenzátorkén tudnak viselkedni, és elég szépen beleszólhat a dologba.
Ha az megvan és még mindig megvan a hiba, akkor kezdhetünk tovább vizsgálódni...
(#) matheattila válasza titi hozzászólására (») Márc 1, 2012 /
 
Letakaritottam, de még mindig nem megy, vagyis csak mint eddig, ha felhúzom egészen a hangerőt és a melynyomó hangerejét középállásban hagyom akkor nagyon halkan hallszik valami de az is csak recsegés, ha a mélynyomó potméterét feltekerem teljesen akkor hangosabban hallszik a recsegés (a számítógép hangereje 50%-on volt). Az érdekes benne az, hogy a többi csatorna tökéletesen működik, a mélynyomó hangszóróját is kipróbáltam külön és az is jó. Nem tudom, hogy mi lehet a baja, lassan kezdem feladni a harcot, már két napom ráment és már többet nem akarok eltölteni vele, csak a sok fölöslegesen eltöltött időt sajnálom, mert helyette tudtam volna foglalkozni az államvizsgámmal
(#) titi válasza matheattila hozzászólására (») Márc 1, 2012 /
 
Az ón szépen felfutott az általad cserélt alkatrészek lábára, nem hidegforraszosak?
Azért kérdem, mert pl. az egyik diódánál úgy tűnik, az.
Ha biztos vagy a forrasztások jóságában, akkor próbálhatnál közvetlenül a végfok bemenetére kötni jelforrást, hogy kizárjuk az előfok hibáját.
Még egy kérdés felmerült bennem, amikor cserélted az IC-t nem melegítetted túl sokáig, nem kaphatol túl sok hőt?
Ja és ugye borda van rajta?
(#) matheattila válasza titi hozzászólására (») Márc 1, 2012 /
 
Nem hinném, hogy hidegforraszosak lennének, mert forrasztó pisztollyal forrasztottam, de majd megnézem azt a diódát.
Megpróbálom majd holnap, hogy a végfok elé tegyek valami jelet.
Nem gondolom, hogy nagyon felmelegedett volna, mert arra ügyeltem, keveset tartottam rajta a pisztolyt és nem sorra vettem a lábakat, hanem ugráltam egyik felétől a másikra. Igen, van rajta egy nagy hűtőborda, de el van szigetelve a végfok fém részétől.
Majd holnap felteszek egy képet a letisztított panelről.
Köszönöm az eddigi segítséged, jó éjt, majd holnap még jelentkezem
(#) matheattila válasza matheattila hozzászólására (») Márc 2, 2012 /
 
Üdv újra, itt is van a beígért kép.
Ma elvittem az egyetemre és ott méregettünk az egyik tanárral, a bemenetre jelgenerátort kötöttünk és nézegettük a jel változását a panelen, az előerősítő rendben van, mert a kimenetén szépen látszott a jel invertálva, erősítve és szűrve, a végfok bemenetéig szépen el is jutott a jel, viszont a kimeneten egy nagy egyen feszültség jelent meg egy 8 ohmos terheléssel.
Ott se jöttünk rá a hibára, már beleúntam, úgy hogy összeszerelem és visszaadom, már többet nem húzom vele az időt, mert már így is sok dolgomtól elmaradtam.
Köszönöm a segítséget. Tiszteletem.

IMG_3405.JPG
    
(#) matyusz válasza matheattila hozzászólására (») Márc 2, 2012 /
 
Üdv.
Nincs kizárva, hogy gyári hibás a végfok IC. Igen és persze ezeket borda nélkül sosem szabad fesz alá helyezni. A feszültségeket mérd meg mindenhol, az ellenállások is lehetnek hibásak. Ez a pattogó hang amit írsz én nekem arra utal, hogy nem kapja meg a szimmetrikus táp egyik felét. (Pont ezelőtt héten jártam így egy végfokkal...) Tehát minden ellenállást is nézz meg színkód/mérés alapján, minden kondit. Ha minden jó akkor elszállt az ic-n belül valami. Ja és a hűtőpaszta is elengedhetetlen . Ha jutottál valamire, vagy kell még segítség nyugodtan írj.
(#) mindenes válasza matheattila hozzászólására (») Márc 2, 2012 /
 
Nem kell ilyen hamar feladni pláne nem a vége felé ezzel a végfokkal, nem egy bonyolult áramkör ez,alkatrész is alig van benne. Mérj ki mindent alkatrészt mégegyszer figyelmesen ami gyanús cserélni kell. Valószínű hogy csak egy apróság kerülte el a figyelmedet. Ami még fontos hogy az ellenálásokat is cserélni kell, ebben a típusban ezek is elég sűrün megszoktak halni, főleg az ic melletieket.
(#) titi válasza matheattila hozzászólására (») Márc 2, 2012 /
 
Akkor eléggé IC gyanús.
Azt írtad korábban, hogy megvan a +/- 35V, tehát nem valószínű, hogy a végfok felemás tápot kap.
Azonban még ellenőrizd le az R1 ellenállást, a vele sorba kötött kondit az R12, és az ezzel párhuzamosan elhelyezkedő ellenállást. (annak nem látom a számát a konditól)
De mivel a kimeneten egyenfeszt mérsz, nagy valószínűséggel az IC a hibás.
(#) matheattila válasza titi hozzászólására (») Márc 2, 2012 /
 
Lemértem minden ellenállást és azokat az értékeket mutatják mint a vonalkódok és a kapcsolási rajz. Minden kondit kicseréltem, a diódákat is lemértem és minden jó volt. Természetesen mindig hűtőbordával próbáltam, (nem melegedett soha egy alkatrész se).
Így akkor már csak az IC marad a hibás, majd legközelebb veszek egy másikat és majd megpróbálom azzal, lehet hogy egy egész sorozat hibás a boltban.
Egyelőre most egy ideig hanyagolom, mert már nagyon elmaradtam emiatt az államvizsga dolgozatommal és egy projektemmel ami a jövő hétre kell, úgy, hogy esetleg egy-két hét múlva megint előveszem és megnézem.
Mindenkinek nagyon szépen köszönöm a sok segítséget és a fáradozást, majd jelentkezem ha sikerül valami.
Minden jót.
(#) Chokapick hozzászólása Márc 14, 2012 /
 
Sziasztok

Szorakozik velem ez a genius eloerosito. Az 5.1-nek az egyik fele uzemel. Front kimenetbol egyik,Sorroundbol egy valamint a center.A tobbi nema.
-Trafot mertem tap rendben
-A 4558 Ic-k-re adtam jelet,de csak a 3-as bemenetre reagalnak.Az 5os labra is adtam jelet hatha megszolal a maik oldala is de nem.
-Probaltam eloerosito panel nelkul kunon kulon minden vegfok bemenetere adtam jelet es ugy minden rendben.
Tehat azt mar tudom,hogy ezen a panelen veszik el az egyik oldal.2db 4558-at mar csereltem,de semmi valtozas.A masik IC a panelon egy BA6208-de az a motor driver.
Mit gondoltok hol lehet a hiba?

P1080548.JPG
    
(#) matyusz válasza Chokapick hozzászólására (») Márc 14, 2012 /
 
Üdv.
Lehet esetleg potméter hiba is.
(#) Chokapick válasza matyusz hozzászólására (») Márc 14, 2012 /
 
Matyusz lehet igazad lesz,mert tovabb mericskeltem es a master potinal teljesen elvesztem.Kifogom venni es megmerem.
(#) pintergabee válasza Chokapick hozzászólására (») Márc 14, 2012 /
 
Az enyémmel is ez a helyzet, ezt már szerviz állapította meg, én nem ástam bele magam ennyire. Viszont csak a potméter nem rendelhető (hivatalosan). Az egész panel pedig kb 15000. Úgyhogy ha tudsz esetleg poti forrást, ne tartsd magadban
(#) matyusz válasza pintergabee hozzászólására (») Márc 15, 2012 /
 
Ha a közelben vagytok esetleg, akkor megpróbálom megjavítani a potit De utána nézek hátha lehet kapni valahol.
Következő: »»   20 / 29
Bejelentkezés

Belépés

Hirdetés
XDT.hu
Az oldalon sütiket használunk a helyes működéshez. Bővebb információt az adatvédelmi szabályzatban olvashatsz. Megértettem