Fórum témák
» Több friss téma |
Fórum » Napelemes akkumulátor töltés (notebook, telefon, kamera)
Témaindító: hgpl, idő: Máj 7, 2009
Témakörök:
Problémám többes. Hosszabb kerékpártúrára mennék. Viszek magammal kamerát, laptopot, telefont. Ezeket mindet tölteni kellene, de nem lesz útközben erre lehetőségem. Elképzelésem szerint napelemtáblát vennék. Vannak is kafa típusok, a hordozható általában 12V-ot 10W ad le.
A mobil, 3,7V Li-Ion A notebook 14,4V 2200mAh Li-Ion A kamera 3,7V 1800mAh Li-Ion A töltést mindegyik eszközhöz szeretném ha működne, magyarul szabályozható kimenet, A gondom leginkább a 14,4V van. Annak a töltéséhez esetleg egy egyenáramú feszültség sokszorozó jöhetne szóba. Szóvel minden érdekel (és az időm korlátos ) mert pár hét múlva indulok.
Szia
A napelemeknek álltalában magasabb az üresjárati feszültsége (akár 26V is lehet) igy lehet hogy minden plusz eszköz nélkül képes tölteni a laptopot. A mobilhoz meg a kamerához lehet hogy érdemesebb autos töltöt beszerezni.
Az autós töltő alatt mit értesz? (nincs autóm
)
Az amit az auto szivargyujtójába lehet bedugni és 12v rol tölti a telefont.
Sony ericsson-nak (5v töltőfesz) próbáltam napelemes töltőt csinálni a régi kerti lámpákból (azok amiket le lehet szúrni a földbe és egy led világít benne). 12db-ból szedtem ki a napelenet, aztán összeragasztottam. Így 20cm X 26cm-es lett. Működött.
Talán néz szét itt:Bővebben: Link Hátha találsz valamit.
Szia!
a 12v 10w -s napelem nem fogja feltölteni. Mert A 10X min 1.25 esetleg 1.5 solárállandóra vonatkozik--a gyakorlat meg 0,1---0,95: tehát jó ha kapsz 6-8 W-t de azt is csak napi max. 6 órán át(hiába .ezek kinai mértékegységek!!) a Somogyi és a Conrad cégeknél lehet venni állitható kimenő feszültégű szivargyújtó töltőket. a kimenő áram 0,5-0,8-1,5 A lehet , ezek elviselik a 30V bemenő feszt. is. de ha csak valami sima ilyet veszel is -könnyű átigazitani állitható feszültségűre. mekkora napelemben gondolkodol ? illetve a kézigenerátoros akkutöltést sem vetném el.... szintén lehet kapni a józsefvárosi piacon....
Sziasztok!
A segítségetek kérném, az alábbi ötletem megvalósításhoz. Arra gondoltam, hogy a régi (400 Mhz-es) Pc-m, egy autó aksiról működtetném, és mivel a napelemes aksi töltők megfizethetővé váltak, az akkumulátort napelemmel tölteném. A kérdéseim: Működhet-e ez az elgondolás? Mi szükséges a Pc és az aksi összekötéséhez? A napelemes töltőt ráköthetem-e az aksira folyamatosan, vagy valamiféle elektronikát is be kell kötnöm? Köszi
Kedves mindenki!
LED-es baseball sapkát "építek". Átnyálaztam a fórum nagy részét, és rengeteg információmorzsát összeszedtem, végül mégis úgy döntöttem, hogy ebben a topicban kérdezek, mert kezdő lévén nehezen tudom az infókat szintetizálni. A sapkát úgy szeretném megépíteni, hogy egy(max 2) kertilámpából kivadászott napelem töltse. 4 db AAA elemet sorba kötve a ledeket párhuzamosan rájuk kötve gyönyörűen világítottak, minden ok volt, és ami nagyon lényeges, tudtam a gyakorlatban( horgászás, egyebek) használni. Ekkor jött az ötlet, hogy tovább kéne gondolni, és fenntarthatóvá tenni. A probléma ott kezdődik, hogy a napelem kb 1,5 voltot tud, 1 lednek meg min 3,2 Volt kell. Az első ötletem az lenne, hogy egy nokia akksit(3.7 Volt) használnék. Ez a LED-ek nek jó lenne, csak hogyan töltöm 1.5 Volttal? ekkor addig nyálaztam a fórumot, míg nem ismerkedtem meg a step-up konverterrel. az én kezdő agyam szerint ha úgy kötném, hogy napelem step-up, NiCd töltésvezérlő, akksi akkor működnie kéne. Ezért fordultam hozzátok, hogy ezt szerintetek hogy a francba kéne megoldani. A másik kérdés az már szerintem egyszerűbb: sapka lévén nem találtam olyan kapcsolót, ami lapos lenne annyira, hogy a simli belsejére rá tudnám tenni. Ekkor jött az ötlet, hogy nyomógombbal kéne megoldani, mint a biciklivillogókban. DE csak két verzió lenne: ég, nem ég. ezekben a kínaiak meg mind karácsonyfa módjára villognak össze-vissza. létezik(biztos) olyan kapcsolási rajz v vmilyen kütyü, amit ha bekötök a kis áramkörömbe, akkor egy nyomógombbal jelet adva ki-be kapcsolja a LEDecskéim? Nagyon jól jönne a segítség, mert jön a tavasz, és addig meg szeretném építeni, ha másnem napelem nélkül, de tölthető akksival. Előre is köszönöm minden fórumozó segítségét Tisztelettel: Nagy Miklós
Sziasztok! Notebookot szeretnék üzemeltetni 12 voltos akkumulátorról. 20 volt és 4,5 Amperes a gyári tápegysége. Van-e valami ötletetek a megoldásra? Kapcsolási rajz, esetleg,ha valaki már épített ilyet, megosztaná velem? Köszönöm.
Talán ettől egyszerűbb megoldás nincs is
Ha kell megrendeljük neked melóban.Az árában benne van a szállítás is. ~1500ft
Nem tudom.Üzem közben is elég a teljesítménye? Mert lehet tölteni tudja,de elég ez hozzá?
Számold ki az eredeti táp max. leadható teljesítményét. Ez 90W. Szerinted fogyaszt ennyit a laptopod? A linken szereplő pedig 80W-os táp. Ennyit fogyaszt szerinted a laptopod? Na ugye, hogy elég lesz.
Még valami:
Üzem és töltés közbeni fogyasztás. Úgy tudom vannak laptopok, melyek mennek akksi nélkül is és melyek nem. Ez azt jelenti, hogy míg az előbbi a töltés befejeztével átkapcsol és a tápról üzemelteti a gépet az akku kihagyásával, az utóbbinál a gép és a táp között mindig ott az akku. Hogy a tied melyikhez tartozik, azt nem tudom, de lényegtelen is. A lényeg: ha tölteni tudja, akkor a közbeeső üzem már abszolút nem okozhat neki problémát. Egyébként ha a gyári táp adatainak megfelel, akkor nincs mitől félned. Ha kell, szólj, leboltoljuk.
Nézd meg a laptopod alján levő táblán szereplő teljesítmény felvételt, és annak megfelelően válaszd meg a laptop tápegységének a teljesítményét.
Nem kell feltétlen külföldről rendelni, itthon is kaphatók ilyen DC tápegységek.
Szia! A gép alján is ugyan az van írva mint a tápegységre. 4,5 Amper 20 volton.
Szerintem kell, ha meg nem lesz jó akkor sem ver földhöz az az 1500.- Forint. Szia.
intézkedem...
Köszönöm.
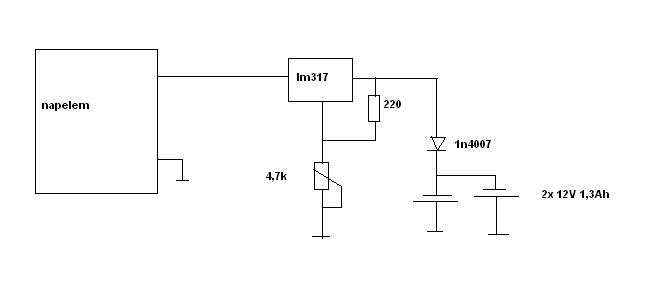
Sziasztok!
Mellékelt áramkörben kell-e vmit változtatni? napelem üresjárási feszültsége 17.7V , 280mA névleges teljesítményű, stabkockával csinálok 13.6 Voltot. Plussz egy kérdés,rajta maradhat a napelemen ha feltöltött az akksi?(este 6db LED-et hajtana)
LF33 ?3.3 Voltot csinál 1Amperig max. LM317 pedig 1.5 Amper, akkor mire értetted a nagyobb terhelhetőséget?
Üresjárásit lehet h rosszul adtam meg, mert a panelom 5Voltos cellákból van összerakva ,verőfényes napsütésben ad 17.7 Voltot és abból csinálnék 13.6 Voltot annyi a max töltő feszültsége az akksiknak ugye,töltő árama kb tizede az akksinak ,két akksi 2.6 Ah az akkor 260mA ekkor elméletileg nem kell elé diódán kívül semmi.Ha mellékelsz nekem kapcsolásirajzot azt megköszönném h te hogyan gondoltad,lehet h én vagyok csak sötét
A 'nagyobb' kifejezéssel azt szerettem volna jelezni, hogy a maximális 280mA kihasználásához nem elég egy TO92 tokos LDO.
A panelod 5V blokkokból van összerakva, egy napelemcella feszültsége 0.5V Az LM317-en sokkal nagyobb feszültség esik, mint az LF33-on. Ezért az LF33 használatával több ideig lesz működőképes a töltőáramköröd. Az áramköröd az általam javasolt változtatásokkal jó lesz. A feszültségszabályzó valóban elhagyható lenne, ha csak az akkumulátort szeretnéd tölteni. Mivel a tervezett áramkörben egyéb alkatrészek is lesznek, azokat mindenképpen védeni kell a teljes feszültségtől. Ezt a feladatot látja el a feszültségszabályzó IC. Ha Neked nem fontos az akkumulátoraid hosszú élettartama, akkor tényleg nem szükséges az LF33. Próbálj precízebben fogalmazni, és figyelj oda a helyesírásodra, mert így elég nehéz értelmezni a mondanivalódat. A "," helyett a h betű elég ritka elütés.
Valószínű ,hogy a probléma bennem van.
Idézet: „A 'nagyobb' kifejezéssel azt szerettem volna jelezni, hogy a maximális 280mA kihasználásához nem elég egy TO92 tokos LDO.” Én LM317-tel akartam megoldani ami TO-220-as tokozású. Lf33-mal ami 3.3 Voltot csinál soha nem fogom feltölteni a 12V-os akksikat. Ha a töltőfeszültség 12V alá esne automatikusan lekapcsolna csak az áramkör azon részét nem rajzoltam be. Idézet: „A panelod 5V blokkokból van összerakva, egy napelemcella feszültsége 0.5V” Napelemtáblám 5V 70mA-os darabokból van összerakva, 4sor van párhuzamosan kötve ,egy sorban 3cella van sorosan bekötve. 0.5V-ot nem tudom mire értetted. Ha küldenél kapcsolási rajzot ,ismételten megköszönném lehet,hogy azt átnézve megérteném a gondolatmenetedet.
Az LM317 nem LDO, hanem egy közönséges feszültségstabilizátor IC. Referenciafeszültsége 1.2V, ezzel hogyan fogod feltülteni a 12V akkumulátort?
Az elemi napelemcella (fényelemcella) feszültsége 0.5V szerintem. Ha több sorba van kötve belőle, akkor keletkezik egy panel, ami már a 0.5V többszöröse.
A segítségeteket kérném. Elnézést a láma kérdésekért, kezdő vagyok a témában. Sokat olvasgattam a fórumot, de vásárlás előtt azért gondoltam inkább kérdezek.
Vásároltam a telekre egy 50w-os napelemet (max.17,9V; 2,8A) ezzel szeretnék 12v-os ólom akkumulátort (45Ah) tölteni. Ezt a töltésszabályozót néztem ki, érdeklődnék, hogy szerintetek megfelelő lenne-e hozzá: http://www.conrad.hu/conrad.php?name=Products&pid=110173 Ill. az akkumulátorról egy laptopot szeretnék tölteni: (töltője 19V, 3,42A ad le, az akksira ez van írva 11,1V; 4,4Ah, 49Wh) ehhez a következő autós töltőt néztem ki: http://www.conrad.hu/conrad.php?name=Products&pid=512662 Ezen kívül vennék egy szivargyújtós aljzatot és azt kötném az akksira, így a szivargyújtós töltő egyszerűen rádugható és nem kell szétgányolnom. Az lenne a kérdésem, hogy megoldható-e lenne ez így szerintetek? Köszi előre is a választ.
Szia!
A töltésszabályzó gyengének tűnik, mivel 4A-es fogyasztóval terhelhető. A laptoptöltő többet is fel tud venni. Ha a laptoptöltőt közvetlenül az akkura kapcsolod, akkor elég lenne, de ez esetben nem kapcsolna az akku mélykisütését elkerülendő. üdv:hp
Köszi szépen!
Hány ampereset érdemes hozzá venni?
Ti mernétek különböző napelem modulokat összekapcsolni? Pl kertilámpából monokristályos és ebay-ről rendelt polikristályos?
Szia!
Régen kb 15 éve még ilyennel kisérleteztem. Sajna felfedeztem újra , amit az iskolában is tanitottak. Tehát nem célszerű. Ha 100mW -s napelemekből akarsz 1W-t épiteni, nem fog jól működni. Az általad kérdezett kettőt simán sorba lehet kötni -- persze kellenek a bypass diódák is. a rajz szerint. |
Bejelentkezés
Hirdetés |




) mert pár hét múlva indulok.
)
Ha kell megrendeljük neked melóban.
~1500ft 






