Fórum témák
» Több friss téma |
Fórum » TV hiba, mi a megoldás?
Na erről beszéltem! Javítása felejtős, mert nem tudod visszaragasztani a felvált fóliát.
Mivel, hogy 3 hónapja vetted, a garancia még igencsak életben van! Keress egy szervízt és megoldódik a problémád.
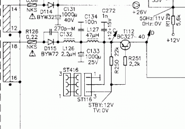
Úgy két éve ugyan ezzel a problémával volt nálam egy videoton, igaz nem TS6354, hanem valamivel kisebb, de az is teljesen rendszertelen időközönként kikapcsolgatott. A tiédhez rajzot nem találtam, de szerintem nem nagyon különbözik a táp része az enyémtől. Annál, ha jól emlékszem egy kis bc tranyót kellett cserélni a szekunder oldalon rögtön a táp közelében, azt hiszem áteresztőként volt bekötve és az kapcsolta stby-ba a masinát, amúgy 12V-ot adott. Mérve jó volt hidegen, de ha megmelegedett egy kicsit, akkor kikapcsolta a tv-t. Ezt még kipróbálhatod.
Megtaláltam azt a részletet, hátha ilyen a tiéd is.
A sorkimenő forrasztásait és közvetlen mellette a fóliát nézd át repedés ügyileg. Meg a táp mellett van egy 470µF 25V kondi. Az is szokott gyagyulni.
Sziasztok szükségem lenne egy kapcsolási rajzra thomson 21mx132 típusú tv-hez . Készenléti álapot sincs rajta esetleg valami ötlet?
Szia!
Mellékelem a rajzot. Tápegység-ellenőrzéssel kezdd. Ötletek: biztosíték...feszültség a hálózati pufferen...stb.
És a szokásos kapcsolóüzemű táp ellenőrzések.
Szia!
Köszönöm. A részlet sajnos nem hasonlít. Van kapcsolásom, már a táprész vizsgálatán túlvagyok. Forrasztások rendben a gyanúsak átforrasztva. Ma ugyan nem volt időm foglalkozni vele de gyűjtöm a tippeket. Üdv: Gábor
Köszi!
A kezdő részben leírtam, hogy a kondikat cseréltem, sajnos eredménytelenül. Repedés egyéb nem látszik illetve ami gond lehet, átforrasztottam. Üdv: Gábor
Sziasztok! Segítségeteket szeretném kérni!
Van egy Goldstar ck-20a80x típusú tv-m! A készülék kb 5 perc után autómatikusan elhangolja magát! 33 volt megvan a zénert cseréltem, a dzsungel ic és a tuner körül az elkók cserélve és a tuner is! A segítséget előre is köszönöm!
Kerámia kondit is cseréltél? Az AFC nem megy el?
Megnéztem a TEA2029 adatlapját, a 34. oldalon írja a védelmet és a stby módot. A 28. láb a védelem, ha ide olyan fesz kerül, ami V<= 1.26V, akkor letilt. Azt kellene megnézni, hogy itt a leállás pillanatában felugrik-e a feszültség. Erre szkóp vagy analóg műszer lenne jó, a digit szerintem lassú lesz. Ha emiatt tilt le, akkor biztosan túlterheli valami kondi vagy akármi. A standby módot kétféleképpen lehet megcsinálni. Az 1-es láb GND-re kötésével vagy a 12. lábra kapcsolt feszültséggel, ami V>3V. Ezeket a lábakat is ellenőrizni kellene, hogy a kikapcsolás pillanatában mit mutat.
Van még egy elég elmebeteg ötletem, amit csak saját felelősségedre próbálj ki Kösd a 28. lábat gnd-re, ilyenkor nem tilt le, ha esetleg megnövekedne az áramfelvétel. Biztosan lefog csökkenni valamelyik tápfesz és akkor annak a vonalán kell elindulni, hogy mi szívhatja le. A betáp biztit meg cseréld kisebbre, mondjuk 500-800mA lomhára, hogy azért mégse füstöljön szét. Még egyszer! Ha úgy gondolod kipróbálhatod nagy odafigyeléssel, de nem buzdítalak rá. Vedd úgy, hogy ezt nem is írtam.
Még valami. Videoton már nem mai darab, akár egy körberepedt forrasztás is lehet a probléma. A legagyafúrtabb az, amikor a repedés tökéletesen passzol a forrszemhez és úgy néz ki, mintha jó lenne, de nagyító alatt erős fénnyel megnézve és mozgatva látszik, hogy mozog a furatban az alkatrész lába. Lehet még berohadt alkatrész láb is, ami szemre megint jó, de a forrszemhez nem érintkezik belülről. Az összes olyan csatlakozást át kellene ónozni, ami nagy hőnek és áramnak van kitéve. Ide értve a wattos ellenállásokat, diódák, smps trafó, nagyfesz trafó stb... A nagyfreki egyszerűen elfalja az ónt.
Sziasztok! Nem nagyon értek a képcsöves tévékhez, ezért kérnék segítséget olyantól, aki ért hozzá. A mellékelt rajzon, ami a "beteg" tv rajza, valaki meg tudná nekem mutatni, hogy melyik áramkör felelős a lemágnesezésért?
A válaszokat előre is köszönöm!
A csatolt képen bekarikáztam.Mi a gond a TV-vel egyébként?
A tv baja először egy táptranzisztor volt, amit kicseréltem (2SC1497) ez zárlatos volt. Aztán, ahogy bekapcsoltam működött is, csak kék illetve zöld színben piros háttérrel. Aztán már csak színes foltok meg persze fekete fehér. A három szín az megvan, mert látni a képernyő fölső szélén.
Üdv ismét! Újra hozzáfogtam a TV-mhez. Lesz ami lesz alapon kicseréltem az optocsatolót a tápban egy ugyanolyanra. A készülék így már bekapcsol, feltölti a képcsövet. A feszültségeket a panelen mértem, ott ahol jelölve van rajta. Vannak ilyen kis nyilak és mellette az érték. Mindegyik stimmel 0,5 - 1 volt eltéréssel. A sorkimenő lábain sajnos még mindig nincs feszültség. Mit tegyek vele? Kezdjem el újra az elejéről? Sortranzisztor stb. amiket leírtatok?
A terhelést bírja már a táp? Ha világít a körte folyamatosan, akkor a sor vezérlést szkópold meg.
Itt még van valami gubanc, ha az izzót bekötöm (sortranzisztor kollektora és a GND közé) a készenlét sem megy. Még mindig nem terhelhető. Keresgéljek tovább az opto körül a visszacsatolásnál?
Mire elmentettem volna a módosítást kifutottam az időből. Szóval, a pufferen a feszültség 285 V bekapcsolt állapotban, ez kevés az biztos.
Rendben. Újabb idegesítő kérdés: rakhatok bele 220 µF-ot a 150 µF helyett? Úgy tudom, hogy ilyen helyen nem számít sokat , ha picit nagyobb.
Egészen nyugodtan rakhatsz 220 µF-os kondit.
Kicseréltem. Lehet, hogy már az agyadra megyek, de azért kérdezek. Ha a tápot nem lehet terhelni, nincs benne erő, akkor a képcső mitől tud beindulni? Szépen villan egyet a sarka, ahogy minden TV bekapcsoláskor, de ennyi az összes tudománya a készüléknek. A nagyfeszültség működik, a táp is, hallatszik. Igazából nem tudom ez jó vagy rossz, de ez a TV mindig "visított". Hallani lehetett egy nagyon magas frekvenciájú sípolást belőle. Összegezve: A készülék bekapcsol, de se kép se hang.
Kerámia kondit nem cseréltem! Hát gondolom hogy az AFC megy el mert nem tudja megtartani a csatornákat! Az AFT az szerintem jó mert autómatikus keresésnél megtalálja őket! Nem lehet hogy a proci adta meg magát?
A tápegység kimenetére kötött szűrőelkóból képes ennyi időre energiát nyerni a sorvég. Egyre inkább a táp-IC-t kellene revízió alá venni. Apropó: a primer oldali egyéb alkatrészek ki vannak mérve? Rengeteg dióda, ellenállás meg kondi van ott.
Én már azért kipróbáltam volna optó és szekunder nélkül azt a tápot, hogy mit csinál. Opto ki, szekunderből csak a sortápot benthagyni. Opto primer oldalát kiváltani egy 10k trimmerrel és legnagyobb állásban indítani izzós terheléssel, műszerrel mérve. Trimmer teker lassan lefelé és lesni, hogy mit csinál. Ha eléred azt, hogy világít a körte névleges sortápfesszel, a trimmert nem bántani tovább. Akkor a hiba a szekunder oldalon van. Szivárgó dióda, csökkent kapacitású kondi, TL431 stb.
De ennyi idő alatt már megcsináltathattad volna.
üdv mindenkinek gondom lenne egy orion T 2522 STX tv vel a hiba a következő bekapcsolom be is jön de hang nincs és még csatornát sem talál mintha nem érzékelné az antennát a tuner de viszont euroscarton keresztül dvd vel próbálva kép van hang ugyanugy nincs rajzom van hozzá adjatok már valami ötletet hol keresegéljek esetleg ha bejelölnétek a rajzon javitottam már egy párat de ilyet még eddig nem köszönöm segitségeteket előre is pisti
Szia!
Köszönöm a tippeket, hét végén tudok ismét nekiállni, akkor végig megyek a kritikus pontokon. A nagyítós átforrasztós műsoron már túlvagyok, de minden alkalommal mikor cserélek alkatrészt a környéken újra ónozom a panel részeit. A TEA lábainak "logolását" elég nehéz kivitelezni mert néha fél napig is megy a szerkezet gond nélkül. Mindenesetre megpróbálom figyelni mikor sűrűbben kapcsolgat lefele. Mégegyszer köszönöm a segítséget! Üdv: Gábor
Van egy ilyen könyv is,ami egy mondat az egész...lehet hogy olvasta
|
Bejelentkezés
Hirdetés |





Kösd a 28. lábat gnd-re, ilyenkor nem tilt le, ha esetleg megnövekedne az áramfelvétel. Biztosan lefog csökkenni valamelyik tápfesz és akkor annak a vonalán kell elindulni, hogy mi szívhatja le. A betáp biztit meg cseréld kisebbre, mondjuk 500-800mA lomhára, hogy azért mégse füstöljön szét. Még egyszer! Ha úgy gondolod kipróbálhatod nagy odafigyeléssel, de nem buzdítalak rá. Vedd úgy, hogy ezt nem is írtam. 





