Fórum témák
» Több friss téma |
Fórum » kW-os erősítő
Nekem van egy 1000wattos mondott erősítőm nyákkal. Ha érdekel valakit és nem halt meg a topic akko írjo valaki és felteszem.
Na az a helyzet az az 1000w-os kapcsolás már nincs meg de van egy 2000w-osnak
mondott kapcsolásom nyákkal meg még leírás is van hozzá. Tegnap próbáltam feltenni csak egy zip volt és nem engedte mert túl nagy volt a mérete és 00:00 körül volt és már nem volt kedvem kitömöríteni de most felteszem darabokba na akko itt van. Ha megépíted el ne felejts szólni!
Még lenne 4 ilyen dokumentum de iszonyt hosszú isdő volt ezt is feltölteni úgy hogy ha érdekel majd mailba elküldöm
Óráig kell várni
hááát, le van írva hogy 500W @ 4ohm. Az a 2kW azt igazából ő sem ismeri el, ez kb olyan PMPO szerűség lehet . Szerintem
hello megtennéd hogy elküldöd az e-mail címemere a többi pdf-et a TITAN 2000-ről, vagy megmondod h honnan lehet letölteni. (Még ha 500w-os is , márpedig annyi az sem gond mert bődületesen sok az is)
hy
nekem van egy rajzom vagy is meg is van építve mert a közeli boltban kit be lehet venni. Ez 400W 8ohm kb 800W 4ohm és azt tudom mert mértem hogy 2ohmon 1100-1150W körül ad le. De ekor már keményen hűteni kell és trafót is igényel. HA 2őt veszek lehet hidalni így 1000W fölött ad le 4ohmon is. HA esetleg sikerül akor felteszem a rajzát. Amúgy a caston 1200 szinte tök ugyan ez egy kicsit a vége másabban van kialakítva de nem sokkal.
Abba a cuccokba még van másik kapcsolás is úgy hogy... Ha meg kevés nekd akko keresek másikat jó?
Múgy ha annyira nagy teljesítmény kell akko a negydik oldalon megvan a hidalása és akko kijön 1600w. Ezt meg is lehet valósítani ha van 4db 500w-oa toroid trafód jah és itt a negyedik oldal. Innen töltöttem le. Ha valaki megépítette szóljon már mert kíváncsi lennék a véleményére. Szerintem tutira működik.
Épp akartam kérni, hogyazért linkeljük már be, vagy tölts fel vagy valami! De így már ok!
De azért beizélem így, ha nem gond! Építse meg valaki, aki Gyöngyös felé lakik, és majd döngesse meg egyszer, hátha meghallom!!! Titan_2000
hy
tudna nekem valaki segiteni,egy 2x300W rms erosito kellen ami 4Ω on adja le vagy lehet egy picit tobb is,nem gond
Tessék itt van egy ha kell még szólj mert még minden féle
Sziasztok,
bírom itt a népeket, kW-os erősítők, meg sokszáz wattosak, de minek? Ugyan, jelentkezzen már valaki, aki otthon képes mondjuk egy cd-t végighallgatni csak 2x50W-on úgy, hogy még élvezi is.... Olyan érzésem van ezekkel a sokszáz wattos vackokkal kapcsolatban, mikor valaki vesz egy motort/autót, ami 320-szal tud menni, mikor 130 a legnagyobb sebesség, amivel az országban autózni lehet, vagy mindentudó terepjáróval ki sem mozdul a városból... Természetesen tisztelet a kivételnek (hangosítók, diszkósok, és más szakemberek...).TaTa
Nah igen. Az én hifim pont 2X50Wattos
Maximum hangerőn végighallgatni egy cd-t a kis szobába tényleg nagyon nagyon hangos. Bizonyos zenéknél szinte halgathatatlan. De mikor elvittem egy buliba, nah ott viszont kevés volt. Azért írom mert nemvok se diszkós se hangosító, de sok buliba kell vinni hifit és oda azért több kel mint 2X50Watt.
Szia Gery,
ez igaz, ezért írtam, hogy "más szakemberek"... Ebbe vegyük bele a buli-szakembereket... Bár megfelelő ládákkal még szabadtéren is elég volt nálunk egy 2x50W-os Beag Qualiton, 10 méterre a hangszóróktól is csak kiabálva tudtunk beszélgetni....TaTa
Qualiton csak 1*50w de brutál jo cucc.......
"Ha a teremtő tudta volna hogy mára mekkora hangerővel ,mekkora tereket kell hangosítanunk, tizszer nagyobra választja a hang terjedési sebességét."
Szia dbase,
van Qualitonból sztereo is, kívülről ugyanúgy néz ki, mint a mono, csak belül nagyobb toroid van, és két mono végfok, a kimenőtrafó és a 100 voltos kimenet meg nincsen benne.... A típusszámát nem tudom, sajna még nem találtam magamnak egyet, egyszer láttam a Vaterán egy eladót, de lecsúsztam róla.... TaTa
Neked nincs meg annak a qualition kapcsolása?? Mert nagyon jól szól ha egyről beszélünk én egy stereo keverőerősítőről beszélek.
ne épitcs qualitiont azaz BEAGot.
mert mért ne építse?
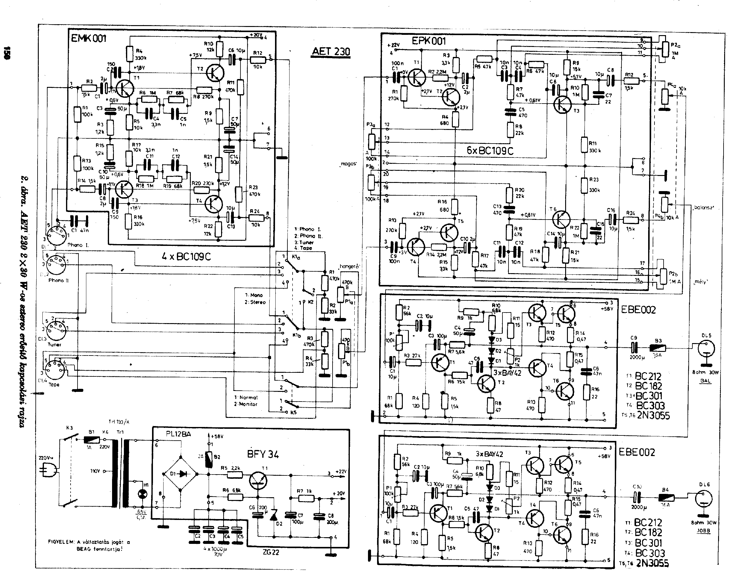
Én épitetem egy AET 250est ment is egy darabig utána meg állandoan kigyuladtak a potik bene.A gyáriba baromi nagy huzal potik vannak de ha valami tönkremegy a végfokbn akkor legtöbször azok a böszme potik is kigyuladnak.Enyémet el is fogom bontani, mindent kimértem minden jo és mégis kigyulad(szoszerint)Nem azt mondom, lehet vele kisérletezni de nekem nem vált be.Egyébként nem volt vészes a hangja kicsit kemény Quadra emlékeztet.
Ahol anya tanít ott egy ilyen van és 100/170-es hangfalakat rotyogtatja
Elég szép dinamikája is van meg orólat megy teljes kivezérléssel és bírja Szerintem jó kis erősítő ha meg van valakinek a kapcsolása szerintem megépítem Jah amit én láttam az nem Beag. Majd ha sikerül csinálok róla képet
hozáteszem a rajzon hibásan van megadva egy ellenálásérték.Ugye a gyári komplett erősítőnek a rajzán mindkét csatorna ábrázolva van nos az egyik csatornán az egyik ellenálás 4,7K a másik csatornán ugyanaz az ellenálás meg 47K nak van irva.
Qualitionok beagok.Itt a rajzok én a Aet 250 et épitetem
Szia sound.man!
Amire te gondolsz az nem a BEAG AET 453 keverőerősítő? Az viszont tényleg tuti cucc 50w-os rövidzárvédett, ütni vágni lehet. Sulirádiózásra használtuk régen
Halihó!
Én még a Videoton Ea 6382 s-t ajánlanám. Ez is 2X50W Ohm on. Bitang jó, kertipartiba is alig bírtunk mellette beszélni és 2-3 utcával is arrébb is lehetett hallanni. Szép tiszta hangja van szerintem. Én is most akarok építeni 4 ilyen végfokot. Nekem ez jött be nagyon. |
Bejelentkezés
Hirdetés |




Olyan érzésem van ezekkel a sokszáz wattos vackokkal kapcsolatban, mikor valaki vesz egy motort/autót, ami 320-szal tud menni, mikor 130 a legnagyobb sebesség, amivel az országban autózni lehet, vagy mindentudó terepjáróval ki sem mozdul a városból...


