Fórum témák

» Több friss téma
Fórum » Tápegység LM317T-vel
Lapozás: OK   30 / 51
(#) ZOL94 hozzászólása Márc 1, 2012 /
 
Sziasztok!

Csináltam egy tápot LM350-nel. kapcsolás: graezt-híd 25V 2200µF puffer Lm350 6 és 91 kohmmal belőve 25 V-ra. A problémám az h fogyasztó nélkül 33V-ot mérek rajta,fogyasztóval pedig 23.6 V (trafó miről kapja váltót 24V 50VA)Mi lehet a gond?
(#) qvasz2 válasza ZOL94 hozzászólására (») Márc 1, 2012 /
 
Idézet:
„6 és 91 kohmmal belőve 25 V-ra”

Ez a gond!
Adatlap!!! Az osztó felső tagja csak 100 . . .250 ohm körüli érték lehet. A különböző típusokhoz más-más, de mindig ilyen nagyságrendű ellenállást írnak.
Az alsó tag 5k ohm-os poti szokott lenni.
Ha nem kell állítható, akkor egy bedrótozott potival beállítod, kiveszed a potit, leméred, hogy hol áll, és fix ellenállattal pótold!
(#) ZOL94 válasza qvasz2 hozzászólására (») Márc 1, 2012 /
 
Köszi a gyors választ!
Sima poti is elég nem muszáj fíx-et berakni ha nem fogom elállítani?
(#) ZOL94 válasza qvasz2 hozzászólására (») Márc 2, 2012 /
 
Szia!

Kicseréltem ellenállatokat 220ohm és 4.7 kohm poti, most az a gond h beállítom a potit egy fesz-re majd ugrál össze-vissza a fesz,az lehet a gond h az 6 és 91 kiló megviselte az LM350-et?
(#) ZOL94 válasza ZOL94 hozzászólására (») Márc 2, 2012 /
 
Tuti kicsinálta azLM350-et 220 ohm 4.7kohm poti LM317-nél faján működik nem ugrál a fesz.Nagyon jó h hétvégére terveztem a megvalósítást most meg új IC kell-.-
(#) Davidd hozzászólása Ápr 22, 2012 /
 
Sziasztok!Eloszor irok ebbe a topikba.Szeretnek valami kicsi labortapot csinalni,amiben ilyen kis ic van.Szerintem labortapnak teljesen eleg 1-1.5A.Nade en ugyszeretnem hogy +/- agba tudjam a feszultseget kulonkulon allitani,vagy egybe[egy kapcsoloval meglehet oldani],de aztmondjak ennek az lm nek is van valami negativ iranyu parja mejk ic lene az,minthogy emlitettem +/- tapot akarok kesziteni.
(#) Davidd válasza Davidd hozzászólására (») Ápr 22, 2012 /
 
Elnezest elfeljtettem leirni,nemlehetne ugy megcsinalni hogy ket lm317[van itthon] megcsinalni ugy hogy - es gnd [ez az also ic es a gnd lenne neki a pozitiv resze]A masik icvel a gnd/+ szabalyozni es ugy oszekotni a kimenetet.
(#) proli007 válasza Davidd hozzászólására (») Ápr 22, 2012 /
 
Hello!
Meg lehet két LM317-el is valósítani, csak akkor két felet különálló trafó tekercsről kell táplálni. Vagy is csak akkor kötheted sorba a kettőt, ha galvanikusan a két tápnak nincs köze egymáshoz. De a negatív oldalnál sokkal elegánsabb egy LM337.
Ezt a szót hol tanultad, hogy "mejk"? Mert én csak a "melyik" szót ismerem.. Legalább használj helyesírás ellenőrzőt. De még szebb lenne, ha ékezeteket is használnál..
üdv! proli007
(#) Davidd válasza proli007 hozzászólására (») Ápr 22, 2012 /
 
Udv!Elsore szeretnek elnezest kerni a helyesirasomert.
Koszonom hogy segitettel,van itt egy vasmagom azt szepen megtekerem,kerdesem az lenne mennyi a maximalis feszultseg amit be lehet neki adni?Mert az lenne a lenyeg az egeszben hogy erositoket tudjak rola eleszteni.
(#) proli007 válasza Davidd hozzászólására (») Ápr 22, 2012 /
 
Hello!
konkrét értékekre ne számíts, azt neked kel számolnod, vagy mérned, a következő alapelvek alapján.
- A trafó felől érkező nyes egyenirányított és pufferelt feszültségnek, kb. 2..3V-al kell magasabbnak lenni, mint amit az LM317-ből ki szeretnél maximálisan venni.
- A trafó feszültségét, az egyenirányítás-szűrés, kb. 1,3-szorosára növeli. De figyelembe kell venni, hogy a trafónak akkor kell ezt a feszültséget szolgáltatnia, mikor meg van terhelve azzal az 1..1,5A árammal, amit a stabilizátor után vársz. Ugyan is a trafónak is van feszültség csökkenésre terheléskor. Ezt vagy meg kell mérni, vagy katalógusból ki kell nézni. A feszültség esés attól is függ milyen a trafó, valamint hogy a trafó mennyire lesz megterhelve az 2*1,5A árammal.
üdv! proli007
(#) Davidd válasza proli007 hozzászólására (») Ápr 22, 2012 /
 
Udv!Azt szeretnem kerdeni,hogy lehete aramkorlatot is beletenni?Mert ugylattam valamelyk topikban hogy mondtak azt, hogy tranzisztorral kilehet egesziteni,de akkor nemnagyon lehet az aramot korlatozni.Szeretnem hogy az aramot is lehetosegem legyen allitani,milyen kapcsolasi rajzot ajanlanal nekem?
(#) pucuka válasza Davidd hozzászólására (») Ápr 22, 2012 /
 
Böngészd végig a különböző gyártók adatlapjait, (addíg is tanulsz) azokon találsz kapcsolásokat a problémádra is.
(#) proli007 válasza Davidd hozzászólására (») Ápr 22, 2012 /
 
Hello!
Ha egy "háromlábú stabit" kiegészítünk áramkorláttal, akkor oda az "egyszerűség fillinje". Egyszerű "egytranyós" megoldásoktól olyan minőséget is várhatsz el, amilyen egyszerű a dolog.
Cipőt a cipőboltban - hangzott a régi reklám. Ha labortápot építesz, építs is azt. számtalan kapcsolás van hozzá, itt az oldalon is. Szerintem sokkal használhatóbb lesz.
üdv! proli007
(#) Davidd válasza proli007 hozzászólására (») Ápr 22, 2012 /
 
Udv!Koszonom az utmutatast,most elkezdek utanna nezni hogy akkor mit is epitsek majd meg a kesobbiekben.
(#) kirally hozzászólása Máj 6, 2012 /
 
Sziasztok!

Fordulatszám-szabályzót szeretnék építeni egy Propeller Clock-hoz LM317-el.
A motor egy PC tápból bontott 12V-os motor. Az egészet egy CD író dobozába szeretném rakni, aminek az előlapján van egy potméter.

A potméter az 200K-s, azzal szeretném szabályozni, de nem találtam kapcsolást ekkora potméterrel.
Valaki tudna segíteni, hogy hogy lehetne kivitelezni?

Üdv, Bence.
(#) kadarist válasza kirally hozzászólására (») Máj 6, 2012 /
 
Szia!
Válassz az IC-hez való potmétert, mert ez nagyon nagy ellenállású.
(#) kirally válasza kadarist hozzászólására (») Máj 6, 2012 /
 
Köszi a gyors választ!

De az lenne a gond vele, hogy akkor már nem illeszkedne az előlapjához.

Nincs esetleg valami megoldás?
(#) Teaway hozzászólása Máj 7, 2012 /
 
Üdv!
Mi a legegyszerűbb módja a -1,25V negatív segédtápfesz előállításának? Rendelkezésre áll egy 15V/150mA-es független szekunder tekercs, ebből kéne megvalósítani.
Előre is köszi minden ötletet.
(#) proli007 válasza Teaway hozzászólására (») Máj 7, 2012 /
 
Hello!
Egy egyutas egyenirányítás puffer kondival, és egy LM337 stabi.
üdv! proli007
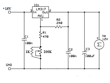
(#) kirally válasza kadarist hozzászólására (») Máj 8, 2012 /
 
Így esetleg működhetne?

Kép csatolva.

lm317.png
    
(#) kadarist válasza kirally hozzászólására (») Máj 8, 2012 /
 
Számold ki, hogy mekkora az ellenállásváltozás ebben az esetben. Nagyon kicsi lenne az eredmény.
(#) compaqamplifier hozzászólása Máj 9, 2012 /
 
Üdv, ha kimeneten 80 voltot szeretnék kivenni ezzel az ic-vel lehetséges? Bemeneten 85 volt lenne kb.
(#) kadarist válasza compaqamplifier hozzászólására (») Máj 9, 2012 /
 
Szia!
Igen lehetséges. A megkötés az, hogy a bemenet és a kimenet közt 40V-nál nem lehet nagyobb a különbség.
(#) Teaway válasza proli007 hozzászólására (») Máj 10, 2012 /
 
Hű, erre nem is gondoltam.
Ahogy nézem, hűtés se kell neki.
(#) mrobi hozzászólása Máj 14, 2012 /
 
Sziasztok!
Szeretnék építeni egy tápegységet ezzel az LM317-es icvel. Feszültség szabályzó üzemmódot már megismertem. Azzal nincsen gondom. Most nézegetem az áramkorlátozó kapcsolást: Bővebben: Link. R1-et úgy oldottam meg hogy egy 100ohm-os potit és egy 1,2ohm-os ellenállást kötöttem sorba. Az ellenállást a maximális áram miatt raktam be. Működik is szépen, lehet szabályozni. Egy gondom van vele. A poti lineáris de a szabályzás nem.
0. eset poti 0% 1A
1. eset: poti 10% 10ohm. Kimeneti áram: I=Vref(1,25V)/R1. Az R1 jelen esetben 1,2+10 ohm. Így a kimeneti áram 111mA
2. eset poti 50% Kimeneti áram: 24mA
3. eset poti 90% Kimeneti áram: 13mA
Ebből a példából remélem látszik hogy mi a problémám. Erre tudnátok valamilyen megoldást? Hogyan lehetne megoldani hogy lineárisan lehessen szabályozni?
(#) proli007 válasza mrobi hozzászólására (») Máj 14, 2012 /
 
Hello!
Tekintve, hogy Te az I=U/R függvényt használod, ahol az U állandó, így a kimeneti áram az 1/X függvény szerint fog változni. Vagy is egyszerű módszerrel nem tudod megoldani. Közelítő eredményt kapsz, ha "fordított logos" potiti használnál. Vagy is C típusút, ami persze nem lesz.
A függvényből látható, hogy a feszültséget kellene változtatni, amihez nincs mód, hiszen az IC-nek belső referenciája van.
üdv! proli007
(#) mrobi válasza proli007 hozzászólására (») Máj 14, 2012 /
 
Szia! Köszi a választ. Azt írtad hogy egyszerű módszerrel nem lehet megoldani. Van esetleg valami bonyolultabb módszer is? Háta nem olyan vészes.
(#) Teaway válasza proli007 hozzászólására (») Máj 14, 2012 /
 
Megerősítem, amit proli007 írt.
Ez az ún. multiplikatív inverz sor, ráadásul 1,20 (1,25V) alapú:

1000mA-hez 1,2R (ohm) ellenállás tartozik
900mA - 1,33R
800mA - 1,5R
700mA - 1,71R
600mA - 2R
500mA - 2,4R (tehát fél amperes áramkorláthoz pont 1,2+1,2, vagyis még egy 1,2R ellenállás kell)
400mA - 3R
300mA - 4R
200mA - 6R
100mA - 12R
(#) proli007 válasza mrobi hozzászólására (») Máj 14, 2012 /
 
Hello!
Már többször leírtam, hogy ha elkezdjük macerálni ezt a háromlábú jószágot, oda az egyszerűség varázsa. Vagy is olyan áramkört kell építeni, aminek működése számunkra megfelelő. Nem ragasztgatni toldozgatni.
Meddig kell dolgozni egy Trabanton, hogy BMW legyen belőle?
üdv! proli007
(#) david550 hozzászólása Máj 31, 2012 /
 
Sziasztok.
Én is most készülök tápot építeni LM317-tel (vagyis KA317, de az ugyan az), csak az a probléma, hogy amikor a 18 voltos trafóra (18 V váltakozó) rákötöm a tápot, amit még most építgetek, és bedugom a trafót, egyből kiég a primer oldali 1,6 amperes biztosíték. Ezzel a trafóval már sok mindent megéltem, ugyanazzal a biztosítékkal, de most kétszer is kicseréltem, és mindkettő kiégett. A trafó még mindig tökéletesen működik ezek után is.
A tápot pedig többször is átnéztem, és jól van összerakva (vagy nem), de mi lehet a probléma?
Következő: »»   30 / 51
Bejelentkezés

Belépés

Hirdetés
XDT.hu
Az oldalon sütiket használunk a helyes működéshez. Bővebb információt az adatvédelmi szabályzatban olvashatsz. Megértettem