Fórum témák
» Több friss téma |
Én is ezt fogom tenni. 5 kilos poti smugy is kezd ritkaság lenni. A szabályozás linearitása meg amugy is csapnivalo.
Hát nem mértem, de az eddigi topasztalat egészen más volt. Ezért használtam eddig is logaritmikus potit és jol kezelhetö volt a kimeneti feszültség.
Természetesen, ahol csak fix feszültség kell, ott mindegy milyet használ az ember, meg ha a pálya 2/3-a használhatatlan. ( mint a gyári modulokon).
Meg egyet nem egészen értek, az utobbi LM317T is valamitöl ( használaton kivül) ugy ment tönkre, hogy a bementi feszültség kb 70%- a jelent meg a kimeneten (21V).
Tegnap a tesztelés közben egy másik használt LM317 is találtam, aminek ugyanez volt a baja. Ha ez bekövetkezik akkor megy tönkre a 240 ohmos ellenállàs is meg ha pechem van akkor a poti is ( ha kis értéken áll). Pedig minden védelem meg van, és az utobbi táp ki is volt kapcsolva ( a jelenlegi) s amikor belapcsoltam terhelés nélkül következett be a balhé. A hütés is mindenütt több mint kellene (5x6 cm hütoborda adja a táp alját amire a 2 LM szigetelten van szerelve - már vagy 13 éve). A héten egyszer használtam egy kis motor bejáratására (300 mA, 12V).
Nekem még nem ment tönkre LM317, bár csak kőkorszaki típusom van egy pár, ami biztos hogy eredeti, nem egy utángyártott izé. De csak egyetlen "segédtápban" van ilyen Ic-m, de nem szeretem, mert a poti kontakthibája miatt felugrál a feszültsége mikor tekerem. De az a legkellemetlenebb, ha a kimeneti feszültség felugrik ilyen magas értékre. Különösképpen nem kedvelem a magas maradék feszültsége miatt. Inkább áramgenerátornak használtam, mint feszültség stabilizátornak. De leginkább csak dugipanelben szoktam alkalmazni próbaképpen, de még nem sikerült megnyuvasztani. Én a belső áram/hőkorlátozásában nemigazán bízok a stabiknak. Egy motorral azért meg lehet nyuvasztani, főleg ha nincs induktív terhelés elleni védelem.
A motorokon rendszerint van valami védelem (most is volt). De a kikapcsolásig hibátlanul ment.
Én elég sok LM317est használok igaz többnyire csak egyszer szoktam beállitani a feszt. Azok közül még egy sem ment tönkre. Persze sikerült a fejlesztés közben többet kinyirni, de ez a kis zsebtáp nagyon stabilan ment eddig, nem tudom mi történhetett. Na már minden van délután ujra összerakom. ( kell némi mechanikus fejlesztés is, mert ez eredeti ugy sikerült mint az auto épités közben minden könnyen a helyére kerül, de egy apro javitáshoz szinte mindent szét kell szedni és megint elölröl kell összerakni az egészet. A hozzászólás módosítva: Máj 6, 2023
Motor, RELÉ(jelfogó) próbálása miatt minden tápegység kimenetére be kell építeni záróirányban egy gyors-kapcsoló diódát, ami az induktív visszáramlökéseket lefojtja, elnyeli.
Én olyan közös katódos Shottky-duo-diódát használok, aminek egyik fele sorosan van a kimenetre csatlakozva, a másik fele pedig záróirányban nyeli az induktív tranzienseket. Soha semmilyen probléma nem volt, pedig elég kíméletlen használati körülmények is voltak. Ja, nem, nem elég a relével párhuzamos dióda, vagy motor-áramkörében lévő védelem, attól az még kelti a tranzienseket, tehát jobb, ha mi megvédjük a tápegységünket. Üdv!
Kösz, ez mind megvan, söt. ( évtizedek ota foglalkozom motorokkal.)
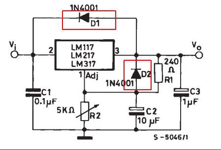
Hát nem tudom mi történt az LM317-sekkel, ma 3 halt meg. Amikor 5 Volt alá szabályzom elkezdenek rezegni és elégnek. A minusz ág (LM337Tvel hibátlanul megy). Minden szürö elem ott van és terhelés nélkül élesztgettem. A bemenet +/-26 V. Van még néhány, de mielött azokat is kinyirnám (egyszerre vettem öket) megkérdezem, hátha már valakivel elöfordult. Standard áramkör, ahogy irtam, az elödje több mint 10 évig hibátlanul müködött. Most csak a potit cseréltem ki mert az eredeti nem élte túl a régi kapcsolás tönkremenetelét.
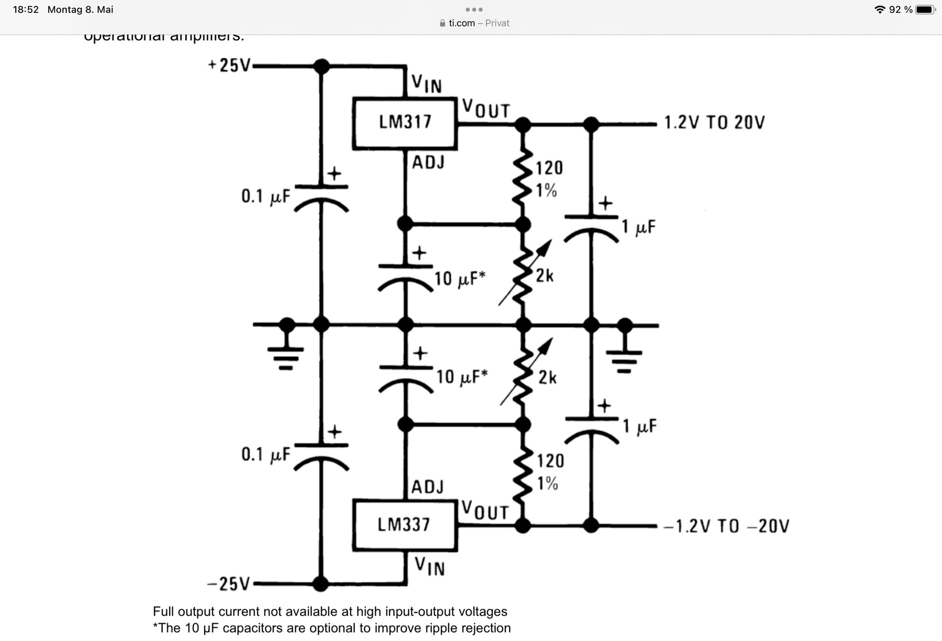
Itt a TI ajánlata, csak a 120 Ohm helyett 220 ohmosokat raktam be. A hozzászólás módosítva: Máj 9, 2023
Szia!
Tegyél be védelmet: Minden más rendben. Üdv!
Azok a diodák is vannak benne. ( az eredetiben nem voltak, mégis nagyon sokáig stabilan müködött). Most átmentileg félretettem az egész szerkezetet. Tul sok időt meg alkatrészt evett meg.
Akkor, valami elkötésnek kell lenni, vagy alkatrész, vagy forrasztás hiba!
Nálam kiválóan üzemel, 0 V-tól. Üdv!
Alkatrész, azzal kezdödött az egész cirkusz, hogy a több mint 10 évig müködö tápban tönkrement egy LM317. ( az másképp, de nem lényeges). A helyette berakott ujakkal mindenféle gond volt, söt ahogy irtam a potit is kinyirta. Az utolso verzioban már NYAK sincs, az ellenállás mega diodák a hütöbordára szerelet LM317re vannak forrasztva a kondi meg a potira illetve a bemeneti meg a kimeneti csatlakozokra.
A hozzászólás módosítva: Máj 12, 2023
Nem lehet, hogy a terhelés "eszi meg" az IC-t?
Az a baj, hogy nem volt terhelés. Begerjedt, aztán viszlát.
Azért ilyesmi nincs az adatlapon, és elödje több, mint 10 évig nem küzdött ilyesmivel. Ha majd még egyszer elöveszem épitek hozzá valami LED pilácsot, hogy legyen némi terhelés is.
Hello
Egy köröm csiszoló tápról lenne szó nem adja le a teljes feszültséget(ami0-17v lenne) csak 1-3v körül jön ki belőle . Ha a potit lekötőm felugrik 12v ra. Kirajzoltam ,melléklem. Ez lehet 317 es ic hiba?
Szevasz!
Szerintem a nagy kondit nem jó helyre rajzoltad. Mi van a földhöz képest az 1k egyik és másik végén a poti egyik majd másik állásában? Egyébként a TIP hibára gondolnék. Üdv. M.
Rajz helyes kis kínai ezt álmodta meg.
Cseréltem egyszerre lm317 et és találtam itthon tip120 ast és működik. Tip 142 kivéve méregetve jónak tűnik bár ez egy darlington védő diódával nem tudom jókat mérek e rajta dióda vizsgálóval. Péter |
Bejelentkezés
Hirdetés |















