Fórum témák
» Több friss téma |
Az Orosz gyártmányú "Elektronika" Digitális Órák javításával kapcsolatos információkat, tapasztalatok, rajzok szeretnék feltenni és várni.
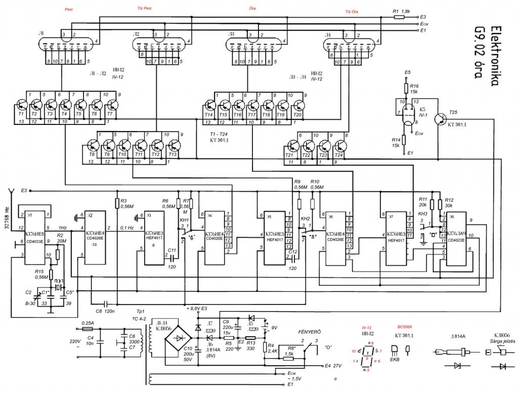
Elsőként egy Elektronika 2-06 típusú óra kapcsolási rajzát tenném, fel és akinek van hasonló működőképes órája, azt szeretném megkérni, hogy a rajzon kékkel jelölt feszültségadatokat, ha le tudná ellenőrizni a sajátján azt megköszönném. Én ezeket mértem, de a kijelzés nem megy, az IC működnek, de lehet, hogy már nagy a feszültségesés a rácsnál (-22.2V). Ezt szeretném elsőként kontrollálni. Üdv.
A kijelző fűtése nem szakadt? (Ahol 5V helyett 6,1V-ot mértél.)
A táprészben nem mérted le a zenereket ,ill a tranzisztor emitter feszültségét.Ez a feszültség a legfontosabb a kijelzéshez.Amit számomra nehéz volt megemészteni,mindent a +30V hoz képest kell mérni.
A kijelző oldalán a kis üveg csücsköt is ellenőrizd ,ha az van letörve szintén kuka.
Szia!
A fűtés szálai épek. Azzal nincs gond.
A zenereket nem mértem még , a cső az ép
![]() Kösz a tippet. Igen nekem is nehéz volt felfogni, mert a + 9V meg a +30V aztán néztem a K176IE18 földjéhez (8.láb) képest is, hogy mi jön ki belőle a rácsra. Csak elsőre látszik egyszerűnek a dolog.
Találtam egy másik rajzot, hasonló kijelzővel, és ott a gyári adat szerint is -22V van a rácson. És ez jelenik meg /T1-T4/-en.
Legalább ez stimmel. (Csak a gyári rajzán cső adatlap feszültsége van feltüntetve (27V)).
Méregettem még, ami furcsa, hogy a gyári rajzon tápnál ~5v - ~ 5 v van írva ami ugye ~10V lenne a fűtésen. Kimértem és hozzávetőlegesen kijön a ~6.2, de az már lehet, hogy sok a fűtésnek ,amit szintén ~5 V -nakírnak.
Adatlap szerint is max ~5.8V ig mehetne el. Lehet, hogy itt lesz a gond, bár szemmel minden szál ép, de kiforrasztom és a szakadást leellenőrzöm.
A magasabb feszültség miatt írtam az elején is.
Igen, én is azzal kezdtem , amikor szétszedtem, de egyértelműen épnek látszik a fűtés, jó pár cső, VFD megfordult már a kezembe, ezért nem is gyanakodtam szakadásra.
Na majd kiderül ![]() De zavaró a 2x 5V is. (szerintem az is elírás) Ezért lenne jó egy működőképesnél mérni, mert lehet, hogy a 6.1V meg se kottyan neki. Csak 20 év után.
Ha majd működni fog: A tiédnek is van olyan érdekessége, hogy csökkentett fényerőnél nem lehet állítani a percet, órát? Nekem egy zöld fenekű van, a tiéd milyen?
Nekem Piros van. Még nem tudom tesztelni, ha működik akkor megnézem.
Esetleg, ha szét tudod szedni és mérni, akkor a cső első és utolsó lábán egy váltakozó feszültséget mérnél az jól jönne
IVL1-es cső, 5V a fűtési fesz, 120mA árammal. Az anód, és rácsfeszültség -27V. A két szélső a fűtés. A fűtést sötétben jól lehet látni, a csövön meg kis idő után érezni is. Sajnos azt kell mondjam, hogy valószínűleg szakadt a fűtés, ekkroa fesznél már nappali fényben is látható kéne legyen
. De a szín az valami baró! Az enyém ugyanez az élénkség, csak türkizes zöldben-sőt, talán kék inkább. Meg van egy fadobozos, az még az IV18-as külön csövekkel. A cső amúgy beszerezhető.
Azt, még jó lenne tudni, neked, hogy oldották meg a fényerőcsökkentést, mert ahány sorozat óra annyi féle megoldás, ez a kapcsolási rajz a fő szériához való, de van olyan szintén hibás órám, aminek a fele (ellenállások, védődiódák) hiányzik.
És úgy is megy csak spóroltak.
Rendben a katalógus adatokat ismerem, de ezek mért adatok ?
A katalógusadattól nem lehet nagy eltérés. A fűtésben legalábbis biztosan nem, 6,1V megeszi a fűtést hamar (+20% feszültség, a gyári kb. 0,6W helyett kb. 0,9W fűtési teljesítmény, vagyis másfélszeres terhelés!). Nem tudom most szétszedni az órát, de nekem teljesen beültetett a panel.
'83, 09 havi gyártás az elemtartóban lévő címke szerint.
Igen, de adatlap szerint elmehet 5.8 -ig aztán ennél a tápnál úgy belőni, szerintem nagy a szórás, de erős a gyanú, hogy nem bírta a fűtés.
Inkább mechanikai behatás, mert terheletlenül lehet ilyen magas a feszültség egyébként. Forrasztási hiba nincsne, kondikat kicserélted? Bár az eredeti orosz az igazán oda való
, de ezek ennyi év után vérszegényen elhervadnak, amitől egyrészt vibrál az egész kijelző, másrészt a brummos táp miatt nem is fog működni jól.
Persze próbáltam új kondikkal is, de addig, amíg semmi fény, addig nem marad benne az új.
A fényerőnél, meg a K176IE18 as IC14. lába erre van kitalálva, lehet, hgy ha az földre van téve tiltja a kimeneteket, elvileg nem lenne szabad, de ki tudja hogy van ez náluk kitalálva, de egy hasonló órán majd este megnézem (amibe ez az IC dolgozik.)
Nekem is van, igaz régebbi G9.02-es számmal, 1980-as gyártmány, még fakávás. Külön VFD csövekkel. Nekem se csökkentett, se teljes fényerőnél nem állítható. Valószínű nem ez a gyári állapot.
Éjfélkor kell konnektorba dugni, vagy akkor resetelni, akkor jól jár. De valószínű valamelyik vezérlő IC sem oké már, mert ha a reset gombot benyomva tartom, akkor az óra tízesek helyiértéken az 1-es szám felső szegmense akkor is világít. Igaz ez abban a pozícióban 0, 1 és 2 számoknál mindig világít amúgy is, tehát semmi vizet nem zavar. Ha kell, képeket lövök később.
Szia!
Másik kivitelhez volt szerencsém. Abban a quartz volt szakadt. A helyére egyszerű 32.768kHz -es óra quartz -ot téve, újra működőképes lett.
Nálad az a gond, hogy az egyik KT361B tranyó zárlatos, ha azt cseréled BC212 re úgy hogy a Bázis lábát áthajtod kintre akkor nem fog világítani a szegmens, de ennél az óránál ellenállással csökkentik a fényerőt, de teszek fel rajzot
![]() Nekem is van ilyen is Kapcsoló kontakt hiba, vagy forrasztást nézd meg, nekem az segített.
Köszi szépen, ez alapján már végig tudom nézni, hol lehet gond.
Valamikor rajz nélkül méregettem benne, de akkor nem találtam semmit. Tranyó tényleg gyanús lehet. Meg a kontakt sem kizárt. Egyik állító gombra sem reagál, valószínű előbb lesz a hiba. Szólok, ha megvan.
Látom, azért van rajongó bőven
Műhelyvezetőmnél is van egy fakávás, de az már az IVL1-es csővel, meg ismerősnél olyan miskulancia, hogy egy asztali lámpa, kétfél(!!), kapcsolható fényerősséggel, benne egy kisebb, az IVL1-re hajazó csővel, és ébresztős rádióval.
Nincs mit, remélem meg lesz a hiba aztán abból is tanulunk.
Az szé,p IVL2-es a pici tesó
![]() Nekem is van fakávás is, de lámpát még csak a neten láttam, viszont nemrég hozzá jutottam egy kerámia bagoly órához a szeme világít IV-11 csövekkel "elektronika-01"
De jó, hogy ezt beraktad! Na, akkor a talány ezen az órán: A rajz bal oldalán, az óragenerátor körüli antenna. Ez egy darab kanóc a készülékházon belül, amikor először nézegettük kollégával, arra gondoltunk, hogy íme a titkos rakétaindító adójának antennája, de most már látom, hogy oda van írva a 32kHz: Ez valami külső órajelforrás-de minek? Az enyémben is elment egy PNP tranzisztor félzárlatba, de ez szerintem jellemző, kész alkatrésztemető a szegmensenkénti meghajtással, nem muxoltak még
.
Fotót kérünk róla, ha elbírja a téma!
Még egy: rajz alapján jól látom, hogy az elválasztónak villognia kéne? Mert akkor még egy hiba van, nálam csak folyamatosan ég a csík, a pont meg egyáltalán nem.
Ja, a vége felé meg már alig maradt benne alkatrész
![]() A kanócra meg lehet, hogy DCF77 atomóra vevőt kell kötni |
Bejelentkezés
Hirdetés |











. De a szín az valami baró! Az enyém ugyanez az élénkség, csak türkizes zöldben-sőt, talán kék inkább. Meg van egy fadobozos, az még az IV18-as külön csövekkel. A cső amúgy beszerezhető.
, de ezek ennyi év után vérszegényen elhervadnak, amitől egyrészt vibrál az egész kijelző, másrészt a brummos táp miatt nem is fog működni jól. 





