Fórum témák
» Több friss téma |
Köszönöm szépen reloop.
Sziasztok!
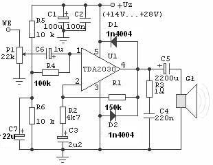
Építettem egy TDA2030-val működő erősítőt de valamiért nagyon recseg mi okozhatja ezt? itt a kapcsolási rajz: http://www.hobbielektronika.hu/kapcsolasok/files/825/tda_2030.gif
Szia! Sok minden okozhatja. Gyenge a tápegység,terhelés hatására leesik a feszültsége. Hibás polaritással beültetett kondenzátor. Forrasztási, vagy átvezetési hiba a nyomtatott áramkörön.
A kondenzátorokat átnéztem és jól vannak bekötve.
Univerzális nyákon raktam össze és sok vezetéket használtam ez jelenthet problémát?
A kusza vezetékezés gerjedést okozhat. Rendezgesd őket, ha ez hatásos ott a hiba.
350VA trolidot használom most 4 A dióda hidal 4700 µF kondi müködik. Lehet megpróbálom 30A dióda hidat hátha müködik.
Átnéztem a vezetékeket is de nem hinném hogy ez a baj.Továbbra is sípol. Sőt úgy néz ki hogy tönkretette a telefonom egyik jack csatornáját is.Igazából szól rajta a zene csak rettentően recseg.
Ezt épitetem meg igy ahogy van de a magas nagyon sok mély már elfogadható.
Szia!
Bocsika, hogy így közbe szólok, de meglehet oldani máshogy is a szimmetrikus tápolást. Elég neki, egy darab 230/12V-os trafó! Kell két graetz, össze kell kötni őket! (egyik (-)-ját, másik (+)-jával és az a GND) Nekem bevált, egy másik ketyerémnél! ![]() Annyi csak, hogy akkora teljesítményű trafó kell hozzá, mert ugye feleződik a leadott áramerősség, a (+)-ra, és a (-)-ra. Tehát ha 3A-es a táp, akkor 1,5-1,5 A lesz a két polaritás végén, a GND-re nézve, viszont megmarad a 12V 2×. Így szerintem költség hatékonyabb lehet egyes esetekben a szimmetrikus táp előállítása
Szia!
Lerajzolnád? Nagyon kíváncsivá tettél...
Sziasztok!
Olyan kérdésem lenne hogy van egy olyan trafóm ami le ad 2x20volt-ot és 5 amper-t mértem az ennek az ic-nek sok egy ilyen kit-et vettem meg ennek sok ez a trafó?Bővebben: Link
Időm aligha volt megrajzolni, szóval a puffereket, és egyebeket nem rajzoltam be, de így gondoltam!
- szerintem jó.. (legalábbis működött, már itthon szét barmoltam, mert nem kellett a kütyü) - Üdv.: Jax
Szia!
2×20V? Mivel ahogy nézem, (+) (-) 18V kellene a végfoknak, a 20V sok! Főleg, hogy egyenirányítod, az U×1,41-lesz, vagyis ~28V... Ezt jobb ha lestabilizálod két fesz.stabbal (+,-), ami nagyobb áramot tud, mint ami a végfokodnak kell. Az áramról annyit, hogy a végfok annyit vesz fel, amennyi kell neki. Nekem speciel egy TDA1557Q-val hajtott buli bőröndöm van, abba hála istennek elég a sima táp is. Az 2×22W-ot tud, tehát 12V-on kb 4 A-nek kell lennie a kimeneten, de ha csúcsra járatom is csak 1A-t vesz fel (Ezért szeretem! Keveset fogyaszt alacsonyabb táp kell neki, mégis 1000× jobb a hangja, mint a 2030-nak), ellenben a TDA2030-al, aminek 2 A is kell olykor, ha csúcsra járatjuk, ráadásul csak MONO! Egyébként lsd.: Adatlap! Írja, hogy mit tud a végfok, a (+),(-) 17,5V-ról vagy (+),(-) 12V-ról hajtod, ha hídba, vagy simán kötöd, stb stb... ( Csak német )Lényeg a lényeg, a teljesítménynek, elvileg pont jónak kell lenni, lehet kevés is, de a feszültséget mindenképpen stabilizáld le, mind (+)-ra, és mind (-)-ra! Üdv.: Jax
Szia!
Mennyi idő után füstölt le a trafó? sajnos a rajzod szerint mindkét félperiódusban zárlat alakul ki. A csatolt képen be is rajzoltam, az egyik félperiódus áramútját. Elképzelhető, hogy két darab egyutas egyenirányítást eszközölhettél ki a két graetz -valamiféle- bekötésével, de ahhoz viszont elég 2db dióda is. Arról nem is beszélve, hogy végfokot egyutas egyenirányításról táplálni szentségtörés.
Tudom hogy nem a legjobb, de lehet így is szimmetrikus tápot csinálni nem?
![]() (Én csak tanulok, nem okoskodni akarok, de segíteni is szeretnék, ha tudok )
Nem füstölt semmi!
Akkor hülyeséget írtam, bocsánat! Nem okoskodni akartam, csak segíteni.
Jaj most nézem! Elszúrtam a rajzot.. na mind egy, majd még egyet csinálok és megbeszéljük, hogy lehetséges-e az a módszer!
Üdv.: Jax
Rendben...
Megcsináltam a TDA2050-es erősítőm annyi volt a baja hogy egy 22Kohm-os ellenállást kellett elé tennem a bemenetre.
Ezekszerint lehet csinálni sima tápegységből szimmetrikusat? Érdemes? (bal alsó)
Szia! A "lehet" kérdésre igen a válasz. Az "érdemes"-re az adott felhasználás kapcsán lehet megfelelni. A legfőbb gond, hogy felváltva töltődik a két tápoldal. Ez könnyen behallatszik a végerősítőbe.
Szia! Meg tudnád nekem mondani, hogy kondenzátoroknál a "POL" mit jelent?
Csak mert a szimmetrikus tápegységhez 1000ľF-os elektrolit kondenzátort vettünk. Ez megfelel neki?
POL-> polarizált, az elektrolit például ilyen. A rajzot követve kell a negatívval jelölt lábát bekötni.
A két rajz a kimeneti teljesítmény szempontjából azonos. A tápfeszültség és a 3,5A kimeneti csúcsáram határozza meg, hogy mennyit tudsz a kapcsolásból kivenni.
A torzítás a fenti korlátokon kívül származhat gerjedésből, vagy a kimenet [4 láb] nincs féltápfeszültségen. A legnagyobb teljesítmény 44V táp és 6 ohm hangszóró esetén várható.
Most ki cseréltem az egyik150k100k ra és a torzitás mintha megszünt volna ez csak az egyik oldal a másik ahol bent marat a 150k elenálás az még torzit
30A táp ebből bőven tud táplálkozni
Az ellenálláscsere csak a jelerősítést csökkentette. A tápfeszültség és a névleges terhelőimpedancia volna itt a kérdés, valamint megmérendő a 4. lábon a feszültség testhez képest.
4. lábon a testhez képest 7,8V esik mind a két oldalra.
2 8 Ohmos hangfal van rajta. |
Bejelentkezés
Hirdetés |







( Csak német







