Fórum témák
» Több friss téma |
Fórum » ST151 végerősítő
Üdv ! Szükségem lenne egy előerősítő kapcsolásra az ST 151 be! Mivel hogy sok műszernek kicsi a jelforrása ! Ha már ilyet akarok építeni akkor legyen maximális kihasználású tehát a lehető legjobban erősítse fel a hangot amennyit az erősítő szívesen fogad !
Üdv mindenkinek.Vegigolvastam az egesz topikot es nagyon nagy kedvem lett a megepitesehez.Mivel en sokat vinnem bulikra ezert mar az atalakitott formajat epitenem meg.De a bck helyett latam mpsa t (ha jol irtam) javasoltak,egyedul ezeket a fajtakat nem tudom beszerezni.Ellenalasertekeken kell valtoztani?2 csatorna epul belole olyan 750 w os tap eleg neki?
Elnezest nem tudtam modositani a hozzaszolasom. Persze az erositot 4 ohmon hasznalnam,azert hogynek neki ekkora meretu trafot.
Üdv! A tranzisztor cseréhez nem tudok hozzászólni. A 750W túlzás, tedd félre egy nagyobb erősítőhöz. 3-400VA elegendő a két 4 ohm -os terhelésű csatornának.
Üdv.Az egesz trafo meglesz tekerve szoval ha tudsz ajanlani valami jo kapcsolasi rajzot hozza ami kihasznalja a trafot.
Ha nem lesz kihasználva a trafó abból semmi baj nem származik, esetleg nehezebb lesz cipelni. Az ST van olyan jó, és megbízható erősítő, hogy érdemes megépíteni.
Szia!
Mivel ennek az erősítőnek nincs rövidzár védelme, ezért a kimenőteljesítményt a tápfeszültség megemelésével nyugodtan el lehet érni. (Ésszerű határok között.) A végtranzisztorokat és a meghajtó tranyókat +-50V-nál már mindenképpen cserélni kell, vagy 2SC5200-2SA1943 párra, vagy valamilyen MJ-re. Az MPSA tranzisztorokat bármelyik boltban meg tudod venni. Érdemes ilyenekre cserélni, mert elképesztően magas feszültséget bírnak, és nagyon szívós kis nyavalyások. Én a helyedben az áramgenerátor diódáinak (D3-D4) az előtét ellenállását is megnövelném, de ha oda 1n400x-es diódát teszel, akkor az sem feltétlenül szükséges. (szerintem)
Hahhh! Összekevertem az erősítőket! Bocs! Ennek van rövidzár védelme a T10, T14 személyében! Ha nagyobb teljesítményt akarsz kicsiholni belőle, akkor azokat is át kell méretezni, mert különben határolni fognak.
Hali.
Őt is megépítheted ha gondolod. A kapcsolás már megépült több ízben is, és elég megbízható is. Esetleg érdemes lenne bele tenni még 1pár végtranyát, 2párral már sokkal nagyobb lenne az áramgenerátor terhelhetősége, valamint a harmonikusok torzítása is alacsonyabb lesz, kisebb (pl 4-Ohm-s) terhelésen. A bc546/556 helyett, jobban szerepel 2n5401/2n5551-el.
Sziasztok!
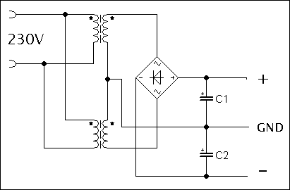
Ennek az erositonek szimetrikus tap kell? Egy szekunderes trafo nemjo amely kiad 28V-ot?
Idézet: „Ennek az erositonek szimetrikus tap kell?” Igen
S a szimetrikus tapot meg tudnal oldani ket egyforma 150w trafokkal?Ha igen egy rajzot tudnal nekem csinalni?
Lehet ugy is ahogy a köbzoli linkelte rajzon lathato illetve lehet ugy is ahogy az en rajzomon lathato lent a csatolasban.
S arrol a ket traforol mehet ket panel?
Szia! Nálam megy így sztereó erősítő. Ha a két trafó teljesen egyforma, és a szekunderek kevesebb mint 0,5V eltérésűek, akkor válaszd lamalas javaslatát. Ha eltérés van akkor szekunderenként egyenirányíts külön köbzoli rajza szerint.
Üdv!
A kérdésem az lenne, hogy kinek mi a véleménye az alábbi végfok 100V-os rendszerbe való alkalmazásáról? Konkrétan egy BEAG APT-100 kimenő trafóját kapná meg. Válaszokat előre is köszönöm! T.:Márk
Sziasztok! Szeretném megépíteni az ST151-et, viszont nekem 8 Ohm-on kellene a 100W.. Ha valamelyikőtök összefoglalná nekem, hogy ehhez a teljesítményhez hány volt kell neki, illetve mit kell módosítani a végfokon, azt nagyon megköszönném
Sziasztok. Én is megépitettem, szépen is szól de picit halk. Számitógépről adok jelet, maximumon van a hangerő a gépen. Mi lehet az oka? Előre is köszi a választ.
Szia! R5 820 ohm-mal köss párhuzamosan 2,2k-t. Eredőjük ~600 ohm lesz, így ki tudja majd hajtani a hangkártya.
Sziasztok! Lenne egy kérésem valaki ránézne a beültetési rajzra,hogy helyesen raktam be a tranzisztorokat ha + -55 volttal akarom hajtani. Előre is köszönöm
Szia! Úgy nézem MJE340/350 fel lett cserélve. MJE350->PNP.
Szia! Köszi észre sem vettem nézhettem volna élesztéskor.
Örülök, hogy vetted a fáradságot a kérdés feltevéséhez
Helló!
Meg szeretném építeni az erősítőt, ezért írok ide . Subwoofert szeretnék vele meghajtani, ami 4ohm150w Bővebben: Link . Az lenne a kérdésem, hogy mekkora hűtőbordára lesz szükségem, avagy elég-e lesz az a borda amit gondoltam? Csak néha lenne max ra tekerve a hangerő.Mi a vélemény a subi ról?
Kösz a gyors választ
. Még egy kérdésem van. A beültetési rajzon azt látom, hogy 2 bemenet van???? Ez meg hogy lehetséges? |
Bejelentkezés
Hirdetés |















