Fórum témák
» Több friss téma |
Ha növeled a katódellenállást, még kisebb áram fog a csövön folyni.
Ez a kapcsolás működik, nyákot át kellene nézni, lehet, hogy nem új csővel próbálkozik, stb.. Nagyobb tápról jobb eredményt produkál, 30V nem sok.
Nézd át a nyáktervet, új csővel próbáld.
Rajzon feltüntettem néhány feszültséget, ezek kb. értékek. Korrekt beállítása szkóp ,hanggenerátor, kimeneten, kissé túlvezérelt bemenetnél szimmetrikus vágásra belőni, bemelegedett állapotban.
Állítólag ez a cső új. Nyáktervet átnéztem, nem veszek észre hibát rajta, de megpróbálom megcsinálni légszerelve ha időm engedi.
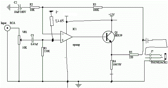
Megtaláltad.., oda PNP kell, BC212 tökéletes.
És pöccre. Jupiiii
![]() Sajnos szkópom nincs, hogy pontosan be lehessen lőni, de sebaj. Azt mondod a 30V fesz jó neki? vagy akár több is? Köszönöm szépen reloopnak és neked is a segítségeteket!
30V simán ok., én 28V -ról járatrom LEXMARK nyomtató tápjáról. ECC82 jobban kivezérelhető nagyobb tápfeszről.
Sziasztok!
Tudnátok ajánlani ehhez a füleshez egy erősítőt? Alaplapi hangkártyáról hajtanám meg. Ami lényeges, hogy op-amp-os kapcsolás kéne, abból is olyan, amibe az opa2111 illeszthető (van egy pár db itthon). Ha még esetleg még egy kritérium lehet, az az lenne, hogy minél egyszerűbb legyen, de a minőség rovására ne menjen. Tehát AB osztály alá nem adnám.
Pedig a műveleti erősítő az b osztályos....
uh, ez komoly? Hát ebből is látszik, vajmi keveset tudok erről. Akkor ha van nekem egy TDA2030-akből felépített erősítőm (számítógéphez 5.1-es kb jó hangó de olcsó), aminek feltehetően az előfoka két opa, akkor az sem lehet több B osztályúnál?
A osztály nem feltétlenül egyenlő minőséggel. Ugyan úgy a Quad 405 pld pár fokozatot kivéve B osztályos és mégis annak van a világon tudtommal a legkisebb torzítása.
Én már felhagytam a próbálgatással, kb mindenről tudom már rajz alapján hogy milyen a hangja. Ha építek erősítőt akkor class a single ended lesz és a tranzisztort csak egy húzással lehet majd cserélni, úgy mint a műveleti erősítőt pld. Ha nagyon A osztályosat akarsz akkor LM301-es ic-t használd, az pld ab osztályos elméletileg. Egyébként csak azért nem torzítanak ezek a b osztályos ketyerék mert akkora nagy a visszacsatolásuk, hogy eltűnik a torzítás. Röviden ennyi, ha meg full a osztályút akarsz akkor meg :http://diyaudioprojects.com/Solid/12AU7-IRF510-LM317-Headamp/ http://diyaudioprojects.com/Solid/IRF610-Class-A-Headphone-Amp/ http://diyaudioprojects.com/Solid/ZCA/ZCA.htm és inkább kísérletez, itt egy nagyon jó átfogó cikk, innen el lehet indulni az építés felé, gyakorlásank első osztályú http://www.hobbielektronika.hu/kapcsolasok/egyszeru_kiserleti_erositok.html csak tudnám hogy hogyan kellene a diyaudioprojects.com-ra a quadomat feltenni?
Szia! Ezt építettem. Egyszerű és nagyszerű. A lay az első SL munkám, kérlek nézd el.
Sziaztok!
Nemtudom épített-e már valaki hasonlót, segítségre lenne szükségem. Szerettem volna fejhallgató erősítőt építeni TPA 6120-as IC-vel, de a GND-re az IC alján lévő forrpad csatlakozik, ami egyben a hőátadó felülete is. Namost az a baj, hogy a pákát nem tudom odadugni az IC aljához, a vezetősávot meg hiűba melegítem, nem olvad meg odáig az ón, pedig a pákát maxra tekertem. Ki hogy forrasztaná be? ITT egy kép róla.
csinálsz két alumínium lapot, és csavarral összecsavarozod a kettőt, az ic lábait meghosszabbítod és tokozod azt egy nyákra, a lemez így fölül is lesz, arra rá tudod majd kötni a gnd-t és működni fog.
Szia!
Én úgy tervezném a nyákot, hogy a hűtőfelület alatt legyen egy kb. 1,5 mm-es furat, és azon keresztül vékony hegyű pákával be lehet forrasztani. Persze nem árt előre befuttatni ónnal a nyák ezen részét, meg az IC hűtőfelületét sem.
Sziasztok!
Kacérkodom egy fejhallgató erősítő készítésével, mert gépről és mobilról nem túl ütősen szól a fejhallgatóm. Körbenéztem itt és a világhálón is, de nem igazán találtam nekem megfelelőt, megtervezni meg nem tudom, mert analóg körökben abszolút kezdő vagyok. Szóval egy 9v-os elemről is működtethető stereo fejhallgató erősítő kapcsolást keresek. Ja és 32 Ohm-os fejhallgatóm van.
Két 9 voltos elem nem hátrány? Vagy mindenképp 1et szeretnél?
Hát... Leginkább az lenne a jó. Gondolom a kettőt a + - 9v miatt írod. Viszont én olyat szeretnék, hogy tudjam elemről(aksiról), illetve hálózatról is használni. Viszont magában a kapcsolásban nem akarom a 230-at bevezetni, hanem már meglévő tápról táplálnám (tölteném az aksit). Vagy esetleg meglehet úgy is oldani a +- dolgot?
Van egy egyszerű trükk, műveleti erősítőnek a plusz bemenetét két ellenállással munkapontba állítod, így akár a canamp is mehet gnd+9 volt ról is akár!
Tudnál mellékelni kapcsolási rajzot? Csak mert azt, hogy két ellenállással munkapontba állítod nem értem...
Bocs a belekotyogásért de A-osztályt elemről?
Ő baja már az. akkor meg az ellenállás helyett (100 ohm 5watt) még egy bd139et tesz be. Vagy fog egy műveleti erősítőt esetleg, beállítja hogy 11szers legyen az erősítése és ugyanígy munkapontba állítja a témát, 4 ic kell hogy ne invertáljon és sztereó legyen...
Csak egy ötlet volt, mert láttam olyan fejhallgató erősítőt.... Viszont én semmilyen A osztályról nem írtam... Írtam hogy nem értek hozzá, szóval örömmel vároma tippet, hogy mivel lenne érdemes csinálni.
Hangja mindegy, hogy milyen?http://diyaudioprojects.com/Chip/CMoy-Grado-RA1-Headphone-Amp/OPA21...ic.png plusz előtt van egy 100k-s ellenállás, teszel rá még egyet, és azt már pluszra kötöd és nem földre. -9et meg nem -9re hanem pluszra. Kimenőkondit ne felejts el közé tenni. http://diyaudioprojects.com/Chip/CMoy-Grado-RA1-Headphone-Amp/
Nem közvetlen Neked szántam az intelmet. Még keresgélek ebben az irányban. Még egy hasonló.
Az interneten található kapcsolásokat érdemes némi szűrésnek alávetni. Például ezt.
Az OPA2143 adatlapja arról tájékoztat, hogy 35mA-nél nem illik jobban terhelni. Rövid fejszámolás eredményeként fel kell tűnjön: a kapcsolás 300 ohm-os füleshez készült.
Köszi szépen a válaszokat. Azt hiszem kipróbálom a canamp-ot. Az itteni leírásban azt írják hogy jó a hangja is... Még annyi lenne a kérdésem, hogy stereo úgy lesz belőle hogy külön egy műveleti erősítés a jobb és a bal-nak, ugye?
|
Bejelentkezés
Hirdetés |













