Fórum témák
» Több friss téma |
Mielőtt kérdezel, a következő két dolgot ellenőrizd!
I. A helyes tápfeszültségek megléte.
II. A kimeneten van-e egyenfeszültség.
Élesztés.
A trafó induló árama lehet magasabb, sőt ha tekintélyes tápszűrést is fel kell tölteni, akkor indokolt nagyobb biztosítékot alkalmazni: 1-2A körül.
Szia!
Akárhogy készítem a képet, nem lesz olyan részleteiben kivehető, mint ha lerajzolom, így fénykép helyett inkább egy "hibrid" kapcsolási rajzot teszek fel. Ebben jelölve vannak a fontosabb alkatrészek helyzetei az erősítőben, illetve a tápvonalak és föld kötései. Remélem minden kivehető rajta.
üdv! nem melegszik nagyon, egyébként most 2 ampert tettem be, viszont sajnos csak f bizti volt, lomha nem, és ide az kéne, hogy ne menjen ki rögtön, gondolom.
Idézet: „ Reloop: ” Bekötöttem az izzót a bizti helyére, ahogy mondtad és úgy teszteltem. Szépen működik most mind a két trafó. A kisebbik trafó (NYÁK trafó) hajtja meg az előfokot, a toroid a végfokot majd. Nem értem, mi lehetett a probléma ezelőtt, de a toroid trafó közös középkivezetését is rákötöttem a védőföldre, és melegedés és/vagy komolyabb áramfelvétel nélkül működik minden. Sőt, a lámpa nem is világít, aminek most örülök. ![]() A toroidot egyelőre nem kötöm rá a végfokra, mert az egyenirányítás utáni pufferkondik csak 35V-osak és eldurrannának a számításaim alapján: 27V*1.4142^=38V. Holnap érkezik az új kondi és biztik.
Szia! A gnd-t és a védőföldet ne közösítsd mert potenciálkülönbség alakul ki!!!!!A védőföd nem kimondottan az erősítő része életvédelmi feladata van.Viszont nem értem miért kell két transzformátort használni mivel a stabilizátor ic-kel megoldható a végfok tápjából az előfok táplálása.Reméllem elég érthető voltam.
A biztosíték kiégése lehetett fatális véletlen is, vagy valami összeért a tudtod nélkül
A földeléssel a végfok beüzemelésekor meg fog így gyűlni a bajod. A végfok táp pufferei között kell kialakítani egy pontot (csillagpont) és onnan indítani az összes GND-t. Ha elolvastad a linkelt - Király Tibor tápellátásról szóló írását, látod mekkora szarvashiba van az előfok tápjában. Lehet így sem fog búgni,de ha mégis akkor módszeresen rendbe kell rakni a GND vezetést. Előfok nyáklemeze nem a legalkalmasabb a csillagpont kialakítására, és ezzel enyhén fogalmaztam :wilting:
Szia!
Érthető voltál. ![]() Ha jól emlékszem azért döntöttem két trafó mellet, mert nem akartam nagy hűtőbordákra rakni a feszstabokat a helyszűke miatt, illetve szerettem volna elkerülni a felesleges melegedéseket. Amúgy nem tudom, lehet hogy kiveszem majd, mert ahogy számoltam kb. 1W-nyi hőteljesítménnyel kell kalkulálnom, ha kb. 50mA-t eszik az előfok, ha 38V-ról (egyenirányított 27V) 15-öt csinál. Talán nem vészes. Arra gondoltam a védőföld terén, hogy akkor lekötöm az elkülönített NYÁK lapot a hálózati védőföldről. Így a legutóbb feltöltött kapcsolás szerint a 2 trafó közös középkivezetései, illetve az egyes modulok földjei lesznek egy vezető felületen egyesítve. Ez így jobb lenne ?
Végigolvastam a mellékelt Király Tibor által írt jegyzetet, és tényleg hasznos. Az írásból kiindulva szerintem nincs veszve semmi, mert ha lekötöm a hálózati védőföldet a NYÁK lapról, akkor igazából a csillagponthoz jutok. Ide kötöttem ugyanis az összes földet, illetve a végfok is innen kapja a földet a puffereihez.
Persze nem tökéletes a megvalósítás, mert a jegyzetet csak az elkészítés után olvastam, de talán közelít hozzá. Amúgy az előző kommentedet annyiban korrigálnám, hogy az egyes földek közösítésére létrehozott NYÁK lemez nem része az előfoknak. Ez egy teljesen különálló modul, ami gyakorlatilag egy maratlan, centi széles rézlemezt takar csak azért, hogy ne kelljen sokat vezetékezni. A szarvashiba alatt a hálózati védőföldes megoldásra, az egyszeres Graetz-hídas egyenirányításra gondolsz vagy netán van valami más ?
A szarvashiba: a NYÁK-trafó megcsapolás és az előfok táp pufferek közötti vezetőszakasznak a lehető legrövidebbnek kéne lenni, és csak a pufferek közös pontja után (sőt a feszstab. után) volna szabad a GND-t az előfok felé elvezetni. A rajzzal nem lenne semmi gond, ha végtelen ki ellenállású huzalokat használnál, de olyannal sajnos nem számolhatunk.
Még nem látta erősítőt, amibe ennyi munkát fektettek, biztos nagyon szép lesz a hangja, gratulálok!
Szia.
Köszönöm. - és örülök, hogy tetszik. A képen látott kimeneti fokozatnak az lenne a szerepe, hogy különösebben ne szóljon bele, a csöves meghajtás hangjába. Mert annak káprázatosan jó hangja van. Hibrid erősítőknek sok előnye lehet a tiszta csövesekhez képest, ha sikerül eltalálni , hogy a kimeneti fokozat ne rontsa el a meghajtás hangját (Persze ehhez kell egy jó hangú meghajtás is kifejleszteni). -Sőt inkább segítse. (De mégse terelje a félvezetős hangkarakter irányába annyira ,-ezért fontos, hogy csak a csöves meghajtás erősítse a feszültséget. a félvezetős rész már ne). A célom, ez lenne a kimeneti fokozattal. De még messze a finish.
Olyan kérdésem lenne, hogy hogyan lehet építeni erősítőt? Olyanra gondoltam amit rátudok kötni a telefonomra jack dugóval, és 1 hangszóró-t pedig az erősítőre! Mivel lehetne a hordozhatóságát megoldani? Tehát valami aksi vagy elemek...! Vannak számítógép tápjaim, nem tudom fel lehet-e őket használni?
Szerencsére a kapcsolásom elég gyorsan módosítható, hogy teljesítse ezt a követelményt.
Köszönöm a segítséget!
Szia TDA1558Q-t ajánlok IC nek, hozzá pedig egy 12vos aksit, a PC táp meg jó töltőnek
Kapcsolási rajz Adatlap
Sziasztok. Egy olyan kapcsolást keresek ami a végfokba menő jelben a mély hangokat erősíti és a magasat vagy nem változtatja, vagy szűri. A lényeg az lenne hogy több mély jusson a végfokra és így a hangszóróra a lejátszó (laptop) hangszínének a babrálása nélkül. Nem hangszínszabályzó kell, nem kell állítható legyen.
Sziasztok!
Volna egy (számotokra) egyszerű kérdésem. Építettem egy erősítőt 2 darab stk442-110 hibrid felhasználásával, amelyből ki tudok venni nagyjából 4*70~80 Wattot 8 Ohmon. A tápja egy 500VA, 36+36V-os EI trafó, a puffer oldalanként 20mF. A hangja gyönyörű, ezért szeretném bővíteni duplájára a csatornák számát plusz két végfok IC-vel. Elég lesz-e neki a trafó, vagy ajánlott egy fokkal izmosabbat beszerezni?
Üdv egy egyszerű 2*2W erősítőt szeretnék építeni 5V ról vagy 12 röl.
Hát nem tudom milyet építsek valami rajz vagy kapcsolási rajzot szeretnék milyet érdemes?
Ezek az IC-k, ha a Philips-nek tökéletesen megfelelnek, neked is jók kell, hogy legyenek. Kapcsolási rajz ott van az adatlapokon. Viszonylag kevés külső elem kell hozzájuk,és jó minőségűek. A2004 ráadásul nem is drága, a másikat meg hi-fi-nek írják kimondottan.Bővebben: Link és:Bővebben: Link
Kösz de nekem kisebb kel a hangszórók csak 2.5W és 4 r es próbáltam mát lm ic vel de nem vált be ezért kérdeztem hogy milyet érdemes?
Ilyen kis teljesítményre én meg nem bíbelődnék diszkrét elemekkel, túl sok munka lenne a semmiért. Ezekhez az IC-k hez szinte panel sem kell, olyan kevés az egyéb hozzávaló. Manapság a leggagyibb vásári autórádiókban is TDA 2003 van, mert az elbír 2x 4 ohmot párhuzamosan. A Philips meg ugyanennek a sztereó változatát, a 2004-et teszi bele az autórádióiba. Nem muszáj őket a max. teljesítményig kihajtani, ha gyenge a hangszóród. Például úgy védheted meg őket, hogy sorba kötsz velük egy-egy 5 ohmos 5W-os ellenállást. Ezt egy gyári készülékben láttam, ahol a beépített hangszórók fele akkorák voltak, mint a kívülről rádughatóak.
Üdvözlet mindenkinek.
Találtam két TEA2025-öt két régi hangkártyán, és találtam hozzá egy ilyen rajzot. Van hozzá két 8Ω-os hangszóróm. Kedvem lenne megépíteni a második kapcsolást, de akkor már legyen sztereó. A kérdésem az lenne, hogy ha a másodikat megépítem kétszer, egy nyákon, ott kell-e ügyelni valamire? Vagy sztereót "csinálni" egy mono kapcsolásból nem ilyen egyszerű? Teljesen el kell őket szeparálni, külön külön föld, táp, ilyesmik, vagy nem? Tudom, láma kérdések, elnézést érte, de ilyet még nem csináltam. (mármint építettem már ezt-azt, de erősítőt még nem) Illetve tápnál hallottam olyat, hogy nem kell bele stabkocka, elég szűrni-pufferelni. Ez igaz, vagy jó az ha van?
Ó, borzalom!
Szétszedtem a hangszórók dobozát, és az díszeleg rajtuk hogy "3W 8?" Eddig csak az impedanciát láttam. Hát akkor ennyi, jól érzem ahogy ha maradok a TEA-nál, az első, eleve sztereó kapcsolás is elég lesz?Azért a válaszokra kíváncsi vagyok, szeretném tudni.
Sziasztok, szeretnék építeni egy egyszerű zenegépet. Be lenne dobozolva asztalosmunkával egy LCD monitor+PC ( mivel már ugy sem használom ) illetve van hozzá egy erősítőm 2x40W-os hangfallal.
Mit javasoltok hány wattos mélyládát tegyek hozzá a 2.1-hez?
Átalakítva a kapcsolást a javaslatoknak megfelelően
az előfok szépen működik, melyről fejhallgatóval már meggyőződtem az előfok végén. A végfokot szeretném beüzemelni most már, viszont fellépett egy probléma: A toroid trafóm, bár papíron 2x24V-os, mégis 2x27V-ot ad le , mely egyenirányítva kb. 2x 36 V. A TDA 7294-es IC 4 ohmon maximum 30V-al vezérelhető, mely így 100W-ot tud leadni, tehát sok nekem ez a 2x 36V. Mit javasoltok, hogyan oldjam meg azt a problémát, hogy 36V-ból valahogy 30V, de inkább 28V legyen, ha adott a trafó, a 4 ohmos hangszóró és a lehető legkisebb veszteséget szeretném elérni ?
Szia! A táppal semmi gond, terhelés hatására le fog esni.
Sziasztok.
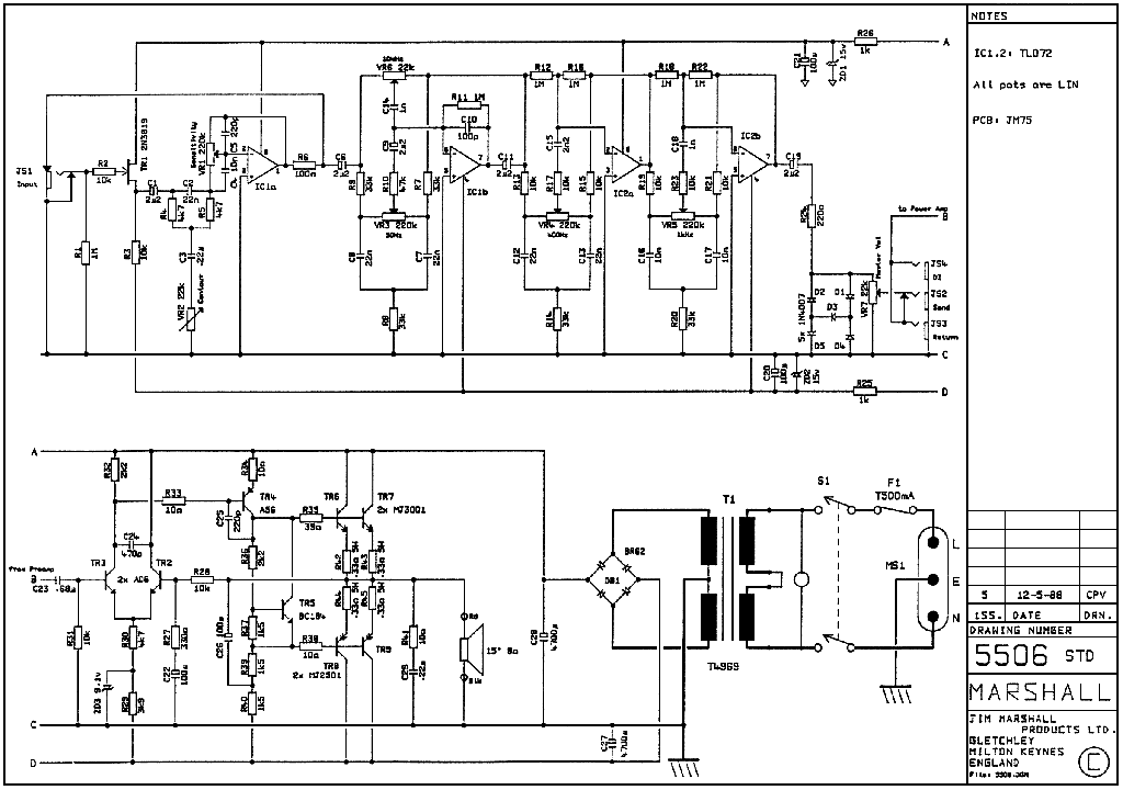
Ennek az áramkörnek a hangszínszabályozó részében, az 50HZ kiemelést a C7 C8 kondi értéke határozza meg? Mármint ha ezek pl 33nF lennének akkor vajon milyen frekin szabályozna az áramkör? Tud valaki segíteni?
Bocs, közben észrevettem hogy talán a C9-nek több köze van hozzá.
Annyit szeretnék módosítani ezen az áramkörön, hogy 40 Hz-en emeljen. A jelenleginél jóval többet erősítsen ebben a tartományban kis hangerőn.
Jelenleg, a biztonság kedvéért még bent van a lámpád
és folyamatosan világít, ha rákapcsolom a végfokot. A toroid trafó primere 160mA-t vesz fel így lámpával, ami kb. 1,5A a szekunderen ha jól számoltam. Akkor azt mondod, hogy nem lesz baj, ha kiveszem a lámpát és egy 4A-es biztivel működtetem most már ? (Azért félek egy kicsit, mert a 24V is több egyenirányítva, mint a megengedhető 30V.) |
Bejelentkezés
Hirdetés |












