Fórum témák
» Több friss téma |
Fórum » Indukciós hevítő készítése
Köszönöm a cikket, nem ismertem.
Hát, 12 V-ról néhány 100 W-ig még el tudom képzelni, de felette már nagyon nagy áramok fognak folyni. Ez már probléma a nyáktervezésnél. Vagy akkumulátorról akarod üzemeltetni? Itt egy cikk a feszültség- vs. árambemenetű inverterekről, talán nem ismeritek.
Sziasztok!
Bocsánat ha már volt erről szó, de indukciós csapágymelegítőt szeretnék csinálni házilag ami a csapágyak belső futógyűrűit melegíti 120-140C°-ig Ha létezik valakinek leírása vagy ötlete azt nagyon megköszönném.
Ahhoz csak egy nyitható vasmag kell amire egy 230V-os primert tekersz ugyanúgy mintha trafó lenne, csak ne 1 teszlára méretezd hanem csak0,5-re akkor nem veri le a biztit. A hőmérsékletet meg mérni kell a csapágyon. GOOGLE De indukciós főzőlapon is lehet csapágyat melegíteni kb 10E Huf körül árulják az üzletekben.
Sziasztok!
Nagyon érdekelne engem is az indukciós hevítés. Nemesfémet szeretnék olvasztani, kerámia öntőtégelyt már sikerült készíteni. Valaki tudna abban segíteni, hogy küld egy kapcsolási rajzot, az elektronika megépítéséhez? ![]() Előre is köszönöm!
Kapcsolást azt találsz itt a fórumon is. De kerámia tégelyben az arany-ezüst nem olvasztható fel ezzel az eljárásal. Talán "vas" edényben és itt már el is mondtam, hogy miért nem lehetséges.
Ez így nem egészen igaz. A hiszterézisveszteséggel hevítő indukciós rendszereknél igaz, de ott csak curie-pontig lehet hevíteni pl indukciós edzés, de az örvényáramú hevítés forráspontig is működik amihez nem kell hogy mágnesezhető legyen az olvasztandó fém. Viszont akkor kis méretekhez nagy frekvencia társul. Arany olvasztásához a 27Mhz-es csöves hevítőt érdemes kipróbálni.
Köszönöm!
Tudnál nekem küldeni erről kapcsolási rajzot? Mert már indukcióhoz találtam, de akkor ezek szerint az nem jó nekem. Még nagyon kezdő vagyok a témában, de szeretnék tanulni.
Szia.Ezek melyik könyvből vannak?Elárulod a címét?Köszi.
Tizenéves korom egyik kedvenc könyve volt, sajnos kölcsönadtam és nem került vissza.
Wojciechowski: Elektronikai játékok építése
Ezer köszönet mindkettőtöknek.
A könyv annyi idős,mint én.Nagy kár érte,hogy mostanság nem adnak ki ilyen, de még hasonló könyveket sem...a gyerekeink meg beveszik azt a sok maszlagot amit az interneten találnak.
Szia,ne haragudj hogy téged zavarlak ezzel a felvetéssel,de nem hogy kezdőnek de még csak amatőrnek sem mondhatom magam,kérdésem a következő lenne,indukciós hevítőt lehet e készíteni úgy hogy az nem a hálózatról kapja az áramot hanem mondjuk egy autó dinamójárol amit kézzel lendkerekes megoldással persze elég nagy áttétekkel hajtok meg?
Lehet, de nagyon kis teljesítményű lesz, mert a kéz nem erre való. ( A láb sem... )
Sziasztok!
Engem is érdekelne a vbodi- féle indukciós fűtő rajza. Ahogy olvasgattam a fórumot, van belőle egy olyan változat amin az összes szükséges módosítás rajta van már.(utólagos berajzolás,....) Na ezt szeretném kérni, ha meg lenne valakinek--mivel sajna az erről szóló linkek nem jók már. Előre is köszönöm!
Sziasztok
![]() Valaki tudna segíteni abban, hogy honnan lehetne beszerezni olyan fojtótekercset a ZVS-hez ami kibírja az 50 A körüli áramokat is? Vagy olyan "magot" amivel ezt az értéket ellehetne érni. Ha jól emlékszem 20 - 25 uH körüli érték lenne az ideális. A hozzászólás módosítva: Okt 13, 2012
4-5 éve a RET-nél vettem 20A-es ferritgyűrűket, 39mm átmérővel, 100uH értékben, 2mm-es huzallal tekerve. Elég drágán árulják, és nem tudom, most kapható-e ez az alkatrész. A hevítőt 26V 80A egyenáramról működtettem (hegesztő inverterről), és 2 ferritgyűrű volt a kapcsolásban, tehát 40A folyt át mind a kettőn, és semmi probléma nem volt velük, bár forróak voltak, de nem füstöltek.
Mostanában viszont a LOMEX-nél veszek 27 mm átmérőjű ferritgyűrűket 55 Ft-ért, amire pl. 23 menet 1,2 mm-es rézhuzallal tekerve 35uH induktivitást ad. Vastagabb huzallal nagy áramot is elviselő tekercs készíthető, kisebb induktivitásértékkel, és ezeket a tekercseket sorba lehet kötni.
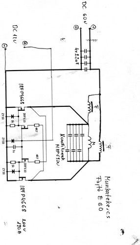
Bocs, hogy ennyi idő után válaszolok csak, de megtaláltam a keresett rajzot:
Sziasztok!
Még új vagyok ebben a témában, az elektronikában viszont annyira nem... Szükségem lenne egy kisebb indukciós hevítőre autószereléshez való használatra. Főleg berohadt, nehezen megindítható csavaranyák, csavarok melegítésére használnám, hogy megkönnyítse a munkámat. Mennyire nehéz egy ilyet összeszerelni, ill. milyen alkatrészek, kapcsolás szükséges ehhez?Köszönöm a válaszokat!
Sziasztok!
Olyan kérdésem lenne,hogy milyen kondenzátorokat érdemes használni indukciós hevítőnél?Itt arra gondolok, hogy milyen kondenzátor típus ideális nagy áramú, nagyfrekvenciás működésre? Nemrég sikeresen elfüstöltem egy motorindító kondenzátort (425V/16uF)a bmeneti oldalra kb. 30-40 W-ot adva. Ha kell, részletezem az elrendezést is. Köszönöm!
Üdv.
Én MKP kondenzátorokból alakítottam ki a kondi bankot,ha jól emlékszem 56nF 1500V-osak. A hozzászólás módosítva: Feb 13, 2013
Spark2 által feltett primi9 féle rajzból építkezhetsz,működő képes,fi 18-as tömör vas rudat kb.20s alatt izzítja fel.
Sziasztok. Most kezdenék bele az indukciós vízmelegítőm építésébe. Azért ezt a melegítési módot választottam mert így meg tudom növelni a hőleadó felületet és ezáltal hatékonyabb lessz mint a hagyományos villanybojler,ahol a 2kV-os fűtőszál szolbáltatja a kis felületen a hőt. Megtakarításom kb 50%-osra számítok de lehet hogy semmit nem ér. Találtam itt hozzá kapcsolódó lket de a kapcsolási rajzot már levették az oldalról és ehez kérnék segítséget. Ha valakinek megvan kérem küldje el nekem. indukciós hevitő néven futott itt . Köszönöm előre is a segítséget.
Nem teljesen világos, hogy mit szeretnél. Villanybojlert szeretnél fűteni indukciós hevítővel? Csak mert azzal -szerintem- semmit sem fogsz megtakarítani. Az eredeti fűtóbetét is ugyanannyi hóenergiát ad le, mint amennyi elektromos energiát felvesz. Minden kWh-ból 3600 kJ hőenergia lesz.
Idézet: „Megtakarításom kb 50%-osra számítok de lehet hogy semmit nem ér” Semmit sem ér. Mármint megtakarítás szempontjából. A felmelegítés gyorsabb lesz. Hogyan jött ki neked az 50%? De akár 1% is? 1kW villamos energiából, ha csak 1001 W fűtési energiát is előtudsz állítani segédberendezések nélkül akkor te tudsz valamit....
Üdv.
Szeretnék építeni egy indukciós hevítőt, találtam egy rajzot de nem tudom az értékeket . Ha tud valaki segíteni a méretezésben ,vagy tud működő gépről rajzot küldeni , megköszönném Válaszotokat előre is köszönöm!!! elérhetőségem : erno.pogany@gmail.com
Üdv.
Ha csak egy oldalt vissza lapozol ,már találtál is egyet. spark2 tett fel rajzot a Primi9 néven ismert hevítőről.Én meg két képet már megépítve ugyanerről ,az oldal elején.Az általad közzé tett rajzról talán spark2 -kéne kérdezni.
Sajnos az ilyen kapcsolásokból eddig nem tudtam kihozni kb. 10 W teljesítménynél többet, és ezidáig nem sikerült tökéletesítenem őket. De nem tartom kizártnak, hogy valakinek ez még sikerülhet. Majd ha lesz egy kis időm, felteszem ezt a megjegyzést a weboldalamra is. Ami már bevált, az a pimi9 féle kapcsolás. Sajnos én még nem építettem meg, de jelenleg nincs is rá pénzem. Amint lesz rá lehetőségem anyagilag, én is meg fogom építeni.
A héten ahogy szörfölgettem a neten, egy iráni egyetem cikkére bukkantam rá. Ez eltér a pimi9 féle kapcsolástól, mert TTL nor és and kapukat használnak a MOSFET-ek vezérlésére. Saját állításuk szerint megépítették és kipróbálták az áramkört, tehát nem csak szimuláció. Ehhez is kell egy túláramvédelemmel ellátott nagyteljesítményű táp, tehát inverteres hegesztő vagy ilyesmi. De mintha a cikkből nekem az jött volna le, hogy pl. egy sima 50 Hz-es hegesztőtrafó is használható, és a feszültség nullaátmeneteinél megoldható a lekapcsolás: Self-Oscillating Switching Technique for Current Source Parallel Re...ystems, Self-Oscillating Switching Technique for Current Source Parallel Resonant Induction Heating Systems by Alireza Namadmalan and Javad Shokrollahi Moghani, Dept. of Electrical and Electronics Eng., The Amirkabir University of Technology, Tehran, Iran Journal of Power Electronics, Vol. 12, No. 6, November 2012
Sziasztok! Tegnap elkészült életem első zvs kapcsolása, de nem igazán szeretne működni.
Azt hiszem elkövettem néhány marhaságot: A két zener dióda az stimmel, de a másik két dióda az nem valami gyors dióda, hanem csak egy átlag ezer voltos egy amperes dióda (ez volt kéznél). Ez okozhat gondot? Aztán a középmegcsapolásos tekercs amire dolgozik, az szintén nem valami vastag anyagból van. Csak úgy sikerült felgerjedésre bírnom az áramkört, hogy biztonsági okból bekötöttem egy izzót a táp ágába, hogy lássam ha valami nagyon nincs rendben: (mondjuk elböktem a nyáktervet, amit nem vettem észre és zárlat van). Lámpa nélkül csak egyszer tudtam felgerjeszteni, de akkor is kapcsolgatni kellett a tápot neki. Az ellenállások mennyire kritikusak? Mondjuk az R3; R4 értéke? Valamint a középleágazásos tekercs? Ami a rezgőkör szerves része mennyire fontos a huzal keresztmetszete? Ugye jól tudom hogy a D1; D2 diódáknak minden képen gyors működésű diódáknak kell lenniük? Ja és még valami csak úgy gerjedt fel az áramkör, ha a tekercsben vasmag volt. Légmagosan mint egy indukciós hevítő, úgy nem. Válaszaitokat előre is köszönöm. |
Bejelentkezés
Hirdetés |






Szükségem lenne egy kisebb indukciós hevítőre autószereléshez való használatra. Főleg berohadt, nehezen megindítható csavaranyák, csavarok melegítésére használnám, hogy megkönnyítse a munkámat. Mennyire nehéz egy ilyet összeszerelni, ill. milyen alkatrészek, kapcsolás szükséges ehhez?



