Fórum témák
» Több friss téma |
Fórum » Kapcsolási rajzot keresek
Témaindító: Kallai Csaba, idő: Márc 11, 2006
Témakörök:
Szia
Köszi az ötletet. A kamera kimenetén közel tápfeszültség van (kb 12V) Terhelhetősége 50mA Bari
Azután szeretnék érdeklödni hogy a LC2D25P7 tipusu irányváltó mágneskapcsolót hogyan kössem be hogy a éjszakai áramkör kikapcsolása után adjon neki a napali kör áramot .
Mind a két körön 3X25A van Elöre is köszönöm a válaszokat
Hello!
Hosszú idejű időzítőnél nem érdemes monostabilokkal vesződni. Számláló a jó megoldás, pld. 4060 vagy 4541-es. üdv! proli007
Hello!
"on-off-1s-npn" file név alatt megtalálod a tranyós kapcsolást.. üdv! proli007
Helosztok.
Grundig W2/13 szkóp rajzát keresem. Melegedéssel elmászik a vonal felfelé, a végén az ernyőről is lemegy. Talán egy cső lehet a gond, csak a rajz megkönnyítené a hibakereseést.
Hello! sajna úgy adódott, hogy kaptam több 5 voltos relét, de nekem csak ilyen kapcsolási rajzom van.
Hogyan módosítsam az értékeket, hogy 5 volttal működjön a kapcsolás?
Az R1-et is módosítani kell 330 ohm-ra, ugyanis a led előtétje se jó 5 volthoz.
sziasztok én egy R.C.S VLA-240c kapcsolási rajzát és aki tud segíteni a javításában annak meg köszönném.Nem lehet be kapcsolni kapcsoló jó
nem működik uraim! Nem lehetne az 5 V-os relét vhogyan "rábírnni" hogy 12 V-os legyen?
A hozzászólás módosítva: Szept 8, 2012
A másik két (azonos szövegű) hozzászólásodat töröltem.
Frankye
Akkor már csak egy kérésem van: A mondatok kezdőbetűi lehetnének nagybetűk?
R2 R3 T1 közös pontjánál jelre és jel nélkül mit mérsz?
Számolni kell...
A 12V esetén a LED 1k-val 11mA-re van beállítva, ez elég halvány. A 100k a tranzisztort 120 mikroamperrel próbálja nyitni, nem tudom milyen a tranyó? Ha a bétát saccoljuk 200-ra, akkor 12mA fogyasztású relét kínnal meghúzathat. 5V-os relé kb 30mA-t kíván (általában egy kisebb), de nem tudom milyen a reléd. Javaslat: a tranzisztor legyen darlington (kettőből is összerakhatod), bázissal soros ellenállás nem kell, 100k helyett 22k, LED-del sorba 150...220 ohm Úgy kezdd a kísérletezést, hogy a relét hajtó tranyót az ellenállásal - minden mást elhagyva - megpróbálod úgy kinyitni, hogy a relén legyen minél több, a tranyó E-C közt minél kevesebb fesz. (szaturálódjon - így is mondjuk. 200...500mV megfelelő) Ha ez megvan, bekötheted a többi alkatrészt. Itt már csak az lehet a gond, ha a meghajtó tranyót nyitó ellenállás túl kicsire adódott, akkor a fototranzisztort erősebben kell megvilágítani ahhoz, hogy le tudja zárni. (megintcsak az UC-Esat érték...) A hozzászólás módosítva: Szept 8, 2012
Nem ennyire bonyolult a dolog, minden marad a rajz szerint, tápfesz 12 V, a relé 5 v-os lesz, levonjuk
a tranzisztor nyitó feszültségét 0,6 V-ot marad 11,4 V. Előtét ellenállással állitsuk be a körben folyó áramot 50-60 mA körülire.
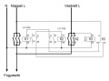
Kel egy kiegészítő 230V-ös relé vagy kis (segéd)mágnes kapcsoló, ez vezérli a kettős "nagy" mágneskapcsolót. A relé tekercsét az éjszakaira kell kötni. A nyitó érintkezője a nappali mágneskapcsolót táplálja, záró érintkezője pedig az éjszakai mágneskapcsolót. Természetesen nagyon fontos, hogy a két nagy mágneskapcsoló bontó érintkezői be legyenek kötve keresztreteszelésnek!
Van egy LC2D25P7 típusú mágnes kapcsolom de már pár napja küzdök a bekötésén. A következő képen akarom megoldani van 3X25A nappali és van 3X25A éjszakai áram . A mágnes kapcsoló bal felső oldalára bekötöttem a nappalit a jobb felső oldalára meg a éjszakai a jobb alsó részére meg bekötöttem a éjszakai bejövőt amin menne a fűtés de azt akarom hogy ha nincs éjszakai áram akkor váltson át nappali köre. Ha a A1-re rá kötöm a + A2-re meg a - akkor beh húz de ha másik oldalon is bekötöm ugyan azt akkor megbolondul mert az is be akar húzni.
Az lenne a kérdésem mit hová kössek a előlapon hogy Valcsák egymást? http://media4.rsdelivers.cataloguesolutions.com/LargeProductImages/RF609027-01.jpg
Szükség lesz még egy rellére ami váltsa, hogy melyik mágneskapcsoló behuzó tekercse kapjon feszültséget , annak a vezérlését meg az éjszakai áramra kel vezérelni.
A hozzászólás módosítva: Szept 9, 2012
megírhatnád hogy milyen relét vegyek meg lészi
Aminek 230V a behuzó tekercse és van egy vagy két váltóérintkezöje .
A hozzászólás módosítva: Szept 9, 2012
Hali. Tudna valaki egy kapcsolási rajzot küldeni az LG 37 LD 450-es LCD TV-ről. Köszi.
Átkapcsoló bekötése
|
Bejelentkezés
Hirdetés |







