Fórum témák

» Több friss téma
Fórum » Rádió tuner hiba
 
Témaindító: nehezgep, idő: Aug 22, 2009
Témakörök:
Lapozás: OK   8 / 18
(#) kisedison válasza pucuka hozzászólására (») Szept 19, 2012 /
 
Fhúú... Hát ez nekem egyenlőre kínai Akkor lehet hogy elvetem a dolgot.
(#) bootscode hozzászólása Szept 19, 2012 /
 
Sziasztok!
Grundig T 35 rádió tuner egy-két óra működés után elnémul. A rádió csatorna vételi szintje teljesen eltűnik. Aztán gondol egyet és visszajön az adás. Másik hiba: ha hosszabb ideig nincs bekapcsolva, elfelejti a beprogramozott csatornákat. Valami ötlet? Előre is köszi!
(#) mihist4 hozzászólása Okt 1, 2012 /
 
Sziasztok!
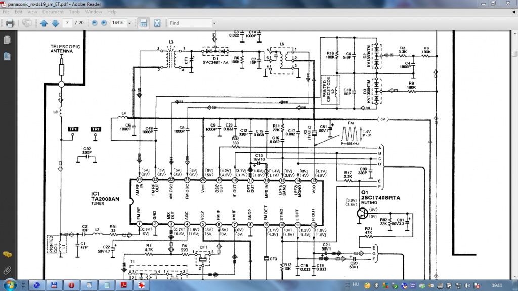
Egyszer már 2010-ben volt gond a Panasonic RX-DS19 cds-rádiós-magnóm PLL-jével.
Akkor X3-as Quartz volt a hibás, nem adott órajelet a PLL szintézer IC-nek.
Most is hibás lett a készülék. Megnéztem X3-as quartzot is, az egyik vége adja a kb.7.2MHz-es jelet.
A másik végének is adnia kellene?
Hiba jelenség:
- Leválasztottam a PLL-t a varikapoktól (lásd. RX-DS19-Leválasztás.jpg) és potit tettem a rajz szerint, hogy kipróbáljam, hogy jó-e a tuner
A tuner egyszer jó. egyszer nem. Ha jó a tuner akkor az L5 nyomtatott tekercsen mérem az FM frekit, ha nem jó, akkor meg kb.300kHz-et, annyit ami X2-önél van.
Mikor a V mérővel méregetem D1, D2 pontokat, akkor szokott átkapcsolgatni a jó, és a rossz módba. Sőt mikor erősen nyomom a mérőcsúcsot, akkor változik. Érdekes.
- Hiába kapcsolom FM/AM váltó nem működik, ha jó a tuner, akkor is FM szól.
Amit fogok csinálni:
- PLL IC-nél sem változik a fesz, bár ezt még pontosan mérnem kell, tehát valószínű 2 hiba van
A hozzászólás módosítva: Okt 1, 2012
(#) mihist4 válasza mihist4 hozzászólására (») Okt 1, 2012 /
 
először mindenképpen a tunert kellene életre lehelnem, tehát D1-ig megvan a +B(1) feszültsége (7.7V), és D1-nél változik is.
Hogyan tovább?
A hozzászólás módosítva: Okt 1, 2012
(#) mihist4 válasza mihist4 hozzászólására (») Okt 1, 2012 /
 
D2-ig, és D3-ig is rendben van jel
(#) mihist4 válasza (Felhasználó 13571) hozzászólására (») Okt 1, 2012 /
 
Köszi!
A Tuner már működik, forrasztás hiba volt, és Tuner IC nem kapott tápot, de sajna PLL még mindig nem jó.
Lemértem IC1(Tuner) és IC2 (PLL IC) lábain levő feszt: mellékletbe tettem az eredményt.
Továbbra se kapcsol át AM-be, de ha a Potival keresek FM-be, akkor AM alapzajt hallok, de FM-t fogok.
(#) mihist4 válasza mihist4 hozzászólására (») Okt 1, 2012 /
 
Érdekes dolgot mértem:
- IC2 1.láb ÉS X3 quartz-nál a freki nem mindig van meg, a 7.2MHz helyett 90kHz van.
- az IC2 22.láb ÉS X3 quartz-nál mért freki normális, azaz 7.2MHz
(#) mihist4 válasza (Felhasználó 13571) hozzászólására (») Okt 2, 2012 /
 
ahogy ic-k kimeneteit megmértem, szerintem a legfurcsább az IC2 20-as láb kimenete: 1.6, vagy 1.8V-nak kellene lenni, de a +B(1) feszültség jelenik itt meg a 7.7V
(#) mihist4 hozzászólása Okt 2, 2012 /
 
.....

pll_ic02.jpg
    
(#) szilva válasza (Felhasználó 13571) hozzászólására (») Okt 2, 2012 /
 
Lehet, hogy a PLL IC nem kapja meg a processzortól a parancsokat, és emiatt az I/O lábai sem jól állnak, nem jól kapcsolják a tunert. Az üzemmód sem kapcsolódik át FM/AM között, mert az FMin és AMin lábak feszültségén nem látszik, hogy átkapcsolna.

A rajzon van egy 7 vezetékes kapcsolat jelölve, amiből az A-D vezetékeken megy a kommunikáció a processzortól és a PLL között. Ha ez a kapcsolat valami kábel csatlakozókkal, akkor lehet, hogy először itt kellene szétnézni, hogy az érintkezések rendben vannak-e. Továbbá rá kellene a PLL IC 3., 4. és 5. lábaira mérni szkóppal, miközben a rádión sávot váltasz vagy hangolod, esetleg egy keresést elindítani:

- A 3. (CE) lábon azt kellene látni, hogy amikor a processzor hozzá akar szólni a PLL IC-hez, akkor ez a láb magasba megy, egyébként meg alacsony. (Esetleg előfordulhat, hogy folyamatosan magas az állapota, mindig aktív a kommunikációs csatorna a processzor és a PLL között, de ezt kevésbé tartom valószínűnek.)

- A 4. (CL) lábon órajelet kell látnia, amikor a processzor meg akarja szólítani a PLL-t.

- Az 5. (DI) lábon a 4. láb órajelével szinkronban kell az adatbiteknek menniük a processzortól a PLL felé. Ez valamilyen nem szabályos, de láthatóan változó állapotú logikai vonalnak látszik a szkópon.

Azt kellene megfigyelni, hogy ezek a jelek megvannak-e, és a magas illetve alacsony szintjük megfelelő-e. Az alacsony szintnek nem szabad 1.5V-nál magasabbnak lennie (szerintem bőven 1V alatt van normális esetben), a magas szint minimum 3.5V, de inkább jóval 4V felett. Ezeket a szkópot DC állásban használva jól lehet ellenőrizni.

A PLL saját oszcillátorát csak az Xout (22) lábon mérd, az a berezgetett erősítő kimenete. Az Xin láb a bemenet, a műszert odatéve az olyan terhelést okozhat, amitől az oszcillátor leállhat vagy instabillá válhat.

A 19-20. láb között van egy FET, ami a környékén lévő RC hálózattal egy (fázisfordító) aluláteresztő szűrőt alkot, a FET drainellenállása a rajzon szereplő R27. Az aluláteresztő bemenetére a PD (18.) kimenetről érkezik a jel, ez a fázisdetektor kimenete. Mivel a PD kimeneten nullát mértél, jogos, hogy a varikapok felé elmenő kimenet felkoppant a tápfeszültségre. Olyan ez az állapot, mintha nem lenne a tuner felől bemenő jel, azaz alacsonyabb frekit érzékel a kellőnél, és ezért feljebb akarja hangolni a tunert (magasabb fesz a varikapokon=magasabb tuner frekvencia). De ezzel a részével majd akkor kellene foglalkozni, ha az üzemmódoknak megfelelően kapcsolódnak az I/O-k a PLL IC kimenetein.

Szerk.: Bocs, Zoli, természetesen mihist4 kollegának válaszoltam.
A hozzászólás módosítva: Okt 2, 2012
(#) mihist4 válasza szilva hozzászólására (») Okt 2, 2012 /
 
Köszönöm szilva a részletes leírást. Tudtam, ha Téged kérdezlek ez lesz.
Bele is fogok merülni ebbe, csak pillanatnyilag nincs szkópom, csak frekimérőm.
Gondolom azzal nem lehet kiszűrni a hibát?
Egyébként milyen tulajdonságú szkóp kellene?
(#) szilva válasza mihist4 hozzászólására (») Okt 2, 2012 /
 
A legegyszerűbb, akár 1MHz sávszélességű szkóp is elég arra, hogy a proc-PLL kommunikációt megfigyeld. Ha tudsz valami kézi LCD-s szkópot szerezni kölcsön, akkor azokon szokott lenni tárolós üzemmód, ami egy triggerjel után valamennyi időt elspájzol és azt vissza tudod nézni. Az ilyen kommunikációt ezzel lehet talán a legjobban megnézni.

Ha sima szkóp van, akkor a hangolást nyomva, vagy a keresést elindítva azt mindenképpen kellene látni, hogy a vonalakon van-e változás, illetve a jelek teteje és alja hova esik a feszültségskálán. Mindenképpen DC állásban kell mérni.

Még mielőtt a szkóppal kezdesz foglalkozni, azt egy csipogós zárlatvizsgálóval végigmérheted, hogy a proci és a PLL IC lábai között megvan-e a kapcsolat (a rajz alapján van valami oldható csatlakozó az útban). IC láb és IC láb között mérj!
(#) mihist4 válasza szilva hozzászólására (») Okt 2, 2012 /
 
A proci és a PLL IC között nincs oldható kapcsolat. Mindkettő ugyanazon a nyákon van.

szkópról: a kézi LCD-s DSO-k abban különböznek a 'valódi' szkópoktól, hogy nem valós idejűek? Az olcsókkal általában csak 1MHz-et lehet mérni? Pl. ez milyen?:

http://www.ebay.com/itm/ARM-DSO-ARM-Cortex-M3-DS203-Pocket-Size-Dig...14b19b
(#) szilva válasza mihist4 hozzászólására (») Okt 3, 2012 /
 
Nem tudom, milyen lehet a belinkelt szkóp, ha valós a 72MSps, amit írnak róla, akkor az azért nem rossz. Van két analóg és két digitális bemenete, a digitális bemenet pl. olyan méréseknél, ami most a PLL vezérlés kapcsán kellene, jól is jöhet.

Azt nem tudom, mit értesz "nem valós idejű" szkópon, ezek a digitálisak azt csinálják, hogy egy triggeresemény hatására elkezdik a mintavételezést, és memóriába pakolják a mért adatokat. Nyilván van egy, a háttérben futó másik szál, ami ebből a memóriaterületből kiolvassa az adatokat és a képernyőre kipakolja. Mivel a képernyőfrissítés meglehetősen lassú (maximum pártíz képernyő másodpercenként), ezért előfordulhat, hogy gyors változások mérésénél nem mindent fog kitenni a képernyőre, de úgysem látnánk, mert a szemünk sem olyan gyors. Erre vannak viszont az "egyszer elsütős" üzemmódok, amikor az egy képernyőhöz tartozó mérések begyűjtése után nem kezdi újra automatiksan a triggerrel indítást, hanem begyűjt még pár képernyőnyi adatot (amennyi memóriája van), és megáll. Ilyenkor a képernyőn jobbra-balra tologatva a mért adatokat meg lehet nézni, hogy hogyan történtek a dolgok időben. Akár még a biteket is vissza lehet olvasni egy digitális kommunikációból, főleg, ha egyszerre két csatornát is el tud spájzolni a cucc (egyikkel a szinkront, másikkal az adatot). Úgy gondolom, a belinkelt szkóp is tudja ezt, a trigger modes-nál fel van sorolva a "single". Eltárolni csatornánként 8000 mérési pontot tud egycsatornás módban.

A legegyszerűbb digitális szkópok közvetlenül a bennük lévő mikrokontrollerbe integrált A/D-kkel mérnek. Ezeknek a sebességük elég korlátos, mondjuk maximum 1-2MSps szokott lenni. A Nyquist-tétel miatt a mintavételi frekvencia minimum a megmérendő jel frekvenciájának a készerese kell, hogy legyen, de hogy valamilyen elfogadható alakhűséget is tudjon szolgáltatni, ahhoz illik legalább a tízszeres frekvenciát használni. Egy 1-2MSps képességű cucc tehát 0.5-1MHz-ig használható (szinuszos jelnél), de maximum 100-200kHz-ig úgy, hogy a jelalak is jól leolvasható legyen. A digitális jelek pont nem a legegyszerűbbek ebből a szempontból, tehát 200kHz fölötti digitális jelekhez már inkább ne használjunk egy maximum 2MSps szkópot. A 72MSps ebből a szempontból nagyon barátságosnak tűnik, és gyanítom, hogy itt már egy külön célhardveren történik a mintavétel és digitalizálás, a mikrokontroller csak ezt a hardvert, az LCD-t és a felhasználói felületet vezényli.
A hozzászólás módosítva: Okt 3, 2012
(#) mihist4 válasza szilva hozzászólására (») Okt 3, 2012 /
 
Leellenőriztem a PLL IC és Proci IC kapcsolatot szakadás vizsgálóval. Sajnos galvanikusan egyek. Kell 1 proci
(#) szilva válasza mihist4 hozzászólására (») Okt 4, 2012 /
 
Idézet:
„galvanikusan egyek”
- ezen mit értesz? Mi történhetett a procival, biztos, hogy ő a hunyó?
(#) mihist4 válasza szilva hozzászólására (») Okt 5, 2012 /
 
jajj bocs, nem proci, hanem szkópot akartam írni.

galvanikusan egyek=nincs szakadás a proci és a pll ic között

szereznem kell egy szkópot, utánna jelentkezem, nem adom fel
(#) pisti89 hozzászólása Nov 7, 2012 /
 
Sziasztok
Szükségem lenne a segítségetekre
Van egy Denon TU-460as tunerem+Phillips 2312 tunerem is
Denonhoz csináltam egy keretantennát ilyet de impedancia illesztő ballunnal! (mert ez 300Ohm)
a tunerem időnként stereo/mono közt ugrált, máskor meg semmi baj (MAX térerőt jelez)
kipróbáltam a Phillips-el is, ugyanaz a tapasztalat (96,4MHz-en 2 adót is fogott)
Ezek után vettem egy erősítős szobaantennát ilyet de a hiba ugyanúgy fennáll, hiába állítok az erősítő fokozaton
Győrben lakom az Erfurti utcába, lehet valami lokális hiba, másnak is van ilyen?
Valakinek esetleg van valami tippje, merre induljak el?
(#) Massawa válasza pisti89 hozzászólására (») Nov 7, 2012 /
 
Ott van a nagyon erös külföldi adó (96,6 MHz) és az nyomja el a 96,4MHz-et, amivel nem tud megbirkozni a tunered. Irányitott antenna talán segitene, de ilyen frekire ez nem egyszerü dolog - a méretek miatt).
A hozzászólás módosítva: Nov 7, 2012
(#) pisti89 válasza Massawa hozzászólására (») Nov 7, 2012 /
 
Köszi az infót
Esetleg a sztereo/mono ingadozásra tudsz valamit?
Lehet a hálózati 220 tele van valami zajjal, vagy valami hibás pc táp kever vissza a hálózatra?
(#) pucuka válasza pisti89 hozzászólására (») Nov 8, 2012 /
 
A szteró/monó ingadozás kis térerősségnél, és/vagy reflexiós környezetnél áll elő. Rendes, tisztességes külső antenna segít.
100 MHz környékén, már sem hálózati, sem kapcsolóüzemű táp zavarsugárzása nem jelentős, ezek csak a 30 MHz alatti sávban okoznak problémát. Egyébként ezen is segít a külső antenna.
(#) pisti89 válasza pucuka hozzászólására (») Nov 8, 2012 /
 
Külső antennát tervezem már, csak itt az albiban nehezen megoldható
Esetleg a KF-be nem zavarhat bele a kapcsolóüzemű táp?
Térerőnek elégnek kéne lennie, mert az indikátor full térerőt jelez
Egyébként köszi a jó tanácsot
(#) pucuka válasza pisti89 hozzászólására (») Nov 8, 2012 /
 
A KF re nézve minden rádióvevőnek megfelelő szelektivitása, és külső, belső zavarok elleni védelmének kell hogy legyen, különben maga a rádió sem működik.
Ha a térerő indikátor teljes értéket jelez, akkor a véteeli környezet reflexiós, vagy fennáll a lehetőség közeli másik nagyobb térerejű adó zavarása. A 100 MHz -es sáv egy kicsit furcsán van használva, de ennek is meg van az oka. A csatornák 100 kHz -es osztásúak, de a vevők sávszélessége sztereó esetén 360 kHz. Tehát jobbra, balra még egy csatorna belóg. Viszont a szomszédos csatornákat egy bizonyos körzetben nem is használják. A frekvencia felhasználás tervezésekor szerepe van a telephelyek távolságának, magasságának, a kisugárzott teljesítménynek, magyarul zavartatás számításokat végeznek. Ez megfelelő eredményt hoz, hacsak nincs a rendszerben kalózadó.
Külső antennaként pedig használhatsz szimmetrikus tápvonalból (szalagkábel) készített antennát, amit az erkélyre, ablak keretre felerősíthetsz.
(#) pisti89 válasza pucuka hozzászólására (») Nov 8, 2012 /
 
Thx
nem gondoltam volna, hogy ilyen durva reflexiók vannak a környéken
Sebaj, hamarosan költözöm pestre...
(#) pucuka válasza pisti89 hozzászólására (») Nov 8, 2012 /
 
A bőség zavara is baj. Győr Szabadhegyen levő TV toronyból, tőled 1,7 km -re sugározzák az URH sávban a műsorokat, igen nagy teljesítménnyel. 87,6/7,5; 95,0/1; 93,1/7,5; 96,4/0,58; 101,4/7,5; 106,4/1; 106,8 MHz/7,5 kW; Épp az általad reklamált a legkisebb teljesítményű. Azt nem tudom, hogy az emeletes házak melyik oldalán laksz, de ha a vasút felé néz, akkor lehetnek gondok. A nagy térerősség esetén a reflexiók is nagyok. Ha esetleg külső antennát teszel fel, akkor ne felejtsd függőlegesre állítani, így az amúgy is kisebb teljesítménnyel sugárzó adó jobb lesz, a nagyoknak meg nem számít annyit. A 10 szeres térerősség különbséggel egy tisztességes vevőnek meg kellene birkóznia.
(#) pisti89 válasza pucuka hozzászólására (») Nov 8, 2012 /
 
erfurtinak a zöld utca felőli oldalán lakom, tehát nem a pláza felől
Próbáltam már az antennát állva, fekve, nem sok a különbség
91,5-kékduna
96,4-rádió1
101,4-?
103,1-?
87,6-elvileg neo fm
mindegyik rossz, csak nem ugyanaz a gyakoriság
A jelenség inkább estefele jellemző
Na ilyet még nem pipáltam
96,4MHz-rádió1 hiba megszűnt miután kihúztam a hosszabítóból az LG telefontöltőmet
Ez vajon mitől van?
És a hiba mobiltelefonom rádiójánál is megvan
több mint valószínű h refleszió lesz
headset függőleges-Rádió1
vízszintes-valami más adó
A hozzászólás módosítva: Nov 8, 2012
(#) pucuka válasza pisti89 hozzászólására (») Nov 8, 2012 /
 
Antenna nélkül mi a helyzet? Másfél km -re az adótól elég rosz a helyzet, a nagy antennajel miatt. Semmiesetre se használj erősítős antennát, az csak az intermodulációt növeli.
Nézz körül a házban, hogy másnak is vannak-e vételi problémái. Ha van, akkor az NMHH -nál be kell jelenteni a vételi zavart. Műszer nélkül, találgatással nem sokra lehet menni mindezek után.
(#) pisti89 válasza pucuka hozzászólására (») Nov 9, 2012 /
 
Hát igen tudom, de nincs hely a műszerparknak
Antenna nélkül minden mono, kivétel a 101,4MHz-de az ingadozik ugyanúgy
Jelenleg erősítős antennát használok, de erősítő nélküli keretantennával ugyanaz volt a helyzet(függőleges és vízszintes irányítottsággal is)
Holnap körbekérdezek a lakótömbben
Egyébként elég informált vagy, Győrben laksz vagy csak utánanéztél?
Lehet átviszem holnap a tunert a belvárosba, haverokhoz, hátha ott jobb a helyzet
Csak sajnálom kibontani, mert Nakamichi RCA-t használok(csavaros) és elég passzentos, masszív kontaktja van, szinte még az aljzat is mozog mikor kihúzom
Ha a hiba a lakótömbben másnál is megvan akkor bejelentem a hibát
Bár most már én is arra gyanakszom, mert mobiltelefonnal is teszteltem (LG és SE) és ott is megvolt a hibajelenség
(#) matyusz hozzászólása Jan 20, 2013 /
 
Üdv mindenkinek.
Egy olyan kérdésem lenne, hogy mitől nem adhatja ki a jelet egy TA2099-es ic. Ez egy tuner ic lenne egy Tevion hifiben, ami a 19-es lábon "FM OUT" néven futó lábon kiadja a jelet. Az ic környékén lehet a hiba a kimeneti lábain nem ad ki hangot 12-13-as láb, de érintésre búg, tehát vagy az IC-ben vagy körülötte lehet probléma. Ha valaki esetleg tudna segíteni előre is nagyon köszönöm.
(#) Kazu hozzászólása Márc 1, 2013 /
 
Sziasztok!

Olyan kérdésem lenne h van egy thomson life cs90-esem és nem találja a rádióállomásokat. Automatán semmit, ha rámegyek egy adóra, akkor nem adja be, csak sistereg, hangerőt sem lehet állítani. Van h 10 újraindítás után bejön egy adó amin épp van, de ha elkezdem hangolni azon marad tehát mindenhol az szól. Szerintem az IC a hibás LA1823 típusú. Ha standby üzemmódba kapcsolom a háttérvilágítást rajta hagyja és a power gomb ledje sem világít. Ha kihúzom a konnektroból és vissza akkor áll csak standbyba és világít a power ledje.. Cd része tökéletesen működik. Segítségeteket előre is nagyon köszönöm!
A hozzászólás módosítva: Márc 1, 2013
Következő: »»   8 / 18
Bejelentkezés

Belépés

Hirdetés
XDT.hu
Az oldalon sütiket használunk a helyes működéshez. Bővebb információt az adatvédelmi szabályzatban olvashatsz. Megértettem