Fórum témák
» Több friss téma |
Értem, köszi amúgy a gyors választ. Amúgy meg az optó 3-as lába sehova se vezet... Na mindegy. 25A-s a graetz. Áttervezem. Kár hogy ezeket vettem meg. Amúgy vannak még régebbről megmaradt 1500µF/160V és 390µF/400V 4-4 LOW ESR kondijaim. Ezek jók lennének?
Bár ahogy nézem, Ge Lee sem mellőzte a légkötéseket és neki sincs valami közel a gate trafó a "belvárostól". Amúgy meg a Ge Lee-féle táphoz képest, mintha csak egy butított ferdeszemű valami lenne az enyém, ráadásul a tükörképe.
A hozzászólás módosítva: Okt 8, 2012
Nemrég javítottam egy tápot, 5V, 12V -ot ad ki, külső "vincseszteré". Minden kondi ki volt benne folyva, a méreteik alapján nem is low ESR típusok voltak szerintem. Vettem bele low ESR kondikat, igaz a 12V ra az eredeti 2x1000µF helyett csak 2x470µF -ot tudtam bele tenni mert ugye ezek a speciális kondik 2x akkorák mint a rendes.
Azt kérdezném, hogy érdemes lenne még a low ESR elektrolit kondikkal párhuzamosan beforrasztani smd kerámia kondenzátorokat?
Ha kis méreteket akarsz akkor muszáj drótozni. A gate trafónak nem a vezérléshez hanem a fetekhez kell közel lenni. Nálam közvetlenül rajtuk van. Az mit jelent hogy az optó 3-as lába sehova sem vezet? Annak 4 lába van, és mindegyik be van kötve. Ha végfokot fogsz hajtani róla nem kell feltétlenül low ESR kondi, ebben is csak 1-1db mezei 3300µF/100V van és bírja.
Emmzolee írt az önrezgők kis üresjárati fogyasztásáról. A tapasztalataim során ennek a tranzisztoros kapcsolásnak 1W-nál némileg több, én 3-4W-ra saccolom. Mégpedig a keménykapcsoló jelleg miatt. Ugyanis ráakasztottam egy TDA7294-es véget a tápra a maga 50mA körüli nyugáramával, és ahhoz, hogy ilyen kis terhelés mellett is stabilan rezegjen, meg kellett erősítenem a feszültség-visszacsatolást, le kellett csökkentenem 50 ohmra az ellenállás értékét az "5V" szekunderről. Ugyanis a diódák, a szórás, valamint a plusz fojtó miatt (de plusz fojtó nélkül is) túllövések keletkeznek, amik szintén töltögetik a kondit, kis terhelésen a négyszög amplitúdója fölé. És így csak a túllövések idejére folyik áram, emiatt ha gyér a feszültség-visszacsatolás, leáll az oszcillátor, és a diac gyújtogatja újra. A feszültség-visszacsatolást izmosítva pedig, bár rezeg kis terhelésen, leesik a frekvencia, gyanítom azért, mert jobban van telítve a bázis, lassabb a kikapcsolás.. Terhelve nagy tartományban max. 5k-t változik a frekvencia (45...50k között),. viszont az 50mA-rel 29kHz. Ezért meglátásom szerint ez a tranzisztoros megoldás terhelve érzi igazán jól magát, és így is tapasztaltam.
Régebben viszont említetted, hogy a FET-es önrezgő (gondolom ha a telítéses mag szekunderei jól vannak méretezve a FET-ek kapacitásához) üresjárásban és a közeli állapotban ZVS üzemet is felvehet (így talán száműződnek a túllövések). Ezért gyanítom, hogy annak, még nem rezonáns trafóval is, kisebb lehet az üresjárási teljesítményfelvétele, és stabilabb a frekvenciája.
Még egy olyat kipróbáltam, hogy visszanöveltem 100 ohmra a feszültségvisszacsatolás ellenállását, és a PC táp trafó egyik "5V"-os szekunderét beterheltem közvetlenül 100 ohm-mal (ez durván 1,2W közvetlen alap terhelés). Így már a végfok nyugalmi áramával is szépen, folyamatosan rezeg 32kHz-en. 50W-os terhelésen 38kHz, valamivel több, mint 200W-tal meg 45kHz. Egyébként most ventillátor nélkül járattam 200W-on, fektetett lamellájúak ugye a hűtőbordák, nem épp előnyös hűtés szempontjából, de fél óra után sem forrtak fel. Kikapcsolva elég lassan hűlt vissza. Szóval szerintem a kapcsolási veszteségek nem igazán nőnek a terhelés hatására, max. némi vezetési veszteség melegíti jobban a bordákat (különösen igaz ez a diódákra).
Következő kísérleti tervem: tekerek egy trafót úgy 2x40V-ra, előszedem az MBR10200-as szingli diódáimat (az MBR3045-ösök itt már a túllövések miatt pengeélen táncolnának a maguk 45V-os max. zárófeszültségükkel), meg kotortam már hozzá 2SC3277-es tranyókat (de szerintem 13007-es is megtenné), összerakom, némi ventit is biggyesztek mellé, jól megpufferelem a primert, és ráakasztok 600W-ot Ha azt is viseli huzamosan, akkor egész vállalható a dolog ![]() Mondjuk kérdéses, hogy 40-50kHz-en egy ERL-35-ös mag (képen láthatóhoz hasonló PC táp trafóból) át tud-e vinni ennyit. Mondjuk van ERL-40-es magom is, meg egy 50mm széles, 1,8cm2 keresztmetszetű EE magom is. Apropó: elmnéleti kérdésem, mert ezzel még nem vagyok tisztában: pontosan milyen elméleti jelenség korlátozza be azt, hogy egy adott keresztmetszetű vasmag adott frekvencián mekkora teljesítményt tud átvinni biztonságosan? A hozzászólás módosítva: Okt 9, 2012
Igen, így valahogy. De azért két végfoknak már 100 mA a nyugalmi árama, tehát kedvezőbb lehet. Ha jól emlékszem, pont te írtad, hogy a tisztán áramvisszacsatolás nem megy, mert üresjárásban nincs bázisáram. Tehát, erre írtam, hogy szerintem nem kell bele áram-, csak feszültségvisszacsatolás. Ha áramvisszacsatolást is teszel bele, az azért jó lehet, hiszen nagy terheléseknél biztosítja a nagyobb bázisáramot, tehát a tranyók jól be tudnak kapcsolni. ( ha nem, akkor meg leszakad a rezgés ) Amit még gondoltam, hogy elég lenne a fesz. visszacsatolás is, de a tranyók bázisába kellene a Baker-clamp, hogy ne menjenek telítésbe. Így pont annyi bázisáramot kapnának, amennyivel még elmegy a rezgés is, de a tranyók sokkal gyorsabbak lennének, kisebbek lesznek a kapcsolási veszteségek. Vagy eleve darlington tranyót lehetne használni, azok gyorsabbak, különösen, ha diszkréten csinálod meg őket, hiszen a nagyáramú tranyó nem tud telítésig bekapcsolni. Ezt azért ki kellene próbálni, mert ez szimulátorban nem megy. Nem tudom miért, nem nagyon volt vele időm foglalkozni, talán megnézhetnéd, de a gyakorlatban. Az igaz, hogy a Baker clamp-pel nagyobb lesz a vezetési veszteség, de nem biztos, hogy összességében nem lesz jobb.
A másik, hogy az üresjárási teljesítményfelvétel elég sok mindentől függ. Pl.: a vasveszteségtől is. FET-tel sem egyszerűbb a helyzet, üresjárásban, vagy kis terhelésnél mi fogja áttölteni a ZVS kondikat? Lehet beletenni légrést a főtrafóba, de nem igazán lesz jó. ZVS működést is el lehet érni, de az egész másképp működik, meg nem is így néz ki. Játsz még ezzel egy kicsit, később privátban megküldöm, hogy hogyan lehet igazi ZVS-t csinálni belőle. Ez egyenlőre nem publikus.
Így névre, hogy Baker-clamp, nem volt ismerős, de már hallottam róla "anti-szaturációs bázisvezérlés"- ként. Lényege, ahogy annó felfogtam, hogy nem engedi telítésbe menni a tranzisztort (huroktörvényt felhasználva ezt le is vezettem annó magamnak, miért). Most pár napig külföldön leszek, de ha hazajöttem, kipróbálom. Ha jól tudom, ez a 0,6...0,8V körüli Uce miatt némileg a vezetési veszteségeket növeli.
A gyakorlatban milyen diódát érdemes ehhez használni? 1N4148 szerintem karcsú már ide. 1N4001 meg talán lassú. Esetleg Shottky? Annak kisebb a nyitófesze, mint a B-E átmeneté, viszont ahhoz talán már elég, hogy ne menjen a tranzisztor telítésbe, és gyors. Elvileg működőképes azzal is, ahogy számolgattam. A hozzászólás módosítva: Okt 9, 2012
Azért azt is vedd hozzá, hogy hálózati táp esetén 400V-os dióda kell(ene). Ekkora feszültségre már nehéz schottky-t találni.
Szerintem inkább fetessel próbálkozz, azzal könnyen elérhető az 1W (vagy az alatti üresjárási fogyasztás). Nekem úgy tünik, hogy a fetes esetében főleg a trafó(k) vasvesztesége miatt van az üresjárási fogyasztás zöme, és ezt megfelelő méretezéssel nagyon le lehet szoritani. Idézet: „.....hogy a FET-es önrezgő (gondolom ha a telítéses mag szekunderei jól vannak méretezve a FET-ek kapacitásához) üresjárásban és a közeli állapotban ZVS üzemet is felvehet (így talán száműződnek a túllövések)......” Szerintem erre a kérdésre az ITT található szkóp-fotók elég egyértelmű választ adnak. Azon a trapézjelen nemigen van túllövés. A hozzászólás módosítva: Okt 9, 2012
Shottky nem bírná a feszültséget. Két diódát kéne raknod összekötött anóddal, a katódokat a kollektorra és a bázisra, a bázisra menő diódával meg párhuzamosítani egy RC tagot.
UF 4007 A hozzászólás módosítva: Okt 9, 2012
"... milyen elméleti jelenség korlátozza be azt, hogy egy adott keresztmetszetű vasmag adott frekvencián mekkora teljesítményt tud átvinni biztonságosan? "
Valójában egy transzformátor mindenféle vasmag nélkül is működik, egyszerűen csak attól, hogy a primer- és szekunder tekercselés közös mágneses térben van. Ha így van, akkor már indukálódik szekunder fesz, tehát, maga az elrendezés egy trafó. Ugye, az átvihető teljesítménynek azért korlátot szab a szórás, ami attól függ, mekkora a csatolás a két tekercs között. Meg attól is, hogy milyen a huzalátmérő, stb. De, ettől még trafó a trafó. Az egy másik kérdés, hogy vas nélkül jó nagy lesz a primer mágnesezőárama, hiszen a a levegőnek nagyon nagy a mágneses ellenállása, tehát ez mindenképpen egy légmagos tekercs, tehát folyik rendesen a meddőáram. Azért, hogy ez azért ne legyen ilyen vészes, teszünk bele vasat. Így jóval kisebb lesz a mágneses ellenállása, tehát a fluxus a vasban fog záródni. ( többnyire ) Tehát, jóval kisebb lesz a mágnesezőáram, ami ugye induktiv. Sajnos, az a baj, hogy a vasmagokat sem lehet akármeddig mágnesezni, tehát adott indukció felett betelítenek, aztán olyan, mintha légmagos lenne a trafó... vagy, a nagyobb frekiken akkorák lesznek a veszteségek, hogy kifolyik a vas a tekercsből... De ha így nézem a dolgot, akkor a feladat az, hogy hozzunk létre egy mágneses teret, arra tegyünk egy szekundert és kész a trafó. Ugye, akkor a vas azért kell, hogy a fluxus ne a levegőben kóvályogjon, hanem a vasban menjen, tehát kell egy adott méretű vas. Ez már meghatároz egy primer menetszámot, hiszen a fesz állandó, a vasméret állandó, az indukció nem lehet egy adott érték felett, tehát, ez kiad egy primer menetszámot. A trafón átvihető teljesítménynek így a tekercselésen átfolyó áram szab határokat, tehát attól függ, mekkora huzalátmérő fér be az ablakba. A kicsibe kevés, a nagyba több. Végül is, mindennek a melegedés szab korlátot, ennek is. Nyilván, egy sima M2TN vas rosszab lesz, vagyis kisebb teljesítményt lehet átvinni rajta nagyobb frekin, mint egy M2TN-C-n. Ez sem teljesen igaz, mert vannak olyan vasak, ahol a kisebb frekin kisebbek a veszteségei, mint egy nagyobb frekit tudó vasnak ugyanazon a frekvencián. ( pl. amorf vasak ) A legjobb: próba, cseresznye.
Ebben igazatok van. Nem vettem figyelembe, hogy van ám kikapcsolt állapota is a tranzisztornak
Nekem HER108-asaim vannak, ami szóba jöhet.Tervben van a FET-es is, de mostani kísérleteim ennek a tranzisztoros topológiának járják körbe a lehetőségeit.
A schottky jó a kisebb feszültségű áramkörökbe ( vezérlések, stb ). Pedig a schottky jó lenne, mert gyors és kicsi rajta a fesz. esés. Cserébe viszont elég nagy a kapacitása. Semmi sincsen ingyen...
Nem igazán kellhet bele RC, mert sajnos ez a kapcsolás úgy működik, hogy csak akkor lesz negatív fesz az adott tranyó bázisán ( vagy valahol annak a környezetében ), ha már a másik tranyó bekapcsolt. Illetve, ha a másik tranyó melletti dióda vezeti az áramot, tehát, az előző tranyó kikapcsolt, teljesen. A bekapcsolást elvileg gyorsítaná, de ez nekem sosem működött igazán, vagyis nem tudtam azt mondani, hogy az oda kell. Esetleg lehet olyat csinálni, hogy a bázissal soros diódát áthidalni egy másik diódával visszafelé. Soros ellenállás viszont kell, mert ha az nincs, akkor simán előfordulhat, hogy aszimmetrikus lesz egy félhídban a kitöltés... nem túl jó, különösen, ha a szekunder oldali diódákra gondolunk. Ha nincs simítófojtó, akkor totál féloldalas lesz, egyik dióda ( főtranyó ) vezet áramot, a másik meg nem. De ettől még így is működik... ![]() Én nagyon régen foglakoztam ezekkel nagyobb teljesítményen és akkoriban még nagyon hátulgombolós voltam ebben a témában. Mostanában meg csak néhány wattra használom, segédtápnak, ott ezek a dolgok nem annyira lényegesek. Egyébként, ipari berendezéseknél nem annyira a stand-by helyzetben felvett energia mennyisége a domináns, hanem a hosszútávú működés. Van épp elég gond azzal is...
Nagyon helyes, nehogy má' leírjuk a BJT-t!!! Ezt is meg kell érteni, tanulni és igazán lehet rajta élvezkedni, ha működik! El sem tudjátok képzelni, milyen érzés, amikor látsz egy féltéglányi méretű BJT-t és mondjuk 3 db-ból párhuzamosan kötve 1 KA jön ki... és mindez egy 50 kVA-es szinuszos inverterbe van építve, teljes hídban, követőszabályozással, önrezgőben, stb...
Külföld? Csak nehogy ott ragadj, mert ezt a projektet csak végig kellene csinálni...
Nos, picit átrágtam magam a csak feszültség-visszacsatolás+Baker-clamp kombináción. És arra a következtetésre jutottam, hogy kétféleképpen lehet ezt megcsinálni, attól függ, mi a cél.
Ad1: Ha úgy csatolom vissza a feszültséget a szekunderről, hogy egy viszonylag nagy értékű ellenállást teszek a fesz-visszacsatoló tekercs elé, a tranzisztorok elé meg kicsit, akkor növekvő terhelésre nőni fog a frekvencia (nő a kollektor áram -> nő az U_BE feszültség, és mivel ezzel sorban van a dióda, annak a nyitófeszültsége is nő a növekvő bázisáram hatására). Ha viszonylag nagy a szórása a trafónak, akkor növekvő kimenő áramra ejteni fogja a kimeneti feszültséget (ha van jó nagy BJT, lehet vele hegeszteni ). Arra viszont figyelni kell, hogy az előtét ellenállás értéke akkora legyen (nameg az áttétel), hogy több áramot kényszerítsen a kistrafó szekunderén ki, mint amennyit megkajál a tranzisztor, hogy kielégüljön az antiszaturációs kapcsolás (határra méretezve elvileg leáll, gyakorlatilag megnő a francba a frekvencia, ahogy te szimuláltad).Ad2: Ha a szekunderről úgy csatolok vissza, hogy max. 1-2 ohmot teszek elé, vagy még kevesebbet, és ehelyett a tranzisztorok elé teszek nagyobbat, akkor a telítődési időnél figyelembe veendő feszültséget a főtrafó szekunder feszültsége fogja megszabni, így szerintem stabilabb lesz a frekvencia. Más kérdés, a nagyobb bázisellenállás milyen gyorsan kapcsolja ki a tranzisztort, bár, mivel nincs telítésben, szerintem nem lesz ezzel gond (mondjuk: az első esetben meg mivel a primeren van nagyobb, kb. ugyanaz a helyzet e téren). Az ellenállásra itt is érvényes, amit fent leírtam. Emiatt mindkét esetben nem árt alaposan számolgatni, méretezni. Fejben már megvan, már csak le kéne írni Abban pedig tényleg igazad volt, hogy a telítődő magos trafó se nem áram, se nem feszültségváltó, hanem valamiféle öszvér dolog, amit a Baker clamp még egy kicsit meg is bolondít. Mindenesetre szerintem attól függően, hogy állítjuk az elemek értékét, vagy hogy épp milyen a terhelés lehet dominánssá tenni/dominánssá válik egyik vagy másik mivolta. A hozzászólás módosítva: Okt 9, 2012
Felmerült bennem még egy ötlet: mi lenne, ha a primert néhány menetnél leágaztatnám, és onnan menne a feszültség visszacsatolás? (Persze ez csak saját trafóval működne, cserébe jó szoros lenne, mivel a primer önmagával jó esetben szorosan van, bár, mivel viszonylag nagy impedanciával van mindkét esetben ez a kör lezárva az előtét-ellenállások miatt, a szórásnak és a parazita összetevőknek szerintem amúgy sincs túl nagy jelentősége.. esetleg a második esetben, amikor is elég kicsi ellenállás van a feszültséget szolgáltató tekercs és a kis trafó primere között).
Igen, jól látod, valami ilyesmi lesz.
Lehet, de már meg is válaszoltad, nincs túl nagy jelentősége. Erről viszont az jut eszembe, hogyha kevés a lába a csévetestnek, akkor kihasználhatsz ilyesmit, hiszen a kapcsolóvasnak van egy független primere. ( ilyeneket szoktam én is csinálni kínomban... )
Igen, jól látod, valami ilyesmi lesz.
" Ha viszonylag nagy a szórása a trafónak, akkor növekvő kimenő áramra ejteni fogja a kimeneti feszültséget (ha van jó nagy BJT, lehet vele hegeszteni "
Igen, hiszen a szórás fogja bekorlátozni a maximális áramot. Most még azt kellene megoldani, hogy valahogy, egy adott áram felett, gyorsabban nőjjön a freki. Ezzel elérhető lenne, hogy a táp kimenetének U-I karakterisztikája ne egy egyenes legyen, hanem egy görbe, ami a nagyobb áramoknál görbül le a nulláig. Vagyis, hogy az áram ne pl: egy a kettőben változzon, vagyis, kisebb legyen a rövidzárási áram. Azért itt lennének gondok, ugyanis pont nagyfrekin, jó nagy árammal vezetnének a tranyók, szóval erre lehet, hogy jobb megoldás egy hagyományos hegesztő... Nem lehetne visszahajló karakterisztikájúra megcsinálni?
Tudom, hát én is ezt mondom, bár jobb lenne a LOW esr ugyan mert nagyobb frekikre van ki gyúrva
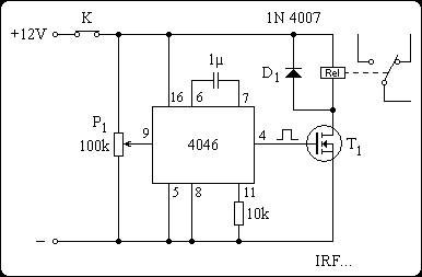
. Idézet: „A gate trafónak nem a vezérléshez hanem a fetekhez kell közel lenni” Nekem is ott van (lesz). Fetekhez mócsing vezetősávokkal ugyan, de már meg van vastagítva. Idézet: „Az mit jelent hogy az optó 3-as lába sehova sem vezet?” A rajzomon ha megnézi valaki utólag észre vettem, hogy lehagytam a 100k-s ellenálláshoz bekötő lábát az optóra ráhúzni az 494 mellett. Idézet: Igen, és köszi a megerősítő választ megnyugodtam. Remélem mindent jól csinálok hála nektek is! Köszi. „Ha végfokot fogsz hajtani róla...” ![]()
[OFF]Mondjuk a feszvisszacsatolást megkombózni valahogy, valami úton módon egy UJT-vel?
de ez csak egyelőre egy kósza ötlet ![]() Mod.: és úgy önmagában nem is jó, mivel ha leesik vissza a freki, megnő vissza a kimenő feszültség. Önmagában tehát nem lenne működőképes. Bár.. én most arra gondoltam, hogy ha bekorlátoz a szórás, hogy lehetne a korlátozást megtartva visszalibbenni alacsonyabb üzemi frekvenciára (valószínűleg ha ez sikerülne valakinek, az szerintem szabadalom-gyanús lenne). Azt valószínűleg könnyebb lenne, hogy a karakterisztika visszahajló legyen.. bár az sem biztos. A hozzászólás módosítva: Okt 9, 2012
sziasztok , bocsi a zavarásért és nem is tudom hogy jó helyre írok vagy sem de lenne egy kis nyűgöm a következőre kellene valami megoldás hátha ti tudtok nekem segíteni.
adott egy ac230v-os pumpa kis teljesítményű ennek a vezérlését szeretném megoldani valami fettel , én arra gondoltam hogy az alábbi ábrán láthatóan oldom meg és maga nem a pumpának a frekijével játszok hanem a relét vezérlem meg , ez így szép is meg nem is mert a relé egy ideig bírja és összeég. Valakinek valami megoldás hogy a relét kihagynam belölle? és a pumpának csak simán a 230-voltját szaggatsam meg? Köszönöm. üdv:Joc
UJT-vel? Nem tudom hogyan.
Szabadalomgyanús? Ez az oszcillátor millió formában létezik, ilyen-olyan kiegészítésekkel, módosításokkal. Nem hiszem, hogy ne találtak volna ki mindent ezzel kapcsolatban...úgyhogy ez olyan lenne, mintha kitalálnánk a langyos vizet... De azért van egy ötletem. Vegyük azt az esetet, hogy a frekit a kapcsolóvas határozza meg, tehát a telítési indukció értéke. ( feszültségvisszacsatolás ) Ez ugye, a rákapcsolt fesz-idő területtől függ. ( Látod, milyen lényeges dolog a fesz-idő terület? Minden út Rómába vezet... ) Elvileg, ha így működik, akkor ahogy csökken a betáp, úgy csökken a freki is, hiszen azonos fesz-idő területhez kisebb feszültségen hosszabb ideig kell, hogy tartson egy félperiódus. ( mindjárt lehet belőle leválasztott fesz. jeladót csinálni, aminek frekvencia a kimenete. ) Tegyünk be a primerrel sorba egy áramváltót. Ennek van egy szekundere és ezt kössük sorba a feszvisszacsatolás tekercsével. Ha jól van bekötve, akkor a terhelés hatására nő az áramváltó szekunderén a fesz, ez vonódjon le a kapcsolóvasat meghajtó feszültségből. Ezzel elérhető lenne, hogy ahogy nő a terhelés, úgy nő az áram, úgy csökken a kapcsolóvasat gerjesztő feszültség, tehát a terhelés hatására csökkenne a freki. Ha a freki csökken, a szórásokon is csökken a feszültségesés, tehát lehetne valamelyest kompenzálni a a terhelés hatására létrejövő feszültségesést. Ha az áramváltót fordítva kötnénk be, akkor a kapcsolóvasat tápláló fesz a terhelés hatására nőni fog, vagyis terhelés hatására nőne a freki, tehát erőteljesebben esne a táp kimeneti feszültsége. ( hegesztőgép ) Nyilván, nem igazán lenne ez a kompenzálás lineáris, de talán érdemes lenne kipróbálni. Talán lesz egy kis időm, megnézem szimulátorban, aztán referálok.
Sziasztok! Építettem egy aktív pfc-t UCC28019-el. kb 5mH tekercs van benne. E65-re tekertem fel annyit amennyit csak bírtam, jó vastag 48 szálas litzéből. A gyári board kapcsolásán csak annyit módosítottam, hogy izmosabb alkatrészek vannak pl a gratz-be, nagyobb áramú a tekercs (20A egyenáramnál kezdett melegedni picit), két db fet van párhuzamosan, amit egy 9A-es fet meghajtó hajt.
A hibajelenség érdekes. Tökéletesen működik az áramkör, 1400W telejsítményt vesz fel, kb akkörül adhat le, 2db 400W-os reflektor, és 8db 100W-os égő megy róla. Kimeneti feszültséget 422V-ra állítottam be. Kimeneti szűrőkondi 1000µF / 450V, bemeneti 1uF. A probléma az, hogy megy 2-3 percet és az alapból halható 50Hz-hez hasonló hang megmodulálódik valami érdekes hanggal, és kicsit vibrál az izzók fénye is. Olyan mintha gerjedne. Az a nagy kérdés, hogy mi okozhat ilyesmi hibajelenséget, ami csak 2-3 perc után jön be, miután bemelegednek a fetek, és a dióda a végén. Mert ugye csak azok vannak hűtve, más nincs, és nem is melegszik, kivéve a 35A-es gratz, az elég meleg. Előre is köszönöm a segítségeteket!
Sziasztok. Szeretnék épiteni egy tápot 2* 20 wattos végfoknak. Milyet javasoltok?? A hely elég szűkös. Elöre is köszi.
Sziasztok,
Az egyik ismerősömtől kaptam egy LCD monitort ami nem kapcsol be. Szétszedés után látható volt, hogy az inverter résznél az egyik FET szétégett. Sikerült helyettesítőt találni amit be is forrasztottam majd kimértem és nem volt sehol zárlat. Próbaként összeállítottam a rendszer és bekapcsoltam. EGy pillanatra megjelenet a monitoron a gyártó logója majd se kép se hang még a kis led sem világított és a táp halkan kattogni kezdett. Ezután szétszedtem újra és kijelző nélkül újra bekapcsolatam. A tápot teljesen átnéztem és nem találtam semmi hibát és akkor egyik kis fet az inverter résznél (a csatolt PDF doksiba U101) szintén elfüstölt. kiforrasztás után a táp újra működni kezdettés bekapcsolahtó volt a monitor. A kérdés az lenne, hogy miért füstölhetett el ismét a FET? Segítségeteket előre is köszönöm.
Lenne egy kérdésem.
Ha építek egy gate meghajtó trafót full hidas táphoz. Mennyire fog számítani az induktivitás? Van az E19-es magom Al:1625-ös és van egy Al:4400 -as kicsi toroidom. Az induktivitásuk nem lesz egyforma. Mit fog ez eredményezni? Milyet érdemes választani? Mre figyeljek? Kössz |
Bejelentkezés
Hirdetés |














