Fórum témák

» Több friss téma
Fórum » Erősítő mindig és mindig
Mielőtt kérdezel, a következő két dolgot ellenőrizd! I. A helyes tápfeszültségek megléte. II. A kimeneten van-e egyenfeszültség. Élesztés.
Lapozás: OK   1171 / 2570
(#) Doncso válasza reloop hozzászólására (») Nov 15, 2012 /
 
Hát így csak látogatóba megy a táp a puffer felé, vagyis mire a szűrt táp az erősítőhöz ér,egy kevéske zaj is elpötyög arrafelé.
(#) blasz válasza Doncso hozzászólására (») Nov 15, 2012 /
 
Eddig csak arrol beszéltünk ami a dobozba van, ez ami az asztalon van ez most készült el ujabb darabok
(#) Doncso válasza blasz hozzászólására (») Nov 15, 2012 /
 
Igen, de azt mondtad, hogy mig nem került bele a dobozba, addig rendben működött nem?
(#) SomaZsolt válasza BEMcorp hozzászólására (») Nov 15, 2012 /
 
Köszi szépen, majd hamarosan elkészítem!
(#) blasz válasza Doncso hozzászólására (») Nov 15, 2012 /
 
Igy igaz ami a dobozba már ben van arra mondtam
(#) blasz hozzászólása Nov 16, 2012 /
 
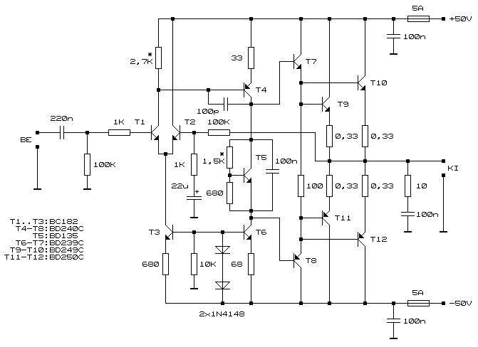
Sziasztok ha a becsatoló kondit más értékűre cserélem mi fog változni?Most 220nf van ben.Köszi
(#) martin96 hozzászólása Nov 16, 2012 /
 
Sziasztok!
Van egy kapcsolásom amit még a neten találtam régebben. Ha minden jól megy holnap talán össze is tudnám rakni próbaképpen, hogy hogy is szól. Annyi kérdésem lenne, mennyire baj az ha a 220ohmos ellenállások helyett 100-asat vagy 300-ast rakok bele. Illetve a 100pF helyett 1,5nF? A 20K-s trimmer meg 10K. A végtranzisztorok pedig: az egyik 2sd209l lenne a másik meg BD 250. Ezek vannak most itthon. Működőképes lenne ettől függetlenül?
A hozzászólás módosítva: Nov 16, 2012

60W amp.gif
    
(#) szamóca válasza blasz hozzászólására (») Nov 16, 2012 /
 
A "becsatoló" kondenzátornak a feladata, mint ahogy a nevéből kiderül, a készülékek, egységek közötti csatlakoztatás egyenfeszültség leválasztás, és a tervezett alsó határfrekvenciának az átvitele. Minél nagyobb az értéke, annál kisebb az alsó freki értéke. Magyarán a nagyobbal kitolható az átviteli frekisáv alsó értéke. Értelme akkor van, ha a következő fokozat is képes erre, és igény van rá.
(#) blasz válasza szamóca hozzászólására (») Nov 16, 2012 /
 
Köszönöm,talán a mélyhangot keveslem picit
(#) szamóca válasza blasz hozzászólására (») Nov 16, 2012 /
 
A cserétől nem lesz több a mélyed, csak abban az esetben, ha hibásan alulméretezték a kondit.
A kondi értéke, a bemeneti ellenállással, a Thomson képlet alapján számítható 6dB meredekségű, felül áteresztő komplexumot ad.
A hozzászólás módosítva: Nov 16, 2012
(#) blasz válasza szamóca hozzászólására (») Nov 16, 2012 /
 
Én kérek elnézést, ebből egy szót sem értek.A kondi az a rajz alapján megadott értékű van benne.
A hozzászólás módosítva: Nov 16, 2012
(#) szamóca válasza blasz hozzászólására (») Nov 16, 2012 /
 
Mutasd a rajzot.
(#) blasz válasza szamóca hozzászólására (») Nov 16, 2012 /
 
Ő az csak rendesen átalakitva.A tranyok teljesen mások és 70v +- ról megy
A hozzászólás módosítva: Nov 16, 2012
(#) szamóca válasza blasz hozzászólására (») Nov 16, 2012 /
 
220nF és 100 000 Ohm esetén, fx=1/{2piRC} =1/{6,28*100000*0,00000022}=7,2Hz
A hozzászólás módosítva: Nov 16, 2012
(#) szamóca válasza blasz hozzászólására (») Nov 16, 2012 /
 
A 100kOhm helyet, tegyél be egy 22kOhm-osat, a 220nF helyett meg egy 1µF-os MKP vagy más fólia kondit. Mondjuk ehhez az átalakításhoz ismerni kellene a meghajtó egység kimeneti impedanciáját, ill a hangerőszabályzó poti értékét. A kimenetek nem szoktak 10kOhm-tól nagyobbak lenni, s ha a poti is 10kOhmos akkor jók az értékek. A haszon az lenne belőle, hogy kevésbé hajlamos a gerjedésekre az alacsony bemenő impedancia miatt.
A hozzászólás módosítva: Nov 16, 2012
(#) agressiv válasza martin96 hozzászólására (») Nov 16, 2012 /
 
Nem.
(#) blasz válasza szamóca hozzászólására (») Nov 16, 2012 /
 
Bocsánat itt megszűnt a hobbi eddig.A meghajtó MJE15032-33 a poti 47k.A végek MJ15024-25
A hozzászólás módosítva: Nov 16, 2012
(#) szamóca válasza blasz hozzászólására (») Nov 16, 2012 /
 
A végfok tranzisztorai itt lényegtelenek most. Gondolom egy CD játszó vagy PC a jelforrásod, azoknak a kimenő impedanciájuk elég alacsony, azonban a 47K-os poti értéke az nagy az általam imént javasolt értékekhez. Nincs 2x10kOhm os logás potid?
(#) blasz válasza szamóca hozzászólására (») Nov 16, 2012 /
 
Csak azért van 47k mert ez volt kéznél,de van 10k potim,ha kell cserélem.
(#) szamóca válasza blasz hozzászólására (») Nov 16, 2012 /
 
Cseréld, és a kondit ellenállást is.
(#) blasz válasza szamóca hozzászólására (») Nov 16, 2012 /
 
Köszönöm holnap kipróbálom,egyébként vonalmixerről megy
(#) szamóca válasza blasz hozzászólására (») Nov 16, 2012 /
 
Ja, azt ismerem! Görbevonal mixer.
(#) blasz válasza szamóca hozzászólására (») Nov 16, 2012 /
 
Annál öregebb ez egy Korg KMX 122 vonalmixer
(#) reloop válasza blasz hozzászólására (») Nov 16, 2012 /
 
Szia! Miután kicserélted a 100k bementi ellenállást 22k-ra (amit igen jól teszel), mérd meg a kimeneti egyenfeszültséget, és szükség szerint korrigáld.
(#) matyusz hozzászólása Nov 16, 2012 /
 
Üdv mindenkinek!
Egy olyan kérdésem lenne, hogy nem javított-e valaki Sony TA-10-es erősítőt (hifi) mellékelem a Service Manual-t is. A probléma, hogy a végfok ic egyik fele elszállt (STK4141 II ) az egyenfesz kiült a kimenetére, és persze a védelem relé nem is húzott be. Most ki lett cserélve a végfok IC, ami persze teljesen jó, és mégsem akar meghúzni a védelem reléje. Ha esetleg tudná valaki, honnan és hogyan és mit mérjek előre is köszönöm. SONY LBT-v10
(#) szamóca válasza reloop hozzászólására (») Nov 16, 2012 /
 
Szia! Kisegítettem, amíg nem voltál.
(#) reloop válasza szamóca hozzászólására (») Nov 16, 2012 /
 
Majd hozok igazolást a hiányzásról
(#) reloop válasza matyusz hozzászólására (») Nov 16, 2012 /
 
Szia! Először mérd meg van-e egyenfeszültség az erősítő kimenetén, mivel ezt ellenőrzi a védelem áramköre. A kimenetet (10 és 13 lábak) legkönnyebben a hozzájuk kapcsolódó 0,22 ohm ellenállások lábain éred el, a pozíciószámokat a service manual alapján megtalálod.
Ha volt nagyságrendű feszültséget tapasztalsz, cseréld C404/C454 elkók közül azt amelyik csatornánál a hiba fellépett. Azok a 6,3V-os kondik tönkre szoktak ilyenkor menni.
(#) matyusz válasza reloop hozzászólására (») Nov 16, 2012 /
 
Üdv.
Egyik oldal 40mV a másik oldal 10mV. A kondit szakadásmérővel mérve jónak tűnik C403 és C454-et találtam, ezek szakadásmérésen jónak tűnnek, ezek 6,3V 47µF osak.
(#) reloop válasza matyusz hozzászólására (») Nov 16, 2012 /
 
A Szami által említett tranzisztorok közelében mérési ponti feszültségek vannak megadva. Hasonlítsd össze a valós értékkel.
Következő: »»   1171 / 2570
Bejelentkezés

Belépés

Hirdetés
XDT.hu
Az oldalon sütiket használunk a helyes működéshez. Bővebb információt az adatvédelmi szabályzatban olvashatsz. Megértettem