Fórum témák
» Több friss téma |
A Q1 bázisa rántgatózik, mint a félhíd kimenete. Ebből az is következik, hogy a Q1 emmittere is rángatózik. A zenereknek meg jó nagy a kapacitása, tehát az alsó tranyó kollektorán nagyrészt megjelenik a rángatózás. Az alsó tranyó miller kapacán keresztül meg a bázisán is... A földelt bázisú elrendezésben pont az a jó, hogy a bázis földelve van! A miller kapacon átszűrődő áram a föld felé folyik!
A szimulációban a kapcsolók mellé tegyél diódát is, mer az induktivitás árama nem tud hova elfolyni. Szép nagy túlfeszt generál, annak aztán van du/dt-je...
Itt talász egy rajzot amin diszkrét meghajtású tápegység van, azthiszem ezt egy pdf-ben láttam még nagyon régen, de azt most nem találom, remélem segít.
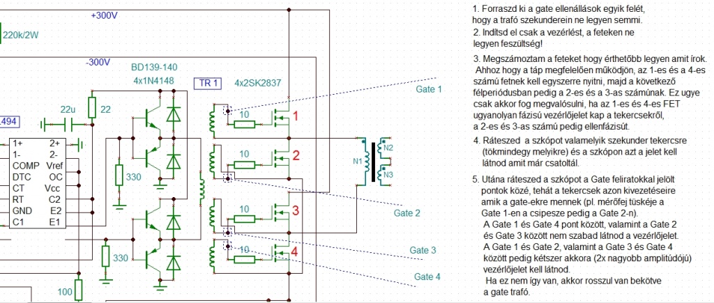
Itt van működés közben. 500kHz-en megy.
A hozzászólás módosítva: Nov 17, 2012
Idézet: „...tekercsnek a tekercselési irányát is meg kellett fordítani” Az érdekes. Mert én már másra nem tudok gondolni. De előtte megpróbálom azt amit leírtál.
Sikerült!
Ez az! Sikerült össze érintenem a szkóp csiptetője és a 230V részét az egyik gate meghajtáshoz. Meghalálozott az egyik FET. Most ismét ott tartok hogy nem tudom már mi legyen. Inkább vegyek egy trafót kondikkal 25 ezerér? Nekem ez nem megy. Netán még arra gondoltam, hogy ezt hagyom az egészbe túúl nehéz. Valami mindig elintézi hogy ne értsem miről van szó konkrétan és kihaljon az egész. Kéne egy 1000W-os táp ami elfér 3.5cm magasságban valami műs kapcsolás ami könnyebb mint ez? Kérlek segítsetek SOS! Köszi. Újra kezdeném inkább de könyebben! A hozzászólás módosítva: Nov 18, 2012
Mit keresett már megint a 230V a rendszerben? Direkt leírták hogy nem kell. Annyit kellene csak csinálnod hogy adsz a segédtáp greatzéhez 12 voltot amitől az elvileg elindul, mert elvileg az már jó volt! ezután fogsz egy 12 voltos égőt és a főáramkört is feltöltöd 12Voltal nem 230-al 12 vel! A trafót kikötöd és az égőt a helyére bekötöd. Ha full fényerővel világít zárlat van ha fél fényerővel akkor mákod van mert jó a rendszered ha nem világít a gate trafódnál van a gond. Ezek után lehet jelalakot vizsgálni.
Mondtuk, hogy ne rakj rá nagyfeszt, sőt a kondikat is süsd ki.
Türelmetlen módon sosem fogod tudni összehozni, ez nagyon veszélyes dolog, így inkább vegyél kész megoldást!
Ügyes. Az a helyzet, hogy olyan 1000VA-es toroidot nem fogsz találni ami elfér 3,5cm-ben. Létezik mert láttam, de a környéken nem gyártanak ilyet csak 2x-3x ekkora magasságban. Ennél egyszerűbb kapcsolást sem nagyon fogsz találni ekkora teljesítményre. Építhetsz ugyan félhidat ami valamivel egyszerűbb, de annál meg a rövidzárvédelem lesz jóval macerásabb, valamint az, hogy nem lesznek normális dinamikacsúcsok, mert a táp pont ott fog lehervadni (tudom mert ezen már túl vagyok).
Egy táp (de bármilyen más áramkör) élesztésekor lépésről lépésre illik haladni, nem pedig úgy hogy összerakom és bekapcsolom. Ha itt lennél a közelben akkor azt mondanám hogy hozd át, de ez nem így van. Az a baj, hogy ahhoz hogy csináljak egy teljesen szájbarágós leírást képekkel, rajzzal, szkópábrákkal úgy hogy az alapján biztosan el tudd indítani, ahhoz kellene legalább egy nap. Pláne hogy azt nem a saját, hanem a te műszerparkodhoz kellene igazítani.
Tudom és nem is a fő kört, azt hagytam kiszedtem a biztosítékját. Csak a segédet ahogy le volt írva, csak nyugtalankodtam és kezdtem örülni jó lesz. És véletlen a segédtáp volt csak rá adva és a biztosíték forr pontja és a gate trafó egyik forr pontja közt közel volt a hely és én ott vizsgálódtam. Csattant, villant, leverte az kismegszakítót (pedig égő volt sorba kötve vele szal nem értem) De ezt az égős megoldást még nem hallottam senkitől hogy a fő trafó helyére kis égőt kössek be? Hmm ez jó ötletnek hangzik. De ehhez is béna lennék.
Igaz türelmetlenkedem, de már augusztus óta nem kapcsol be, jóhogy fárasztó csak ölöm bele a tízezreket. Sok csínya bínya dolgot még nem tudok és csak akkor jutok el a tudásig ha leírom megiint mi a baj. Értitek? Amíg ez nem történik meg addig azzal a bajjal nem számolok. Szirrészarrá kell nyírjam hogy mindenre rá jöjjek. IC-t hogyan mérhetem ki amúgy, hogy túlélte-e? Meg a többi alkatrészt?
Idézet: „leverte az kismegszakítót (pedig égő volt sorba kötve vele szal nem értem)” Úgy kéne az égőn keresztül bekötni (ezt nem láttam itt még senkitől, de végülis hasznos tanács szerintem), hogy az égő másik vége kerüljön a fázisra, és az áramkör pedig a nulla és az égő innenső vége között legyen. Azaz ha rövidre zárod az áramkörödre érkező két vezetéket, akkor kigyullad a lámpa, ez tök jó, de ha a két bejövő vezetéket nem egymáshoz, hanem a védőföldhöz érinted, akkor se legyen pukk.
Igazad van. Nem tudok már mit hozzá szólni ehhez. Tanulnom kell még. Béna vagyok.
Sziasztok!
Van egy pár olyan tápom,mint a képeken.... Sajnos mindnek van valami baja. Pl erősen "cicereg"...és 24-27V helyett 35-40V-ot ad a kimenetre. Az egyikben már el is szállt a két végtranyó. Mi lehet a baja...? Ötlet...? Mit kéne megnézni-megmérni...?
Mondjuk indulásként az összes elkót végig lehetne mérni kapacitásra és ESR-re.
Ránézésre nekem a szekunder oldali elkók nem tűnnek elég combosnak az 5A-es névleges áramhoz viszonyítva.
OK...köszi....egyébként mi lehet a cicergés...? És a túl magas fesz...?
Szerintem nincs eléggé terhelve és a tüskék túllengetik a szabályozást. Próbáld meg terhelni 5-10W-al.
Ez kinézetében nagyon hasonlít a kínai ebay-es tápokhoz, felépítését tekintve pedig majdnem egy az egyben PC táp, nyilván egyszerűsítve, és úgy van méretezve hogy ne kelljen neki a ventilátor.
Meg kell nézni a kis kapacitású elkókat, valamint a visszacsatolást. Van benne egy poti amivel lehet valamelyest állítani ezt, ezáltal a kimenő feszt.
Ez biztonságtechnikai berendezésekbe (tűzjelző segédtáp,kamerás rendszer,riasztó) való táp,akku töltővel egyben.
A poti valóban ott van....de nem igazán szabályoz.Van ilyen (kisebb) tápom,az teljesen csendben van terheletlenül is. Valamelyik alkatrész megnyúlhatott....csak tudnám melyik....? Sajna a műszerparkom egy multiméterre korlátozódik...
Csak nem egy erősítő táp lesz ebből? A Hiraga meg van még?
A hozzászólás módosítva: Nov 18, 2012
Sziasztok.
Egy olyan kérdésem lenne, hogy van pár fénymásolóból kibontott kapcsi tápom. Mindenféle feszt tudnak (3,3V, 5V, 8V, 24V), de engem csak a 24 voltos kimenetük érdekel. A 24V-os kimenet 5A-t tud, és az érdekelne, hogy "komolyabb" átalakítás nélkül, ezt az 5A-t, feljebb lehet-e emelni, hogy pl. tudjon 24V 8-9A-t. A táp/ok elég precízek, mert méréseim szerint, 24V 5A terhelésnél, a fesz 0,2V-ot esett, és a táp 5,23A-nál kikapcsolt. Sajnos kapcsi rajzom egyik tápról sincs, de (később) tudok felrakni róluk képet, ha az segít, de igazából csak az elméletre lennék kíváncsi, hogy lehet-e a teljesítményét növelni, egy ilyen, vagy hasonló tápnak. A válaszokat előre is köszönöm.
Is-is....
))))Néha jól jönne egy 24V/15A-es táp....van pl egy TK2050-es négycsatornásom,ahhoz. A Hiraga (a szobai) már nincs meg....de építettem egyet az autóba.Igaz,még nincs beszerelve.... Ilyen tápokat meg viszonylag könnyen szerzek....12V/3A-től....24V/10A-ig....mert a főnököm szereti éppenhogy méretezni.... Aztán kidobják....
Szia,
Már csak a segédtáp bekötésével kapcsolatban van kérdésem.A főtáp és a segéd is kb 320V DC-vel(+ és -) megy.A segédtáp kimenete 13 V(+és-).Ezt kel kötnöm az IR 2153 Vcc lábára, negatív kimenetet pedig a 320V DC negatív részéhez.Ez így igaz? (Ha ez így van össze is köthetem a segédtáp negatív ki és bemeneti részét mint ahogy a csatolt képen van?)
Ha már segédtápos tápnál járunk: egy FSP gyártmányú ATX tápban láttam, hogy a segédtáphoz a DC betáp + és - ága is egy 2 ohmos ellenálláson keresztül ment, talán utána még némi szűrés is volt. Jól sejtem, azért, hogy ne rondítson be annyira a két, eltérő frekin üzemelő tápegység egymásnak? (A segédtáp DM311-gyel volt hajtva, ami 67kHz, a főtáp meg úgy 120kHz-en ketyeghetett).
Összedobtam egy kis segítséget, ha ezzel sem megy akkor tényleg tanulj még.
Ha forward táp, akkor meg kell nézni, hogy bírják-e a primer tranzisztorok/FET-ek, illetve a szekunder diódák a plusz áramot. A réz-vastagságok a trafóban meg a fojtóban szerintem kb. határra vannak méretezve, jobb esetben alá, akkor többet lehet rájuk bízni. Még esetleg a nagyobb kimeneti áram hatására a fojtó porvas mehet telítésbe. Ha flyback a cucc (mondjuk 100W felett nem annyira jellemző ez a topológia, bár láttam már 150W-os flyback PC tápot), akkor meg a trafó vasa mehet a telítés közelébe. Mindenesetre szerintem ki kell próbálni, csak ehhez az áramkorlátot (mert szerintem van), nagyobbra kell venni. Ha árammódú, primer oldali a vezérlő, akkor csak a source ellenállást kell kicsivel kisebbre cserélni, már ha különálló FET-es az IC, nem pedig egy tokban van a vezérléssel (lásd Power Integrations féle Tinyswitch és hasonlók, vagy Fairchild PowerSwitch). Ha sok időd van, lerajzolhatod a kapcsolását, úgy többet tudunk segíteni, így csak a találgatások mennek.
Szia,
Ezzel a megoldással én is talákoztam amikor javítottam FSP tápot.A 2 Ωos ellenállás egy zéner és a DM311 volt rossz.Meg is nézem mert a javítás óta a szekrényben pihen.
Köszi a választ.
Sajnos idő, az nincs, de pár képet tudok csatolni az egyik tápról. Az alkatrészeket még nem néztem át benne, de a 24V-os kimenet egyenirányító diódája 20A-es. (Azt már néztem)
A primer oldal nevű képed szerintem pont hogy a szekundert mutatja. A szimpla 230 oldali kondi, és az 1 db kapcsolótranyó/FET, valamint csatolt szekunder fojtó hiánya arra enged következtetni, hogy ez egy flyback táp, készenléti táppal. Amit te primer oldal nevű képre tettél, az szerintem néhány lineáris stabilizátor a szekunder oldalon.
Igen, pont fordítva írtam. Elnézést érte.
Ha jól néztem, akkor a 24V-os ágon, csak egy pár ellenállás, és két tranyó van. A többi az egyéb tápfesz beállításához kell, de holnap talán lesz idő lerajzolni.
Igen, jól mondod, így kell csinálnod.
Most ez így nem fog izolált feszültséget adni. |
Bejelentkezés
Hirdetés |






))))




