Fórum témák
» Több friss téma |
Fórum » MIG/MAG/Co2 hegesztő készülékek házilag
Témaindító: electorkalandor, idő: Feb 19, 2009
Témakörök:
Válasz a hegesztőtrafó szabályzós fórumon. Ott,ahova a kérdést először feltetted.
Egy lehetséges szabályzó panelterve és kapcsolása...Akit érdekel előkeresem a 3 fázisú verziót is...
Ez full ugyan az amit én is megcsináltam, csak én kapcs rajzként feltettem az eagle-ből a schematic fájlt, mert ott jobban látszanak az alkatrész értékek. Neked működik rendesen? Milyen értékű a szabályzópoti?
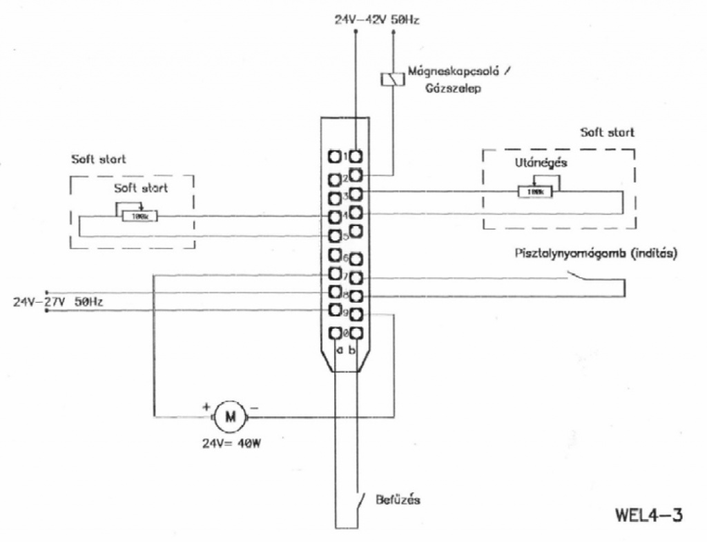
Itt van nehány vezérlőpanel bekötés.
Sziasztok!
Nemrégiben vettem egy Einhell porbeles hegesztőt, de egy kicsit csalódtam benne. A huzalt, csak nagyon döcögősen, akadozva, adagolja. Először arra gondoltam, hogy, a hegesztéskor létrejövő áramerősség 'szívja' el a huzalelőtoló motortól az áramot. Szerintetek helytálló az elképzelésem? Ezt hogyan tudnám megoldani? (Üresjáratban, hegesztés nélkül normálisan adagolja a huzalt)
Először cserélj áramátadó fúvókát a pisztolyon, és ellenőrizd le a huzaltovábbítót hogy nem szennyeződött-e a továbbító görgő horony. Aztán lehetséges még,hogy a pisztolyban kicsúszott a helyéről a huzalvezető cső, és emiatt akad a huzal.
A w22-es vezérlő paneltervezése előtt állok, de az 555-ös motorszabályzó helyett inkább a mellékelt rajzon szereplőt építem meg(egyrész olcsóbb a fet mint a darlington másrészt az 555-ös nekem eddig tiszavirágéletűnek bizonyult). Annyi kérdésem lenne, hogy valaki tudna véleményt mondani a gyári előtolás szabályzóba épített időzítős "ponthegesztés szabályzó", ill. időzített vezérlő létjogosultságáról? A gyakorlatban igazolt praktikusságáról nincs tapasztalatom, de van aki használta már gyári gépen nyilván..Ha volna szives leírni valaki mire jó egyáltalán? Előre is köszönöm a választ
A hozzászólás módosítva: Dec 7, 2012
Ott van rá szükség, ahol sok egyforma "pontot" kell hegeszteni, többnyire lemezmunkákhoz használják, pl karosszériások. Az ívpont-hegesztés funkció megkönnyíti ezt, meggyorsítja a munkát. Aki csak otthon barkácsol, az szerintem nagyon ritkán használja.
A W-22 vezérlésről annyit, hogy ezek a vezerlések a 80-as évek közepétől a mai napig üzemelnek ipari gépekben...tehát elég jól bevált kapcsolás.
Phile80 válaszához még annyit talán hozzátennék, hogy a W22 tartalmazza a motor fékezéséhez szükséges kiegészítést, ez a kapcsolás viszont nem. A fékezésre viszont szükség van, mert egyébként a pisztolygomb felengedésekor a huzal túl hosszan ki fog futni. Ez viszont gondot okoz a következő hegesztés megkezdésekor. Fűző hegesztésnél pedig kifejezetten rossz, ha a hosszú huzalt mindig rövidre kell csípni a hegesztés megkezdésekor.
Ha már itt tartunk akkor a burnback szabályzási lehetőség sem lenne elhagyagolható, bár annak inkább nagyobb áramerősségek esetén van jelentőssége ahol már nagyobb sebességgel tolja a huzalt.
Szia, ellenőriztem, amit mondtál. Valóban a huzaltoló görgő megérett a cserére, és az áramátadó is ki van már kopva. Azonban most terhelés nélkül vizsgálgattam, levettem a görgőt, így a motor szépen, egyenletesen járt. Visszaraktam a görgőt, ráfeszítettem a csapágyat, akkor már megint szakaszosan adagolta a huzalt (de a görgőn a huzal nem csúszott meg). Olyan, mintha maga a motor szenvedne. Ennek a hegesztőnek a megengedett hegesztődrótdob tömege 0,4 kg. Enyémen 0,8 kg volt, de már hegesztettem annyit, hogy kb 0.2 kg lehet rajta. Esetleg a 0,4 kg-os dob valamivel kisebb, mint a 0,8-as, ezért a rugó nagyon ráfeszíti a 0,8-as dobot?
Kösz a választ! én annyi féket látok a w22-ben, hogy a relére van kötve egy ellenálás ami lepukkantja a motort gerjesztésileg.... Magánban bátorkodtam érdeklődni a panelrajza felől mivel írtad, hogy sokszor utánépítetted és rugásra indult mindig.... Gondolom nem publikus...Üdv
A szervizesek nagy többsége 15 kg-os drótgurigákhoz szokott. Néha előfordul 3 kg-os guriga. Gondolod, hogy érdekel valakit is a 0,2 vagy 0,8 kg?
Ha rendben van a motor és az áttétel, nem számíthat néhány gramm. A hozzászólás módosítva: Dec 8, 2012
Minél kisebb a huzaldob, annál nehezebb dolga van a motornak mert kisebb a sugara és ezáltal a dob forgatásához szükséges erőkar is kisebb... Találkoztam már olyan géppel ami csak minimum az 5kg-os dobot bírta meghúzni. A kis 10cm körüli dobot meg sem tudta mozdítani...
Azt én meg el sem tudom képzelni miféle hegesztőgép lehet amire nem lehet legalább 5Kg-os dobot tenni, mert nálunk a cégnél a barkács kategória is itt kezdődik...
Pontosan így van, a relé nyitó érintkezője egy ellenálláson keresztül zárja rövidre a motor forgórészét és így fékez. nyák rajzom valahol bizonyára van de pauszon, mivel amikor még ezt a típust építgettem akkor még a pauszra tussal rajzolt nyákrajz volt a megszokott, meg a P20 spray. Digitális formában sajnos nincs meg.
Köszi a választ! Már nem lényeges a panelrajz, mert összeütöttem sprint layouttal, és vettem is egy kész vezérlőt. A p20 helyett nekem jobban bejött a vasalásos metódus, és maratni hidrogénperoxid+sósavban szoktam mert nincs idegrendszerem kivárni a vaskloridot. Arról nem is beszélve, hogy ökör áron adják már sajnos. Ezek meg minden utcasarkon kaphatók...Anno én indigóval másoltam majd hollótus majd szeggel bepontozni. A pöttyöket körömlakk-gyufaszál páros
De volt szigetelőszalaggal is ugyanez a verzió..Akkoriban még darabos vaskloridot adtak a patikába. A hozzászólás módosítva: Dec 9, 2012
Sziasztok!
December 2.-án irtam Einhell SGA 145 turbo co gép problémáimat. A kapcsolási rajza a mellékelt ábrákon, hátha most valaki tudna segíteni. A fórumon olvasott leírásokat követve nem találtam megoldást, pár dolgot nem értek. Előre is köszönöm a hozzászólásokat. u.i.: A kézzel rajzolt kapcsolási rajz hátha valakinek segítség. Ezeket a képeket egy lengyel oldalon találtam.
Próbáld meg, hogy az egyenirányító kimenetére beépítesz egy 33000uF50V-os kondit. Sok esetben megoldja a problémát. Említetted hogy centrál csatlakozó és szabványkábel van ráépítve. Ha a munkakábel hosszabb mint 3 méter, sosem fogsz tudni normálisan hegeszteni a géppel. Egy kérdés:
A centrál csatlakozó felszerelése után a gép jobb lett,vagy az előtte meglévő problémák megmaradtak a csere után is?
Hát ez jó kérdés,nagyon rég volt, de szerintem jobb lett és kényelmesebb.Kb éve,fél éve vannak gondok ,a munkakábel évek óta rajta van/euro /szerelő tanácsára vettem egy újat. Majd közölte az elötolót is cseréljem,nagyobb,komolyabb a motor is,bordázott görgö,a tartó lemezére nagyobb helyet kellet vágni,ezután cserélte ki a greatz hidat.Ha berakom a kondit nem fogja leégetni az electronikát? Arra gondoltam,hogy a motor megtáplálása a greatz hídrol történik /- ,+/ha jol gondolom,hogy egy másik trafóról adok neki kb 28 v -,+?Ja, pont 3 méteres a kábel.
A kondi nem égetheti le az elektronikát, csak polaritás helyesen kell bekötni. Az előtolás sebessége meg fog növekedni -de csak üresjárásban. Ha félsz a problémától, akkor tényleg célszerűbb egy kisebb trafót betenni az előtolásnak, és annak a feszültségét egyenirányítani. Bordázott görgő ?! A bordázott görgőt alu huzalhoz szokás használni, normál Co huzalhoz nem ajánlott,mivel a huzal korrózióvédelmét biztosító rézbevonatot ledarálja, és az áramátadó fúvókát nagyon gyorsan elkoptatja. Emellett még a huzalvezető spirál is nagyon gyorsan eltelik a lekopott rézporral. Normál huzalhoz sima "V"hornyos továbbító görgő kell, természetesen a huzal átmérőjének megfelelő horonyméretű. Ezt a méretet vagy belegravírozzák a görgő oldalába, vagy színjelöléssel látják el a görgő oldalába fúrt lyukat. A te gépednél szerintem a görgő oldalába van gravírozva a méret. Azért fontos a mérethelyes horonyban futtatni a huzalt, mert ha mélyebb a horony mint amit a huzal átmérője indokolna,akkor nem tolja a huzalt megfelelő erővel, ha viszont kisebb a horony mint ami a huzalhoz szükséges lenne , akkor a huzalt deformálja, és emiatt az áramátadó fúvókába időnként beleszorul.
A co szerelö adta nekem a tolót 15000 ft /zsír újat/én csak be építettem.Azt mondta,hogy rossz tolóm,ez okozza az ingadozást,pattogást ,lögdösödést hegesztésnél.A bordázott görgő biztosabb,folyamatos drót továbbítást tesz lehetövé,ez volt a válasza.0,8-as co drót és a horony hozzá való.Köszi az infót.
Szerinted ha a bordázott görgő minden huzalhoz alkalmas lenne, akkor nem alkalmazná minden gyártó? A huzalcsúszási problémák miatt van létjogosultsága a 4 görgős tolóműnek. Ott 2x akkora felületen fogja a görgő a huzalt, így kisebb leszorító erővel el lehet érni a megfelelő tapadást. A lényeg, hogy a huzal a lehető legkevésbé deformálódjon a körkeresztmetszethez képest, ugyanis az áramátadás a fúvókában csak akkor megfelelő ha minél nagyobb felületen érintkezik a huzal és az áramátadó fúvóka egymással. Nézd meg annak a huzalnak a felületét ami a bordás görgővel van továbbítva. hasonlítsd össze egy sima görgős tolóéval. A te gépedhez bizonyára egy mérettel nagyobb áramátadó fúvókát kell használni, hogy a felbordázódott huzal ne szoruljon bele. De,- persze ez is csak egy vélemény.
Természetesen a rossz huzaltovábbító mindenféle bajok forrása lehet, de a te problémád úgy tűnik a tolócserével nem oldódott meg. Próbáld meg a toló tápellátását függetleníteni a hegesztőfeszültségtől. Beépítesz egy 230V/24V 63VA-es trafót, egyenirányítod egy 4-5A-es graetz híddal, és arról táplálod a toló elektronikát. Lehet hogy egy csomó probléma megoldódik.
Hát én eddig csak olcsó barkácsgépekben láttam bordázott görgőt. Minden valamit érő ipari gépben kivétel nélkül sima felületű "V" hornyú görgők vannak, többnyire fogaskerekes hajtással. Alura én eddig csak olyat láttam ami nem "V" hornyú, hanem "U". Ezekbe a görgőkbe bele is van ütve az "ALU" felirat. Ezzel a görgővel még a szilícium ötvözetű alu huzalt is ki tudja tolni a 3m-es pisztollyal.
Ez így van ahogy írtad,a Froniusnál, Cloos-nál, Rehm-nél és minden olyan gyártónál, amelyik fontosnak tartja azt,hogy a huzal a legkevésbé deformálódjon a továbbítás eredményként. Bordás továbbítót használt az Iskra, a Viszék, és a Trakis is az alu továbbítására. De bordás továbbítógörgőt használnak a porbeles vagy töltött huzalokhoz,ha kétgörgős a továbbítómű. Normál tömör acélhuzalhoz még nem láttam bordás görgőt, kivéve a 10mm átmérőjű direkt tengelykihajtású huzaltolóknál, de ezeket én nem említem a huzaltolók között.
Van már beszerelve egy trafó ez táplálja a co szelepet meg egy mágnes kapcsolót.A traforól csak ennyit tudok:bemenet220v kimenet:0,12v,24v,ezek az adatok belevannak ütve egy alu lemezre a vezetékeknél,VA-rol nincs infó, honnan tudhatnám meg?.A régi toló fehér az uj kék,a régi greatz híd jó lessz a toló aram forrásának?kép csatolva.A bordázott görgö által tolt huzal nem sima de nem durva a felülete,amint modom van, rákérdezek a szerelönél,sejtem a válaszát:.....................Egyébként azt javasolja,hogy dobjamki vagy aggyam el a gépet és vegyek töle egy újat.Mindem velemény nagy segitség he az embernek nincs pénze.
A hozzászólás módosítva: Dec 17, 2012
A kék toló legalább olyan jó, mint a fehér.
(azért egy paraszthajszállal jobb)A trafó teljesítménye a mérete alapján jó tolóhoz is bőven elég lenne. ![]() Annyival módosítanám a kolléga javaslatát, hogy vegyél ipari használtat töredék áron. Akkor majd meglátod a különbséget. A képen látható egyenirányító egység a hegesztő áramhoz való. Az előtolóhoz sokkal kisebb kell. A hozzászólás módosítva: Dec 17, 2012
|
Bejelentkezés
Hirdetés |













De volt szigetelőszalaggal is ugyanez a verzió..Akkoriban még darabos vaskloridot adtak a patikába.








(azért egy paraszthajszállal jobb)