Fórum témák
» Több friss téma |
Fórum » Kapunyitás gombnyomásra olcsón! - avagy automata kapu házilag
Témaindító: szabi83, idő: Feb 2, 2006
Szia!
Nálam három éve megy ebből a motorból kettő (kétszárnyú kapu) és tökéletes. Egy kis szépséghibája a rendszernek, hogy kicsit lassú de szerintem nem olyan nagy baj. Kb. 1 perc a nyitás zárás. A vezérlés egyszerűen egy 555-ös időzítő, és egyszerű GD 5-ös rádiós távkapcsoló. Még készül a PIC-es vezérlés, abba tervezek védelmeket. Üdv: Gábor
Nem feltétlen kell toroid, csak nekem az jött itt a fórumon azért lett az! Igen az váltó áram, és egy greatz híd kell hozzá, és már is egyenáram lesz, igaz én még tettem bele egy nagyobb kondit is mint puffer kondi!
Sztm jó az a motor is bőven! Körbe kell nézni, hol olcsóbb, meg honnan mennyiért szállítják! Vagy netán apróhirdetési oldalakon is lehet nézelődni!
Hali!
Nálad hány voltos motorok mennek hány volttal? Csak a sebesség miatt kérdezem! üdv PIXI
Szia!
Már régen mértem de ha jól emlékszem akkor kb: 32-33 V-ot kapnak. Ekkora trafóm volt. Ehhez jön még 1-1,5V feszültségesés a kábelen. (Vezérlőtől a két motorig 15 méter.) A motorok 36V-osak. Üdv: Gábor A hozzászólás módosítva: Dec 9, 2012
Szia! Nagyon rendes vagy hogy irtál! Én sajna ennyire nem értek hozzá pic-es vezérlésen meg abszolút nem is gondolkoztam. Egyszerűbb relés módszerrel csinálnám ahol van egy működtető áramkör egy öntartó relével melyben egy táv vezérlés és egy kézi becsukó nyomógomb, plusz van benne egy kézi kinyitó és egy fénysorompó kinyitó melynél ha megszakad az áramkör akkor a kapu automat vissza kinyit, és ez 12Vos lenne. Meg van egy vezérelt áramkör ugye a két motorhoz tartozó irányváltó relé 2db melynél ha megnyomod a táv gombját az öntartó relé meghúz tehát kinyit ha megnyomod a csukás gombot akkor az összes relé elejt, nyugalmi állapotra és a motorok bezárják a kaput. Ugye ennek az a hátránya hogy az irányváltó relével ha nyugalmi van is forog a motor ha meghúzottba akkor meg ellentétesen így nem tudom bárhol megállítani, csak egy olyan gombbal ami vész leállító mely áramtalanít teljesen. De ez nem baj mert nekem ez volt a lényeg meg szerettem is volna ha így működik. Remélem érthető volt amit leírtam. Akkor ha neked ilyen motorjaid vannak akkor azok is kuplungosak? A végállás kapcsolóinak nem okoz gondot a nagy amper kapcsolgatása? Mert az ugye Nekem a motor áramkörébe van, meg szerintem majdnem mindenkinek aki relével csinálja. Milyen tápod van hozzá és honnan lehetne beszerezni egyet? Toroidosat egyenirányítani kell igaz? Az 1 perc abszolút nem gond. Bocsi mindenkitől a sok kérdésért és alkalmatlankodásért.
Köszi! Nagyon rendes vagy. Nem voltam rest végigolvastam az első oldaltól az utolsóig. A tiéd volt az első ami alapján el tudtam indulni csak azt a két tekercset nem értettem a paneleden. Mivel most irtad hogy már Te is 36Vos rendszert használsz igy átalakítottad a panelt és a motorokat is kicserélted. Nem vált be az előző a nagy amperek miatt, és gondolom inkább váltottál. Nagyon jó ötleteid voltak amiken Én is el tudtam indulni. Remélem mindenki annyit fogja olvasni az oldalakat és írásaitokat mint Én, mely idő alatt sok örömöt és rengeteg fejfájást okoz majd a temérdek információ és variáció.
Szóval grat. minden kedveshozzászólónak, segítőnek, és kivitelezőnek!
Szia!
Hu... Ha beszélgetnénk kérnélek, hogy néha vegyél levegőt is. Egyébként az antenna toló motorokban általában nincs kuplung a pozicionálás miatt. A kapcsolás egyébként nálam is a lehető legegyszerűbb. A két 555-ös csak az időzítés miatt van, hogy a nagyáramú táp csak másfél percig legyen 230V-on. (energiatakarékosság) Nyitáskor csak a 230V-ot kapcsolom be, záráskor egy relé a polaritást fordítja meg. Vészkapcsolónak nálam is a teljes áramtalanítás a megoldás. Visszanyitás és infra kapu majd a PIC-es verzióban. Tápegységnek volt itthon egy hipersil trafóm. Miután egyenáramú motorok természetesen egyenirányítani kell. Forgásirányváltás polaritás váltással. A végállás kapcsolók a motorokhoz vannak méretezve még soha nem volt velük gond.Üdv: Gábor Nem hiszem csak most annyi minden van a fejembe amit szertnék veletek megosztani hogy csak kapkodok a gondolatok és a szavak után. Én is gondolkoztam ezen a trafó lekapcsoláson időzítésen de ahhoz a rajzomat még át kell rajzolni de majd nekiesek. Akkor ha jól értem Neked egy relé vezérli a polaritás fordítást amire párhuzamosan van kötve a két motor. Kicsit értetlen vagyok, de ha a 230-at kapcsolod ki akkor mi adja az állandó üzemet a jelvételhez (standby mód) mint pl. táv. vezérlés. Akkor a tiéd mágneskapcsolós és a motorokat működtető reléd is 230-as? Vagy hamondjuk 12V-os akkor hogy oldottad meg?
Szia!
Természetesen van egy kisáramú segédtáp ami 12V-os. (régi telefon töltő) Erről megy a rádió vevő és kapcsolja a két 12V-os relét. Az egyik relé amikor mozgásban van a kapu, akkor állandóan be van kapcsolva ez adja a motorok tápfeszültségét (nyitás), amikor polaritást váltok a másik relével akkor mind a két relé meg van húzva (zárás). Az időzítés lejárta után mind a két relé elenged és csak a készenléti táp marad bekapcsolva. A stop kapcsoló az 555-öket reseteli ugyan az az eredmény, minden kikapcsol. Üdv: Gábor
Aha, világos asszem akkor Én még törhetem a fejem,de sebaj ezért van. Mennyit fogyaszt a nagy táp üres járatba? kb. ?
Szia!
Kb. 12-15 W ami 24 órás üzemben nagyon sok. A készenléti táp 1W alatt van. Nem mindegy. Üdv: Gábor
Szia!
Ufff, hát tényleg nem mindegy, nincs a tiédhez egy kapcsolási rajzod, amit megosztanál Velem? Ha most csináltatod,csinálod a pic-es vezérlést hozzá, nem lehetne belőle 2-őt összehozni, ja és * A hozzászólás módosítva: Dec 9, 2012
Szia!
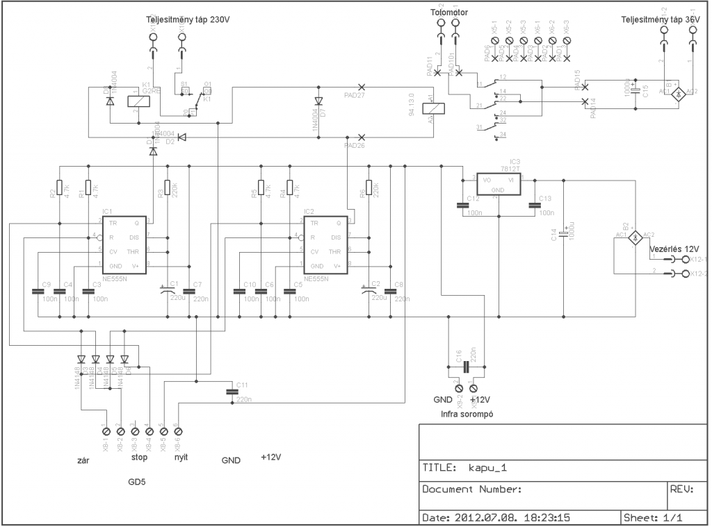
EAGLE-be készítettem egy rajzot. A teljesítmény trafó és a készenléti táp nincs rajta, de el lehet menni rajta. A PIC-es verzióhoz egy nyugalmasabb idő kellene, hogy a feltételeket összeírjam, meg meg kéne fogalmazni mi és hogyan működjön. * mert igazán nem szeretnék sokkal többet mint most, csak kiegészíteni pár figyeléssel és kényelmi szolgáltatással. (Este kapcsolja be a világítást míg beállok...) Üdv: Gábor A hozzászólás módosítva: Dec 9, 2012
Tisztelt Moderátor!
Nem igazán értem a helyreigazítást. Az hogy valami nem kerül többe valaminél és semmilyen üzleti megnyilvánulás nincs a szövegben akkor mi a gond. Nem üzletelünk és nem került szóba semmilyen bűnös cselekedet. Üdvözlettel: Gábor
Szia! Szuper, köszönöm, na ez már nekem kicsit magas de azért értem meg legalább eligazodok rajta, de mivel a hiradástechnikai részhez nem sokat konyítok így én ott az 555-nél vagyok kicsit bajba. Na az enyémbe reléken kívül mást nem látnál.
Tőlem ennyi telik, ezért is próbálok tanulni és érdeklődni. Nem rossz gondolat a világítás kapcsolás, és a védelmi kiegészítők. Ha esetleg elkészül a pic-es verziód kérlek majd oszd meg velem. Köszönöm a rajzodat most leülök még egy kicsit tanulmányozni és az enyémet átalakítani vagy összetépni aztán elteszem magam holnapra. Nagyon köszönöm, sokat okosodtam, átgondolva rábeszéltél a 36V-os mocira ugyhogy maradok ennél, és remélem összehozok én is valamit még az újévig, ami nekem is működni fog egy pár évig. Igyekszem majd megosztani hogy haladok vagy hogy sem, hátha rajtam kívül másnak is tudunk segíteni. Jóéjt. Üdv.: Zoli
Szia!
Természetesen A PIC-es verzió is publikus lesz, csak nekem is kell hozzá egy kis nyugalmasabb időszak. Eredményes építést, kellemes ünnepeket. Üdv: Gábor
Tisztelt Moderátor!
Sajnos Én sem értem a dolgot, nem összegszerű és nem üzletelési, beszélgetés történt, ha vissza olvassa a beszélgetésünket akkor kiderül hogy a ("házilag, minél olcsóbban") "mennyibe lenne?" kérdésem arra vonatkozott ha az alkatrészeket és minden kiegészítőt külön megvásárolnék mennyivel jönne ki olcsóbban (gazdaságosabban) mintha bármilyen szupermarketes kapuvezérlőt vennék. Ugyanis egy ilyen vezérlőt kompletten megvenni bármilyen hirdetési forumon a legegyszerűbb, de a legyártási, utánajárási, sikerélmény... mosoly és élvezet abból kimarad az anyagiakról nem is beszélve. De szerintem a beszélgetésünkben semmilyen forintális, alkudozási, esetleg kereskedési dolog nem történt! Kedves Moderátor ne haragudjon ha megsértettem de nem tartom jogosnak a csillagozást. Elnézést! Üdv. Zoli
Szia!
Köszönöm, igyekszem majd, és viszont kívánok Neked is Kellemes Ünnepeket! Üdv.: Zoli
Nekem az előző az ablaktörlő motors verzió úgy volt öntartó, hogy a tekercsekben lévő reed cső tartotta a reléket, mert a két végállás kapcsoló sorba volt kötve a motorokkal, és az indulás idejére egy relé kiiktatta a végállás kapcsolókat, így el tudott indulni, és onnantól a reed cső tartotta a reléket míg a végállás kapcsoló nem bontotta az áramkört. De ugye a nagy amper miatt ez nem működött jól! Most is hasonló a megoldás, mert nekem sincs PIC sőt még IC sincs a vezérlésben, és működik, annyi hogy nekem késleltetők tartják a reléket amik a reed csövek helyére kerültek, és a végállás kapcsolók ugyan úgy a motorok áramköreit szakítják meg, amit induláskor egy relé iktat ki! Meg csináltam egy védelmi áramkört is, hogy mindig csak az aktuális gomb működik, igaz hátránya, hogy menet közben egyik sem működik! Ezt ki akartam küszöbölni, de mivel nekem így is jó évek óta így nem bántottam! Működik és ez a lényeg!
Amúgy örülök, hogy olvasgatod amiket írtam, de azért hozzá kell tegyem, hogy cukrász létemre csináltam a kapunyitómat, úgyhogy nem egy profi műszerész vagyok! ![]() Ha kérdésed van írj nyugodtan! Ha tudok segítek!
Szia!
Tanulmányoztam a rajzodat és úgy gondoltam megépítem, gondolom teljesen tökéletes és akkor kell csinálnom egy panelrajzot meg egy beültetésit meg le kéne tudnom gyártani de megpróbálkozom vele. Viszont lenne egy pár kérdésem: -A rajzodon nem értem mik azok az X-ek. (ne haragudj és kérlek ne röhögj ki a tudatlanságomért ) Arra gondolok hogy + kötési pontok a másik motorhoz, reléhez. -Ha nekem az idő amire lekapcsol a nagy táp kicsi, hogyan tudom megnövelni mondjuk 2-3 percre? Gondolom ez úgy működik hogy amég nem zár vissza addig nem indul a táp lekapcsoló visszaszámlálója. De ha valami folytán a kapu félúton megállna vagy csak mondjuk a hideg miatt lassabban csukódna előbb lekapcsoljon a táp időzítője és a kapu nyitvamarad, előfordulhat? A fénysorompó a rajz alapján úgy működik hogyha bont akkor a kapu megáll és csak gombnyomásra indul újra vagy visszanyílik? Milyen reléket használtál milyet érdemes? Köszi Üdv.: Zoli
Szia!
Tanulmányoztam a rajzodat és úgy gondoltam megépítem, gondolom teljesen tökéletes és akkor kell csinálnom egy panelrajzot meg egy beültetésit meg le kéne tudnom gyártani de megpróbálkozom vele. Viszont lenne egy pár kérdésem: -A rajzodon nem értem mik azok az X-ek. (ne haragudj és kérlek ne röhögj ki a tudatlanságomért ) Arra gondolok hogy + kötési pontok a másik motorhoz, reléhez. -Ha nekem az idő amire lekapcsol a nagy táp kicsi, hogyan tudom megnövelni mondjuk 2-3 percre? Gondolom ez úgy működik hogy amég nem zár vissza addig nem indul a táp lekapcsoló visszaszámlálója. De ha valami folytán a kapu félúton megállna vagy csak mondjuk a hideg miatt lassabban csukódna előbb lekapcsoljon a táp időzítője és a kapu nyitvamarad, előfordulhat? A fénysorompó a rajz alapján úgy működik hogyha bont akkor a kapu megáll és csak gombnyomásra indul újra vagy visszanyílik? Milyen reléket használtál milyet érdemes? Köszi Üdv.: Zoli
Szia!
Az X-ek csak a relék miatt kerültek be, a panelterven átkötéssel megy a vezeték nem fólián. A két motor nálam párhuzamosan vannak kötve, nincs másik relé. A késleltetési időt az R3 C1, illetve az R6 C2 páros határozza meg. Ha növeled a kondik értékét nő az idő. Az időket kísérletileg állapítottam meg, lehet vele játszani. A két időzítő egymástól független, az egyik a nyitásra van, a másik a zárásra. Ma már biztos nem így csinálnám de végül is jól működik. Működése a lehető legegyszerűbb: gombnyomásra nyílik a kapu, mikor végállásba ér leáll, időzítő leáll. Zárás másik gomb megnyomására indul, végálláskor leáll, időzítő lejárta után kikapcsol. A vészgomb azonnal leállítja a teljes mozgást. Az időzítők úgy vannak állítva, hogy hosszabb legyen a teljes idejük mint a nyitás vagy zárás. Az infra kaput csak terveztem, de nem került be. Esetleg a stop gombra lehet rákötni. Reléket amit találtam itthon régi Omron reléket építettem be. Természetesen figyeltem, hogy az egyik 230V-ot kapcsol. Ha megfigyeled a második 555 diódán keresztül két relét kapcsol. Elvileg bírja az IC de jobb ha segít egy tranzisztor. hidegben nem áll le az időzítés csak sokkal később. Nem firtattam az okát, és ezért készül majd a PIC-es verzió. Abban már lehet mindenféle visszanyitás meg miegymás. Üdv: Gábor
Szia!
Köszönöm hogy szántál Rám időt, és részletesen leírtad, sokat segít! Üdv.:Zoli
Hello!
Ránézésre, az 1-3 a 230V és a 4-5 12V, valamint 6-7 6V feszültségű a menetszámok alapján. A 8-as láb egy árnyékolás, ami a földelésre köthető, de "lóghat is". Huzalvastagság szerint a 12V 1,5A-el, míg a 6V 0,7A-el terhelhető. üdv! proli007 A hozzászólás módosítva: Feb 3, 2013
Köszi.
Még egy kérdés a két tekercset össze lehet kötni nagyobb fesz eléréséhez?
Hello!
Össze, de az áram a kisebbikével lesz azonos. Ha rosszul kötöd sorba, (kezdet-vég-kezdet-vég a helyes) nem történik semmi, csak nem összeadódik, hanem levonódik. üdv! proli007 A hozzászólás módosítva: Feb 3, 2013
Sziasztok!
Tolókaput szeretnék távirányítósra megépíteni, de az adó-vevő elektronikával nem akarok vesződni. Van valakinek tanácsa hogy honnan érdemes beszerezni kész elektronikát? Persze megfizethető áron ![]() Segítségeteket előre is köszönöm!!!
Mondjuk itt. Bővebben: Link
|
Bejelentkezés
Hirdetés |




Szóval grat. minden kedveshozzászólónak, segítőnek, és kivitelezőnek!
Egyébként az antenna toló motorokban általában nincs kuplung a pozicionálás miatt. A kapcsolás egyébként nálam is a lehető legegyszerűbb. A két 555-ös csak az időzítés miatt van, hogy a nagyáramú táp csak másfél percig legyen 230V-on. (energiatakarékosság) Nyitáskor csak a 230V-ot kapcsolom be, záráskor egy relé a polaritást fordítja meg. Vészkapcsolónak nálam is a teljes áramtalanítás a megoldás. Visszanyitás és infra kapu majd a PIC-es verzióban. Tápegységnek volt itthon egy hipersil trafóm. Miután egyenáramú motorok természetesen egyenirányítani kell. Forgásirányváltás polaritás váltással. A végállás kapcsolók a motorokhoz vannak méretezve még soha nem volt velük gond.
Tőlem ennyi telik, ezért is próbálok tanulni és érdeklődni. Nem rossz gondolat a világítás kapcsolás, és a védelmi kiegészítők. Ha esetleg elkészül a pic-es verziód kérlek majd oszd meg velem. Köszönöm a rajzodat most leülök még egy kicsit tanulmányozni és az enyémet átalakítani vagy összetépni aztán elteszem magam holnapra. Nagyon köszönöm, sokat okosodtam, átgondolva rábeszéltél a 36V-os mocira ugyhogy maradok ennél, és remélem összehozok én is valamit még az újévig, ami nekem is működni fog egy pár évig. Igyekszem majd megosztani hogy haladok vagy hogy sem, hátha rajtam kívül másnak is tudunk segíteni. Jóéjt. Üdv.: Zoli 

